Offipalsta.COM  

Palaa takaisin   Offipalsta.COM > Off-Road > Tekniikka & Jutustelu
Rekisteröidy Offiblogit Yhteisö Kalenteri Viestit tänään Haku

Tekniikka & Jutustelu Yleistä keskustelua maastureihin ja/tai off-roadiin liittyen

Vastaus
 
Työkalut Etsi tästä viestiketjusta Näkymä
  #26  
Vanha 19.11.2009, 15:36
Rekisteröimätön
Guest
 
Viestit: n/a
Perusasetus

Lainaus:
Alkuperäinen kirjoittaja Marko.S Näytä viesti
Jos kone käy niin vinssiakun jännite ei pitäisi laskea alle 13.6v. Muistaakseni ei laske virtaa vinssiakulta startti akulle päin ellei optiona olevaa katkaisijaa (on/off) ole kytketty jolloin yhdistää vinssiakun ja starttiakun. Itse kytkisin tämän sinun tapauksessasi laturin (starttiakun +napa) ja vinssiakun väliin.

Toisen akun ei pitäisi olla syväpurettuna missään vaiheessa. Jos olen laitteen toiminnan ymmärtänyt oikein.

Kallis ja kallis... Ei ne laturitkaan ihan ilmaisia ole, sekä sen asennus ja johdotukset.. vs, tämä kytketään akkujen väliin ja maapiuha laitteelle.
Ei ihan pidä paikkaansa, jos tai kun kuormitus on kova jännite laskee. Toki jos laturin teho riittää ~ 3,5kW niin silloin ei laske.
Käytännössä vinssauksessa purkautuu aina, siksipä pohdinkin tilannetta jossa täysi akku ja purettu kytketään releellä tai kytkimellä rinnan, ei välttämättä ihan paras mahdollinen ratkaisu.

Itse kytkisin akut suoraan rinnan kiinteästi, jos mega spuutta on arka jännitteen tippumiselle niin sille oma varasyöttö vaikka prätkän akusta. Senhän ei tarvii olla iso.
Vastaa lainaten
  #27  
Vanha 19.11.2009, 15:53
Marko.S Marko.S ei ole kirjautuneena
Jäsen
 
Rekisteröitynyt: 10.08.07
Sijainti: Nurmijärvi, Finland.
Viestit: 47
Perusasetus

Lainaus:
Alkuperäinen kirjoittaja Rekisteröimätön Näytä viesti
Ei ihan pidä paikkaansa, jos tai kun kuormitus on kova jännite laskee. Toki jos laturin teho riittää ~ 3,5kW niin silloin ei laske.
Käytännössä vinssauksessa purkautuu aina, siksipä pohdinkin tilannetta jossa täysi akku ja purettu kytketään releellä tai kytkimellä rinnan, ei välttämättä ihan paras mahdollinen ratkaisu.

Itse kytkisin akut suoraan rinnan kiinteästi, jos mega spuutta on arka jännitteen tippumiselle niin sille oma varasyöttö vaikka prätkän akusta. Senhän ei tarvii olla iso.
Tuo prätkän akku vaihtoehto on kyllä ihan fiksu, mutta eikö siti pitäisi olla rele välissä ettei vinssi tyhjennä sitäkin?
Vastaa lainaten
  #28  
Vanha 19.11.2009, 16:09
HRD:n Avatar
HRD HRD ei ole kirjautuneena
Veteraani+
 
Rekisteröitynyt: 07.03.07
Sijainti: Hyvinkää, Finland.
Viestit: 1.602
Perusasetus

En ihan heti usko, et mega ois sen herkempi jännitteelle, kun vaik joku possin ruutta. Onhan komponenteissa kuitenkin jännitteen kans jonkin verran peli varaa. Itellä ollu reilu pari vuotta suikka ruiskuilla, eikä ikinä vinssatessa ole ollut mitään ongelmia käymisen kanssa.
Pitäähän sen vinssin käytön kans kuiten sen verran järkee käyttää, ettei väkisin polta moottoria alijännitteellä. Kun on virtalaitteet (akku ja laturi) kunnossa, ni aika pitkälle pärjää. Jos haluu, et se vinssi ja muut sähkökalut toimii niinku pitää, ni tuskin kannattaa rakentaa millään aikansa eläneillä akuilla ja laturilla.
__________________
Juho Haapakorpi
Kaukas 4x4'n ski
Vastaa lainaten
  #29  
Vanha 19.11.2009, 16:25
niko69:n Avatar
niko69 niko69 ei ole kirjautuneena
Konkari++
 
Rekisteröitynyt: 18.02.08
Sijainti: espoo, Finland.
Viestit: 772
Perusasetus

onks toi mun jeeppi isompi ku teidän??!! iteelä samoja ajatuksia. laitan varmaan molemmat taakse ni saa painoa pois keulalta.
alle 50 neliöistä tuskin kannattaa edes harkita? sähkö on on sinistä ja sattuu! on niitä mustia ja erisävyisiä harmaita johtoja
Vastaa lainaten
  #30  
Vanha 19.11.2009, 19:29
sako:n Avatar
sako sako ei ole kirjautuneena
Konkari++
 
Rekisteröitynyt: 08.08.05
Sijainti: Lappeenranta, Finland.
Viestit: 779
Perusasetus

Lainaus:
Alkuperäinen kirjoittaja Timo_L Näytä viesti
Mites se diodi- versio sitten pelittää? Eli siis yhtälailla lataus- kuin purkutilanteessa? Mulla on noi diodien ominaisuudet vähän hukassa, muutakun että ne päästää virtaa vain yhteen suuntaan. Miten kannattaisi kytkeä jne... Mulla meinaan vähän sama tilanne että olen aatellut kahta akkua, mutta vain yksi laturi (toiselle on aika heikosti tilaa enkä jaksa alkaa liikaa säheltämään).
Diodi ei johta kuin yhteen suuntaan ja diodin jälkeen on jännite n.0.7-1V vähemmän.
Esim. diodille tuleva johto 13V ja diodin jälkeen 12,3V.
__________________
Montenegro Offroad #55
2x 4x4 Outlander PHEV ja Wrangler
Vastaa lainaten
  #31  
Vanha 19.11.2009, 20:22
SamiN:n Avatar
SamiN SamiN ei ole kirjautuneena
Arvostettu jäsen
 
Rekisteröitynyt: 29.12.03
Sijainti: Järvimaa, Finland.
Viestit: 2.688
Perusasetus

Kattelin mätänetissä noita venekatkaisijoitakin, eli jompikumpi akuista tai molemmat mutta olipahan julmetun isoja! Pienempi vei tilaa kämmenen verran ja isompi vielä enemmän + korkeutta oli 5-7cm. Eivät välttämättä oikein sovi suikkaan, kun tuli riivittyä peltejä pois..

Päädyin kuitenkin rakentamaan kahden laturin ja kahden akun systeemin. Toi vinssiakku saa luvan opetella olemaan kyljellään, joko konehuoneessa tahi penkkien takana.

Muistin tota kaksoisakkurelettä tutkiessani tilanteen mettästä kun laturi sippas ja pelkällä akulla ei päässy pois kun joutu vinssaamaan..

Eli jos toinen laturi sippaa niin sitten kytkee akut rinnan (päävirtakytkin akkujen + napojen väliin) jolloin laturi lataa molempia. Muulloin vinssiakulle on toi vanin 105 A laturi (kunhan hepe muistaa hakea) ja sitten sytkälle ja muille normi toiminnoille toinen, joko toi sierran 65A tai sitten Bosch kopio 80A.

Eikös tollanen tuplalaturi systeemi ollu mm yhessä keltasessa suikassa? Oli ainakin kolme vinssiä ko. laitteessa..
__________________
Broken Back Team #1
Vastaa lainaten
  #32  
Vanha 19.11.2009, 20:51
sami_k:n Avatar
sami_k sami_k ei ole kirjautuneena
Veteraani
 
Rekisteröitynyt: 11.04.06
Sijainti: salo, Finland.
Viestit: 1.245
Perusasetus

mulla on suikassa tuplalaturi systeemi
mutta eise kaks laturia poista vielä sitä ongelmaa ettei purkais molempia akkuja vinssatessa
täytyy ne kumminkin erotella diodilla/tasasuuntaajalla
Vastaa lainaten
  #33  
Vanha 19.11.2009, 22:02
Timo_L:n Avatar
Timo_L Timo_L ei ole kirjautuneena
Legenda
 
Rekisteröitynyt: 26.08.06
Sijainti: Paloheinä, Helsinki
Viestit: 7.473
Perusasetus

Lainaus:
Alkuperäinen kirjoittaja sako Näytä viesti
Diodi ei johta kuin yhteen suuntaan ja diodin jälkeen on jännite n.0.7-1V vähemmän.
Esim. diodille tuleva johto 13V ja diodin jälkeen 12,3V.
Joo no siis kuten totesin niin tiedän että diodi päästää virtaa vain yhteen suuntaan, mutta mites se kytkentä? Ja miten muuten pelittää kahdella akulla, yms..?
Vastaa lainaten
  #34  
Vanha 20.11.2009, 00:13
SamiN:n Avatar
SamiN SamiN ei ole kirjautuneena
Arvostettu jäsen
 
Rekisteröitynyt: 29.12.03
Sijainti: Järvimaa, Finland.
Viestit: 2.688
Perusasetus

Ei pitäs olla ongelmaa, kun toinen laturi lataa toista akkua ja toinen toista. Vinssi on kytketty vain toiseen akkun (optima) jota lataa 105A:n laturi. Vartan akku joka jää starttiakuksi saa latauksen siis 65 tai 80A:n laturilta.

Akut eivät ole siis rinnan muulloin kuin startatessa tai toisen laturin hajotessa. Mekaaninen päävirtakytkin akkujen väliin.

Eli mihin tota relettä / diodia tässä tapauksessa tarvii, kun on toisistaan erilliset systeemit?

Edittiä, siis joo, jos toinen laturi sippaa, silloin tietty pitäs akut erottaa, jottei vinssi tyhjennä molempia mutta toi häikkä tarkottaa yleensä sitä että leikki on loppu ja traileri kutsuu muutenkin..
__________________
Broken Back Team #1

Viimeksi muokannut SamiN : 20.11.2009 00:16 Perustelu: näkökulman tarkistus
Vastaa lainaten
  #35  
Vanha 20.11.2009, 00:26
Viipo:n Avatar
Viipo Viipo ei ole kirjautuneena
Sankari
 
Rekisteröitynyt: 06.09.06
Sijainti: Joensuu, .
Viestit: 4.183
Perusasetus

Lainaus:
Alkuperäinen kirjoittaja 4x4lucifer74 Näytä viesti
Ei pitäs olla ongelmaa, kun toinen laturi lataa toista akkua ja toinen toista. Vinssi on kytketty vain toiseen akkun (optima) jota lataa 105A:n laturi. Vartan akku joka jää starttiakuksi saa latauksen siis 65 tai 80A:n laturilta.

Akut eivät ole siis rinnan muulloin kuin startatessa tai toisen laturin hajotessa. Mekaaninen päävirtakytkin akkujen väliin.

Eli mihin tota relettä / diodia tässä tapauksessa tarvii, kun on toisistaan erilliset systeemit?

Edittiä, siis joo, jos toinen laturi sippaa, silloin tietty pitäs akut erottaa, jottei vinssi tyhjennä molempia mutta toi häikkä tarkottaa yleensä sitä että leikki on loppu ja traileri kutsuu muutenkin..
Mulla on tällä hetkellä kaksi laturia ja yksi akku :P
Toi RJ:n oma 45A laturi ei vakuuttanu, niin laitoin kaveriksi boschin 90A laturin, mutten oo vielä jaksanu laittaa konehuoneeseen toista akkua sille.

Ja jos se toinen laturi sippaa, niin sitten edetään vaan hissunkissun sen toisen turvin. Yleensä se toinen tai ainoa laturi sippaa venäjällä heti ekana päivänä :P Ja taivallettavaa on vielä paljon.
Vastaa lainaten
  #36  
Vanha 20.11.2009, 13:27
Rekisteröimätön
Guest
 
Viestit: n/a
Perusasetus

Lainaus:
Alkuperäinen kirjoittaja sako Näytä viesti
Diodi ei johta kuin yhteen suuntaan ja diodin jälkeen on jännite n.0.7-1V vähemmän.
Esim. diodille tuleva johto 13V ja diodin jälkeen 12,3V.
Muistaa sit kanssa että kun diodista menee virtaa läpi siihen DIODIIN jää tehohäviö U*I eli jos oletetaan että siitä menee läpi esimerkiks laturin tuuppaamat 70A ja jännitehäviö 0.7 niin 70A*0.7V=49W eli lämpöä tulee mukavasti.

Jos jäähdytys ei riitä on diodi hetken päästä kaputt.
Vastaa lainaten
  #37  
Vanha 21.11.2009, 14:44
Mikki:n Avatar
Mikki Mikki ei ole kirjautuneena
Veteraani+
 
Rekisteröitynyt: 14.06.05
Sijainti: Hyvinkää, Finland.
Viestit: 1.462
Perusasetus

Kyllä tästäkin on vaikeeta saatu aikaiseksi...

Eli kytke laturi akkuun kiinni, jossa vinssikin on, ei lopu se virta ihan just siihen paikkaan vinssaillessa ja saa laturikin tehdä sitten sitä työtä, johon on suunniteltu!

Ja moottorille laitetaan IHAN OMA AKKU, jota ladataan esim. 40A virranrajoittimella (releellä), jotta jännitetaso säilyy oikeana moottorin ohjainlaitteilla. Ja pitkään vinssatessahan se laturin kanssa oleva akku "hyytyy", jolloin moottorin akku jauhaa omillaan (ilman laturin tukea) siihen saakka, kun taas virtaa riittää muuallekin tuhlattavaksi. Diodit ei ole hyvä ratkaisu, koska niiden virransietokyky on mahdottoman huono ja aiheuttaa päänvaivaa "kovassa käytössä" (lisäksi akun tyhjentyessä, otappas siitä virtaa toiselle akulle "vastavirtaan" + siellä on AINA +0.7V jännitevuoto!)

Mersullahan (E ja S zarjalaiset) on näin tehty jo pidemän aikaa, siellähän on moottoritilassa "ohjainlaite akku" joka on huimaavat 40Ah ja takaluukussa löytyy 105Ah woimalaitos. Sen veran hyviä noi "pikkuakut" on, jotta pääakku kun menee täysin tyhjäksi, lähtee auto käyntiin, mutta "huvituslaitteet" ei toimi, koska pikkuakusta ei ole ylläpitäjäksi.

Tämän takia asiakas tulee korjaamolle, kun radio ei kuulu, ja penkinlämmittimessäkin on "jotain" vikaa... Ym ym...
__________________
---------------------------------------------
# # # Jos se ei satu, silloin se maksaa... # # #
---------------------------------------------
Vastaa lainaten
  #38  
Vanha 21.11.2009, 14:54
Mikki:n Avatar
Mikki Mikki ei ole kirjautuneena
Veteraani+
 
Rekisteröitynyt: 14.06.05
Sijainti: Hyvinkää, Finland.
Viestit: 1.462
Perusasetus

Lainaus:
Alkuperäinen kirjoittaja sako Näytä viesti
Diodi ei johta kuin yhteen suuntaan ja diodin jälkeen on jännite n.0.7-1V vähemmän.
Ja tarkennukseksi, DIODI ALKAA JOHTAMAAN määrättyyn suuntaa 0,7V kyllästämisen jälkeen, ei se jännitettä hukkaa yhtään minnekkään! jos 13V ajat diodin läpi, niin 13V saat ulos... kollektoripinta sitten rajoittaa tuon virtamäärän, ja sehän diodilla on onnettoman huono!

0 - 0.7V aluella diodihan ei sitten toimi, vaan "vuotaa" viirran läpi, mihin suuntaan sitten tarvii...

Nyybin laskutoimitukset on sitten ihan oma maailman TAAS JÄLLEENKERRAN (eix niitä ny prkle saada täältä vaikka pelkäksi lukijoiksi, otettais mallia Volkkaripoikien sivuilta !!!)
__________________
---------------------------------------------
# # # Jos se ei satu, silloin se maksaa... # # #
---------------------------------------------
Vastaa lainaten
  #39  
Vanha 21.11.2009, 21:48
Eskimo Eskimo ei ole kirjautuneena
Arvostettu jäsen
 
Rekisteröitynyt: 06.10.03
Sijainti: Kajjjaani, .
Viestit: 3.320
Perusasetus

Lainaus:
Alkuperäinen kirjoittaja Mikki Näytä viesti
Ja tarkennukseksi, DIODI ALKAA JOHTAMAAN määrättyyn suuntaa 0,7V kyllästämisen jälkeen, ei se jännitettä hukkaa yhtään minnekkään! jos 13V ajat diodin läpi, niin 13V saat ulos... kollektoripinta sitten rajoittaa tuon virtamäärän, ja sehän diodilla on onnettoman huono!

0 - 0.7V aluella diodihan ei sitten toimi, vaan "vuotaa" viirran läpi, mihin suuntaan sitten tarvii...

Nyybin laskutoimitukset on sitten ihan oma maailman TAAS JÄLLEENKERRAN (eix niitä ny prkle saada täältä vaikka pelkäksi lukijoiksi, otettais mallia Volkkaripoikien sivuilta !!!)
Voi voi...

Kyllä siinä diodissa on kynnysjännite vaikka se johtaa ihan täpöllä. Riippuu diodin tyypistä mutta siellä 0.2-0.7 voltin välillä se on.
Sen verran se hukkaa siis jännitettä ja samalla suoraan ohmin lain mukaan tehoa. P=UI

Virrankesto on taas suoraan riippuvainen diodityypistä.

Lisäksi se ei päästä estosuuntaan yhtään virtaa oli jännite mikä tahansa.
__________________
- eskimo kaenuusta
Vastaa lainaten
  #40  
Vanha 21.11.2009, 22:34
Kartse1 Kartse1 ei ole kirjautuneena
Veteraani
 
Rekisteröitynyt: 09.07.06
Sijainti: Ylöjärven Kuru, Finland.
Viestit: 1.070
Perusasetus

Akkuhan ei ota määränsä enempää latausvirtaa sisäänsä, vaikka sitä latailisi 200A:n laturilla.

Joa haluaa Normaalikäytössä olevaa akkua pitää hyvässä kunnossa, niin sitä ladataan n. 4A:n laturilla Joskus yön yli...

Eli jos lähdet vinssaamaan vinssillä ,joka imee vaikka 500A virtaa kuormittuessaan,
ja konehuoneessa on vaikka 100A:n laturi, niin sen laturin tehosta lähes kaikki
menee suoraan sen vinssin mottorille ja loppu virrantarve tulee akun purkaantumisesta.

Sitten kun vinssaus päättyy, niin ei se laturi vielä tuuppaa sita 100A:a sinne akkuun päin,
vaan osa menee auton käynnissä pitämiseen, valoihin,...
Akun lataukseen saattaa mennä vain 10A, riippuen akun kyvystä ottaa virtaa vastaan...

Yksi hyvä keino on säästää laturin hiiliä palamasta ylikuormituksen takia, on sammuttaa kone vinssauksen aikana.
Aikas monet laturivauriot tulevat sen takia, että hiilet kuumenevat ja katkeavat.
Tuossa on vaan se huono puoli, että jos vinssaa akun tyhjäksi, niin sitä konetta ei saa enää käymään ilman apuvirtaa.

Paitsi jos on tuo 2-akkujärjestelmä, tai edes starttiboosteri huoltoautossa mukana...
Vastaa lainaten
  #41  
Vanha 21.11.2009, 23:27
SamiN:n Avatar
SamiN SamiN ei ole kirjautuneena
Arvostettu jäsen
 
Rekisteröitynyt: 29.12.03
Sijainti: Järvimaa, Finland.
Viestit: 2.688
Perusasetus

Lainaus:
Alkuperäinen kirjoittaja Kartse1 Näytä viesti

Yksi hyvä keino on säästää laturin hiiliä palamasta ylikuormituksen takia, on sammuttaa kone vinssauksen aikana.
Aikas monet laturivauriot tulevat sen takia, että hiilet kuumenevat ja katkeavat.
Tuossa on vaan se huono puoli, että jos vinssaa akun tyhjäksi, niin sitä konetta ei saa enää käymään ilman apuvirtaa.

Paitsi jos on tuo 2-akkujärjestelmä, tai edes starttiboosteri huoltoautossa mukana...
A-haa, tosta selkis miksi toi bilteeman bossi kopion hiili oli poikki..

Eli vinssatessa tulee ylikuorma laturille kun toi 55Ah :n keltanen optima EI yksinkertaisesti riitä.

Paljonkohan toi horsepoweri sitten oikein hukkaa tota poweria? En löytänyt mainintaa mistään paljonko vaatii virtaa?

Paljonko siis vinssit normaali vedossa ottaa virtaa?

Eli minkä kokoinen laturi + akku paketti on todettu riittäväksi päivän mittaiselle hupisessiolle?
__________________
Broken Back Team #1
Vastaa lainaten
  #42  
Vanha 21.11.2009, 23:39
BJ-40/76 BJ-40/76 ei ole kirjautuneena
Legenda
 
Rekisteröitynyt: 11.05.09
Sijainti: Oulu
Viestit: 5.055
Perusasetus

Diodien kynnysjännite on yleensä 0,7 volttia kun puhutaan sähkön siirrosta (pienemmissä, singaalidiodeissa jopa vain 0,2v)
Jännite tarkoittaa estosuuntaista jännitekestoa; jos ylitetään k.o jännite niin kunnossapysyminen vastaa hehkulampin pudottamista kaakelilattialle....
Virta tarkoitaa normaaliolosuhteissa riittävästi jäähdytettyä diodia
Tarkalleen ottaen diodin sisäisen pinnan maksimirajalämpötila tuhoaa diodin; vrtylläoleva kaakelilattia

Latureista senverran, että tyhjäkäyntikierroksilla laturi lataa noin 1/3 ilmoitetusta.
Akkujen virran vastaanotto on myös rajallista, mutta kun kyse on vinssauksen jälkeen lämpimistä akkuista, niin ne ottaa kunnossaollessaan virtaa ihan kunnolla:
Itsellä veneessä hupipuolella 3 x 60a "ladan" käynnistysakkuja, ja 2vuotiailla akuilla tyhjänä lähdettäessä bosch 115A laturi tuuppasi akkupakettiin yli 100A ensimmäisen tunnin, sitten virta tipahti, koska jännite laski 13,7v (konehuoneessa n.60c) latausvirta alkoi laskea jyrkästi n.2tunnin kuluttua, joten akkujen viimmeinen 20% vaati herkistelyä. virta oli noin 10A jännitteellä 13,6v.

jos akkujen lämpötila järkevä, esim. 20c niin latausjännite latauksessa saa olla hetkellisesti jopa 15v.
(jokainen tunti jolloin 15volttia niin lyhentää kestoikää huomattavasti),
Mutta satunnaisesti voi käyttää jännitteen 16v:ssa, pienellä virralla, tasapainottaa ominaispainot kennoissa.

Yritin äskön vastata tähän viestiin kattavalla pohdinnalla, mutta tipahdin ulos:

Jos offarit haluaa minun omakohtaisia kokemuksia sähkötekniikan "teoreettisesta" maailmasta, niin voin avata oman ketjun, missä voin käydä pikkasen läpi "teoreettista-"sähkötekniikkaa mm. jännitehäviöiden laskentaa, arvaillaan sopivia sulakkeita, ja laskea pari esimerkkiä akkukaapeleille takakonttiin.

-J-
Vastaa lainaten
  #43  
Vanha 21.11.2009, 23:52
SamiN:n Avatar
SamiN SamiN ei ole kirjautuneena
Arvostettu jäsen
 
Rekisteröitynyt: 29.12.03
Sijainti: Järvimaa, Finland.
Viestit: 2.688
Perusasetus

Jep, aukaise uusi aihe , pysyy luettavampana kun ei hypitä eestaas.

kiinnostaa toi kaapelinpaksuus ,kun toisia piuhoja tarttis alkaa vetelemään..
__________________
Broken Back Team #1
Vastaa lainaten
  #44  
Vanha 22.11.2009, 00:13
RIPAX RIPAX ei ole kirjautuneena
Veteraani+++
 
Rekisteröitynyt: 24.04.09
Sijainti: vihti
Viestit: 2.254
Perusasetus

Back to basics..


Jotain mäkin autosähköstä ymmärrän mut yx on varmaa:mitä enemmän tavaraa sitä enemmän painoa ja mahdollisia vikoja.Mun ymmärtämykseni vinssi tarvii sen 500A/14v ja yxkää akku ei luovuta semmosta kovin kauvaa,en muista kuulleeni moisesta laturistakaan.Eli kone on oltava käynnissä vinssatessa.Eikä hiilet kärähdä vinssin takia,roottoria magnetoidaan samalla virralla oli laturin rasitus mitä tahansa.Yhet diodit poltin laturin persiistä aikoinaan,sieltä staattorista se virta mun tietääkseen tulee.Vanhoissa toitsun rele-mallin säätimissähän oli sitäkin vikaa et kärjet jumiin ja diodit pox.Mut asiaan:ei paras mut toiminta varmin reseptini on et mahollisimman suuri laturi,ja kuorma auton akku ja sekin lavan tahi takapaxin pohjaan ni ei niin liiraa talvella.Kaapelit 50mm2 autolle ja vinssille omansa.Yksin kertasta ja toimivaa,virta voi loppua joka tapauksessa.Joo edittinä sille bj40/76 et kirjota nyt helvetissä,kun on meittiä jotka liittää sähkötekniikkaan mitä ihmeellisimpiä taika-uskomuksia!

Viimeksi muokannut RIPAX : 22.11.2009 00:17
Vastaa lainaten
  #45  
Vanha 22.11.2009, 01:49
Kartse1 Kartse1 ei ole kirjautuneena
Veteraani
 
Rekisteröitynyt: 09.07.06
Sijainti: Ylöjärven Kuru, Finland.
Viestit: 1.070
Perusasetus

Lainaus:
Alkuperäinen kirjoittaja RIPAX Näytä viesti
Jotain mäkin autosähköstä ymmärrän mut yx on varmaa:mitä enemmän tavaraa sitä enemmän painoa ja mahdollisia vikoja.Mun ymmärtämykseni vinssi tarvii sen 500A/14v ja yxkää akku ei luovuta semmosta kovin kauvaa,en muista kuulleeni moisesta laturistakaan.Eli kone on oltava käynnissä vinssatessa.Eikä hiilet kärähdä vinssin takia,roottoria magnetoidaan samalla virralla oli laturin rasitus mitä tahansa.Yhet diodit poltin laturin persiistä aikoinaan,sieltä staattorista se virta mun tietääkseen tulee.Vanhoissa toitsun rele-mallin säätimissähän oli sitäkin vikaa et kärjet jumiin ja diodit pox.Mut asiaan:ei paras mut toiminta varmin reseptini on et mahollisimman suuri laturi,ja kuorma auton akku ja sekin lavan tahi takapaxin pohjaan ni ei niin liiraa talvella.Kaapelit 50mm2 autolle ja vinssille omansa.Yksin kertasta ja toimivaa,virta voi loppua joka tapauksessa.Joo edittinä sille bj40/76 et kirjota nyt helvetissä,kun on meittiä jotka liittää sähkötekniikkaan mitä ihmeellisimpiä taika-uskomuksia!

Pienet kertaukset itse kullekkin on välillä paikallaan...

Itse asiassa Tavallinen auton laturi toimii seuraavasti:

Laturin roottorissa on sähkömagneetti. Sähkövirta magneettiin johdetaan liukurenkaiden ja hiiliharjojen avulla.
Kun magneetti pyörii, se indusoi jännitteen staattorin kolmivaihekäämitykseen.
Tämä kolmivaiheinen vaihtovirta tasasuunnataan diodisillalla.
Jännitteen säätö tapahtuu muuttamalla roottorin magnetointivirtaa. Juuri tämä rasittaa niitä hiiliä.
Mitä suurempi virta roottorin läpi johdetaan, sitä suurempi jännite staattoriin kehittyy tietyllä pyörimisnopeudella.
... tjsp... Nuhaisena ei älli pelaa ihan täysillä...

Vinssin moottori pyörii vaikka 9:llä voltilla, mutta ei siellä tyhjentyneessä akussa ole enää potkua,
eli se ei anna niitä tarvittavia Ampeereita riittävästi, jotta moottori jaksaisi pyöriä. Sekään ei tarvii toimiakseen tuota vakaata 14 Volttia.

Jos lähes täydellä akulla aletaan vinssaamaan, niin vinssin moottorin navoista mitatessa
saattaa tulla muutaman sekunnin 13 -14V:n mittaustuloksia,
mutta muutaman minuutin vinssaamisen jälkeen jännite on jo 10V.
Vinssi pyörii edelleen, mutta alkaa pitämään sitä omaa saundiaan, jonka jokainen on kuullutkin.

Normaali akku kärsii ladata hetken aikaa reilulla 10A:lla.
Jos vähän kypsynyt akku alkaa ottamaan 20A latausvirtaa, niin se kyllä kiehuu iloisesti muutaman minuutin kuluessa.
Hetken päästä kuuluu iloinen kajahdus, kun akun kannet lentävät pitkin konehuonetta...
Eli ei sitä akkua latailla suoraan 100A:n laturilla, kyllä se latausvirta menee suurimmaksi osaksi kulutuskojeille ja akku vastaanottaa sen mitä pystyy
(5 - 15A, riippuen varaustilasta).


Kyllähän noita kirjoituksia ja yksittäisiä mittaustestejä tänne nettiin mahtuu, mutta kaikkea ei pidä ottaa liian tosissaan ja oikeana oppina.

Aina ei myöskään pidä pahoittaa mieltään toisten kirjoitteluista ja vääristä informaatioista,
vaikka se meille kaikille on useinkin ylivoimaisen vaikeata kestää...

Toivottavasti joku nuori ja Innokas Insinööri jaksaa vääntää kansankielisen oppaan
auton sähkölaitteiden sielunelämästä. Siinä tulisi uutta & kertausta monelle,
ja se on aina tarpeen. Kaikille...

Viimeksi muokannut Kartse1 : 24.11.2009 06:07
Vastaa lainaten
  #46  
Vanha 22.11.2009, 03:09
Viipo:n Avatar
Viipo Viipo ei ole kirjautuneena
Sankari
 
Rekisteröitynyt: 06.09.06
Sijainti: Joensuu, .
Viestit: 4.183
Perusasetus

joo, ja tää on halpisakkujen ja noiden "deep cycle" akkujen erona.

Moni kuitenkin vinssannu sen oman akkunsa moneen kertaan kuivaksi ja sitten ajanu hetken.
No, kyllähän se satunnaisessa käytössä kestää tätä vuoden-pari, ennenkun antautuu ja kieltäytyy ottamasta yhtään virtaa vastaan. Tätäkin voi herätellä antamalla ylijännitettä (48v tasasuuntaajalla jos ei toimi, niin akku on romu)
Normi akut tavallisessa käytössä kestää jopa 10 vuotta, mutta esim. jakelu kuorma-autoissa kiehuu akut paskaksi jo 3 vuodessa perälautakäytössä. Sähkömoottori nappaa melkosen isot virrat ja laturi työntää mitä kykenee. Akkuun kertyy epäpuhtauksia elekrolyyttipinnoille, ja pinnat myös fyysisesti hajoavat. Kuorma-autoissa ei kuitenkaan ole, kuin yhdet ~110A 24v laturit

Hyväksyttävä tosiasia vaan on, että aktiivisessa sähkövinssikäytössä akut vaan kuolevat muutamaan vuoteen, ehkä jopa vuoteen.
Vastaa lainaten
  #47  
Vanha 06.01.2010, 19:00
sako:n Avatar
sako sako ei ole kirjautuneena
Konkari++
 
Rekisteröitynyt: 08.08.05
Sijainti: Lappeenranta, Finland.
Viestit: 779
Perusasetus

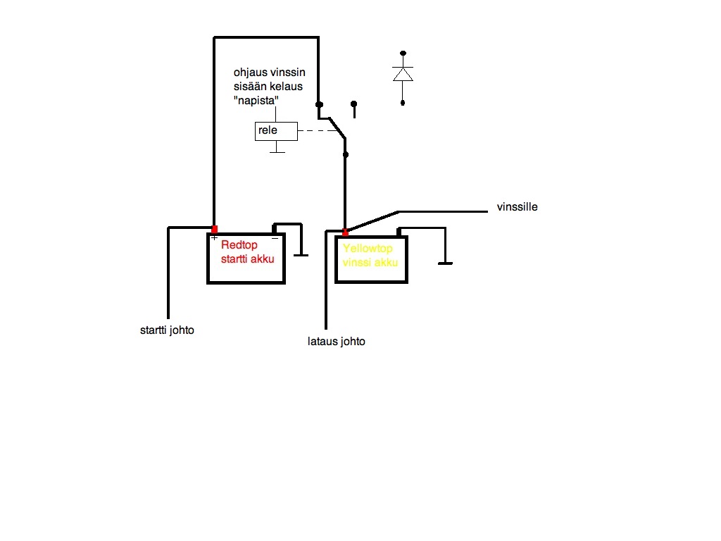
Tuli tossa yksi ilta mielee tollainen visio tuosta kaksoisakku järjestelmästä.
Pitäis tiedustella onko sellaisia solenoideja joissa on lepotilassa kosketin kiinni.
Antakaahan kommentia...

Click image for larger version

Name:	2xakku ja rele.jpg
Views:	1256
Size:	43,7 Kt
ID:	10202
__________________
Montenegro Offroad #55
2x 4x4 Outlander PHEV ja Wrangler
Vastaa lainaten
  #48  
Vanha 06.01.2010, 22:47
BJ-40/76 BJ-40/76 ei ole kirjautuneena
Legenda
 
Rekisteröitynyt: 11.05.09
Sijainti: Oulu
Viestit: 5.055
Red face

Tuossa kytkennässäsi oleva avautuvalla koskettimella oleva rele (solennoidi-) 30 amppeerin virrankesolla on ihan normaalia varastokamaa, mutta ei todennäköisesti kestä tuossa kytkennässä.

Noissa sähkövinssikytkennöissä minä kytkisin molemmat akut plus- navoista yhteen ISOLLA päävirtakytkimellä.

Jos pelätään starttiakun tyhjenemistä, silloin tarvitaan kalliimpia komponentteja ja monimukaisempia kytkentöjä.

Ja kuten useimmat meistä on kuullut, sähkövinssi vaatii ammpeereita (A) kunnollisella jännitteellä (U)
ja siihen on apuna seuraavat:
-Akkujen täytyy olla täynnä, kunnossa ja LÄMPIMÄT.
-Akkujen ja vinssin välissä pitää olla ainakin_tarpeeksi paksut, ja -lyhyt kaapelit (koskee 1:1 myös maa puolta)
-laturilta saadaan sähkö apua vinssaukseen, mutta se on mitätön apu (Kenen offiauto lataa tyhjäkäynnillä 25% vinssin maksimivirrasta?)

- ja kuten yllä olevasta huomataan; Isoista latureista on apua eniten kevyessä vinssauksessa, ja suurin nimenomaan akkujen lataamisessa, Latausjännitteestä voidaan olla montaa mieltä, mutta jos se on aina sama, niin 14,5v on minun valinta (kesällä pikkasen vähemmän, talvella enemmän ja jos kunnon vinssaus sessio niin silloin yksi voltti ylempänä, joka kyllä kiehuttaa akkuja, mutta ....)
yllämainitut jännitteet ovat nimenomaan akun napajännitteitä!!!!)
- Kylmän akun lataaminen on vaikeaa, mutta onneksi offipeleissä suurimmissa vinssaus sessioissa ei ole
kohtuutonta järjestää akulle plussalla olevia lämpötiloja.

-ja sitten tst pläjäys: Minulla on seuraava muistisääntö: kuparin sähkönjohto on 1/57 käytettäessä poikkipintana mm2 ja pituutena metrejä. eli yksi metri yhden neliömillin kaapelia on 0,0175 ohmia.
ja 5+5 metriä 35mm2 kaapelia 0,005 ohmia JA
jännitehäviö lasketaan seuraavasti U(jännite V) = R(resistanssi ohmia) kertaa I (virta A)
oletetaan että sähkövinssi ottaa 500 A (amppeeria) noilla 5m+5m 35mm2 johdoilla niin saad. seuraavaa=>
U=RxI => 0,005ohmi x 500A= 2,5 volttia.
Arvaus: 500 A kuormitusvirralla hyvän akun jännite on äkkiä alle 12v, ja vinssillä on silloin alle 9,5 volttia!!!

Sorry topiikin likaamisesta, yritän parantaa tapani
Vastaa lainaten
  #49  
Vanha 06.01.2010, 23:22
BJ-40/76 BJ-40/76 ei ole kirjautuneena
Legenda
 
Rekisteröitynyt: 11.05.09
Sijainti: Oulu
Viestit: 5.055
Cool

Lykkään tapojeni parantamista vielä hieman:


Laskutehtävä kiinnostuneille:
Autossa esim 150A laturi, jossa sisäinen säädin ja -jännitteen säätö 14.0 volttia , lataa 4 mm2 poikkipintaisen, 1 metrin mittaisen johdon kautta akkuja, jotka ovat lämpimia ja puolityhjiä, k.o latauksella napajännite 13.7 volttia, akusta otetaan myös sähköt 4 parille 55w työvaloja, ja lämppärille yms yht.20A

(Kone kiertää kierrokset tapissa, ja maakaapelin jännitehäviö ei huomioida (kurjistas tilannetta edelleen))

Kuinka suurta virtaa laturi syöttää akulle ja kulutuksen?

- kuparisen metrin kaapelin resistanssi on 0,0044 ohmia
- laturilla 14.0v, akulla 13,7v, joten jännitehäviö U =0,3V

- aikaisemmassa replyssäni: U=RxI josta peruskoulun matikalla: I=U jaettuna R
ja siis laturin virta on 0,3 V / 0,0044 ohmia => 68 amppeeria, joista 36 A työvaloille ja 20 A auton muulle kulutukselle.

- Ai niin, sille puolityhjälle akkupatteristolle jäi 12 ampeeria, joten eivät purkaannu, vaan latautuvat.

p.s.s lataisi yhtähyvin myös reilulla tyhjäkäynnillä.

Ja jos joku haluaa laskeskella, niin oletetaanpa että maakaapeli on 0,5 metriä ja 16mm2
Akun jännite oletetaan samaksi!

Viimeksi muokannut BJ-40/76 : 06.01.2010 23:27
Vastaa lainaten
  #50  
Vanha 06.01.2010, 23:42
-MAKE-:n Avatar
-MAKE- -MAKE- ei ole kirjautuneena
Sankari
 
Rekisteröitynyt: 11.02.05
Sijainti: Kangasala, Finland.
Viestit: 3.792
Perusasetus

Lainaus:
Kuinka suurta virtaa laturi syöttää akulle ja kulutuksen?
Hetken päästä ei yhtään kun se laturin johto kärähtää.

Tossa on hyvä paikka pistää selkeitä ohjeita.
http://faq.offipalsta.com/index.php/...oautotekniikka
__________________
Lukekaa ne ohjeet
K.T 10/06
Vastaa lainaten
Vastaus


Käyttäjiä lukemassa tätä viestiketjua: 1 (0 jäsentä and 1 vierasta)
 

Pikalinkit

Samanlaisia viestiketjuja
Viestiketju Aloittaja Foorumi Vastauksia Viimeisin viesti
M:Pari akkua amerikan autoon pekkav O/M/V Muut 2 09.01.2009 12:58
Kaks akkua La tuskaa Tekniikka & Jutustelu 9 06.01.2009 11:18
yksi ISO vai pari pientä akkua 12-v järjestelmään? lepoantti Tekniikka & Jutustelu 7 10.04.2007 18:05
Kaksi akkua maasturiin! rm67 Tekniikka & Jutustelu 3 17.01.2007 10:15
Montako akkua??? Zamppa Tekniikka & Jutustelu 16 12.08.2005 11:33


Sivu luotu: 05:02 (GMT +2).