|  |   | 
| 
 | |||||||
| Tekniikka & Jutustelu Yleistä keskustelua maastureihin ja/tai off-roadiin liittyen | 
|  | 
|  | Työkalut | Etsi tästä viestiketjusta | Näkymä | 
| 
			 
			#1  
			
			
			
			
			
		 | ||||
| 
 | ||||
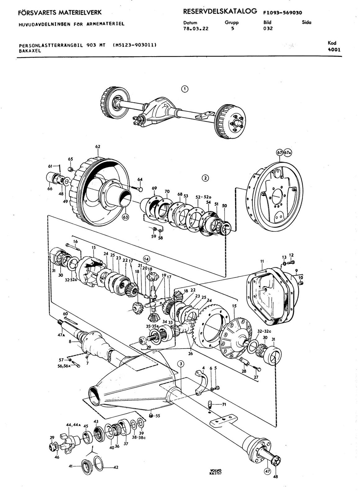
|   volvo valp l3314 jarrurumpuTietääkö kukaan miten otetaan 1962 vm valpista jarrurumpu pois? Ohjeessa sanotaan: pyörä pois, jarrurumpu pois. Mutta todellisuus on ihan eri näköinen kuin räjäytyskuva. Näyttäisi siltä että jarrurumpu on navan sisäpuolella? 
 | 
| 
			 
			#2  
			
			
			
			
			
		 | ||||
| 
 | ||||
|   
			
			Voiko jarrurumpu olla asennettu navan väärälle puolelle? Täsmäisi räjäytyskuvaan? | 
| 
			 
			#3  
			
			
			
			
			
		 | ||||
| 
 | ||||
|   
			
			On se ilmeisesti ihan oikein laitettu, noissa vanhemmissa tuo systeemi vaan on eri. https://www.youtube.com/watch?v=bqAex36nq4Y#t=50s on samanlainen systeemi, tosin etupyörästä. | 
| 
			 
			#4  
			
			
			
			
			
		 | ||||
| 
 | ||||
|   
			
			Onko kukaan ottanut tuota napaa/jarrurumpua irti? Lähteekö se irti kun ottaa tuon mutterin pois ja laittaa ulosvetäjän pyöränpultteihin ja akselin päähän? eli työkalu SVO 2455 tai siis itsetehty vastine. Korjauskirjan mukaan pitäisi lähteä, mutta usko loppuu ... | 
| 
			 
			#5  
			
			
			
			
			
		 | ||||
| 
 | ||||
|   
			
			Oli vaan voiman puutetta. Ei muuten kannata olla rummun edessä, lennähti lopulta melkein puoli metriä kun irtosi. Reilusti lämpöä ja 15t hydraulinen ulosvetäjä hoiti homman. Edit: Vanhoissa jeepeissä on samanlainen systeemi: https://www.youtube.com/watch?v=aLX_Fd5vwCY Toinen puoli vaan on vielä tiukemmassa 15t hydraulinen ulosvetäjä ei jaksa vetää napaa irti, pitää etsiä jostain vahvempi ulosvetäjä. Viimeksi muokannut suzs205 : 07.10.2024 17:51 | 
| 
			 
			#6  
			
			
			
			
			
		 | ||||
| 
 | ||||
|   
			
			Lähti irti samanlaisella ulosvetäjällä kuin tuossa jeeppivideossa. Tosin piti käyttää pulttipyssyä ja siitäkin meinasi loppua voima. | 
|  | 
| Käyttäjiä lukemassa tätä viestiketjua: 1 (0 jäsentä and 1 vierasta) | |
| 
 | 
|  Samanlaisia viestiketjuja | ||||
| Viestiketju | Aloittaja | Foorumi | Vastauksia | Viimeisin viesti | 
| Myydään / Vaihdetaan Volvo l3314 valp | VOLIATTI | O/M/V Ajoneuvot | 2 | 25.04.2019 15:35 | 
| Ostettu LJ-70, BJ-40/42 tai Valp/C202/L3314 jako- ja vaihdelaatikko tai Gaz jakolaatikko | IironSika | O/M/V Varaosat ja tarvikkeet | 2 | 27.01.2014 00:11 | 
| Myydään / Vaihdetaan Volvo L3314 (Valp) -62 Todella hyvä | Kujis | O/M/V Ajoneuvot | 0 | 04.06.2012 22:45 | 
| Ostetaan Volvo c 306 Jarrurumpu/yoke | AnttiPerkele | O/M/V Varaosat ja tarvikkeet | 1 | 06.03.2011 23:38 | 
| m: volvo L3314 | O/M/V Muut | 0 | 26.09.2005 15:49 | |