Offipalsta.COM  

Palaa takaisin   Offipalsta.COM > Off-Road > Maasturiprojektit
Rekisteröidy Offiblogit Yhteisö Kalenteri Viestit tänään Haku

Maasturiprojektit Osio on tarkoitettu etenkin pidempiaikaisten projektien seuraamiseen. Tämä on oikea paikka oman auton esittelyyn.

Vastaus
 
Työkalut Etsi tästä viestiketjusta Näkymä
  #101  
Vanha 14.04.2024, 21:57
hitsaa hitsaa ei ole kirjautuneena
Aktiivijäsen+++
 
Rekisteröitynyt: 25.09.12
Sijainti: Stadi
Viestit: 420
Perusasetus

Ensin pilataan ihan hyvät moottorin tukikumit ja poistetaan kumi ja sen ympärillä oleva metallirengas. Toisen laidan terävät särmät pois viilalla ja dremelillä tasoitellen.



Tyhjään pesään sopii Prothane 1-504-BL uretaanipuslat, vaan niistä pitää ottaa keskellä oleva metallitappi pois että mahtuu.



Pari kolme kertaa piti yrittää prässin kanssa ennen kuin oikea tyyli löytyi. Litiumrasvaa väliin ja painetta tasaisesti puslan laidoille.



Puslalle tilaa mennä renkaasta läpi



Valmis tuote paikalleen punnerrettavaksi. Olisi kannattanut tehdä viisteet keskitappiin että pultti menisi helpommin paikalleen



Jostain syystä näiden paikalleen saaminen on aina taistelu. Apukuskin puoli ensin paikalleen, sitten kuskin puoli vääntöraudan kanssa.

En huomannut ylimääräisiä tärinöitä, mutta kone tuntuu nyt pysyvän paremmin paikallaan kiihdyttäessä.
Liitetiedostot
Click image for larger version

Name:	Screenshot 2024-04-14 at 22.39.13.jpg‎
Views:	3270
Size:	204,1 Kt
ID:	106766   Click image for larger version

Name:	Screenshot 2024-04-14 at 22.40.07.jpg‎
Views:	3257
Size:	203,8 Kt
ID:	106767   Click image for larger version

Name:	Screenshot 2024-04-14 at 22.40.18.png‎
Views:	3376
Size:	1,18 Mt
ID:	106768   Click image for larger version

Name:	Screenshot 2024-04-14 at 22.40.29.png‎
Views:	3282
Size:	644,0 Kt
ID:	106769   Click image for larger version

Name:	Screenshot 2024-04-14 at 22.42.42.png‎
Views:	3277
Size:	888,7 Kt
ID:	106770  

__________________
Menipähän tuo viimeksi niin nyt ei millään.
Vastaa lainaten
  #102  
Vanha 20.04.2024, 13:40
hitsaa hitsaa ei ole kirjautuneena
Aktiivijäsen+++
 
Rekisteröitynyt: 25.09.12
Sijainti: Stadi
Viestit: 420
Perusasetus

VIC lakkasi toimimasta jokin aikaa sitten. Näyttää kärähtäneen piirin Vcc pinni ja ehkä konkka päästänyt liemet pihalle.





Liitetiedostot
Click image for larger version

Name:	Screenshot 2024-04-20 at 14.38.17.png‎
Views:	3163
Size:	2,85 Mt
ID:	106810   Click image for larger version

Name:	Screenshot 2024-04-20 at 14.38.27.png‎
Views:	3080
Size:	1.019,7 Kt
ID:	106811   Click image for larger version

Name:	Screenshot 2024-04-20 at 14.38.34.png‎
Views:	3111
Size:	827,4 Kt
ID:	106812  
__________________
Menipähän tuo viimeksi niin nyt ei millään.
Vastaa lainaten
  #103  
Vanha 20.04.2024, 23:21
Säätäjä_setä:n Avatar
Säätäjä_setä Säätäjä_setä ei ole kirjautuneena
Konkari++
 
Rekisteröitynyt: 07.12.08
Sijainti: Espoo
Viestit: 745
Perusasetus

Tässä datalehti
https://www.onsemi.com/download/data...mc34060a-d.pdf

Näyttäisi olevan menneen maailman automotive hakkuri regulaattori. Datalehden sivun 10 esimerkkikytkentä lienee lähellä sitä mitä VIC kortilta löytyy.

Voipi olla vaan paska siivottava. Regulaattorin jännite todennäköisesti 5V. Tämän voi tarkistaa katsomella takaisinkytkentäpiirin vastusarvot ja vertaamalla niitä datalehden arvoihin/kaavoihin.

Ongelmaa voi tietysti lähestyä niinkin, että siivoaa kortilta pois tämän piirin ja siihen liittyvät komponentit ja korvaa sen ulkoisella powerilla.

Mitä kamaa tuossa VIC kortilla on? Voisi vähän päätellä virtaa ja varmistaa, että on 5V systeemi.

Editiä
Tuossahan on VFD näyttö eli kortilla on myös jokin suurempi jännite. Toimiva vertailuyksikkö helpottaisi hommaa.

Viimeksi muokannut Säätäjä_setä : 20.04.2024 23:36
Vastaa lainaten
  #104  
Vanha 03.05.2024, 22:50
hitsaa hitsaa ei ole kirjautuneena
Aktiivijäsen+++
 
Rekisteröitynyt: 25.09.12
Sijainti: Stadi
Viestit: 420
Perusasetus

Lainaus:
Alkuperäinen kirjoittaja Säätäjä_setä Näytä viesti
Tässä datalehti
Kiitti!

Lainaus:
Alkuperäinen kirjoittaja Säätäjä_setä Näytä viesti
Mitä kamaa tuossa VIC kortilla on? Voisi vähän päätellä virtaa ja varmistaa, että on 5V systeemi.

Editiä
Tuossahan on VFD näyttö eli kortilla on myös jokin suurempi jännite. Toimiva vertailuyksikkö helpottaisi hommaa.
Laitos on ns ajotietokone, joka näyttää kellon/päivän, alkeelliset huoltovälihälyt, muita varoituksia.

Lainaus:
Alkuperäinen kirjoittaja FSM
The VIC consists of a multi-colored vacuum fluo- rescent display screen with a vehicle outline. The VIC is able to display four functions in a choice of five languages. The display functions include:
• Current time (12 or 24 hour clock), day, and date
• Monitor specific vehicle operating systems and alert the driver of a malfunction in a monitored sys- tem
• Provide service reminders or the distance to the next service interval
• The current transfer case mode of operation. The display language choices include:
• English
• French
• German
• Italian
• Spanish.
The VIC receives input from hard-wired sensors
and over the Chrysler Collision Detection (CCD) data bus network. In response to these inputs the VIC offers a combination of graphic and message displays, and provides requests for audible chime alerts to the body control module on the CCD data bus.
Refer to the owner’s manual for more information on the VIC controls, operation, and setting proce- dures. For diagnosis of the VIC module or the CCD data bus, refer to the proper Body Diagnostic Proce- dures Manual. The VIC module cannot be repaired. If damaged or faulty, the entire module must be replaced.
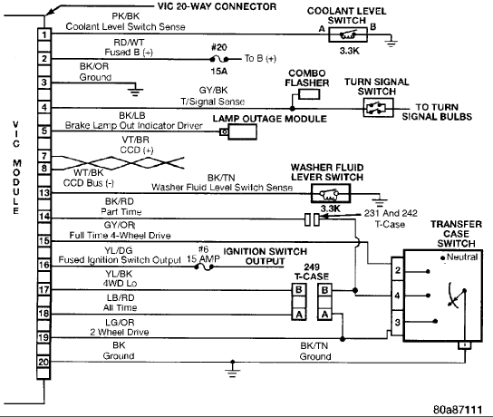
CCD väylää pitkin tulee laatikon ylilämpö, nopeustieto, ovien aukiolo. Erillisillä piuhoilla erilaisia "vika"tiloja kuten vähäinen jäähdytys- tai pissapojan neste, vilkku (alkaa hälyytellä noin kilsan ajon jälkeen), takavalojen rikkoutuminen (erilliseltä modulilta), jakiksen asento. Myös valaistuksen tason säätö.






Tässä linkissä koko piirilevy ja näyttö. Tässä vielä tarkemmat kuvat.

Siinäpä olisikin projekti, että ohjaisi tätä jollain modernilla mikrotietokoneella! CCD väylän tulkkaaminen on oma haasteensa ja sitten miten tuota näyttöä ohjaillaan ja varmaan tarvitsee oman virtalähteensä.
Liitetiedostot
Click image for larger version

Name:	Screenshot 2024-05-03 at 21.47.10.png‎
Views:	2544
Size:	113,2 Kt
ID:	106893   Click image for larger version

Name:	2010-02-22_172658_jeep_VIC_diagram.gif‎
Views:	2503
Size:	19,5 Kt
ID:	106894  
__________________
Menipähän tuo viimeksi niin nyt ei millään.

Viimeksi muokannut hitsaa : 05.05.2024 11:59
Vastaa lainaten
  #105  
Vanha 03.05.2024, 23:23
Säätäjä_setä:n Avatar
Säätäjä_setä Säätäjä_setä ei ole kirjautuneena
Konkari++
 
Rekisteröitynyt: 07.12.08
Sijainti: Espoo
Viestit: 745
Perusasetus

Tuosta VIC modulistahan on hyvät häkkäykset olemassa. Korjaamiseen hyvät edellytykset jos VFD näytön suuremmat jännitteet eivät ole tuhonneet komponentteja piirilevyltä.

CCD väylään liittyen. 2000 luvun alussa mulla oli AWD Voyager (kaksi vaihdelootaa hajosi siitä). Sen kanssa tuli häkkeröityä CCD väylä ja protokolla siihen pisteeseen, että sai vaihdelootan datat näkymään. Tässä linkki 21v vanhaan omaan CCD väylä projektiin.
http://www.jumaradio.com/oh2nlt/CCD_bus/ccd_display.htm
Vastaa lainaten
  #106  
Vanha 11.05.2024, 14:44
hitsaa hitsaa ei ole kirjautuneena
Aktiivijäsen+++
 
Rekisteröitynyt: 25.09.12
Sijainti: Stadi
Viestit: 420
Perusasetus

Lainaus:
Alkuperäinen kirjoittaja Säätäjä_setä Näytä viesti
Tuosta VIC modulistahan on hyvät häkkäykset olemassa. Korjaamiseen hyvät edellytykset jos VFD näytön suuremmat jännitteet eivät ole tuhonneet komponentteja piirilevyltä.
Amerikan foorumilla on vielä lisää kuvia näistä (ja samalla kaverilla myös muista moduleista). Ehkäpä vien laitoiksen ja materiaalit jonnekin vanhanliiton tv-korjaajalle - onko sellaisia enään olemassa?

Lainaus:
Alkuperäinen kirjoittaja Säätäjä_setä Näytä viesti
CCD väylään liittyen. 2000 luvun alussa mulla oli AWD Voyager (kaksi vaihdelootaa hajosi siitä). Sen kanssa tuli häkkeröityä CCD väylä ja protokolla siihen pisteeseen, että sai vaihdelootan datat näkymään. Tässä linkki 21v vanhaan omaan CCD väylä projektiin.
http://www.jumaradio.com/oh2nlt/CCD_bus/ccd_display.htm
Harmi kun ei oma osaaminen riitä näiden kanssa puljaamiseen vaikka aikanaan tuli tietoliikennettä opiskeltua
__________________
Menipähän tuo viimeksi niin nyt ei millään.
Vastaa lainaten
  #107  
Vanha 11.06.2024, 11:22
hitsaa hitsaa ei ole kirjautuneena
Aktiivijäsen+++
 
Rekisteröitynyt: 25.09.12
Sijainti: Stadi
Viestit: 420
Perusasetus

Pientä puuhaa taas tallilla, vanha vuosien mittaan rakenneltu Dana 30 HP olisi tarkoitus vaihtaa alle. Löytyy 4.56 välitys, trussi, e-locker, WJ kääntöpäät, OTK varret ja paremmat Akebono jarrut. Tukivarsien paikkoja on siirretty niin että toimii paremmin kuin vakio.



Akseli painaa n 140kg vs vakio 115kg (vakio ilman jarrusatuloita ~3kg/kpl?, tukivarsia 2,5 & 4kg /kpl, jousia 6kg/kpl ja iskareita 3kg/kpl)



Korin päästä piti vaihtaa panhardin kiinnike, helppo nakki kun oli jo paikalleen hitsattu versio ja koria siis vahvistettu riittävästi. Narulla ja painolla on helppo linjata akseli keskelle ja tarkistaa liikettä jousituksen ääriasennoissa.



Panhardin tai välivarsi eivät osu öljypohjaan missään tilanteessa, mutta..



pakosarjan kanssa on hiukan ahdasta kun molemmat puolet on äärijoustossa sisällä. Bump stopit siis tämän mukaan. Voi olla että jossain vaiheessa vaihdan pakosarjat sellaisiin joissa lähtö "takana" eikä "keskellä" kuten näissä ns block hugger malleissa.

Liitetiedostot
Click image for larger version

Name:	Capture7.PNG‎
Views:	2325
Size:	1,33 Mt
ID:	107200   Click image for larger version

Name:	Capture4.PNG‎
Views:	2266
Size:	836,6 Kt
ID:	107201   Click image for larger version

Name:	Capture.PNG‎
Views:	2315
Size:	1,20 Mt
ID:	107202   Click image for larger version

Name:	Capture2.PNG‎
Views:	2290
Size:	2,13 Mt
ID:	107203   Click image for larger version

Name:	Capture3.PNG‎
Views:	2276
Size:	2,09 Mt
ID:	107204  

__________________
Menipähän tuo viimeksi niin nyt ei millään.

Viimeksi muokannut hitsaa : 27.06.2024 11:02
Vastaa lainaten
  #108  
Vanha 11.06.2024, 11:26
hitsaa hitsaa ei ole kirjautuneena
Aktiivijäsen+++
 
Rekisteröitynyt: 25.09.12
Sijainti: Stadi
Viestit: 420
Perusasetus

Lainaus:
Alkuperäinen kirjoittaja hitsaa Näytä viesti
Pizzaleikkurit on kokoa 255/70R18 ja ilman painoa halkaisija noin 82cm, kulutuspinnan leveys 21cm, pääuran syvyys 1cm. Merkintöinä sekä M+S tälle talvelle ja ens vuodelle sitten POR.
Nämä painaa vanteineen n 10kg/kpl vähemmän kuin Cooper STT Pro 33x12.5R15 peltivantein.


Liitetiedostot
Click image for larger version

Name:	Capture5.PNG‎
Views:	2220
Size:	866,6 Kt
ID:	107205   Click image for larger version

Name:	Capture6.PNG‎
Views:	2213
Size:	1,20 Mt
ID:	107206  
__________________
Menipähän tuo viimeksi niin nyt ei millään.
Vastaa lainaten
  #109  
Vanha 19.06.2024, 14:17
hitsaa hitsaa ei ole kirjautuneena
Aktiivijäsen+++
 
Rekisteröitynyt: 25.09.12
Sijainti: Stadi
Viestit: 420
Perusasetus

Melkoinen savotta vaihtaa jarruletkut: putkessa oleva "mutteri" on niin pehmyt että kulmat pyöristyy jos edes katsoo päin

Dremelin katkaisulaikalla ohuita siivuja messinkisestä (?) vastinkappaleesta kunnes kierre "paistaa" läpi ja sitten knipexeillä reipas puristus ja irti on. Tilalle tuli AN3 -adapteri ja Goodridgen teräspunosletkut (kuvat jäi ottamatta näistä).



Pitää kehitellä joku kiinnitys putkelle, samalla voi kuskin puolelta siirtää niin että renkaalla hieman enemmän tilaa pyöriä.
Liitetiedostot
Click image for larger version

Name:	Screenshot 2024-06-19 at 15.12.15.png‎
Views:	1989
Size:	1,15 Mt
ID:	107222  
__________________
Menipähän tuo viimeksi niin nyt ei millään.
Vastaa lainaten
  #110  
Vanha 27.06.2024, 11:07
hitsaa hitsaa ei ole kirjautuneena
Aktiivijäsen+++
 
Rekisteröitynyt: 25.09.12
Sijainti: Stadi
Viestit: 420
Perusasetus

Lainaus:
Alkuperäinen kirjoittaja hitsaa Näytä viesti
Voi olla että jossain vaiheessa vaihdan pakosarjat sellaisiin joissa lähtö "takana" eikä "keskellä" kuten näissä ns block hugger malleissa.
Amerikan foorumilla spekuloidaan doug thorley kopiota. Ois kyllä hienot.
__________________
Menipähän tuo viimeksi niin nyt ei millään.
Vastaa lainaten
  #111  
Vanha 23.07.2024, 23:26
hitsaa hitsaa ei ole kirjautuneena
Aktiivijäsen+++
 
Rekisteröitynyt: 25.09.12
Sijainti: Stadi
Viestit: 420
Perusasetus

Jeeppi on taas leimassa



Päätin tehdä nopeusmittarin korjaaminen 4.56 välitykselle speedohealerilla, siihen kun saa XJ/TJ yhteensopivan johtosarjan joka sopii myös ZJ:lle.



...paitsi että 1997 vaihtui nopeusmittarin anturin liitin erilaiseksi.


Onneksi uusissa tarvikesarjoissa on myös liitin mukana.



Johdot menee ZJ:ssä näin:



Ohjelmoin 31 hampaisella -26.4% ja nyt mittari näyttää tasan oikein 4.56 välityksen ja 33" renkaiden kanssa



Tässä oli alunperin 3.73 välitys ja 35 hampainen ratas, se näytti 33" renkailla pikkasen liian vähän. Taulukot suositteli 31 hampaista ja tämä puolestaan näytti 10% liikaa.


Ilmastoinnin saa diagnostiikkatilaan painamalla molemmat napit pohjaan ja samaan aikaan kääntämällä lämmönsäätörullaa myötäpäivään. Sitten kun valitsee rullalla 23, niin lämpötilanäytöllä paistaa CCD väylässä kulkeva nopeus joka on tässä laitteessa 10% alle sen mitä viisari näyttää - eli taulukot on sittenkin "oikeassa"
Liitetiedostot
Click image for larger version

Name:	Screenshot 2024-07-24 at 0.12.53.png‎
Views:	1667
Size:	1,89 Mt
ID:	107417   Click image for larger version

Name:	Screenshot 2024-07-24 at 0.12.15.png‎
Views:	1655
Size:	1,60 Mt
ID:	107418   Click image for larger version

Name:	Screenshot 2024-07-24 at 0.11.56.png‎
Views:	1660
Size:	1,15 Mt
ID:	107419   Click image for larger version

Name:	Screenshot 2024-07-24 at 0.09.23.png‎
Views:	1619
Size:	1,24 Mt
ID:	107420   Click image for larger version

Name:	Screenshot 2024-07-24 at 0.08.50.png‎
Views:	1611
Size:	2,64 Mt
ID:	107421  

Click image for larger version

Name:	Screenshot 2024-07-24 at 0.09.59.png‎
Views:	1614
Size:	282,8 Kt
ID:	107422   Click image for larger version

Name:	unnamed.png‎
Views:	1603
Size:	61,6 Kt
ID:	107424  
__________________
Menipähän tuo viimeksi niin nyt ei millään.

Viimeksi muokannut hitsaa : 23.07.2024 23:31
Vastaa lainaten
  #112  
Vanha 23.07.2024, 23:29
hitsaa hitsaa ei ole kirjautuneena
Aktiivijäsen+++
 
Rekisteröitynyt: 25.09.12
Sijainti: Stadi
Viestit: 420
Perusasetus

Lainaus:
Alkuperäinen kirjoittaja Säätäjä_setä Näytä viesti
Tuosta VIC modulistahan on hyvät häkkäykset olemassa. Korjaamiseen hyvät edellytykset jos VFD näytön suuremmat jännitteet eivät ole tuhonneet komponentteja piirilevyltä.
Napsin konkat pois ja irroitin myös piirin. Se vaikutti kuitenkin olevan ok, vain mustaa töhnää yhdessä jalassa. Noita saisi tilattua uusia internetistä mutta päätin laittaa vanhan takaisin ja uuden konkat. Vain yksi oli vuotanut.

Liitetiedostot
Click image for larger version

Name:	Screenshot 2024-07-24 at 0.10.40.png‎
Views:	1673
Size:	1,97 Mt
ID:	107423  
__________________
Menipähän tuo viimeksi niin nyt ei millään.
Vastaa lainaten
  #113  
Vanha 29.07.2024, 19:48
hitsaa hitsaa ei ole kirjautuneena
Aktiivijäsen+++
 
Rekisteröitynyt: 25.09.12
Sijainti: Stadi
Viestit: 420
Perusasetus

Lainaus:
Alkuperäinen kirjoittaja hitsaa Näytä viesti
Napsin konkat pois ja irroitin myös piirin. Se vaikutti kuitenkin olevan ok, vain mustaa töhnää yhdessä jalassa. Noita saisi tilattua uusia internetistä mutta päätin laittaa vanhan takaisin ja uuden konkat.
Uudet konkat tinailtu paikalleen, yksi olikin kovin pitkiä niin piti laittaa vinoon


Ihan valmis ei näillä tullut

Liitetiedostot
Click image for larger version

Name:	Screenshot 2024-07-29 at 20.35.59.png‎
Views:	1414
Size:	456,6 Kt
ID:	107481   Click image for larger version

Name:	Screenshot 2024-07-29 at 20.36.30.png‎
Views:	1389
Size:	419,7 Kt
ID:	107482   Click image for larger version

Name:	Screenshot 2024-07-29 at 20.43.24.png‎
Views:	1486
Size:	1,22 Mt
ID:	107483  
__________________
Menipähän tuo viimeksi niin nyt ei millään.
Vastaa lainaten
  #114  
Vanha 08.09.2024, 22:44
hitsaa hitsaa ei ole kirjautuneena
Aktiivijäsen+++
 
Rekisteröitynyt: 25.09.12
Sijainti: Stadi
Viestit: 420
Perusasetus

Lainaus:
Alkuperäinen kirjoittaja hitsaa Näytä viesti
Ihan valmis ei näillä tullut

Vaihtelin vielä tilalle uuden hakkurin piirin vaan ei tilanne korjautunut. Oisko seuraavaksi aika suunnata katse mosfet-maailmaan? Laitois imaisee virrat pois 4mA (jonkun kommentin mukaan speksissä), vaan virrat päällä herätessään 3.9A (pitäis olla 800mA). Seuraavaksi avaan kopan ja mittailen jännitteitä sopivista paikoin piirilevyä, josko löytyis joku johtolanka
__________________
Menipähän tuo viimeksi niin nyt ei millään.
Vastaa lainaten
  #115  
Vanha 09.09.2024, 08:19
siffo siffo ei ole kirjautuneena
Jäsen
 
Rekisteröitynyt: 31.03.09
Sijainti: Sipoo
Viestit: 64
Perusasetus

Saattais löytyä yksi tommonen kärähtänyt näyttö Sipoosta jos olisi tarvetta vertailukohdalle tai varaosille. Muistaakseni se vaan pimeni pienen palaneen käryn saattelemana... Tilasin aikoinaan vaan E-baystä uuden kun halvalla sai, luulen että se vanha löytyy jostain romulaatikosta, pistä viestiä jos kiinnostaa käydä hakemassa.
Vastaa lainaten
  #116  
Vanha 10.09.2024, 01:23
Säätäjä_setä:n Avatar
Säätäjä_setä Säätäjä_setä ei ole kirjautuneena
Konkari++
 
Rekisteröitynyt: 07.12.08
Sijainti: Espoo
Viestit: 745
Perusasetus

Hyvä lähestymistapa on koittaa selvittää mikä toimii ja mikä ei. Koittaa löytää itse vika ja sen juurisyy. Jos juurisyy jää löytymättä niin voi olla, että komponentteja saa vaihtaa useampaan kertaan ja ne menevät saman tien uudestaan paskaksi.

Tällaisesta linkistä löytyy ainakin jonkun korttiversion piirikaaviot.
https://www.jeepforum.com/threads/vi...#post-41285119

Katso esimerkiksi VFD näytön tyyppi etsi sille datalehti ja mittaa katodin hehkujännite. Kuvissa katodi (hehkulangat) näyttävät pelottavan kirkkaanpunaisilta. Normaalisti CFD näytön hehkut ei näy ollenkaan.

Viitaten noihin linkin piirikaavioihin. Irroita vaikka transistori Q2 ja katso putoaako virrankulutus.
Q2 irroitettuna tutki skoopilla tuleeko geitille mitään signaalia kontrolleripiiriltä.

Seuraavaksi kannattaa tutkia tapahtuuko prossun U5 I/O pinneissä mitään. Samoin kannattaa tutkia värähteleekö prossun kide X1.

Jos on lämpökamera niin sillä saa hyvän kuvan mitkä komponentit kortilla lämpenee. Mainitsemasi 3.9A on jo niin paljon, että sauhuakin voi näkyä.

Tutkimukset kannattaa tehdä labrapowerilla eikä auton akkusähköllä. Akkusähköllä yksi sopiva vika voi aiheuttaa täystuhon.
Vastaa lainaten
  #117  
Vanha 10.09.2024, 10:53
hitsaa hitsaa ei ole kirjautuneena
Aktiivijäsen+++
 
Rekisteröitynyt: 25.09.12
Sijainti: Stadi
Viestit: 420
Perusasetus

Lainaus:
Alkuperäinen kirjoittaja Säätäjä_setä Näytä viesti
Hyvä lähestymistapa on koittaa selvittää mikä toimii ja mikä ei. Koittaa löytää itse vika ja sen juurisyy. Jos juurisyy jää löytymättä niin voi olla, että komponentteja saa vaihtaa useampaan kertaan ja ne menevät saman tien uudestaan paskaksi.
Kiitti, kun tämä elektroniikka on melkein taikuutta niin olen käynyt läpi tyypilliset skenaariot: murtuneet juotokset liittimissä, vuotaneet konkat, syöpymät edellisen seurauksena ja nyt sitten mennään näihin enemmän mysteereihin.

Lainaus:
Alkuperäinen kirjoittaja Säätäjä_setä Näytä viesti
Katso esimerkiksi VFD näytön tyyppi etsi sille datalehti ja mittaa katodin hehkujännite. Kuvissa katodi (hehkulangat) näyttävät pelottavan kirkkaanpunaisilta. Normaalisti CFD näytön hehkut ei näy ollenkaan.
Jep ilmeisesti hehku tulee liian kovasta jännitteestä joka näkyy ulospäin kovana n 5x virran kulutuksena? Kaaviossa "FILAMENT" 1 & 2 ? Ehkä tätä vois tutkia yleismittarilla, tuleeko invertteriosioon +25V sisään. T2 tietoja tuskin löytyy.

Lainaus:
Alkuperäinen kirjoittaja Säätäjä_setä Näytä viesti
Viitaten noihin linkin piirikaavioihin. Irroita vaikka transistori Q2 ja katso putoaako virrankulutus.
Q2 irroitettuna tutki skoopilla tuleeko geitille mitään signaalia kontrolleripiiriltä.
Ei ole näin hienoja välineitä käytössä Venäläiseltä sivustolta löytyi suppeasti ohjeistusta virrankulutuksesta mutta ei sen isompaa suuntaa, ne on vaihdelleet Q2 ja Q1 lähinnä. Q2 vaikuttaa potentiaalisimmalta, kun ohjaa korkeamman jännitteen (VFD) puolta.

Lainaus:
Alkuperäinen kirjoittaja Säätäjä_setä Näytä viesti
Seuraavaksi kannattaa tutkia tapahtuuko prossun U5 I/O pinneissä mitään. Samoin kannattaa tutkia värähteleekö prossun kide X1.
Ainakin prossu osaa levätä ja herättää näytön ja palata lepotilaan.

Lainaus:
Alkuperäinen kirjoittaja Säätäjä_setä Näytä viesti
Jos on lämpökamera niin sillä saa hyvän kuvan mitkä komponentit kortilla lämpenee. Mainitsemasi 3.9A on jo niin paljon, että sauhuakin voi näkyä.

Tutkimukset kannattaa tehdä labrapowerilla eikä auton akkusähköllä. Akkusähköllä yksi sopiva vika voi aiheuttaa täystuhon.
Tallilla taitaa itseasiassa olla tuommoinen poweri, niin voisi tehdä tutkimusta vähän helpommin. Palailen asiaan..
__________________
Menipähän tuo viimeksi niin nyt ei millään.

Viimeksi muokannut hitsaa : 10.09.2024 11:12
Vastaa lainaten
  #118  
Vanha 11.09.2024, 22:07
hitsaa hitsaa ei ole kirjautuneena
Aktiivijäsen+++
 
Rekisteröitynyt: 25.09.12
Sijainti: Stadi
Viestit: 420
Perusasetus

Lainaus:
Alkuperäinen kirjoittaja Säätäjä_setä Näytä viesti
Hyvä lähestymistapa on koittaa selvittää mikä toimii ja mikä ei. Koittaa löytää itse vika ja sen juurisyy.
Tämä olikin tosi hyvä vinkki. Rupesin kollaamaan piirilevyä läpi, ja sattumalta valitsin helpon tuntuisen maan (gnd) kytkennät aluksi. No mitäs kummaa, +5V ja maa on oikosessa! irroittelin U2:sen ja ei muutosta, sitten EC6:sen, sama ja lopuksi vielä C24 vaikka se onkin pintaliitoskomponentti ja vehkeet aivan liian isot. No, edelleen oikosessa. J2:sen 12 "pinni"/johto irti ja potentiaalit kohdallaan. Kolvasin irroitetut komponentit paikalleen ja huomiselle jää viimeinen oljenkorsi eli tarkistaa VFD puolelta jossa oikosulku on C1, C3 ja C5. Tuskinpa nämä on lyöneet läpi mutta toinen vaihtoehto on U1-U3 joiden saatavuus lienee 0.
__________________
Menipähän tuo viimeksi niin nyt ei millään.
Vastaa lainaten
  #119  
Vanha 21.02.2025, 16:52
hitsaa hitsaa ei ole kirjautuneena
Aktiivijäsen+++
 
Rekisteröitynyt: 25.09.12
Sijainti: Stadi
Viestit: 420
Perusasetus

Päivitystä tännekin: ärsyttävä ominaisuus laitteessa on nopeusmittarin (neulan) ja matkamittarin suhteellinen virhe, noin 10%. Neula ei näytä sitä arvoa mitä väylästä tulee. Ajattelin ratkaista tämän vaihtamalla tilalle uudemman vuosimallin mittariston. No, 1996 vuosimalli on monella tapaa erikoinen ja kaikki ne tavat on huonoja. ABS-valon ohjaus eri päin kuin 1997-1998. Mittaristoa piti siis hieman muuttaa amerikan forumin ohjeiden mukaan:



Poistetaan diodi ja vastus ja laitetaan pari hyppylankaa



ABS-valo toimii kuin junan vessa.
Liitetiedostot
Click image for larger version

Name:	1739991055252.png‎
Views:	478
Size:	238,0 Kt
ID:	108711   Click image for larger version

Name:	1739990995829.png‎
Views:	497
Size:	655,1 Kt
ID:	108712  
__________________
Menipähän tuo viimeksi niin nyt ei millään.
Vastaa lainaten
  #120  
Vanha 22.02.2025, 20:03
hitsaa hitsaa ei ole kirjautuneena
Aktiivijäsen+++
 
Rekisteröitynyt: 25.09.12
Sijainti: Stadi
Viestit: 420
Perusasetus

Takalasin pesuri ei toiminut, kun joku oli asentanut takaiskuventtilin väärin päin. Kuvat laitoksesta, tämän saa irti rauttamalla kattopahvia. Kuula pitää olla poispäin suuttimesta eli painetta päin:



Liitetiedostot
Click image for larger version

Name:	1740237737194.png‎
Views:	439
Size:	1,12 Mt
ID:	108713   Click image for larger version

Name:	1740237799390.png‎
Views:	420
Size:	24,3 Kt
ID:	108714  
__________________
Menipähän tuo viimeksi niin nyt ei millään.
Vastaa lainaten
Vastaus


Käyttäjiä lukemassa tätä viestiketjua: 1 (0 jäsentä and 1 vierasta)
 

Pikalinkit

Samanlaisia viestiketjuja
Viestiketju Aloittaja Foorumi Vastauksia Viimeisin viesti
Ostetaan Jeep zj 96- ECM ja taka-akseli JEEPV8 O/M/V Varaosat ja tarvikkeet 1 09.07.2018 12:54
Myyty Jeep ZJ GrandCherokee -96, diesel Jeep-Ukko O/M/V Ajoneuvot 0 10.11.2015 21:20
GC ZJ-96 sähkökaavio? pfihlman Tekniikka & Jutustelu 0 04.11.2012 07:53
Ostettu Jeep Grand Cherokee ZJ V8 -93-96 etujouset Kepu O/M/V Varaosat ja tarvikkeet 2 26.10.2010 22:42
Annetaan Jeep ZJ kori vm -96 rhm O/M/V Varaosat ja tarvikkeet 9 28.12.2009 22:23


Sivu luotu: 09:51 (GMT +2).