Offipalsta.COM  

Palaa takaisin   Offipalsta.COM > Osto ja myynti > O/M/V Varaosat ja tarvikkeet
Rekisteröidy Offiblogit Yhteisö Kalenteri Viestit tänään Haku

O/M/V Varaosat ja tarvikkeet Autojen varaosat, sekä kaikki offitarvikkeet - vinssit, liinat, tunkit yms. tänne osastolle.

Vastaus
 
Työkalut Etsi tästä viestiketjusta Näkymä
  #1  
Vanha 17.04.2013, 10:39
Hups:n Avatar
Hups Hups ei ole kirjautuneena
Jäsen
 
Rekisteröitynyt: 08.11.06
Sijainti: Pakolliset kentät
Viestit: 67
Perusasetus

c303 ryyppyvaijerin kiinnike


Ostetaan

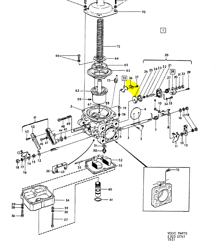
hakusessa kuvan osa 36 ryyppyvaijerin kiinnike ei kellään olis jäänny moista roikkumaan nurkkiin

Ostetaan

Liitetiedostot
Click image for larger version

Name:	Sieppaa.PNG‎
Views:	578
Size:	97,8 Kt
ID:	35953  
Vastaa lainaten
Vastaus

Luokat
volvo c303


Käyttäjiä lukemassa tätä viestiketjua: 1 (0 jäsentä and 1 vierasta)
 

Pikalinkit

Samanlaisia viestiketjuja
Viestiketju Aloittaja Foorumi Vastauksia Viimeisin viesti
Ostetaan mogin moottorin kiinnike tomba83 O/M/V Varaosat ja tarvikkeet 0 31.03.2013 18:43
Ostetaan patrollin jarrusatula/kiinnike rauta. tapsa4x4 O/M/V Varaosat ja tarvikkeet 3 23.04.2010 15:39
Ostetaan Rangen laturin kiinnike ! Bullet O/M/V Varaosat ja tarvikkeet 1 06.10.2008 08:04
O: Efi Rangen laturin kiinnike PT O/M/V Muut 0 21.09.2005 11:00
lehti jousen kiinnike hietsu Tekniikka & Jutustelu 7 02.12.2004 17:32


Sivu luotu: 13:07 (GMT +2).