Offipalsta.COM  

Palaa takaisin   Offipalsta.COM > Osto ja myynti > O/M/V Varaosat ja tarvikkeet
Rekisteröidy Offiblogit Yhteisö Kalenteri Viestit tänään Haku

O/M/V Varaosat ja tarvikkeet Autojen varaosat, sekä kaikki offitarvikkeet - vinssit, liinat, tunkit yms. tänne osastolle.

Vastaus
 
Työkalut Etsi tästä viestiketjusta Näkymä
  #1  
Vanha 24.03.2012, 19:47
Holst:n Avatar
Holst Holst ei ole kirjautuneena
Konkari++
 
Rekisteröitynyt: 27.01.05
Sijainti: Vantaa, Finland.
Viestit: 793
Exclamation

Volvo C303 olkatapin laakerit + muut osat


Myydään

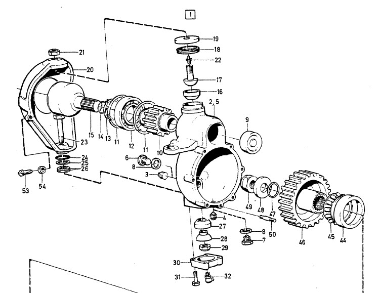
Olisi myynnissä porttaali volvon olkatapin fiiberilaakerit. Ylä (item 16)- ja alalaakeri (item 27)
sekä alapään metallikuula (item 28).

Nyt myös alapäään suojakuppeja jokunen, nippa on siirretty kapealle sivulle (etu/takareuna)


fiiberi laakerit (#16 & #27) 25€ / kpl
kuula (#28) 25€ / kpl
yläkuula/tappi yhdistelmä (#17) 30€ / kpl
suojakuppi (#30) 40€ / kpl

lisäksi postikulut tai nouto.

löytyy vantaalta
050 / 3527929
Kari

Myydään

Liitetiedostot
Click image for larger version

Name:	porttaali.jpg‎
Views:	1103
Size:	78,5 Kt
ID:	25624   Click image for larger version

Name:	alakuula.jpg‎
Views:	519
Size:	37,5 Kt
ID:	26037   Click image for larger version

Name:	yläkuula.jpg‎
Views:	512
Size:	39,6 Kt
ID:	26038   Click image for larger version

Name:	suojakuppi.jpg‎
Views:	523
Size:	45,5 Kt
ID:	26041   Click image for larger version

Name:	laakerit.jpg‎
Views:	537
Size:	30,6 Kt
ID:	26042  

__________________
-kari-
FS Motorsport ry

Viimeksi muokannut Holst : 08.04.2012 21:40 Perustelu: Lisätty tavaraa ja kuvia!!
Vastaa lainaten
  #2  
Vanha 26.03.2012, 07:57
Paavo Paavo ei ole kirjautuneena
Sankari
 
Rekisteröitynyt: 16.01.03
Sijainti: Oulu, Finland
Viestit: 4.366
Perusasetus

Täällä kans tarvetta 1-2kpl osa numero 30
Vastaa lainaten
  #3  
Vanha 26.03.2012, 09:46
Holst:n Avatar
Holst Holst ei ole kirjautuneena
Konkari++
 
Rekisteröitynyt: 27.01.05
Sijainti: Vantaa, Finland.
Viestit: 793
Perusasetus

tarkennettu kuvausta ja lisättu kuva. Ei ole kyseessä nro 30 vaan 28.
__________________
-kari-
FS Motorsport ry
Vastaa lainaten
  #4  
Vanha 26.03.2012, 19:12
pee:n Avatar
pee pee ei ole kirjautuneena
Moderator
 
Rekisteröitynyt: 21.02.04
Sijainti: Mäntsälä P
Viestit: 12.915
Perusasetus

jos jollakulla on jouten noita kuvan osia nro 30. niin mullekin kelpais pari, kun ei oo YHTÄKÄÄN
__________________
- Levannon We(l)ho -
Vastaa lainaten
  #5  
Vanha 27.03.2012, 12:28
Holst:n Avatar
Holst Holst ei ole kirjautuneena
Konkari++
 
Rekisteröitynyt: 27.01.05
Sijainti: Vantaa, Finland.
Viestit: 793
Perusasetus

Näitä on tilauksessa, eli tulee tarjolle jossain vaiheessa. Rasvanipan paikkaa kans mietittiin, onkop taka reuna yhtään parempi paikka? Suoralla nipalla vois säilyy pikkasen kauemmin kuin alkuperäisellä ratkaisulla?

Lainaus:
Alkuperäinen kirjoittaja ismo Näytä viesti
Tuollaisia osan 30 palikoita voisi joku näppärä koneistaja tehdä muutaman myytäväksi.
Kyseessähän on suojakuppi, jossa on rasvanippa ja neljä kiinnitysruuvin reikää.
Palikkaahan voisi vaikka vähän kehittää, ja laittaa rasvanippa jotenkin parempaan suojaan.

Ismo
__________________
-kari-
FS Motorsport ry
Vastaa lainaten
  #6  
Vanha 29.03.2012, 09:20
Paavo Paavo ei ole kirjautuneena
Sankari
 
Rekisteröitynyt: 16.01.03
Sijainti: Oulu, Finland
Viestit: 4.366
Perusasetus

Äkkiä ajaletten takareuna parempi kuin suora alareuna.

Paras olis jos siihen jaksais vielä tinata jonkun suojaholkin ympärille tai jotain, mut ei mull ainakaan oo mennyt kuin pari nippaa, joten oleellisempaa on että osia olis saatavilla kuin että se nippa on maailman parhaassa paikassa (tai että nipan sijoitus ja suojaus tekee osasta huomattavan kalliin).
Vastaa lainaten
  #7  
Vanha 08.04.2012, 19:06
Holst:n Avatar
Holst Holst ei ole kirjautuneena
Konkari++
 
Rekisteröitynyt: 27.01.05
Sijainti: Vantaa, Finland.
Viestit: 793
Perusasetus

Lisätty tavaraa, eli suojakuppeja olis jokunen kaupan.
__________________
-kari-
FS Motorsport ry
Vastaa lainaten
  #8  
Vanha 02.05.2012, 21:45
Holst:n Avatar
Holst Holst ei ole kirjautuneena
Konkari++
 
Rekisteröitynyt: 27.01.05
Sijainti: Vantaa, Finland.
Viestit: 793
Perusasetus

Vielä löytyisi muutamia kappaleita kaikkia osia.
Osta ja tuet samalla FS Motorsportin kilpailu toimintaa
__________________
-kari-
FS Motorsport ry
Vastaa lainaten
  #9  
Vanha 07.05.2012, 14:32
ismo:n Avatar
ismo ismo ei ole kirjautuneena
Aktiivijäsen+++
 
Rekisteröitynyt: 26.09.06
Sijainti: Vihti (koti) / Espoo (työ), Finland.
Viestit: 453
Perusasetus

No jos kerran hyvään tarkoitukseen.
Mä otan pari noita suojakuppeja, mutta tällä viikolla en kerkii hakemaan.
Mä soittelen ensi viikolla hakuajankohdasta.

Ismo
Vastaa lainaten
  #10  
Vanha 07.05.2012, 20:11
pee:n Avatar
pee pee ei ole kirjautuneena
Moderator
 
Rekisteröitynyt: 21.02.04
Sijainti: Mäntsälä P
Viestit: 12.915
Perusasetus

Mäpä hain omani tänään, ja on HIENOja !!! respectit tekijälle !
__________________
- Levannon We(l)ho -
Vastaa lainaten
  #11  
Vanha 10.05.2012, 06:43
Holst:n Avatar
Holst Holst ei ole kirjautuneena
Konkari++
 
Rekisteröitynyt: 27.01.05
Sijainti: Vantaa, Finland.
Viestit: 793
Perusasetus

Lainaus:
Alkuperäinen kirjoittaja ismo Näytä viesti
No jos kerran hyvään tarkoitukseen.
Mä otan pari noita suojakuppeja, mutta tällä viikolla en kerkii hakemaan.
Mä soittelen ensi viikolla hakuajankohdasta.

Ismo
Mulla osat kyydissä, soittele kun tulossa...
__________________
-kari-
FS Motorsport ry
Vastaa lainaten
  #12  
Vanha 09.08.2012, 11:28
Holst:n Avatar
Holst Holst ei ole kirjautuneena
Konkari++
 
Rekisteröitynyt: 27.01.05
Sijainti: Vantaa, Finland.
Viestit: 793
Perusasetus

Näitä vielä muutamat hyllyssä..
__________________
-kari-
FS Motorsport ry
Vastaa lainaten
  #13  
Vanha 15.10.2012, 09:54
Holst:n Avatar
Holst Holst ei ole kirjautuneena
Konkari++
 
Rekisteröitynyt: 27.01.05
Sijainti: Vantaa, Finland.
Viestit: 793
Perusasetus

Taas olis pien erä kaupan, kaikkia ensimmäisen viestin tavaroita
__________________
-kari-
FS Motorsport ry
Vastaa lainaten
Vastaus


Käyttäjiä lukemassa tätä viestiketjua: 1 (0 jäsentä and 1 vierasta)
 

Pikalinkit

Samanlaisia viestiketjuja
Viestiketju Aloittaja Foorumi Vastauksia Viimeisin viesti
Ostetaan Volvo C30X jakikseen ulosotto Viipo O/M/V Varaosat ja tarvikkeet 0 12.02.2012 17:50
Myyty volvo c30x b30 moottoreita JV73 O/M/V Varaosat ja tarvikkeet 0 24.11.2011 20:58
Myyty 2x volvo c30x Killer-Wo O/M/V Varaosat ja tarvikkeet 4 23.10.2011 18:06
Volvo C30X akselien pituuseroista ? pee Tekniikka & Jutustelu 0 18.08.2011 19:52
M: Volvo C30x Vanteita Killer-Wo O/M/V Renkaat ja vanteet 1 27.01.2007 11:03


Sivu luotu: 22:23 (GMT +2).