Offipalsta.COM  

Palaa takaisin   Offipalsta.COM > Off-Road > Maasturiprojektit
Rekisteröidy Offiblogit Yhteisö Kalenteri Viestit tänään Haku

Maasturiprojektit Osio on tarkoitettu etenkin pidempiaikaisten projektien seuraamiseen. Tämä on oikea paikka oman auton esittelyyn.

Vastaus
 
Työkalut Etsi tästä viestiketjusta Näkymä
  #1  
Vanha 24.07.2011, 21:48
alfred_j_kwak alfred_j_kwak ei ole kirjautuneena
Jäsen
 
Rekisteröitynyt: 27.11.07
Sijainti: Hämeenlinna
Viestit: 91
Perusasetus

Taron ehostusta


Laitetaan nyt hiukan juttua tuosta omasta kulkineesta, vaikkei siitä ihan offipeliä tullutkaan.

Ruoste oli yllättäen hiipinyt lavan ja ovien kimppuun. Ohjaamossa oli havaittavissa hienoista vetoa, kun nuo ovien alareunat happanivat pois.
Foorumilta löysin paremmat oviaihiot, jotka hitsuuteltiin ehjiksi. Tuossa kesäloman aluksi sitten alkoi projekti lavan uudistamiseksi. Tarkoitus oli maalata pelkät ovet ja helmat, mutta tuli sitten maalattua koko auto.

Laitan tuohon kuvat ennen ja jälkeen.

Lavan nikkaroinnista on jonkin verran kuvia. Voin laitella tänne, jos kiinnostusta löytyy.

-Jussi-

Liitetiedostot
Click image for larger version

Name:	Vanha.jpg‎
Views:	1311
Size:	68,1 Kt
ID:	20347   Click image for larger version

Name:	Uusi.jpg‎
Views:	1518
Size:	64,8 Kt
ID:	20348  
__________________
---sitä saa mitä tilaa---
Vastaa lainaten
  #2  
Vanha 25.07.2011, 08:45
alfred_j_kwak alfred_j_kwak ei ole kirjautuneena
Jäsen
 
Rekisteröitynyt: 27.11.07
Sijainti: Hämeenlinna
Viestit: 91
Perusasetus

Laitan kuitenkin lisää kuvia...

Aluksi hiukan putkien mallailua ja pätkimistä. Sitten autosta lava pois ja painepesuria kehiin. Kuvassa näkyykin hyvin rapeahko oven alareuna - ei ainakaan vesi seiso jalkatilassa.
Runko oli yllättävänkin hyvässä kunnossa. Tainnut aikanaan saada ihan hyvän ruosteenestokäsittelyn. Ainoastaan vararenkaan ripustushärpäkkeet olivat totaalisen hapantuneet.

-Jussi-
Liitetiedostot
Click image for larger version

Name:	P7020602.jpg‎
Views:	1239
Size:	71,4 Kt
ID:	20365   Click image for larger version

Name:	P7030604.jpg‎
Views:	1295
Size:	95,4 Kt
ID:	20366   Click image for larger version

Name:	P7030605.jpg‎
Views:	4428
Size:	95,6 Kt
ID:	20367  
__________________
---sitä saa mitä tilaa---
Vastaa lainaten
  #3  
Vanha 25.07.2011, 08:49
alfred_j_kwak alfred_j_kwak ei ole kirjautuneena
Jäsen
 
Rekisteröitynyt: 27.11.07
Sijainti: Hämeenlinna
Viestit: 91
Perusasetus

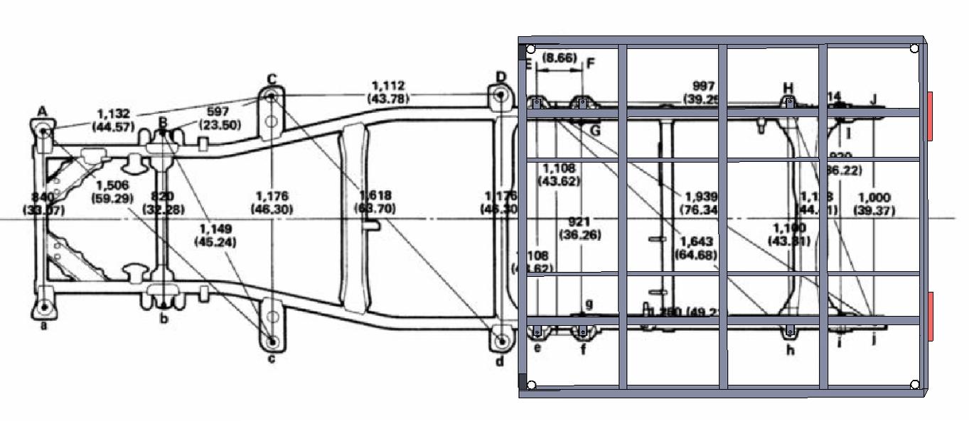
Netistä löysin rungon mittapiirustuksen ja etukäteen oli hiukan mallailtu ideaa. Ainoastaan kopin ja lavan etukiinnikkeiden etäisyys oli hiukan epäselvä. Toinen lavan runkoputkista mallattavana ja hiukan räkäsaumaa ihailtavaksi.

-Jussi-
Liitetiedostot
Click image for larger version

Name:	P7030609.JPG‎
Views:	1032
Size:	81,3 Kt
ID:	20368   Click image for larger version

Name:	P7030610.jpg‎
Views:	1087
Size:	86,6 Kt
ID:	20369   Click image for larger version

Name:	P7030611.jpg‎
Views:	1142
Size:	76,8 Kt
ID:	20370  
__________________
---sitä saa mitä tilaa---
Vastaa lainaten
  #4  
Vanha 25.07.2011, 09:08
alfred_j_kwak alfred_j_kwak ei ole kirjautuneena
Jäsen
 
Rekisteröitynyt: 27.11.07
Sijainti: Hämeenlinna
Viestit: 91
Perusasetus

Runko täppäilty läjään ja sovitettu kiinikkeisiin. Kori tuli korotettua rungolta jo pari vuotta sitten ja näyttivät istuvan uuden lavan alle ihan hyvin nuo korotukset.
Rungon takaosa sai hieman hiekkaa ja massaa. Pari pientä reikää löytyi puhalluksessa, joten ei yllätyksiä sieltä suunnalta.
Sitten alkaakin olla lava jo lähellä lopullista muotoa.

-Jussi-
Liitetiedostot
Click image for larger version

Name:	P7030613.jpg‎
Views:	1124
Size:	77,1 Kt
ID:	20371   Click image for larger version

Name:	P7040614.jpg‎
Views:	1099
Size:	70,5 Kt
ID:	20372   Click image for larger version

Name:	P7040615.jpg‎
Views:	1099
Size:	71,7 Kt
ID:	20373  
__________________
---sitä saa mitä tilaa---
Vastaa lainaten
  #5  
Vanha 25.07.2011, 22:36
sisua45:n Avatar
sisua45 sisua45 ei ole kirjautuneena
Legenda
 
Rekisteröitynyt: 03.03.06
Sijainti: Treen kupeesta
Viestit: 8.347
Thumbs up

Asiallisen näköinen flat bed, yksinkertainen on kaunista.

Laitoitko kuorman sidonta lenkkejä? Katsatusmies voi vaatia niitä, kun ei ole laitoja.
Vastaa lainaten
  #6  
Vanha 26.07.2011, 07:46
alfred_j_kwak alfred_j_kwak ei ole kirjautuneena
Jäsen
 
Rekisteröitynyt: 27.11.07
Sijainti: Hämeenlinna
Viestit: 91
Perusasetus

Sidontalenkkejä tuli etulaitaan ja tuohon sivuputkien alle. Sivuputkissa on porattu läpireijät ja hitsattu niihin putket. Saa tarvittaessa laidat, tai muuta lisävarustetta kiinni. Tuohon takaputkeen hitsasin neljä tumppia pystyyn. Saa rampin tai perälaudan.

Hiukan kuvia 'teollisesta muotoilusta' - saumoissa ei hirveästi hurraamista, onneksi virsikirjalla saa korjattua...

-Jussi-
Liitetiedostot
Click image for larger version

Name:	P7040616.JPG‎
Views:	1048
Size:	82,0 Kt
ID:	20393   Click image for larger version

Name:	P7040619.JPG‎
Views:	1011
Size:	92,2 Kt
ID:	20394   Click image for larger version

Name:	P7040620.jpg‎
Views:	963
Size:	73,1 Kt
ID:	20395  
__________________
---sitä saa mitä tilaa---
Vastaa lainaten
  #7  
Vanha 26.07.2011, 07:52
alfred_j_kwak alfred_j_kwak ei ole kirjautuneena
Jäsen
 
Rekisteröitynyt: 27.11.07
Sijainti: Hämeenlinna
Viestit: 91
Perusasetus

Takavalojen kehykset tuli latasta ja tietysti liian pienet. Tarkoitus oli ripustaa lamput kumilevyn varaan, jotta olisivat ahdistuksessa päässeet pakenemaan. Etukaaren kierrätin vanhasta lavasta - taisikin olla ainut melkein ruosteeton osa koko vehkeessä.

-Jussi-
Liitetiedostot
Click image for larger version

Name:	P7050626.JPG‎
Views:	956
Size:	92,8 Kt
ID:	20396   Click image for larger version

Name:	P7050629.JPG‎
Views:	928
Size:	77,3 Kt
ID:	20397   Click image for larger version

Name:	P7070634.jpg‎
Views:	998
Size:	79,1 Kt
ID:	20398  
__________________
---sitä saa mitä tilaa---
Vastaa lainaten
  #8  
Vanha 26.07.2011, 07:56
alfred_j_kwak alfred_j_kwak ei ole kirjautuneena
Jäsen
 
Rekisteröitynyt: 27.11.07
Sijainti: Hämeenlinna
Viestit: 91
Perusasetus

Sitten tulikin jo maalia kötöstyksen päälle. Ja ensimmäiset fiilistelyt.

-Jussi-
Liitetiedostot
Click image for larger version

Name:	P7090644.jpg‎
Views:	1040
Size:	76,4 Kt
ID:	20399   Click image for larger version

Name:	P7110648.jpg‎
Views:	1168
Size:	91,7 Kt
ID:	20400  
__________________
---sitä saa mitä tilaa---
Vastaa lainaten
  #9  
Vanha 26.07.2011, 08:08
alfred_j_kwak alfred_j_kwak ei ole kirjautuneena
Jäsen
 
Rekisteröitynyt: 27.11.07
Sijainti: Hämeenlinna
Viestit: 91
Perusasetus

Valot on Motonet kamaa, pohja 12 millin viirakuvioitu vaneri ja kurakaaret katsastussedän riemuksi. Kaaret on pulttikiinnityksellä, joten ne saa nopeastikin pois.

Viritys meni muutoskatsastukseen, kun otteessa luki laidan korkeutena 41cm. Merkintä poistettiin ja samoin lähti se maininta siitä lavan pituudesta ja autoveropykälästä. Lisäksi laitettiin merkintä että lava on varustettu irroitettavilla laidoilla, joten tuohon saa nyt laittaa sellaiset kaiteet kuin hyvältä tuntuu. Kai siihen 'turvakaarikin' kiinnittyisi. 13mm kiinnitysreikiä on kolme per puoli, joten M12 pultti menee hyvin.

Se vanha peltikaukalo oli yllättävän painava. Tuossa uudessa on materiaali pääasiassa 40x60 putkipalkki 3mm seinällä ja vaaka näytti painon nousseen joitain kymmeniä kiloja. Ei muutosta kantavuuteen.

-Jussi-
Liitetiedostot
Click image for larger version

Name:	P7110651.JPG‎
Views:	1026
Size:	92,1 Kt
ID:	20401   Click image for larger version

Name:	P7140663.jpg‎
Views:	4368
Size:	96,0 Kt
ID:	20402   Click image for larger version

Name:	P7140665.jpg‎
Views:	1071
Size:	76,3 Kt
ID:	20403  
__________________
---sitä saa mitä tilaa---
Vastaa lainaten
  #10  
Vanha 26.07.2011, 12:40
Paavo Paavo ei ole kirjautuneena
Sankari
 
Rekisteröitynyt: 16.01.03
Sijainti: Oulu, Finland
Viestit: 4.366
Perusasetus

Moi,





Kestääkö tollanen vetokoukku vetääkin jotain? Kuvassa näyttää sille että reilumpi aisapaino jo vääntää sen vinoon.

-Paavo
Vastaa lainaten
  #11  
Vanha 26.07.2011, 13:01
alfred_j_kwak alfred_j_kwak ei ole kirjautuneena
Jäsen
 
Rekisteröitynyt: 27.11.07
Sijainti: Hämeenlinna
Viestit: 91
Perusasetus

En ole koskaan kokeillut kuin hiukan yli 2 tonnin kuormia. On se siinä kai lähes uudesta asti roikkunut. Ihan tähän autoon tarkoitettu, jonkun 'virallisen' tehtaan tekemä koukku tuo on. Olikohan Kovil tai joku sellainen.

-Jussi-
__________________
---sitä saa mitä tilaa---
Vastaa lainaten
  #12  
Vanha 26.07.2011, 16:51
-Jallu-:n Avatar
-Jallu- -Jallu- ei ole kirjautuneena
Konkari+
 
Rekisteröitynyt: 12.10.09
Sijainti: Lapinlahti
Viestit: 682
Perusasetus

Samanlainen koukun kiinnitys oli omassakin ja melko monessa näkemässäni muussakin hiluksissa. Toisaalta ei varmaan haittais jos pitkittäin koukun taakse laittas yhen lisä pönkän jos on raskaampaa vetoa tiijossa joskus.

Komean näköinen lava muuten.
Vastaa lainaten
  #13  
Vanha 29.07.2011, 19:26
Unski:n Avatar
Unski Unski ei ole kirjautuneena
Aktiivijäsen
 
Rekisteröitynyt: 07.11.07
Sijainti: Kirkkonummi, .
Viestit: 103
Perusasetus

Tää on HIENO! Oon haaveillu tekeväni samanlaisen, mut toi orkkis lava on lähes ruosteeton nii ei oikee oo raaskinu. Vielä helposti irrotettavat laidat saranoilla nii hyvä ois.
Vastaa lainaten
  #14  
Vanha 31.07.2011, 21:56
alfred_j_kwak alfred_j_kwak ei ole kirjautuneena
Jäsen
 
Rekisteröitynyt: 27.11.07
Sijainti: Hämeenlinna
Viestit: 91
Perusasetus

Tuo laitaprojekti on vielä hautumassa. Hetken jo suunnittelin ramppien, ajosiltojen ja laitojen yhdistelmää. Taitaa kuitenkin mennä enemmän punaniska-puulaita akselille.

On ollut metka pikku vika tuossa härvelissä. Satunnaisesti sammuu kesken ajon. Ihan täydestä laukasta pelit seis ja 0-15 minuuttia taukoa. Kaivelin tuossa perjantaina sammuttimen solenoidia esille ja totesin, että sille menevästä johdosta puuttui pätkiä kuoresta.
Tainnut vetää oikosulkuun sopivin väliajoin. Mukavaa ettei ole palanut koko kioski.

Tein uuden johdon ja jatkan testejä.

Saako tuota solenoidia tarvikkeena vai onko marmoritiski hommia? Näytti nettikuvastossa olevan hintaa 150 euroa - elämä on.

-Jussi-
__________________
---sitä saa mitä tilaa---
Vastaa lainaten
  #15  
Vanha 01.08.2011, 12:50
alfred_j_kwak alfred_j_kwak ei ole kirjautuneena
Jäsen
 
Rekisteröitynyt: 27.11.07
Sijainti: Hämeenlinna
Viestit: 91
Perusasetus

Laitetaan nyt vielä nuokin pari suunnitteluaikaista kuvatusta.

-Jussi-
Liitetiedostot
Click image for larger version

Name:	lava1.jpg‎
Views:	1346
Size:	88,9 Kt
ID:	20524   Click image for larger version

Name:	lava2.jpg‎
Views:	1015
Size:	88,5 Kt
ID:	20525  
__________________
---sitä saa mitä tilaa---
Vastaa lainaten
  #16  
Vanha 21.06.2016, 22:03
cannon_ball cannon_ball ei ole kirjautuneena
Banned
 
Rekisteröitynyt: 15.11.08
Sijainti: Vaasa
Viestit: 97
Perusasetus

Tää on kyllä todella hienoa työtä!!

Tulikohan tähän koskaan niitä irroitettavia laitoja??
Vastaa lainaten
Vastaus


Käyttäjiä lukemassa tätä viestiketjua: 1 (0 jäsentä and 1 vierasta)
 

Pikalinkit

Samanlaisia viestiketjuja
Viestiketju Aloittaja Foorumi Vastauksia Viimeisin viesti
Lj:n ehostusta (1kz-t) Wille87 Maasturiprojektit 400 02.06.2020 13:47
BJ:n ehostusta LINNA Maasturiprojektit 188 05.05.2020 21:52
taron dieselöinti tjl Tekniikka & Jutustelu 3 17.11.2010 06:34
Purkki-UAZin ehostusta tommy_Z Maasturiprojektit 18 06.01.2010 14:25
VW Taron lukot jambo72 Tekniikka & Jutustelu 23 28.12.2004 21:17


Sivu luotu: 19:33 (GMT +2).