Offipalsta.COM  

Palaa takaisin   Offipalsta.COM > Off-Road > Maasturiprojektit
Rekisteröidy Offiblogit Yhteisö Kalenteri Viestit tänään Haku

Maasturiprojektit Osio on tarkoitettu etenkin pidempiaikaisten projektien seuraamiseen. Tämä on oikea paikka oman auton esittelyyn.

Vastaus
 
Työkalut Etsi tästä viestiketjusta Näkymä
  #351  
Vanha 05.03.2016, 20:42
Nikuzai Nikuzai ei ole kirjautuneena
Sankari
 
Rekisteröitynyt: 02.12.12
Sijainti: Suomussalmi
Viestit: 3.863
Perusasetus

Lainaus:
Alkuperäinen kirjoittaja Jjurva Näytä viesti
Joo ymmärrän mitä tarkoitat ja kyllä siinä ideaa on. Sitä vain tarkoitin paluulla että puristussylinterin varren puoleltahan pitäisi öljyn päästä pois että sylinteri voi liikkua?

Ja mitä tapahtuu pattien ja mutkien kohdalla kun rullien pitäisi joustaa aukipäin?

Mitä se nyt tekee pahkan kohdalla?
Ja pääseehän se öljy pois sieltä puristussylinterin varren puolelta kun aukeaahan ne nytkin

Ite asiassa jos kaikki menis hyvin voi jopa tehdä sellaisen, et väistää pahkan ja rullat vaan pyörähtää nopeemmin männän puolelta poistuvan öljyn myötä

Eli puristus sylinteristä tulisi öljyä pahkan kohdalla pyörityksen puolelle ja nopeuttaisi rullaa
__________________
Positiivinen rasismi?

Jos ei natiivi pyytää jotain se pitää antaa ja vähän päälle, ettei vaan olisi rasisti ja pilaisi ihanaa monikulttuurisuutta.
Jos natiivi pyytää jotain se pitää kieltää ja vähän päälle, ettei vaan olisi rasisti ja pilaisi ihanaa monikulttuurisuutta.
Vastaa lainaten
  #352  
Vanha 05.03.2016, 21:50
Jjurva Jjurva ei ole kirjautuneena
Aktiivijäsen++
 
Rekisteröitynyt: 07.11.07
Sijainti: Oulu
Viestit: 383
Perusasetus

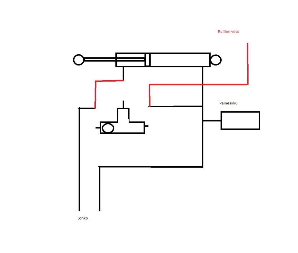
Terien letkutus oli noin kun tuosa alla olevasa kuvasa. Toimi hyvin ja puristusvoimakin pieneni sopivaksi. Nyt rullien letkutus on samoin. En oo vielä testannu. Paineakku pitää puristuksen ja joustaa. Tuolla tavalla ei puristusliikkeeseen tarvita niin palijo ölijyä niin voi nuo akut paremmin riittää.



Jos rullien puristus jää nyt liian kevyeksi noin niin pittää sitten tehä tuo Nikuzain ehottama muutos. Sillon ainakin puristuksen pitäs riittää mutta paineiskut kyllä rasittaa vähän enempi hydraulipuolta ja ite laitteen osia. Vaan tassaahan tuosakin tuo akku niitä.

Vastaa lainaten
  #353  
Vanha 03.04.2016, 19:45
Jjurva Jjurva ei ole kirjautuneena
Aktiivijäsen++
 
Rekisteröitynyt: 07.11.07
Sijainti: Oulu
Viestit: 383
Perusasetus

Tätäkin on vähän testailtu ja karsintapää toimii ihan kohtuudella. Moottorin syöttöpumppu kävi tällä viikolla pajalla ja laittovat siihen vakiokierrossäätimen. Jospa tulevalla viikolla sais pumpun paikalleen ja pääsis testaileen pysyykö ne kierrokset hallinnassa. Sähkötkin ois aika valamiit.

Alakaa vaan tiet sullaan täälä siihen tahtiin että saa nähä painaako kelirikko päälle ennenku saa konnee palstalle.
Vastaa lainaten
  #354  
Vanha 11.06.2016, 22:50
Jjurva Jjurva ei ole kirjautuneena
Aktiivijäsen++
 
Rekisteröitynyt: 07.11.07
Sijainti: Oulu
Viestit: 383
Perusasetus

Piti alotella tuosa joku aika sitten lavetin tekoa että saa tätäkin siirreltyä.

https://youtu.be/AKJKLp-LdmI
Vastaa lainaten
  #355  
Vanha 19.08.2016, 19:16
Jjurva Jjurva ei ole kirjautuneena
Aktiivijäsen++
 
Rekisteröitynyt: 07.11.07
Sijainti: Oulu
Viestit: 383
Perusasetus

Palstalle lähösä

Vastaa lainaten
  #356  
Vanha 22.08.2016, 06:33
TS82 TS82 ei ole kirjautuneena
Jäsen
 
Rekisteröitynyt: 23.10.10
Sijainti: Suomussalmi
Viestit: 52
Perusasetus

Videota koneen käytöstä? Iteläki pitäs tehä joskus tuomonen motopää kuha eka saa voimansiirron toimimaan ja kestämään.
Vastaa lainaten
  #357  
Vanha 13.09.2016, 22:31
Jjurva Jjurva ei ole kirjautuneena
Aktiivijäsen++
 
Rekisteröitynyt: 07.11.07
Sijainti: Oulu
Viestit: 383
Perusasetus

Ei oo vielä oikee tullu videota kuvattua. Lähinnä tuommosia pajukoita raivattu. Pittää sitte kuvvailla ku aletaa karsittua rankaa tekkee.

Kuletusalusta alakas olla kohta valamis nii ei tarvii lainailla lavettia.



Juutuuppi pätkääki.
https://www.youtube.com/watch?v=mTorX4Opp8E
Vastaa lainaten
  #358  
Vanha 13.09.2016, 22:32
Jjurva Jjurva ei ole kirjautuneena
Aktiivijäsen++
 
Rekisteröitynyt: 07.11.07
Sijainti: Oulu
Viestit: 383
Perusasetus

Lainaus:
Alkuperäinen kirjoittaja TS82 Näytä viesti
Videota koneen käytöstä? Iteläki pitäs tehä joskus tuomonen motopää kuha eka saa voimansiirron toimimaan ja kestämään.
Minkälaiseen konneeseen motopäätä suunnittelet?
Vastaa lainaten
  #359  
Vanha 25.02.2017, 22:54
Jjurva Jjurva ei ole kirjautuneena
Aktiivijäsen++
 
Rekisteröitynyt: 07.11.07
Sijainti: Oulu
Viestit: 383
Perusasetus

Sattupa tämänkin kans pieni haaveri. Ei jaksanut kone lähtä liikkumaan tuosa yhtenä päivänä. Kuvittelin että telat jäätyny maahan. Otimpa sitte ja vejin valametilla liikkeelle tämän. Ja kyllähän se lähtiki liikkumaan paukauksen säestämänä. Seurauksena tämä...



Manuaalilaatikosta kuoret halki. Oli vaihekepin juuresta eli jostain muualta päässy vettä laatikkoon ja jäätyny jummii.

No nyt on laatikko vaihettu ehjään. Samalla tein vähä suojuksia syylärille ja nokkapumpulle.



Niin ja eka päivä käyty metäsäki niin että karsintapäätä käytetään. Siitä pätkää tuolla:

https://www.youtube.com/watch?v=6dU0AwE806w
Vastaa lainaten
  #360  
Vanha 26.02.2017, 08:12
0ltzi:n Avatar
0ltzi 0ltzi ei ole kirjautuneena
Mestari
 
Rekisteröitynyt: 31.12.08
Sijainti: Karjalohja
Viestit: 4.617
Perusasetus

Hypnoottista katsottavaa vartti meni nopiasti.

Klapeja tein ja kaveri siihen tuli kattelee kans varmaan puoleksi tunniksi, sanoin että rupee kuvaamaan klapin tekoa ni aletaan myymään elokuvaa papparaisille kerrostaloon kyllä se takkatuli videon voittais.

Eikö katkaistu tukin pää pääse osumaan katkaisun sylinterii ?
Vastaa lainaten
  #361  
Vanha 27.02.2017, 23:34
Jjurva Jjurva ei ole kirjautuneena
Aktiivijäsen++
 
Rekisteröitynyt: 07.11.07
Sijainti: Oulu
Viestit: 383
Perusasetus

Lainaus:
Alkuperäinen kirjoittaja 0ltzi Näytä viesti
Eikö katkaistu tukin pää pääse osumaan katkaisun sylinterii ?
Joo kyllä se välillä siihen ossuu. Aika jämerä sylinteri niin ei se ihan vähästä oo millensäkkää. Tosin vois siihen kyllä hitsata jonku suojan ku kone seuraavan kerran pajalla.
Vastaa lainaten
  #362  
Vanha 16.03.2017, 16:57
Epeli 6809 Epeli 6809 ei ole kirjautuneena
Jäsen
 
Rekisteröitynyt: 11.02.09
Sijainti: Kuopio
Viestit: 38
Perusasetus

Morjesta pitkästä aikaa!

Jjurva on saanut aikaiseksi monta hienoa laitetta, ja hyvin näyttävät pelittävän.

Kaivelin vähän vanhoja tallenteita ja tekasin videon Epelin syntyajoilta.
Aikaahan tuosta on jo tovi kulunut, mutta tämä viestiketju tuntuu olevan hyvin vieläkin hengissa.
Videolla on alkuperäisen Volvo BV202 pankun koeajoa, ja hyväntuulisia halliotoksia, ja lopussa kuvia. Tsekkaa jos kiinnostaa.
https://www.youtube.com/watch?v=GIiE64Fvf4k
Vastaa lainaten
  #363  
Vanha 28.05.2017, 12:54
Jjurva Jjurva ei ole kirjautuneena
Aktiivijäsen++
 
Rekisteröitynyt: 07.11.07
Sijainti: Oulu
Viestit: 383
Perusasetus

Joku soitteli ja kyseli alkuperäisen bv202 raideleveyttä. Vähän pääsi unohtumaan mittaus. Mitta vetopyörän keskeltä keskelle on 1125mm. En tiiä mikä on vetopyörän et, eli tämä ei ole välttämättä mitta vetoakselin laipasta laippaan.


Ja nyt noin 10 vuoden rakentelun jälkeen on alkanut tuntumaan että tämä voisi siirtyä seuraavalle omistajalle. Suurimpana syynä krooninen aikapula ja uudet projektisuunnitelmat.
Eli jos tämä jotain kiinnostaa niin eikun yhteyttä ottamaan. (O451725566 tai yv) Laitain oikean myynti ilmoituksenkin ehkä joskus.
Vastaa lainaten
  #364  
Vanha 06.10.2017, 09:37
TS82 TS82 ei ole kirjautuneena
Jäsen
 
Rekisteröitynyt: 23.10.10
Sijainti: Suomussalmi
Viestit: 52
Perusasetus

Oho. Vähä unehtunu tämänki seuraaminen..
Tuossa tuo topiikki koneesta.
http://harvelit.proboards.com/thread...kumoto?page=30

Tuoho olis tarkotus tehä ku näyttää et mahtas koneelle olla käyttöä naapureillaki
Viime talavena ajettiin jo jonku verra halakoa metästä. Tälle sulalle ei oo kerinny ajaa ku kaks kuormaa 2km päästä.
Minkä kokoset sulla oli nuo vetomoottorit ja ite pumppu?
Vastaa lainaten
  #365  
Vanha 03.11.2017, 18:41
Jjurva Jjurva ei ole kirjautuneena
Aktiivijäsen++
 
Rekisteröitynyt: 07.11.07
Sijainti: Oulu
Viestit: 383
Perusasetus

Mitäs sitä rakentelleen kun ostat tästä "valmiin".

https://forums.offipalsta.com/showthread.php?t=153019
Vastaa lainaten
  #366  
Vanha 04.11.2017, 18:38
TS82 TS82 ei ole kirjautuneena
Jäsen
 
Rekisteröitynyt: 23.10.10
Sijainti: Suomussalmi
Viestit: 52
Perusasetus

Eipä oo ees pudjettie osiinkaa niin saati valamiiseen. Täydellinen mittalaitteineen oleva kouraki olis naapurissa ja osieki olis puretusta mutta ei oo niihinkää varaa nyt.
Pakko mennä perse eellä puuhu ja tehä ite joskus.. ��
Vastaa lainaten
  #367  
Vanha 06.11.2017, 22:49
Jjurva Jjurva ei ole kirjautuneena
Aktiivijäsen++
 
Rekisteröitynyt: 07.11.07
Sijainti: Oulu
Viestit: 383
Perusasetus

Tästä on nyt kaupat sovittuna. Kiitos kaikille projektia seuranneille mielenkiinnosta ja kannustuksesta vuosien varrelta. Ja ei ole seuraavaa konetta suunnitteilla ihan heti Aluvenettä ehkäpä seuraavaksi...
Vastaa lainaten
  #368  
Vanha 07.11.2017, 07:06
TS82 TS82 ei ole kirjautuneena
Jäsen
 
Rekisteröitynyt: 23.10.10
Sijainti: Suomussalmi
Viestit: 52
Perusasetus

Jospa tämä rojekti jatkuis jossakin?
Vastaa lainaten
  #369  
Vanha 07.04.2018, 16:04
heikkik81 heikkik81 ei ole kirjautuneena
Tulokas
 
Rekisteröitynyt: 07.04.18
Sijainti: jännevirta
Viestit: 2
Perusasetus

Vaimennus sylinterit


Lainaus:
Alkuperäinen kirjoittaja Jjurva Näytä viesti
Korvakesulkeiset pietty ja rajoitin korvakot ois nyt paikallaan. Tuohon tulee pystysuuntaista liikettä rajoittamaan "tyhjät" kumivaimennetut sylinterit.
Takavaunuun enään pienet telankannakerattaat paikoilleen ja sen jälkeen puran sen pois ja alkaa hytin teko etuvaunuun.
Tää on jo näköjään vanha keskustelu mutta bankkumersun rakentaja jos tavoitat tämän viestin niin olisitko niin ystävällinen että kertoisit jotain
tietoja koneesta. Kiinnostaisi nuo tyhjät kumivaimennetut sylinterit että
minkälaiset ne tarkalleen ottaen on?
Vastaa lainaten
  #370  
Vanha 24.04.2018, 19:38
Jjurva Jjurva ei ole kirjautuneena
Aktiivijäsen++
 
Rekisteröitynyt: 07.11.07
Sijainti: Oulu
Viestit: 383
Perusasetus

Tähän oli tarkoitus tehdä sellaiset karkeatekoiset sylinterit, joihin olisi tullu kumilevystä leikattuja kiekkoja/renkaita männän taakse ja varren ympärille. Näiden määrällä olisi voinut rajoittaa korkeussuuntaista liikettä. Ei tullut kuitenkaan tehtyä noita vaan normaalit sylinterit. Niistä letkuilla joka nippa yhteen ja letkun pää sitten säiliöön. Sylinterit pumppaa öljyä edestakaisin ja toimii siten vaimentimena ja rajoittimena. En nyt muista tuliko nuo letkut laitettua vai jäikö kesken. No uusi omistaja ne varmaan laittanee jos puuttuvat vielä. Säiliön alalaidassa on tulpattu liitäntä sitä varten.
Vastaa lainaten
Vastaus

Luokat
mersu


Käyttäjiä lukemassa tätä viestiketjua: 1 (0 jäsentä and 1 vierasta)
 

Pikalinkit


Sivu luotu: 22:20 (GMT +2).