Offipalsta.COM  

Palaa takaisin   Offipalsta.COM > Off-Road > Tekniikka & Jutustelu

Tekniikka & Jutustelu Yleistä keskustelua maastureihin ja/tai off-roadiin liittyen

Vastaus
 
Työkalut Etsi tästä viestiketjusta Näkymä
  #1326  
Vanha 01.03.2021, 17:57
HiluxMan:n Avatar
HiluxMan HiluxMan ei ole kirjautuneena
Konkari+++
 
Rekisteröitynyt: 13.08.03
Sijainti: Petäjävesi, Finland.
Viestit: 927
Perusasetus

Pajero toimii jälleen!


Kelien nyt ollessa lämpimiä innostuin murjomaan musta ajonestomokkulan auki niin paljon, että pääsin käsiksi solenoidin piuhaan. Yhdistin sen ajonestolle menevään 12 V kun virta päällä piuhaan ja johan hörähti vanhaan malliin, eli juuri ja juuri ehtii startti pyörähtää kun on jo käynnissä.

Tein tuon linkin innoittamana: https://www.4x4community.co.za/forum...fication/page3

Viestissä 51 on muutama kuva.
__________________
__________________________________________________ __________________________________________________ ________
Vastaa lainaten
  #1327  
Vanha 01.03.2021, 19:34
Gravehill:n Avatar
Gravehill Gravehill ei ole kirjautuneena
Veteraani+
 
Rekisteröitynyt: 19.06.04
Sijainti: Töysä, Finland.
Viestit: 1.437
Perusasetus

Omassa taitaa pumppu olla mennyt huonoksi. Imuputki tankin päältä mureni käsiin, tilattu uusi, ja tuon ajoneston poistin yllämainitun linkin ohjeiden mukaan. Kanisteritankki metodillakaan ei nafta liiku joten pumppu remonttiin.
__________________
-1996 T4
-1987 LJ70
Vastaa lainaten
  #1328  
Vanha 05.03.2021, 09:35
Mikkosetä:n Avatar
Mikkosetä Mikkosetä ei ole kirjautuneena
Aktiivijäsen
 
Rekisteröitynyt: 05.07.12
Sijainti: Hattula
Viestit: 159
Perusasetus

Osaisko joku kertoa mikä tämä on? Toisessa päässä kolme letkulähtöä ja toisessa sähköliitin. Löytyy vm. 99 2,8 pajerosta. Yksi letkuista menee turbolle ahtopaineletkun juureen, toinen letku lytätty nipparilla ja kolmas roikkui auki vapaana? Onko ok? Vähän huonoja kuvia kun turasin pimeessä lampun valossa, voin ottaa parempia jos näistä ei selviä.





Vastaa lainaten
  #1329  
Vanha 05.03.2021, 19:38
sami73:n Avatar
sami73 sami73 ei ole kirjautuneena
Aktiivijäsen++
 
Rekisteröitynyt: 19.10.05
Sijainti: Mikkeli
Viestit: 382
Perusasetus

Onkos sulla tossa kiinteät navat etuakselissa vai automaatti tai kolmasvaihtoehto manuaaliset. Jos on kiinteät navat niin vois olla etuperän irtikynkentä alipainetta. Ku toi egr ohjaus sijaitsee taas tuli pelkissä. Oliko tarpeeksi epäselvästi kerrottu ��
__________________
M.O.C
Vastaa lainaten
  #1330  
Vanha 05.03.2021, 22:16
Mikkosetä:n Avatar
Mikkosetä Mikkosetä ei ole kirjautuneena
Aktiivijäsen
 
Rekisteröitynyt: 05.07.12
Sijainti: Hattula
Viestit: 159
Perusasetus

Tutkailin kyseistä palikkaa vielä tarkemmin, ja sieltä löytyikin osanumero kun tarpeeksi rapsutteli likaa pois päältä. Näyttäisi olevan tällainen:

https://www.varaosahaku.fi/fi-fi/Hae...umero/1271666/

Eli ahtopaineen magneettiventtiili. Mitähän tämä mahtaa tehdä ja onko tosiaan ok että tästä roikkuu irtonainen letku? Haiskahtaa vähän jälkiasenteiselta osalta.
Vastaa lainaten
  #1331  
Vanha 06.03.2021, 08:49
sami73:n Avatar
sami73 sami73 ei ole kirjautuneena
Aktiivijäsen++
 
Rekisteröitynyt: 19.10.05
Sijainti: Mikkeli
Viestit: 382
Perusasetus

Saman ikäinen pajatso ollut mullakin. Ei siinä ollut tomoista osaa. Ota vaan pois koko härpäke.
__________________
M.O.C
Vastaa lainaten
  #1332  
Vanha 06.03.2021, 20:52
Mikkosetä:n Avatar
Mikkosetä Mikkosetä ei ole kirjautuneena
Aktiivijäsen
 
Rekisteröitynyt: 05.07.12
Sijainti: Hattula
Viestit: 159
Perusasetus

Juu täytyy ottaa pois jos sillä ei kerran mitään virkaa ole.
Vastaa lainaten
  #1333  
Vanha 31.03.2021, 20:36
aslakki:n Avatar
aslakki aslakki ei ole kirjautuneena
Veteraani
 
Rekisteröitynyt: 14.11.06
Sijainti: joutseno, .
Viestit: 1.209
Perusasetus

Lainaus:
Alkuperäinen kirjoittaja Speal Näytä viesti
25 pooria ja noin 27mm poorien kohdalla. Ei siis ole yhteensopiva Gen1 4.875 vetarin kanssa, siinä on pari pooria ja milliä enemmän.
Niin nyt jälkeenpäin ku varma omista vetareista ni miullahan oli 28 poorinen ja 29mm paksu mikä tonne sopi 4,6 perään taas kävi 25 rihlanen ja siinä oli tasauspyörästö 2 pikkurattaalla kun taas tiheässä neljällä, sekavia laitteita
__________________
WUOKSI OFFROAD
Vastaa lainaten
  #1334  
Vanha 31.03.2021, 22:08
Gravehill:n Avatar
Gravehill Gravehill ei ole kirjautuneena
Veteraani+
 
Rekisteröitynyt: 19.06.04
Sijainti: Töysä, Finland.
Viestit: 1.437
Perusasetus

No lähtihän tuo oma kikotinkin käyntiin ja toimivalta laitteelta tuntuu. Pumpusta oli nestepään männän palautusjousi poikki.
__________________
-1996 T4
-1987 LJ70
Vastaa lainaten
  #1335  
Vanha 21.04.2021, 19:29
jmks jmks ei ole kirjautuneena
Tulokas
 
Rekisteröitynyt: 21.04.21
Sijainti: Mietoinen, Suomi
Viestit: 3
Perusasetus

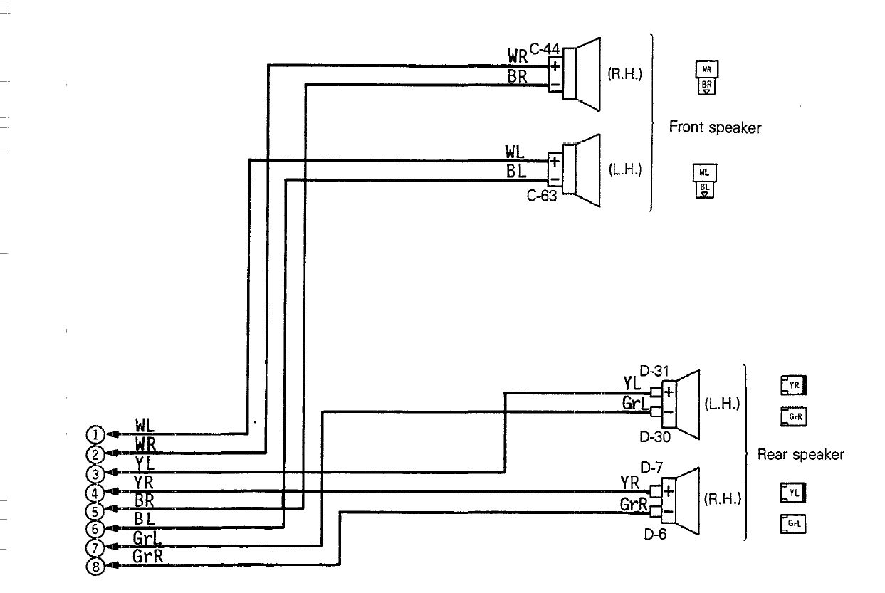
Onko tosiaan niin että 1koppasessa pitkässä pajerossa olisi kaikki 4 kaiutinta kytketty yhteen - piuhaan radion taakse?
Vastaa lainaten
  #1336  
Vanha 23.04.2021, 17:59
Patu925 Patu925 ei ole kirjautuneena
Veteraani+
 
Rekisteröitynyt: 06.09.08
Sijainti: Imatra
Viestit: 1.564
Perusasetus

Ohessa 1 koppane 3l bensan kajarikytkentä. Eli ei oo samassa nipussa. Toivottavasti liitteet toimii.
Liitetiedostot
Click image for larger version

Name:	kajari.jpg‎
Views:	182
Size:	72,8 Kt
ID:	99023  
Attached Files
File Type: pdf audio.pdf‎ (1,73 Mt, 363 lukua)
Vastaa lainaten
  #1337  
Vanha 23.04.2021, 18:50
jmks jmks ei ole kirjautuneena
Tulokas
 
Rekisteröitynyt: 21.04.21
Sijainti: Mietoinen, Suomi
Viestit: 3
Perusasetus

Lainaus:
Alkuperäinen kirjoittaja Patu925 Näytä viesti
Ohessa 1 koppane 3l bensan kajarikytkentä. Eli ei oo samassa nipussa. Toivottavasti liitteet toimii.
Ompas jännä, itsekkin tosiaan kaiken maailman kaavioita Googlesta etsinyt englanniksi. mutta kaikki tarjoavat tommosta toista liitintä missä olis miinukset kaikille kaiuttimille erikseen. Tilasin ebaysta kanssa ISO adapterin tuohon radion piuhoihin, oli kyllä oikea kun sopi autosta löytyneeseen liittimeen(sinun liitteessäsi se merkitty koodilla C-54), mutta siinäkin oli tuommonen pienempi liitin (C-53) missä olevinaan miinukset kaiuttimille.

Vaan varaosa-autosta kaivoin koko johtosarjan auki ja katselin niin, siellä oli haarotettu kaikki kaiuttimet yhteen johtoon, varaosaromu oli -89 ja siinä kyseinen johto oli sinimusta ja tämä käyttöpeli taas -91 ja siinä oli väriltään punamusta.

En yhtään tiedä kaiuttimen toimintaperiaatteesta, mutta yleensä niille on kyllä ollu jokasessa omat miinuksensa? Voiko tommonen kytkentä edes toimia nykyradioilla? Pitäskö sitä vaan ruveta vetelee uudet piuhat kaiuttimille suoraan?
Vastaa lainaten
  #1338  
Vanha 23.04.2021, 20:08
Patu925 Patu925 ei ole kirjautuneena
Veteraani+
 
Rekisteröitynyt: 06.09.08
Sijainti: Imatra
Viestit: 1.564
Perusasetus

Lainaus:
Alkuperäinen kirjoittaja jmks Näytä viesti
Ompas jännä, itsekkin tosiaan kaiken maailman kaavioita Googlesta etsinyt englanniksi. mutta kaikki tarjoavat tommosta toista liitintä missä olis miinukset kaikille kaiuttimille erikseen. Tilasin ebaysta kanssa ISO adapterin tuohon radion piuhoihin, oli kyllä oikea kun sopi autosta löytyneeseen liittimeen(sinun liitteessäsi se merkitty koodilla C-54), mutta siinäkin oli tuommonen pienempi liitin (C-53) missä olevinaan miinukset kaiuttimille.

Vaan varaosa-autosta kaivoin koko johtosarjan auki ja katselin niin, siellä oli haarotettu kaikki kaiuttimet yhteen johtoon, varaosaromu oli -89 ja siinä kyseinen johto oli sinimusta ja tämä käyttöpeli taas -91 ja siinä oli väriltään punamusta.

En yhtään tiedä kaiuttimen toimintaperiaatteesta, mutta yleensä niille on kyllä ollu jokasessa omat miinuksensa? Voiko tommonen kytkentä edes toimia nykyradioilla? Pitäskö sitä vaan ruveta vetelee uudet piuhat kaiuttimille suoraan?
Vanhaan hyvään aikaan autoradioissa ei ollut kun esim.5w per kanava. Nykyisin niissä on käytännössä se noin 12w per kanava. Vanhoissa radioissa kajarin miinus oli ja meni maihin ja nykyisissä kajarin johtoja ei ikinä saa kytkee maihin tai toisiinsa koska savu nousee koska ns. buusteripääteaste.

Helppo tapa kajarin piuhojen selvittelyyn on neuvottu tossa manuaalissa sivu 13/30. Siinä oleva yleismittari voidaan korvata ihan vaan patterilla. Eli kun kajarin kalvo pomppaa ulospäin niin patterin plussan piuha on kajarin plussa.

Eiku lukemaan, oppimaan ja kokeilemaan. Tai vetää vaan uudet johdot.
Vastaa lainaten
  #1339  
Vanha 24.04.2021, 18:26
jmks jmks ei ole kirjautuneena
Tulokas
 
Rekisteröitynyt: 21.04.21
Sijainti: Mietoinen, Suomi
Viestit: 3
Perusasetus

Lainaus:
Alkuperäinen kirjoittaja Patu925 Näytä viesti
Vanhaan hyvään aikaan autoradioissa ei ollut kun esim.5w per kanava. Nykyisin niissä on käytännössä se noin 12w per kanava. Vanhoissa radioissa kajarin miinus oli ja meni maihin ja nykyisissä kajarin johtoja ei ikinä saa kytkee maihin tai toisiinsa koska savu nousee koska ns. buusteripääteaste.

Helppo tapa kajarin piuhojen selvittelyyn on neuvottu tossa manuaalissa sivu 13/30. Siinä oleva yleismittari voidaan korvata ihan vaan patterilla. Eli kun kajarin kalvo pomppaa ulospäin niin patterin plussan piuha on kajarin plussa.

Eiku lukemaan, oppimaan ja kokeilemaan. Tai vetää vaan uudet johdot.
Täytyy ihan mielenkiinnon vuoksi vielä tutustua, mutta taidan ehkä vetää uudet johdot joka kulmaan niin ompahan ainakin.

Kiitos avusta.
Vastaa lainaten
  #1340  
Vanha 07.07.2021, 21:42
M4x4:n Avatar
M4x4 M4x4 ei ole kirjautuneena
Aktiivijäsen
 
Rekisteröitynyt: 01.11.14
Sijainti: Tampere
Viestit: 105
Perusasetus

Taas tuli tehtyä virhe, eli siis ostettua Mitsu.

Ne ketkä on pajeroihin pakoputkia rakennellut, niin onko hyviä ehdotuksia vaimentajista? Kriteerit olis semmoset, että sais hiljentää ääntä aika tehokkaasti, ei ihan niin tukkoinen kun vakiot, mutta pitäs kuitenkin mahtua jotenkinpäin sinne Gen2 paheron rungon sisäpuolelle. Koppa toistaiseksi vakiokorkeudella, eli 2.5" taitaa olla jotakuinkin maximi.

Muuten laittaisin motonetistä tämän, mutta saatavuus on ongelma, eikä noita ilmeisesti ole enään edes tulossa. Ko vaimentajasta on kuitenkin hyvät kokemukset aikaisemmista projekteista. Nyt on siis jotain vastaavaa hakusessa.

Ei huvittaisi ostaa kaikkia mahdollisia vaimentimia "kokeeksi", kun suurin osa ainakin motonetin valikoimasta on ihan hanurista. Joko on ihan mahottoman ahtaita, tai sitten pelkkä läpireikä. Auto tulee pääasiassa elukkakärryn ja autotrailerin vetoon, eli suorat putket ei oikein kelepaa, ja toisaalta pitkiin ylämäkiin kaipais vähän jouheemmin virtaavaa henkireikää.


Orggis tuntuis olevan nyt tiensä päässä ja jotain tarttis tehrä, mutta vakioputki ei välttämättä kannen keston kannalta ole kovin fiksu vaihtoehto, vaikka hiljainen onkin. Ainakin gen1 2.5 koneen kohdalla vakiorännin korvaaminen teki suorastasan ihmeitä. Nykyisesä moottori tosiaan 2.8. Tekis mieli tehdä kerrasta kunnolla.

Myös kuvat toteutuksista kiinnostaa.

Edit: Ei löytynyt mitään fiksua, niin pistin uutta vakioo vaan paikalleen.

Viimeksi muokannut M4x4 : 18.07.2021 01:17
Vastaa lainaten
  #1341  
Vanha 11.08.2021, 19:28
turakki turakki ei ole kirjautuneena
Konkari+++
 
Rekisteröitynyt: 28.11.03
Sijainti: Hämeenkyrö, Finland.
Viestit: 939
Perusasetus

Alatukivarren puslien vaihto on osoittautunut yllättävän työlääksi. Jousen pään pultti ei lähtenyt ilman rautasahaa, ja pienempi pää oli kalvanut jo pultin reiän soikeaksi.
Uretaanipuslia sovittelin, ja pienemmät puslat menivät nätisti. Jousen pään puslan reikä vaikutti noin 40 milliseltä, ja pusla noin 44. Reiässä oli kuitenkin joku holkin näköinen. Onko se jäämää alkuperäisestä kumipuslasta, vai joku muu sovitusjuttu. Eli onko pusla väärän kokoinen, vai murjonko holkin pois rungon reiästä.
En onnistunut just löytämään kuvaa alkuperäisestä kumipuslasta, onko siinä ulkopuolinen metalliholkki?
Sitten olisi enää toinen puoli jäljellä.
Kammen etupään stefakin näyttää vuotavan, millainen jumppa vaihto on. Saako napamutterin kotikonstein auki?
Vastaa lainaten
  #1342  
Vanha 12.08.2021, 04:28
sami73:n Avatar
sami73 sami73 ei ole kirjautuneena
Aktiivijäsen++
 
Rekisteröitynyt: 19.10.05
Sijainti: Mikkeli
Viestit: 382
Perusasetus

Naputteli vaan se "holkki" pois sieltä niin rupee uudet käymään paikoilleen.
__________________
M.O.C
Vastaa lainaten
  #1343  
Vanha 12.08.2021, 08:09
turakki turakki ei ole kirjautuneena
Konkari+++
 
Rekisteröitynyt: 28.11.03
Sijainti: Hämeenkyrö, Finland.
Viestit: 939
Perusasetus

Lainaus:
Alkuperäinen kirjoittaja sami73 Näytä viesti
Naputteli vaan se "holkki" pois sieltä niin rupee uudet käymään paikoilleen.
Näinpä täytyy varmaan tehdä. Ei taida naputtelemalla lähteä...
Vastaa lainaten
  #1344  
Vanha 12.08.2021, 11:46
sami73:n Avatar
sami73 sami73 ei ole kirjautuneena
Aktiivijäsen++
 
Rekisteröitynyt: 19.10.05
Sijainti: Mikkeli
Viestit: 382
Perusasetus

Rautasahan terällä halki se holkki niin kylse antautuu.
__________________
M.O.C
Vastaa lainaten
  #1345  
Vanha 13.08.2021, 08:40
turakki turakki ei ole kirjautuneena
Konkari+++
 
Rekisteröitynyt: 28.11.03
Sijainti: Hämeenkyrö, Finland.
Viestit: 939
Perusasetus

Lainaus:
Alkuperäinen kirjoittaja sami73 Näytä viesti
Rautasahan terällä halki se holkki niin kylse antautuu.
Ja antautihan se. Sahaa ja vinkua tarjosin. Kiitoksia.
Vastaa lainaten
  #1346  
Vanha 20.09.2021, 16:15
mrdart:n Avatar
mrdart mrdart ei ole kirjautuneena
Aloittelija
 
Rekisteröitynyt: 29.06.19
Sijainti: Suomi
Viestit: 20
Perusasetus

Mitä noi pultin paikat, jotka osoittaa kohden apukuskin puolta, 2.8 td pajeron turbon rungossa on? Ylälaidassa on öljyn sisääntulo ja alalaidassa öljyn paluu. Onko tarkoitus että noi sivu "reijät" on auki vai pitääkö niissä olla tulpat?
Vastaa lainaten
  #1347  
Vanha 23.09.2021, 21:06
sami73:n Avatar
sami73 sami73 ei ole kirjautuneena
Aktiivijäsen++
 
Rekisteröitynyt: 19.10.05
Sijainti: Mikkeli
Viestit: 382
Perusasetus

Oisko jäähdytysneste liitimien paikkat. Mulla oli pajatsossa vesijäähdytys turbolla. Pistä kuva niin tietää paremmin.
__________________
M.O.C
Vastaa lainaten
  #1348  
Vanha 26.09.2021, 18:31
mrdart:n Avatar
mrdart mrdart ei ole kirjautuneena
Aloittelija
 
Rekisteröitynyt: 29.06.19
Sijainti: Suomi
Viestit: 20
Perusasetus

noi 2 reikää tossa kuvassa
https://photos.app.goo.gl/g9kvU3YfWkBPM3Sq8
Vastaa lainaten
  #1349  
Vanha 27.09.2021, 05:08
sami73:n Avatar
sami73 sami73 ei ole kirjautuneena
Aktiivijäsen++
 
Rekisteröitynyt: 19.10.05
Sijainti: Mikkeli
Viestit: 382
Perusasetus

Jäähdytysneste liitokset ovat
__________________
M.O.C
Vastaa lainaten
  #1350  
Vanha 27.09.2021, 18:43
mrdart:n Avatar
mrdart mrdart ei ole kirjautuneena
Aloittelija
 
Rekisteröitynyt: 29.06.19
Sijainti: Suomi
Viestit: 20
Perusasetus

Lainaus:
Alkuperäinen kirjoittaja sami73 Näytä viesti
Jäähdytysneste liitokset ovat
OK. Kiitoksia.
Vastaa lainaten
Vastaus

Luokat
pajero


Käyttäjiä lukemassa tätä viestiketjua: 1 (0 jäsentä and 1 vierasta)
 
Työkalut Etsi tästä viestiketjusta
Etsi tästä viestiketjusta:

Tarkennettu haku
Näkymä

Pikalinkit

Samanlaisia viestiketjuja
Viestiketju Aloittaja Foorumi Vastauksia Viimeisin viesti
Myyty mitsu pajero huoltoauto 5D PAJERO TURBO STW-L049GW-M-4X4/2700 Hype O/M/V Ajoneuvot 3 16.04.2013 22:45
Pajero miehille kysymyksiä Pauli_Antero Tekniikka & Jutustelu 19 05.11.2011 17:06
PAJERO V6 3.0 Aut.vm.1989 --> Kysymyksiä! TOPPAHOUSU Tekniikka & Jutustelu 5 31.07.2008 10:41
"Voiman tuntu'" Pajero gen2 vs. Pajero gen1 Propulsion Tekniikka & Jutustelu 8 22.04.2008 16:30
Pajero kysymyksiä Juniori83 Tekniikka & Jutustelu 0 28.09.2005 11:20


Sivu luotu: 06:14 (GMT +2).