Offipalsta.COM  

Palaa takaisin   Offipalsta.COM > Off-Road > Tekniikka & Jutustelu
Rekisteröidy Offiblogit Yhteisö Kalenteri Viestit tänään Haku

Tekniikka & Jutustelu Yleistä keskustelua maastureihin ja/tai off-roadiin liittyen

Vastaus
 
Työkalut Etsi tästä viestiketjusta Näkymä
  #101  
Vanha 31.12.2011, 14:52
0ltzi:n Avatar
0ltzi 0ltzi ei ole kirjautuneena
Mestari
 
Rekisteröitynyt: 31.12.08
Sijainti: Karjalohja
Viestit: 4.617
Perusasetus

näytti tuossa 2003 vitossa olevan kaukosäädin webastolle. eikös se ole aika arvokas varuste? saako sen purettua pois niin että webasto vielä toimii?
Vastaa lainaten
  #102  
Vanha 02.01.2012, 00:28
x-pj x-pj ei ole kirjautuneena
Aktiivijäsen
 
Rekisteröitynyt: 15.09.08
Sijainti: Espoo
Viestit: 106
Perusasetus

Lainaus:
Alkuperäinen kirjoittaja Goljatti Näytä viesti
näytti tuossa 2003 vitossa olevan kaukosäädin webastolle. eikös se ole aika arvokas varuste? saako sen purettua pois niin että webasto vielä toimii?
Hinta riippuu tietysti mallista. Itse ostin juuri Telestart T91:n uutena ja se maksoi 159 (+ 12 euroa rahti). T100 on arvokkaampi. Kaukosäädin on lisävaruste, joten kyllä webasto ilman sitä toimii.
Vastaa lainaten
  #103  
Vanha 02.01.2012, 11:24
bj45lava bj45lava ei ole kirjautuneena
Veteraani+++
 
Rekisteröitynyt: 09.09.03
Sijainti: Tuusula, Finland.
Viestit: 2.390
Perusasetus

Kaukosäädin jälkiasennettuna on vain boksi johdonpätkän kanssa kellon liittimen välissä ja sit siihen se antenni joka yleensä lasissa liimattuna,

T100 on lisäksi sisälämpötilatunnistin, joka pitää muistaa ottaa mukaan.

Ja kyllä siitä sen 200€ saa nettivaraosassa myymällä ja yleensä ei tarvii webasto romuja montaa päivää myydä, menevät samantien.
Vastaa lainaten
  #104  
Vanha 08.01.2012, 18:07
yypy yypy ei ole kirjautuneena
Jäsen
 
Rekisteröitynyt: 15.11.10
Sijainti: Helsinki
Viestit: 84
Perusasetus

Ostettiinpa tällä viikolla taloon toinen Defenderi, jossa on Webasto (Thermo Top C). Ongelmana on, ettei se vaivaudu lähtemään käyntiin. Napista kun pistää päälle, kuuluu vaan surinaa, muttei mitään tapahdu. Missä vika?
Vastaa lainaten
  #105  
Vanha 08.01.2012, 20:40
BryGgi BryGgi ei ole kirjautuneena
Veteraani+
 
Rekisteröitynyt: 20.12.08
Sijainti: p-savo
Viestit: 1.444
Perusasetus

eber z3w kytkentä ohjeesta olisin kiitollinen. siis se malli jossa erillinen polttoaine-,ja nestepumppu. minikellolla tulee ohjaus ja siihen lisäksi kaukosäädin. soikealla liittimellä lämmittimen pää, siihen johtojen paikat hakusessa. kiitos etukäteen
__________________
[O]=TOYOTA=[O]
Vastaa lainaten
  #106  
Vanha 10.01.2012, 23:19
Hailuxi Hailuxi ei ole kirjautuneena
Aloittelija
 
Rekisteröitynyt: 10.08.09
Sijainti: viitasaari
Viestit: 26
Perusasetus

Lainaus:
Alkuperäinen kirjoittaja -MaTTi- Näytä viesti
Tarttis äiteen Jarikseen (vm. -07) saada Eberi pöhisemään etukäteen, eli kello ja vesipumppu tarttis ympätä sekaan. Tuntuu vaan pikkusen liian suolaisen hintaiselta täydennyssarja tehdasasenteiseen Toyotan Eberiin, 410 € näyttää eeperi.comissa hinnaksi. Kyseessähän on seuraavat osat:

pdf-pruju kytkentäkaavioineen

Eli minikello, joka maksaa n. 60 €, vesipumppu about samat, letkuliitintä, nippaa ja nippu johtoa ja sitten tuo ohjainlaite. Mutta onko se paljoa muuta kuin pari relettä, eikö tuon tinailis puolessa tunnissa kotonakin nippuun? Eihän nää Eberit/Webastot mitään ihmeellisiä käyntiinkytkettäviä ole, kunhan sais pumpun pyörimään ja masiinalle virrat päälle, vai? Webaston kello toiminee ihan yhtä hyvin kuin Eberinkin?

Onko kellään onnistuneita viritelmiä Toyotaan tai muuhun? Eikö nää samalla periaatteella toimi? Selviäiskö siis parilla releellä ja muutamalla metrillä johtoa? En oo mikään haka näitten kytkentäkaavioiden kanssa, mut eikö tuossa ole vaan parit releet rinnakkain? Valmissarjan etuna tietysti valmiit liittimet johtosarjaan. Mutta että 300 € lisää hintaa siitä syystä...



Ite rakensisn kuukausi sitten -02 d4d corollaan kellosarjan. Motonetistä kiertovesipumppu, vaihtorele, lisävalojen kauko-ohjain(on/off), sulakepesät, johdot + repullinen apikoliittimiä ja paikallisesta elektroniikka liikkestä 4kpl diodeja. Illassa rakentelin sen ja hinta jäi reilusti alle 100 euron.
Vastaa lainaten
  #107  
Vanha 11.01.2012, 10:38
-MaTTi-:n Avatar
-MaTTi- -MaTTi- ei ole kirjautuneena
Guru
 
Rekisteröitynyt: 27.07.04
Sijainti: Jokela, Finland.
Viestit: 11.114
Perusasetus

Lainaus:
Alkuperäinen kirjoittaja Hailuxi Näytä viesti
lisävalojen kauko-ohjain(on/off)

ja paikallisesta elektroniikka liikkestä 4kpl diodeja
Lisävalojen kauko-ohjainhan on hyvä oivallus. Onhan näitä kaikenmaailman kännykkäviritelmiäkin (vanha nokia prepaid-liittymällä kiinteesti autoon) että saa kännykällä Webaston pöhisemään, mutta vaatisi taas vähän perehtymistä.

Minkälaisia diodeja laitoit ja mihin väliin toiset 2 (en löydä kaaviosta kuin 2 diodia)?
Vastaa lainaten
  #108  
Vanha 12.01.2012, 01:36
Hailuxi Hailuxi ei ole kirjautuneena
Aloittelija
 
Rekisteröitynyt: 10.08.09
Sijainti: viitasaari
Viestit: 26
Post

Lainaus:
Alkuperäinen kirjoittaja -MaTTi- Näytä viesti
Lisävalojen kauko-ohjainhan on hyvä oivallus. Onhan näitä kaikenmaailman kännykkäviritelmiäkin (vanha nokia prepaid-liittymällä kiinteesti autoon) että saa kännykällä Webaston pöhisemään, mutta vaatisi taas vähän perehtymistä.

Minkälaisia diodeja laitoit ja mihin väliin toiset 2 (en löydä kaaviosta kuin 2 diodia)?

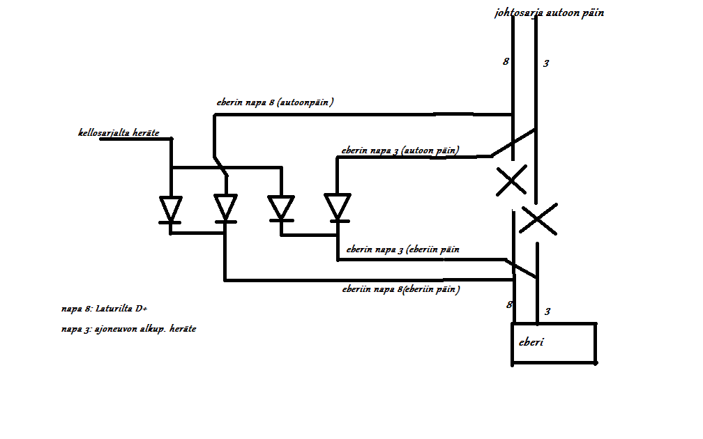
Diodit tais olla 3A ja jotain 1000V estosuuntaan. Hankala selittää nuo diodien paikat mut jos toi huippu kuva valasis enemmä
Liitetiedostot
Click image for larger version

Name:	eberi.gif‎
Views:	6823
Size:	11,1 Kt
ID:	24210  
Vastaa lainaten
  #109  
Vanha 20.01.2012, 20:57
khonkonen khonkonen ei ole kirjautuneena
Veteraani+
 
Rekisteröitynyt: 08.12.07
Sijainti: Töpsävä, Finland.
Viestit: 1.588
Perusasetus

Kysytääs tätä topikkia lainaten.

Auto on vw passat -05 diesel. Webasto ei edes yritä käynnistyä, sisätilan puhaltimen kyllä laittaa päälle. Kaikki sulakkeet ehjät. Polttoaine pumppu ei nakuta ja mittasin sille tulevan jännitteen, mutta se oli vain 10 volttia??? Pitääkö sen olla vain 10 volttia, vai pitäisikö olla 12 volttia? Laite ei ilmoita omassa näytössään mitään vikakoodia.

Hyviä neuvoja otetaan vastaan...
__________________
Huono tie, parempi mieli.
Vastaa lainaten
  #110  
Vanha 21.01.2012, 00:44
sähköarska sähköarska ei ole kirjautuneena
Aktiivijäsen++
 
Rekisteröitynyt: 05.05.07
Sijainti: helsinki, Finland.
Viestit: 326
Perusasetus

Onko webasto auton alkuperäinen vai jälkiasennus laite. Mikäli laite on alkuperäinen siitä pitää lukea vikakoodit testerillä...
Vastaa lainaten
  #111  
Vanha 21.01.2012, 09:19
khonkonen khonkonen ei ole kirjautuneena
Veteraani+
 
Rekisteröitynyt: 08.12.07
Sijainti: Töpsävä, Finland.
Viestit: 1.588
Perusasetus

Lainaus:
Alkuperäinen kirjoittaja sähköarska Näytä viesti
Onko webasto auton alkuperäinen vai jälkiasennus laite. Mikäli laite on alkuperäinen siitä pitää lukea vikakoodit testerillä...
Oletettavasti alkuperänen? Käytettynä ostettu auto ni ei täyttä varmuutta. Käyttöohjekirjaan webaston sulake merkinnät kyllä merkitty mustekynällä, et oisko kuitenki vasta suomessa asennettu...?
__________________
Huono tie, parempi mieli.
Vastaa lainaten
  #112  
Vanha 21.01.2012, 11:07
Pingviini:n Avatar
Pingviini Pingviini ei ole kirjautuneena
Jäsen
 
Rekisteröitynyt: 06.11.08
Sijainti: Kempeleen ja Haukiputaan välimaasto
Viestit: 74
Perusasetus

Voi ne vikakoodit lukea yhtälailla jälkiasennus- kuin tehdaswebastoistakin. Tarvii mahdollisesti vaan päästä webaston liittimille käsiksi, jos diag. johtoa ei ole vedetty sulakepesän tuntumaan / diag.pistokkeelle.
Jännitteen mittaamisella pa-pumpun johdosta ei ole hyötyä. Pa-pumpulle tulee 12V pulsseja 2...5Hz taajuudella silloin kun ohjainlaite niitä syöttää. Pa-liittimestä mitattu jännite ryömiskelee missä sattuu, jos ei ole kuormaa ts. liitin irti. Muutkin ovat mitanneet toimivasta webastosta noin 10V kun liitin on irti.

-Penguin
Vastaa lainaten
  #113  
Vanha 21.01.2012, 22:52
sähköarska sähköarska ei ole kirjautuneena
Aktiivijäsen++
 
Rekisteröitynyt: 05.05.07
Sijainti: helsinki, Finland.
Viestit: 326
Perusasetus

juu pingvini on ihan oikeassa oli alkuperäinen tai ei tarvii lukea testerillä vikakoodit...semmonen järjestyy pistä viestiä vai oletko helsingistä??
Vastaa lainaten
  #114  
Vanha 22.01.2012, 12:06
khonkonen khonkonen ei ole kirjautuneena
Veteraani+
 
Rekisteröitynyt: 08.12.07
Sijainti: Töpsävä, Finland.
Viestit: 1.588
Perusasetus

Lainaus:
Alkuperäinen kirjoittaja sähköarska Näytä viesti
juu pingvini on ihan oikeassa oli alkuperäinen tai ei tarvii lukea testerillä vikakoodit...semmonen järjestyy pistä viestiä vai oletko helsingistä??
Oulun seudulta olen ja olen jo apua saamassa. Kiitos kuitenkin kovasti sinullekkin.
__________________
Huono tie, parempi mieli.
Vastaa lainaten
  #115  
Vanha 24.01.2012, 22:43
yypy yypy ei ole kirjautuneena
Jäsen
 
Rekisteröitynyt: 15.11.10
Sijainti: Helsinki
Viestit: 84
Perusasetus

Mitenkähän mahtaa tuo webaston kello toimia? Kauanko laite on päällä, jos napista painaa päälle? Mitä kaikki nappulat tekee? Ois kiva, jos joku viittis kertoa, miten se edes suunnilleen toimii.
Vastaa lainaten
  #116  
Vanha 24.01.2012, 23:19
x-pj x-pj ei ole kirjautuneena
Aktiivijäsen
 
Rekisteröitynyt: 15.09.08
Sijainti: Espoo
Viestit: 106
Perusasetus

http://www.kaha.fi/category.php?cid=111
Tuolta löytyy käyttöohjeita
Vastaa lainaten
  #117  
Vanha 29.01.2012, 17:20
rhm rhm ei ole kirjautuneena
Konkari
 
Rekisteröitynyt: 17.08.08
Sijainti: Nokia
Viestit: 596
Perusasetus

Oon paininu tänään oman eberini kanssa. Elikäs ilma-eberi D3L, joka lämmittää kuorkin koppia.

Sain sen heräteltyä suurinpiirtein toimivaks, ku putsailin kaikki liittimet ja polttoainelinjat. Nyt vain on ongelmana se, että se ei joka kerta lähde käyntiin. Kun lähtee, niin savua tulee riittävästi ja käynti kuulostaa vähän pätkivältäkin. Jonkin aikaa käytyään se sammuu yhtäkkiä ja tää aika vaihtelee muutamasta sekunnista n. pariin minuuttiin. Se saattaa lähteä uudestaan päälle heti uudelleen ja käy taas hetken.

Hehkun putsasin ja tarkistin, et siin ei oo vikaa. Voisko polttoaineen saannissa olla vikaa? Mitähän seuraavaks tutkis?
Vastaa lainaten
  #118  
Vanha 31.01.2012, 19:19
T€€MU:n Avatar
T€€MU T€€MU ei ole kirjautuneena
Veteraani++
 
Rekisteröitynyt: 18.06.04
Sijainti: Kurikka, Finland.
Viestit: 1.944
Perusasetus

Nää on maailmanlopun vehkeitä, kaiholla muistan aikaa kun autoissa tarkeni ilman ylimääräistä öljypoltinta. lohkolämmitin oli suht helppo vaihtaa ja porinasta tiesi että
toimiihan se.

Aiheeseen

Eber D5W SC -05 transit

-Liekinkuvatuksesta päälle ja nanosekunnin pyöräyttää vesipumppua laitteen sisällä.

No merkkiliike otti vikakoodin ja kahdella tiskillä epäiltiin palopuhallinta

Aattelin että vaihdampa samalla muutakin kulutusosaa..

-Nyt uusittu paloilmapuhallin, hehku, parit tiivisteet samalla.

Sama vika säilyy, vesipumppu inahtaa vajan sekunnin.

-Sit löyty oikea vikakin, annostelupumppu oli risa. ei sötköttäny vaikka tarjos suoraankin
sähköä. haimpa semmosenki uuden. Toivoa täynnä sekin kiinni ja testaamaan...

Sama vika säilyy, vesipumppu inahtaa nanosekunnin ja siinä kaikki.

WTF ja nytloppuhuumori

-just tuli mieleen että pitääkö laite jollain vikakuittauttaa vielä, vai onko aivotkin kaput ?
Vastaa lainaten
  #119  
Vanha 31.01.2012, 19:22
AlluK:n Avatar
AlluK AlluK ei ole kirjautuneena
Konkari+++
 
Rekisteröitynyt: 08.02.09
Sijainti: Tampere
Viestit: 937
Perusasetus

No et sitä vesipumppua vaihtanu?
Vastaa lainaten
  #120  
Vanha 31.01.2012, 19:42
T€€MU:n Avatar
T€€MU T€€MU ei ole kirjautuneena
Veteraani++
 
Rekisteröitynyt: 18.06.04
Sijainti: Kurikka, Finland.
Viestit: 1.944
Perusasetus

Lainaus:
Alkuperäinen kirjoittaja AlluK Näytä viesti
No et sitä vesipumppua vaihtanu?
No ku se surras komeesti ku anto 12vee, eihän se nyt voi risa olla ?
voisihan tuo vielä olla joku liitosvikakin...
Vastaa lainaten
  #121  
Vanha 31.01.2012, 19:52
BryGgi BryGgi ei ole kirjautuneena
Veteraani+
 
Rekisteröitynyt: 20.12.08
Sijainti: p-savo
Viestit: 1.444
Perusasetus

ostin itselleni juuri uuden vesipumpun eberiin, tässä minun mallissa ulkopuolinen pumppu. pitkään tappelin juuri tuon käynnistysongelman kanssa, kone lähtee tulille ja heti sammuu, ja vesi ei vaan keirtäny kun letkuja testailin. pumppu surraa oikein hienosti ja kaikkee. Prkl muistanu että tuo pumppu on magneettivetonen niin oli kaiken maailman paskaa nesteen seassa menny siivikon ja rungon väliin että siipi pyöri sen 5kierrosta sekunnissa ja neste ei liikkunut. ja sähkömoottori silti pyöri viimeistä päivää.
__________________
[O]=TOYOTA=[O]
Vastaa lainaten
  #122  
Vanha 31.01.2012, 20:03
lavanelikko lavanelikko ei ole kirjautuneena
RIP
 
Rekisteröitynyt: 10.04.07
Sijainti: Tampere, .
Viestit: 1.171
Perusasetus

Mikähän lämmitin mahtais olla -07 Viton pellin alla? Ajastin toimii normaalisti, mutta mitään muuta ei tapahdu. Mistä pääsee kattomaan nesteet ja muut tarpeelliset? Ei kauheesti huvita noissa pakkasissa ulkona ropata firman autoa yhtään ylimääräistä... Lämmitin ei siis lupaakaan, ainoastaan katkasiassa ledin väri vaihtuu kellon kytkiessä päälle.
Vastaa lainaten
  #123  
Vanha 31.01.2012, 20:19
Angelo:n Avatar
Angelo Angelo ei ole kirjautuneena
Konkari+
 
Rekisteröitynyt: 11.05.08
Sijainti: Hyvinkää
Viestit: 670
Perusasetus

Lainaus:
Alkuperäinen kirjoittaja T€€MU Näytä viesti
Nää on maailmanlopun vehkeitä, kaiholla muistan aikaa kun autoissa tarkeni ilman ylimääräistä öljypoltinta. lohkolämmitin oli suht helppo vaihtaa ja porinasta tiesi että
toimiihan se.

Aiheeseen

Eber D5W SC -05 transit

-Liekinkuvatuksesta päälle ja nanosekunnin pyöräyttää vesipumppua laitteen sisällä.

No merkkiliike otti vikakoodin ja kahdella tiskillä epäiltiin palopuhallinta

Aattelin että vaihdampa samalla muutakin kulutusosaa..

-Nyt uusittu paloilmapuhallin, hehku, parit tiivisteet samalla.

Sama vika säilyy, vesipumppu inahtaa vajan sekunnin.

-Sit löyty oikea vikakin, annostelupumppu oli risa. ei sötköttäny vaikka tarjos suoraankin
sähköä. haimpa semmosenki uuden. Toivoa täynnä sekin kiinni ja testaamaan...

Sama vika säilyy, vesipumppu inahtaa nanosekunnin ja siinä kaikki.

WTF ja nytloppuhuumori

-just tuli mieleen että pitääkö laite jollain vikakuittauttaa vielä, vai onko aivotkin kaput ?
Just tänään tuli oma transit -02, huollosta takaisin. Samat oireet oli, vaihtoi sen palotunnistimen ja jotain muuta. (Olisko ollut anturipari.?) Voin ilmoitella tarkemmin kun selviää. Mut alkoi toimimaan, tiedä sit kuin pitkään toimii..
Vastaa lainaten
  #124  
Vanha 31.01.2012, 22:41
T€€MU:n Avatar
T€€MU T€€MU ei ole kirjautuneena
Veteraani++
 
Rekisteröitynyt: 18.06.04
Sijainti: Kurikka, Finland.
Viestit: 1.944
Perusasetus

Lainaus:
Alkuperäinen kirjoittaja Angelo Näytä viesti
Just tänään tuli oma transit -02, huollosta takaisin. Samat oireet oli, vaihtoi sen palotunnistimen ja jotain muuta. (Olisko ollut anturipari.?) Voin ilmoitella tarkemmin kun selviää. Mut alkoi toimimaan, tiedä sit kuin pitkään toimii..
OK,

Hauskinta oli, kun kävelin vikakoodilapun ja varaosien kanssa autolle johon huollon kaveri sen oli jättänyt niin siellä se eberi niin komeesti hyrisi.. toimi vielä seur, päivänä muttei sen koommin. nyt on anturit enää vaihtamatta,(ylikuumenemistunnistin, lämpöanturi, liekkivahti) en usko että mun vesipumppu olis sökö. siivet ja moottori sirraa komeesti, kun suoraan antaa sähköä.

Löytyykös jostain sähköiset arvot noille antureille ? kunto selviäis mittaamalla.
Vastaa lainaten
  #125  
Vanha 01.02.2012, 08:57
Angelo:n Avatar
Angelo Angelo ei ole kirjautuneena
Konkari+
 
Rekisteröitynyt: 11.05.08
Sijainti: Hyvinkää
Viestit: 670
Perusasetus

Juu, eihän se toiminut. Aamulla kylmä auto odotti.

Minulla lähtee kyllä toisella tai kolmannella startilla päälle ja pysyy päällä. Aamuinen korjaamo käynti lisäsi vikalistaan joko polttoaine pumpun tai palopesän. Taidan laittaa molemmat jos ei sit temppuilisi. Ei olisi oikein joka aamu aikaa ottaa kolmea starttia..

Niin, viimeeksi vaihdettiin liekkivahti. (Siinä oli sellaiset hienot abico liitokset.)
Vastaa lainaten
Vastaus


Käyttäjiä lukemassa tätä viestiketjua: 1 (0 jäsentä and 1 vierasta)
 

Pikalinkit

Samanlaisia viestiketjuja
Viestiketju Aloittaja Foorumi Vastauksia Viimeisin viesti
M: Eberi & Webasto osia. Zamppa O/M/V Muut 33 10.03.2012 11:39
"M"eberi webasto ardic sähköarska O/M/V Muut 39 24.02.2011 17:11
Eberi/Webasto puhelinohjaus? Numppa Tekniikka & Jutustelu 3 21.11.2008 21:49
O: Webasto tai Eberi Td5 O/M/V Muut 2 01.12.2005 21:15
O: webasto/eberi bensapumppu O/M/V Muut 4 10.10.2005 11:08


Sivu luotu: 08:03 (GMT +2).