Offipalsta.COM  

Palaa takaisin   Offipalsta.COM > Off-Road > Tekniikka & Jutustelu
Rekisteröidy Offiblogit Yhteisö Kalenteri Viestit tänään Haku

Tekniikka & Jutustelu Yleistä keskustelua maastureihin ja/tai off-roadiin liittyen

Vastaus
 
Työkalut Etsi tästä viestiketjusta Näkymä
  #1  
Vanha 23.06.2013, 19:59
ruxu:n Avatar
ruxu ruxu ei ole kirjautuneena
Aktiivijäsen+
 
Rekisteröitynyt: 14.04.09
Sijainti: Mäntsälä
Viestit: 252
Perusasetus

Vinssi ja tehostettu ohjaus samalla pumpulla


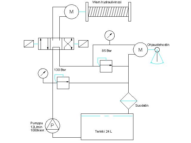
Tuossa MutantRhino projektissa on hydraulivinssin pumpun rakentelu edessä ja on alkanut tuntua että hihnaa ja taittopyörää on sen verran paljon että syntyi ajatus voisiko erillisen ohjaustehostinpumpun ja toisen isomman vinssipumpun sijasta käyttää yhtä pumppua.

Oheisena on ajateltu piiri. Ei ole juuri minkäänlaista kokemusta hydrauliikan rakentelusta, joten kommentteja ja vinkkejä otetaan kiitollisuudella vastaan niin ei tarvitse sitten kaiken kantapään kautta oppia...



Ajatus olisi myös muutta hihnat moniurahihnoiksi niin että 4 - 6 urainen hihna pyörittäisi vesipumppua ja laturia ja 6 urainen sitten hydraulipumppua. Eli hakusessa on moniurahihnapyöriä, joista vaikein on varmaan löytää kampiakselin päähän kaksoishihnapyörä 4-6pk/6pk, muut löytynevät varmaan helpommin. Onko joku tällaista Suzukiin viritellyt tai onko vinkkejä minkä vehkeen tuplahihnapyörää saisi sovitettua?

__________________
>>>>>>>>>>>>>>>>>>>>>>>>>
---- MutantRhino by www.SirRai.com ----
>>>>>>>>>>>>>>>>>>>>>>>>>

Kaikki mikä kannattaa tehdä kannattaa tehdä hyvin - mutta vasta huomenna...
Vastaa lainaten
  #2  
Vanha 23.06.2013, 20:07
Yölento Yölento ei ole kirjautuneena
Veteraani+
 
Rekisteröitynyt: 31.08.08
Sijainti: Ylä-Savo
Viestit: 1.740
Perusasetus

Ei noin, vinssiltä suora paluu tankkiin ja ohjauspuolelle oma linja heti pumpun jälkeen.
__________________
Siitä lähetään mihin etuveto jätetään.
www.kaivinkoneet.com
Vastaa lainaten
  #3  
Vanha 23.06.2013, 20:49
ruxu:n Avatar
ruxu ruxu ei ole kirjautuneena
Aktiivijäsen+
 
Rekisteröitynyt: 14.04.09
Sijainti: Mäntsälä
Viestit: 252
Perusasetus

Lainaus:
Alkuperäinen kirjoittaja Yölento Näytä viesti
Ei noin, vinssiltä suora paluu tankkiin ja ohjauspuolelle oma linja heti pumpun jälkeen.
Pumpun datalehden mukaan siitä tuleva maksimipaine on 210 Baria, Warnin vinsille sallitaan maksimi 130 Baria ja Opel Omegan ZF ohjaustehostimelle 85 Baria.

Eikö tuollainen paineensäätöventtiili toimi niin että se pitää tulopuolen paineen haluttuna laskemalla öljyä läpi kun paine nousee yli asetetun? Jos nyt laitan molemmat paineensäätimet pumpun jälkeen niin eikö siinä silloin käy niin että paine asettuu 85 Bariin eli jää liian alhaiseksi vinssille?
__________________
>>>>>>>>>>>>>>>>>>>>>>>>>
---- MutantRhino by www.SirRai.com ----
>>>>>>>>>>>>>>>>>>>>>>>>>

Kaikki mikä kannattaa tehdä kannattaa tehdä hyvin - mutta vasta huomenna...
Vastaa lainaten
  #4  
Vanha 24.06.2013, 00:45
Jappi Jappi ei ole kirjautuneena
Sankari
 
Rekisteröitynyt: 04.04.08
Sijainti: Puolanka
Viestit: 3.852
Perusasetus

Taitaapa tuo toimia tuo kuvanmukainen kytkentä. Ainoa että ohjauksen käyttö vinssatessa syö vinssistä voiman kun vinssimoottorin paluulinjaan tulee vastapaine. Kahteen suuntaan käytettäväksi tarkoitetulla moottorilla ei pitäisi tulla muuta ongelmaa. Kannattaa toki selvittää onko vinssimoottorille ilmoitettu suurinta sallittua vastapainetta.

Yhteen suuntaan käytettäväksi tarkoitettu moottori nimittäin sylkee tiivisteet ulos tuolla kytkennällä.

Tuo paineenrajoitin toimii siten että paineen noustessa rajoittimen asetettuun lukemaan päästää paineöljyä paluukiertoon. Normaalisti tuollaisessa järjestelmässä paine ei nouse noihin lukemiin kuin maksimikuormituksella.
Vakiopainejärjestelmä on sitten ihan tapaus erikseen, yleensä vaatii säätyvätilavuuksisen pumpun.
__________________
Joku tahtoo vaihtaa nimeään, jos se siihen jää tiedetään,
Se joku tahtoo olla ihminen,
Minä en!

Timo Rautiainen & Neljäs sektori
Vastaa lainaten
  #5  
Vanha 24.06.2013, 01:36
JiiPee JiiPee ei ole kirjautuneena
Moderator
 
Rekisteröitynyt: 13.08.03
Sijainti: Janakkala
Viestit: 6.394
Perusasetus

Suuntaventtiilin T-liitännän paineenkesto kannattaa myös varmistaa, eli että saa olla sen tehostinpiirin painevaron verran.
__________________
Jukka
Vastaa lainaten
Vastaus


Käyttäjiä lukemassa tätä viestiketjua: 1 (0 jäsentä and 1 vierasta)
 

Pikalinkit

Samanlaisia viestiketjuja
Viestiketju Aloittaja Foorumi Vastauksia Viimeisin viesti
Hydraulisylinterillä tehostettu ohjaus offroadjouni Tekniikka & Jutustelu 91 30.04.2018 20:06
Ostetaan Discovery I Tehostettu ohjaus-simpukka bj75 O/M/V Varaosat ja tarvikkeet 0 28.05.2013 12:07
Ostettu Omegan tehostettu ohjaus simpukka karvanoppa O/M/V Varaosat ja tarvikkeet 3 11.07.2010 19:58
Ostetaan o: hilux tehostettu ohjaus Turboic O/M/V Varaosat ja tarvikkeet 0 13.09.2009 09:25
Ostetaan isuzu trooper taka jarrusatula ja tehostettu ohjaus simpukka mettäsika O/M/V Varaosat ja tarvikkeet 3 06.01.2009 13:18


Sivu luotu: 19:13 (GMT +2).