Offipalsta.COM  

Palaa takaisin   Offipalsta.COM > Off-Road > Tekniikka & Jutustelu
Rekisteröidy Offiblogit Yhteisö Kalenteri Viestit tänään Haku

Tekniikka & Jutustelu Yleistä keskustelua maastureihin ja/tai off-roadiin liittyen

Vastaus
 
Työkalut Etsi tästä viestiketjusta Näkymä
  #201  
Vanha 23.01.2014, 19:12
Nuhapumppu:n Avatar
Nuhapumppu Nuhapumppu ei ole kirjautuneena
Veteraani++
 
Rekisteröitynyt: 21.08.10
Sijainti: MUHOS
Viestit: 1.777
Perusasetus

Lainaus:
Alkuperäinen kirjoittaja JiPe Näytä viesti
Ei varmaankaan. Mielenkiinnoin söi se ettei mistään mitään tiedetty ja kun auto on toisella puolella suomea, niin kehtaa ihan huvikseen ajella katsomaan kohta 30 vuotiasta autoa, mistä ei ole huoltoja tiedossa. Varmaan kävisin kahtomassa kun lähempänä olisi.
Tuu kattoon tuota minun pajeroa,jos sellaisen haluat. Kansi vaihdettu jäsympään AMC:n rullakeinukanteen,koppakoro ja 33" renkaat alla. YV:llä voin kertua lisää jos kiinnostaa.
__________________
Kasataan pitkillä pulteilla ja isoilla rikoilla.
LaMaas ry
www.lamaas.fi
www.lamaas.1g.fi
https://www.facebook.com/LaMaasRy
Vastaa lainaten
  #202  
Vanha 23.01.2014, 19:44
Uats1 Uats1 ei ole kirjautuneena
Jäsen
 
Rekisteröitynyt: 07.10.13
Sijainti: Lumijoki
Viestit: 31
Perusasetus

Oisko kellään tietoa miten tollaseen gen2 -98 pätkä pajeroon sais kattotelineet?
Ei oo vesikouruja tässä niinku pitkissä vaan katossa koko matkalla ura johon ilmeisesti sais kattokaiteet kiinni vaan kun ei mistään tunnu saavan niitä. kehtais alakaa läpipulttaamaankaa.
Vastaa lainaten
  #203  
Vanha 23.01.2014, 22:03
Dectane Dectane ei ole kirjautuneena
Arvostettu jäsen
 
Rekisteröitynyt: 27.09.09
Sijainti: Liminka
Viestit: 2.940
Perusasetus

Lainaus:
Alkuperäinen kirjoittaja Uats1 Näytä viesti
Oisko kellään tietoa miten tollaseen gen2 -98 pätkä pajeroon sais kattotelineet?
Ei oo vesikouruja tässä niinku pitkissä vaan katossa koko matkalla ura johon ilmeisesti sais kattokaiteet kiinni vaan kun ei mistään tunnu saavan niitä. kehtais alakaa läpipulttaamaankaa.
Mää voin tulla läpipulttaamaan
Vastaa lainaten
  #204  
Vanha 24.01.2014, 16:48
Uats1 Uats1 ei ole kirjautuneena
Jäsen
 
Rekisteröitynyt: 07.10.13
Sijainti: Lumijoki
Viestit: 31
Perusasetus

Lainaus:
Alkuperäinen kirjoittaja Dectane Näytä viesti
Mää voin tulla läpipulttaamaan
En eppäile hetkeäkkää.
Vastaa lainaten
  #205  
Vanha 24.01.2014, 21:27
khonkonen khonkonen ei ole kirjautuneena
Veteraani+
 
Rekisteröitynyt: 08.12.07
Sijainti: Töpsävä, Finland.
Viestit: 1.588
Perusasetus

Lainaus:
Alkuperäinen kirjoittaja Uats1 Näytä viesti
Oisko kellään tietoa miten tollaseen gen2 -98 pätkä pajeroon sais kattotelineet?
Ei oo vesikouruja tässä niinku pitkissä vaan katossa koko matkalla ura johon ilmeisesti sais kattokaiteet kiinni vaan kun ei mistään tunnu saavan niitä. kehtais alakaa läpipulttaamaankaa.
Tarjoaako Thule mitään siihen?
Entä merkkiliike?

Kun saat tietoon, että miten ne kiinnitetään niin sitten helppo ettiä vastaavanlaista jostain. Niin ja onhan niitä urheiluautoihin kiinnitettäviä yleistelineitä joissa on imukuppi ja magneetti.
__________________
Huono tie, parempi mieli.
Vastaa lainaten
  #206  
Vanha 25.01.2014, 00:57
Uats1 Uats1 ei ole kirjautuneena
Jäsen
 
Rekisteröitynyt: 07.10.13
Sijainti: Lumijoki
Viestit: 31
Perusasetus

Lainaus:
Alkuperäinen kirjoittaja khonkonen Näytä viesti
Tarjoaako Thule mitään siihen?
Entä merkkiliike?

Kun saat tietoon, että miten ne kiinnitetään niin sitten helppo ettiä vastaavanlaista jostain. Niin ja onhan niitä urheiluautoihin kiinnitettäviä yleistelineitä joissa on imukuppi ja magneetti.
Thulelta ei ainakaan saa, pitäs käydä jostain merkkiliikkeessä kyselemässä. Hinnat vaan voi olla hunajaa.

Ei vaan taida safariteline pysyä katolla imukuppeilla.
Vastaa lainaten
  #207  
Vanha 25.01.2014, 08:21
khonkonen khonkonen ei ole kirjautuneena
Veteraani+
 
Rekisteröitynyt: 08.12.07
Sijainti: Töpsävä, Finland.
Viestit: 1.588
Perusasetus

Lainaus:
Alkuperäinen kirjoittaja Uats1 Näytä viesti
Thulelta ei ainakaan saa, pitäs käydä jostain merkkiliikkeessä kyselemässä. Hinnat vaan voi olla hunajaa.

Ei vaan taida safariteline pysyä katolla imukuppeilla.
Mä voin tulla siis Villen kans läpipulttaamaan. =D
__________________
Huono tie, parempi mieli.
Vastaa lainaten
  #208  
Vanha 25.01.2014, 13:13
Uats1 Uats1 ei ole kirjautuneena
Jäsen
 
Rekisteröitynyt: 07.10.13
Sijainti: Lumijoki
Viestit: 31
Perusasetus

http://www.nettiauto.com/mitsubishi/pajero/6102368

Tuosa on kattotelineet, mitenhän lie kiinni?

Se läpipulttaamine o viimeinen vaihtoehto, se onnistus kyllä äkkiä ku on näköjään tulossa kavereita avuksi.

Edit: ruuvilla ne oli kiinni ku kysyin. :/

Viimeksi muokannut Uats1 : 26.01.2014 10:31
Vastaa lainaten
  #209  
Vanha 25.01.2014, 20:28
köröttelijä köröttelijä ei ole kirjautuneena
Aloittelija
 
Rekisteröitynyt: 12.01.14
Sijainti: Sahalahti
Viestit: 10
Perusasetus

vm90 pajero otti savut


Jeps eli kuskin puolen etupyörän kohdalta konehuoneessa tapahtui oikkari.
Se paksu johto nippu kyrvähti ja suli kasaan.Mistähän sais jotain tietoo mitä johtoo menee ja mihinkä? Sisälokarista porattu ruuvi ja keskelle johto nippua sain johdot jotenkin eroteltua mutta osa on poikki ja nyt täytyis kolvailla taas kasaan
Vastaa lainaten
  #210  
Vanha 26.01.2014, 08:34
JJ90:n Avatar
JJ90 JJ90 ei ole kirjautuneena
Veteraani
 
Rekisteröitynyt: 24.09.10
Sijainti: Oulu
Viestit: 1.200
Perusasetus

Tuosta linkin takaa selaillen.. Muistaakseni on johdotuksetkin selitetty auki. http://www.mitsubishilinks.com/
__________________
Diisselistä voimaa ja silleen.
Vastaa lainaten
  #211  
Vanha 26.01.2014, 19:54
Micco:n Avatar
Micco Micco ei ole kirjautuneena
Veteraani++
 
Rekisteröitynyt: 08.03.05
Sijainti: Turku, Finland.
Viestit: 1.772
Perusasetus

Näitä kyselinkin jo mitsufoorumilla, mut sieltä en saanu vastausta.

Eli suutinremppa olisi tulossa pajeroon -89- 2.5tdic, ja pari kysymystä siihen liittyen.

Onko kaikissa gen1 pajeroissa samat suuttimet on kone sit 2.3 2.5 td tdi ?
Onko jokin/jotkin sellaisia valmistajia kenen suuttimia kannattaa välttää uusia hommatessa?
Mitkä avautumispaineet kuuluu olla tuossa 2.5 tdi mallissa, onko kaikissa 1gen malleissa samat paineet?
Vastaa lainaten
  #212  
Vanha 26.01.2014, 20:24
khonkonen khonkonen ei ole kirjautuneena
Veteraani+
 
Rekisteröitynyt: 08.12.07
Sijainti: Töpsävä, Finland.
Viestit: 1.588
Perusasetus

Lainaus:
Alkuperäinen kirjoittaja Micco Näytä viesti
Näitä kyselinkin jo mitsufoorumilla, mut sieltä en saanu vastausta.

Eli suutinremppa olisi tulossa pajeroon -89- 2.5tdic, ja pari kysymystä siihen liittyen.

Onko kaikissa gen1 pajeroissa samat suuttimet on kone sit 2.3 2.5 td tdi ?
Onko jokin/jotkin sellaisia valmistajia kenen suuttimia kannattaa välttää uusia hommatessa?
Mitkä avautumispaineet kuuluu olla tuossa 2.5 tdi mallissa, onko kaikissa 1gen malleissa samat paineet?
Ei ole samat suuttimet. Niitä on ainaki kahta eri kokoa. Avautumispaine nyt hatusta heitettynä olikohan jotain 160 baria.

Niihin suuttimiinhan saa tarvikeliikkeestä ihan pelkät käretkin, eli ei tarvi koko suuttimia hommata.
__________________
Huono tie, parempi mieli.
Vastaa lainaten
  #213  
Vanha 26.01.2014, 20:37
Micco:n Avatar
Micco Micco ei ole kirjautuneena
Veteraani++
 
Rekisteröitynyt: 08.03.05
Sijainti: Turku, Finland.
Viestit: 1.772
Perusasetus

Jep, pelkät kärjet ostankin uudet. Käytetyt rungot sainkin jo hommattua, niin ei tarvii seisottaa autoa kun vie rungot kärkien vaihtoon.
Vastaa lainaten
  #214  
Vanha 26.01.2014, 21:22
-JoNe-:n Avatar
-JoNe- -JoNe- ei ole kirjautuneena
Aktiivijäsen+++
 
Rekisteröitynyt: 06.06.11
Sijainti: Ilomantsi
Viestit: 446
Perusasetus

onkos gen2 pajeron suutintiivisteiden vaihdossa jotain erikoista/mitä tulisi tietää? koneisto on 2,5 ahdettu diseli vm. -97
__________________
-ISORY OFFROAD-
Vastaa lainaten
  #215  
Vanha 29.01.2014, 20:09
Villeri:n Avatar
Villeri Villeri ei ole kirjautuneena
Konkari+
 
Rekisteröitynyt: 30.06.09
Sijainti: Karvia
Viestit: 612
Perusasetus

1gen pajero kysymys. Diiseliä on kaiketi saanut automaatilla? Automaatin merkki kaiketi Aisin, mutta mikä onpi laatikon malli?
Vastaa lainaten
  #216  
Vanha 30.01.2014, 10:07
pinsiön paroni pinsiön paroni ei ole kirjautuneena
Aloittelija
 
Rekisteröitynyt: 27.02.12
Sijainti: Nokia
Viestit: 18
Perusasetus

Eli kyseessä perus kone vikanen 83vm pätkis, kone ja laatikko aivan vaihtokunnossa , jakolaatikko hyvä. Onko 2.6 litranen isoin moottori vaihtoehto millä tota on saanu? Ku olis tässä muutamia moottori vaihtoehtoja mitä asentais pajeron keulalle, esim takaveto l200 moottori olis tarjolla , meneekö onko moottori malliltaan sama kuin pajeron ? Sitten olis hiluxin 2.4 diisseli laatikkoineen. Onko mahdoton idea laittaa? Myös jos halpa tekniikaltaan toimiva varaosa pajero löytyisi niin saa tarjota!
Vastaa lainaten
  #217  
Vanha 30.01.2014, 18:01
Hautalintu Hautalintu ei ole kirjautuneena
Konkari++
 
Rekisteröitynyt: 15.01.08
Sijainti: Vanha-Ulvila, Western Finland
Viestit: 704
Perusasetus

en äkkiä löytänyt vastausta mistään joten kysyn kokeneemmilta!

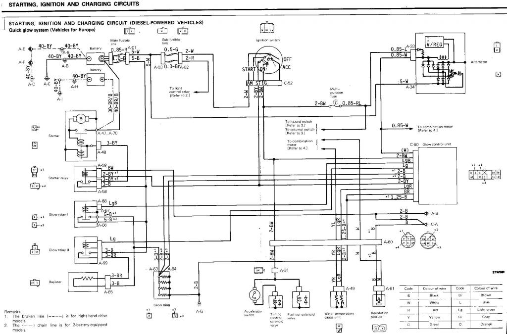
Eli mistä gen1 2,5tdic pajen mittaristo tulkkaa kiekkakellon lukeman? meinaan vaeltelee ja näyttää omiaan mokoma ja se sanalla sanoen häiritsee! pumpulta se kaiketi info tulee mutta minkähän väristä kaapelia/liittimiä pitkin? uskon vahvasti kosketusvian olemassaoloon, mittariston takaa ku heiluttelee johtoi ni ei oo vaikutusta joten vika muualla! seuraavaksi konehuoneen puolelta tarkastelemaan vaan kertokaa joku että mitä?
__________________
GMC Suburban 6.5td -95
Chevrolet Blazer 6.2d -86 "The Black Pearl"
Suzuki SJ413 -86

"Muut tekee mitä osaavat, meillä offareilla on ollu tapana tehä mitä tahdotaan!"

The reason i sin is because there is a stairway to heaven and a Highway to hell and i sure as hell ain't climbing no stairs!!!
Vastaa lainaten
  #218  
Vanha 31.01.2014, 11:12
Micco:n Avatar
Micco Micco ei ole kirjautuneena
Veteraani++
 
Rekisteröitynyt: 08.03.05
Sijainti: Turku, Finland.
Viestit: 1.772
Perusasetus

En ole varma mut ottaisko tiedon laturilta ehkä W johto.

http://forums.offipalsta.com/picture...ctureid=148268

Joku korjatkoon jos parempaa tietoa.
Vastaa lainaten
  #219  
Vanha 31.01.2014, 15:03
Hautalintu Hautalintu ei ole kirjautuneena
Konkari++
 
Rekisteröitynyt: 15.01.08
Sijainti: Vanha-Ulvila, Western Finland
Viestit: 704
Perusasetus

Lainaus:
Alkuperäinen kirjoittaja Micco Näytä viesti
En ole varma mut ottaisko tiedon laturilta ehkä W johto.

http://forums.offipalsta.com/picture...ctureid=148268

Joku korjatkoon jos parempaa tietoa.
Oon mää kans yks lahokallo... Kai ny vois ottaa silmän käteen ja avata ton haynesin korjausoppaan ja vilkuilla tosiaan noita kytkentä kaavioita... Intoo piukassa ostin mokoman kirjan ettei tarvi jokaista pikku juttua olla kyselemässä pitkin poikin pitäjää ja nyt en edes muistanu koko kirjan olemassa oloa... Mä oon niin PRO!
__________________
GMC Suburban 6.5td -95
Chevrolet Blazer 6.2d -86 "The Black Pearl"
Suzuki SJ413 -86

"Muut tekee mitä osaavat, meillä offareilla on ollu tapana tehä mitä tahdotaan!"

The reason i sin is because there is a stairway to heaven and a Highway to hell and i sure as hell ain't climbing no stairs!!!
Vastaa lainaten
  #220  
Vanha 31.01.2014, 21:44
Tomppaa_ Tomppaa_ ei ole kirjautuneena
Konkari+++
 
Rekisteröitynyt: 21.09.11
Sijainti: Tuusula
Viestit: 992
Perusasetus

Syöttöpumpulta ottaa, syöttöpumpussa on siellä sylinterikannen puolella semmonen induktioanturi mikä haistelee pumpun sisällä olevaa hammaspyörää.
__________________
Teoria on sitä että kaikki tiedetään mutta mikään ei toimi
Käytäntö on sitä että kaikki toimii mutta kukaan ei tiedä miksi
Meillä teoria ja käytäntö ovat sekoittuneet siten että mikään ei toimi ja kukaan ei tiedä miksi!
Vastaa lainaten
  #221  
Vanha 31.01.2014, 23:46
Nuhapumppu:n Avatar
Nuhapumppu Nuhapumppu ei ole kirjautuneena
Veteraani++
 
Rekisteröitynyt: 21.08.10
Sijainti: MUHOS
Viestit: 1.777
Perusasetus

Lainaus:
Alkuperäinen kirjoittaja pinsiön paroni Näytä viesti
Eli kyseessä perus kone vikanen 83vm pätkis, kone ja laatikko aivan vaihtokunnossa , jakolaatikko hyvä. Onko 2.6 litranen isoin moottori vaihtoehto millä tota on saanu? Ku olis tässä muutamia moottori vaihtoehtoja mitä asentais pajeron keulalle, esim takaveto l200 moottori olis tarjolla , meneekö onko moottori malliltaan sama kuin pajeron ? Sitten olis hiluxin 2.4 diisseli laatikkoineen. Onko mahdoton idea laittaa? Myös jos halpa tekniikaltaan toimiva varaosa pajero löytyisi niin saa tarjota!
3.0V6 on suurin kone,l200 kone on sama 4d56. Hilun kone ei ole mahdoton,laatikko sen sijaan on vähän ongelmallinen kun etuvedon lähtö on eripuolella ja etuperän siirto on aika työlään näköinen homma,joutuu ö-pohjaa muokkaamaan yms pinetä muttei mikään mahdottomuus.
__________________
Kasataan pitkillä pulteilla ja isoilla rikoilla.
LaMaas ry
www.lamaas.fi
www.lamaas.1g.fi
https://www.facebook.com/LaMaasRy
Vastaa lainaten
  #222  
Vanha 01.02.2014, 12:54
Hautalintu Hautalintu ei ole kirjautuneena
Konkari++
 
Rekisteröitynyt: 15.01.08
Sijainti: Vanha-Ulvila, Western Finland
Viestit: 704
Perusasetus

Lainaus:
Alkuperäinen kirjoittaja Tomppaa_ Näytä viesti
Syöttöpumpulta ottaa, syöttöpumpussa on siellä sylinterikannen puolella semmonen induktioanturi mikä haistelee pumpun sisällä olevaa hammaspyörää.
no perhana, silmät siis suunnataan sinne suunnille! kiitoksia vain.

Jatkokysymys, Onko kukaan tutkinu saako kahta pajeron jakista yhdistettyä eli tehtyä ns. tuplajakista?
__________________
GMC Suburban 6.5td -95
Chevrolet Blazer 6.2d -86 "The Black Pearl"
Suzuki SJ413 -86

"Muut tekee mitä osaavat, meillä offareilla on ollu tapana tehä mitä tahdotaan!"

The reason i sin is because there is a stairway to heaven and a Highway to hell and i sure as hell ain't climbing no stairs!!!
Vastaa lainaten
  #223  
Vanha 01.02.2014, 13:30
neulavuori:n Avatar
neulavuori neulavuori ei ole kirjautuneena
Aktiivijäsen
 
Rekisteröitynyt: 05.07.13
Sijainti: jyväskylä
Viestit: 186
Perusasetus

oma projekti valkoisessa peitteessä "avo tallissa" niin ei motivaatio ole huipussaan
kannet olis oikaistu ja ponnistettu
vielä purettuna pöydällä
kävi mielessä että olisko jotain halpoja hevosia tuohon 3.0 v6
hydraulit ei kovin mahdottomia maksa niin varmaan ne voisi samalla uusia vai onko jotain viri nokaa? jossa samalla keinut/hydraulit tulisi
alavääntöä kaipaisi lisää kun perässä välillä tulee kiskottua parin tonnin koppia

koko moottorin tiiviste sarjan sain hommattua ja harkinnassa alakerrankin laittaminen samaan konkurssiin :P
pelimerkit vaan todella tiukoilla
__________________
(lukihäiriö useasti kirjoituksiini iskee eikä välimerkit löydä paikkojaan)
ajo ja harrastekalustossa seka käyttäjä
projekti kalustoa laidasta laitaa (moni kesken eräisenä mieltä vaivaamassa) autoja, pyöriä, veneitä...
www.nmb.fi
kennel neulavuori(facebookissa)
Vastaa lainaten
  #224  
Vanha 01.02.2014, 19:29
Villeri:n Avatar
Villeri Villeri ei ole kirjautuneena
Konkari+
 
Rekisteröitynyt: 30.06.09
Sijainti: Karvia
Viestit: 612
Perusasetus

mulla olis joutilas 1gen pajeron jakis, päälaatikko löytyy myös mutta se on laakerivammanen.. jakoloota on viimesimmän tiedon mukaan ehjä.

edittiä.. eikun tää loota ei välttämättä olekkaan enää olemassa.. täytyy käydä tonkimassa tuolta yhdestä paikasta mihin meni romuja välijemmaan..

Viimeksi muokannut Villeri : 01.02.2014 21:03
Vastaa lainaten
  #225  
Vanha 01.02.2014, 22:53
mikaelt:n Avatar
mikaelt mikaelt ei ole kirjautuneena
Veteraani+
 
Rekisteröitynyt: 18.11.08
Sijainti: Mikkeli, Otava
Viestit: 1.284
Perusasetus

Lainaus:
Alkuperäinen kirjoittaja Hautalintu Näytä viesti

Jatkokysymys, Onko kukaan tutkinu saako kahta pajeron jakista yhdistettyä eli tehtyä ns. tuplajakista?
Oli kai jollain suunnitteilla kyseinen systeemi, en nyt jaksa hakea, löytyiköhän mitsu palstalta. Jos ei ihan muisti heitä niin Canterin manuaali laatikko oli ekana, sitten jakikset..canterin siksi että on paljon lyhempi.

- Jos ongelmaa on välitysten kanssa, niin ainakin jossain aussi foorumilla oli juttuja jeepin NP231 tai.... no jonku modaamisesta Pajeroon.
__________________
----------------------------------------------

Team Tostanoin Facebookissa

www.maasturistit.fi
www.etsama.com
------Offroad team Over the Hill---------------
Vastaa lainaten
Vastaus

Luokat
pajero


Käyttäjiä lukemassa tätä viestiketjua: 1 (0 jäsentä and 1 vierasta)
 

Pikalinkit

Samanlaisia viestiketjuja
Viestiketju Aloittaja Foorumi Vastauksia Viimeisin viesti
Myyty mitsu pajero huoltoauto 5D PAJERO TURBO STW-L049GW-M-4X4/2700 Hype O/M/V Ajoneuvot 3 16.04.2013 22:45
Pajero miehille kysymyksiä Pauli_Antero Tekniikka & Jutustelu 19 05.11.2011 17:06
PAJERO V6 3.0 Aut.vm.1989 --> Kysymyksiä! TOPPAHOUSU Tekniikka & Jutustelu 5 31.07.2008 10:41
"Voiman tuntu'" Pajero gen2 vs. Pajero gen1 Propulsion Tekniikka & Jutustelu 8 22.04.2008 16:30
Pajero kysymyksiä Juniori83 Tekniikka & Jutustelu 0 28.09.2005 11:20


Sivu luotu: 19:27 (GMT +2).