Offipalsta.COM  

Palaa takaisin   Offipalsta.COM > Off-Road > Tekniikka & Jutustelu

Tekniikka & Jutustelu Yleistä keskustelua maastureihin ja/tai off-roadiin liittyen

Vastaus
 
Työkalut Etsi tästä viestiketjusta Näkymä
  #1  
Vanha 11.03.2017, 07:03
dodge3500 dodge3500 ei ole kirjautuneena
Veteraani+
 
Rekisteröitynyt: 14.01.13
Sijainti: Lompolo
Viestit: 1.342
Perusasetus

Lainaus:
Alkuperäinen kirjoittaja HJ60_Jussi Näytä viesti
Siellä on oikeasti 12v polttimo ja se kestää ehkä 20 vuotta. Meinaatko ledin avulla jatkaa 30 vuotta?
Mun autossa on sit joku vika
Ei kestä kun pari kuukautta

Vastaa lainaten
  #2  
Vanha 12.03.2017, 09:27
HJ60_Jussi HJ60_Jussi ei ole kirjautuneena
Konkari++
 
Rekisteröitynyt: 05.01.06
Sijainti: Haukipudas
Viestit: 847
Perusasetus

Lainaus:
Alkuperäinen kirjoittaja dodge3500 Näytä viesti
Mun autossa on sit joku vika
Ei kestä kun pari kuukautta
Siinä pitäs olla esivastus niissä johdoissa. Alkuperäinen wattilukema pitäs pitää samana tai suurempana.
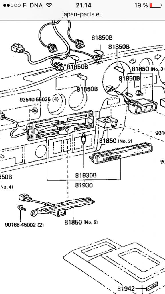
Minäpä katton vähän kytkentäkaaviota ku ehin. Olikos tämä 60 vai 61 ja nappisilmä vai 4 valo. Noissa kaikissa on oma kytkentäkaavionsa ja sitten on vielä erikseen 4 vaihteisen kaavio
Vastaa lainaten
  #3  
Vanha 12.03.2017, 18:53
parukit parukit ei ole kirjautuneena
Aktiivijäsen
 
Rekisteröitynyt: 01.01.13
Sijainti: Ypäjä
Viestit: 145
Perusasetus

Mulla on 61 4-valo. Väitän edelleen että siellä pitäisi olla polttimona 24V3W. Ainakin sellaisen palaneen sieltä pois nyppäsin. Tilalle laitoin samanlaisen kun Salosta Virtasen Moottorilta sellaisen löysin. Hinta 1,70€.
Vastaa lainaten
  #4  
Vanha 12.03.2017, 19:18
JJuuso JJuuso ei ole kirjautuneena
Jäsen
 
Rekisteröitynyt: 05.03.17
Sijainti: Mikkeli
Viestit: 43
Perusasetus

Mistäs ootte tilannu uusia takajarru kilpiä? Ei meinaa mistään löytää enää. Ja muutenkin varaosia? Aika vähän tuntuu varaosaliikkestä saavan..
Vastaa lainaten
  #5  
Vanha 14.03.2017, 07:25
Aparaatti:n Avatar
Aparaatti Aparaatti ei ole kirjautuneena
Aktiivijäsen+
 
Rekisteröitynyt: 13.09.07
Sijainti: Mikkeli
Viestit: 271
Perusasetus

Lainaus:
Alkuperäinen kirjoittaja JJuuso Näytä viesti
Mistäs ootte tilannu uusia takajarru kilpiä? Ei meinaa mistään löytää enää. Ja muutenkin varaosia? Aika vähän tuntuu varaosaliikkestä saavan..
Paikallisesta Toyotaliikkeestä kävin taannoin kysymässä ja ainakin silloin niitä sai sieltä. Hinta oli kohtuullisen korkea siihen nähden että kokonaisia käytettynä täyskevennettyjä lukottomia periä saa edullisesti.

Käytettynä näkyy olevan myynnissä irrallisia sillointällöin.

Edit: Hinta oli 144 € kpl

Viimeksi muokannut Aparaatti : 14.03.2017 07:28 Perustelu: Hintatiedon löytö
Vastaa lainaten
  #6  
Vanha 14.03.2017, 10:04
HJ6085 HJ6085 ei ole kirjautuneena
Aktiivijäsen
 
Rekisteröitynyt: 04.04.08
Sijainti: Mikkeli
Viestit: 122
Perusasetus

Lainaus:
Alkuperäinen kirjoittaja JJuuso Näytä viesti
Mistäs ootte tilannu uusia takajarru kilpiä? Ei meinaa mistään löytää enää. Ja muutenkin varaosia? Aika vähän tuntuu varaosaliikkestä saavan..
Itse löysin Ebaystä uudet taakse, mutta eteen ei ole löytynyt ei sitten mistään. Täytynee askarrella vanhoista.
Vastaa lainaten
  #7  
Vanha 14.03.2017, 18:32
0ltzi:n Avatar
0ltzi 0ltzi ei ole kirjautuneena
Mestari
 
Rekisteröitynyt: 31.12.08
Sijainti: Karjalohja
Viestit: 4.617
Perusasetus

Lainaus:
Alkuperäinen kirjoittaja HJ6085 Näytä viesti
Itse löysin Ebaystä uudet taakse, mutta eteen ei ole löytynyt ei sitten mistään. Täytynee askarrella vanhoista.
siellä ebayssa on käytettyjä kyllä. australiassa, mutta postimaksut on yhtä paljon kun itse osa.

ameriikassa oli ebayssa hdj kilpiä ja ne o hyvin samannäköiset.
Vastaa lainaten
  #8  
Vanha 15.03.2017, 08:51
HJ6085 HJ6085 ei ole kirjautuneena
Aktiivijäsen
 
Rekisteröitynyt: 04.04.08
Sijainti: Mikkeli
Viestit: 122
Perusasetus

Lainaus:
Alkuperäinen kirjoittaja 0ltzi Näytä viesti
siellä ebayssa on käytettyjä kyllä. australiassa, mutta postimaksut on yhtä paljon kun itse osa.

ameriikassa oli ebayssa hdj kilpiä ja ne o hyvin samannäköiset.
Täytyypä surffailla ja etsiskellä myös noita hdj:n kilpiä sitten myös.
Vastaa lainaten
  #9  
Vanha 13.03.2017, 20:17
0ltzi:n Avatar
0ltzi 0ltzi ei ole kirjautuneena
Mestari
 
Rekisteröitynyt: 31.12.08
Sijainti: Karjalohja
Viestit: 4.617
Perusasetus

Lainaus:
Alkuperäinen kirjoittaja parukit Näytä viesti
Mulla on 61 4-valo. Väitän edelleen että siellä pitäisi olla polttimona 24V3W. Ainakin sellaisen palaneen sieltä pois nyppäsin. Tilalle laitoin samanlaisen kun Salosta Virtasen Moottorilta sellaisen löysin. Hinta 1,70€.
kattelin tänää omasta purkuautosta ni siellä oli 12v 3w polttimo
Vastaa lainaten
  #10  
Vanha 13.03.2017, 21:20
vartiainen:n Avatar
vartiainen vartiainen ei ole kirjautuneena
Konkari++
 
Rekisteröitynyt: 12.11.11
Sijainti: Pori
Viestit: 721
Perusasetus

12volttia ja 2w tarjoilee kansainvälinen osaluettelo. Kaikki muut ovatkin sitten 24v ja 3w.
Liitetiedostot
Click image for larger version

Name:	IMG_1663.jpg‎
Views:	169
Size:	79,9 Kt
ID:	77180   Click image for larger version

Name:	IMG_1662.jpg‎
Views:	206
Size:	96,1 Kt
ID:	77181  
__________________
Tiäräksää tuanoi
Vastaa lainaten
Vastaus


Käyttäjiä lukemassa tätä viestiketjua: 1 (0 jäsentä and 1 vierasta)
 
Työkalut Etsi tästä viestiketjusta
Etsi tästä viestiketjusta:

Tarkennettu haku
Näkymä

Pikalinkit

Samanlaisia viestiketjuja
Viestiketju Aloittaja Foorumi Vastauksia Viimeisin viesti
Discovery topic Heguli Chit-Chat 266 21.08.2025 08:39
Huutonet Topic psychobilly Linkit 15 03.03.2016 22:38
Syntymäpäiväonnittelu -topic Skorpioni Chit-Chat 116 02.03.2014 18:32
Flippikeula topic Repro Tekniikka & Jutustelu 14 03.12.2007 21:37


Sivu luotu: 19:22 (GMT +2).