Offipalsta.COM  

Palaa takaisin   Offipalsta.COM > Off-Road > Tekniikka & Jutustelu

Tekniikka & Jutustelu Yleistä keskustelua maastureihin ja/tai off-roadiin liittyen

Vastaus
 
Työkalut Etsi tästä viestiketjusta Näkymä
  #1126  
Vanha 16.10.2016, 20:03
dodge3500 dodge3500 ei ole kirjautuneena
Veteraani+
 
Rekisteröitynyt: 14.01.13
Sijainti: Lompolo
Viestit: 1.342
Perusasetus

Lainaus:
Alkuperäinen kirjoittaja BJ-40/76 Näytä viesti
Minulle on sattunut vastaan:

Siis sähköisesti kytkettävät 100% etu- ja takatasauspyörästöjen lukot on valinnaisvaruste. (suomi vakiovaruste, samoin kuin takalämmityslaite)
-Jos ei ole k.o varustetta, niin takaperässä on kitkalukko, vrt hj-60. ja etuperässä ei mitään lukkoa. (ja muistaakseni takana on rumpujarrut, ei jäähdytetut levyt).

Keskitasauspyörästön (jakolaatikossa) sähköinen 100% lukitus kaikissa, olikohan mallisarjassa vm -93? (92/8->?) on ns. visko-jakis; siis viskolukko lukitsee joustavasti keskitasauspyörästön jakiksesta, kun alkaa sutimaan kunnolla.
Toki näissäkin on tuo 100% mekaaninen sähköinen lukko. (siis en ole lukenukkaan, että tuo kytkin puuttuisi jostain "kravatti-" tms valtiosta...)

Toki J-8 mallisarjassa on myös tuota ns. perinteistä BJ-HJ jakista, siis ilman keskitasauspyörästöä, mutta en ole lukenut, että sitä olisi täälläpäin hdj-80:ssa
Kiitos
Vastaa lainaten
  #1127  
Vanha 18.10.2016, 18:31
Jypppe:n Avatar
Jypppe Jypppe ei ole kirjautuneena
Aktiivijäsen
 
Rekisteröitynyt: 21.04.10
Sijainti: Tampere
Viestit: 168
Perusasetus

Etuperä ja kytkin


Joo siis vetopäällä kuuluu tasainen kolkotus samaa ei esiinny vapaalla tai moottorijarrutuksessa. Olisko perä mahdollisesti hajoamassa?

Ja mikä olis hyvä kytkin paketti luistavan tilalle?
__________________

Vastaa lainaten
  #1128  
Vanha 31.10.2016, 21:17
Eris:n Avatar
Eris Eris ei ole kirjautuneena
Konkari+
 
Rekisteröitynyt: 03.10.07
Sijainti: Suomi
Viestit: 664
Perusasetus

Kickdown vaijeri


Eli potilas on vuosimallin -91 hodari automaattilootalla.Kickdown/throttle cable jumittaa välissä ns.pohjaan kiihdytyksessä.On koitettu öljytä ja hieroa,ei auta.Löytyyköhän tuollaista vaijeria muualta kuin marmorilta?Sen verran jo sain selkoa että laatikon öljypohjan joutuu irroittaan vaijerin vaihtoa varten.
Vastaa lainaten
  #1129  
Vanha 04.11.2016, 00:17
BJ-40/76 BJ-40/76 ei ole kirjautuneena
Legenda
 
Rekisteröitynyt: 11.05.09
Sijainti: Oulu
Viestit: 5.055
Perusasetus

Aika vaikea löytää edes tarvikkeena...


Lainaus:
Alkuperäinen kirjoittaja Eris Näytä viesti
Eli potilas on vuosimallin -91 hodari automaattilootalla.Kickdown/throttle cable jumittaa välissä ns.pohjaan kiihdytyksessä.On koitettu öljytä ja hieroa,ei auta.Löytyyköhän tuollaista vaijeria muualta kuin marmorilta?Sen verran jo sain selkoa että laatikon öljypohjan joutuu irroittaan vaijerin vaihtoa varten.
Marmorilta tuota 25v museoikäistä vaijeria varmaankin löytyy?

Siinä olet oikeassa, että pitää purkaa öljypohja pois.

Jos uutta/tarviketta ei löydy, niin pistä yv. (tuota 442 laatikkoa on halvaantuneena sekä hydraulisesti sekä sähkösesti ohjatuna)
Vastaa lainaten
  #1130  
Vanha 06.11.2016, 22:42
TJI TJI ei ole kirjautuneena
Aloittelija
 
Rekisteröitynyt: 14.09.16
Sijainti: ylöjärvi
Viestit: 17
Perusasetus

Löytyykö keskilukon katkaisijaa varten johdot valmiina kojelaudan alta? Nyt lukko toimii vaan kun laittaa jakolaatikon hitaalla puolelle..
Vastaa lainaten
  #1131  
Vanha 06.11.2016, 23:14
Hessu888:n Avatar
Hessu888 Hessu888 ei ole kirjautuneena
Arvostettu jäsen
 
Rekisteröitynyt: 14.10.07
Sijainti: Finland
Viestit: 2.960
Perusasetus

Lainaus:
Alkuperäinen kirjoittaja TJI Näytä viesti
Löytyykö keskilukon katkaisijaa varten johdot valmiina kojelaudan alta? Nyt lukko toimii vaan kun laittaa jakolaatikon hitaalla puolelle..
Siellä on johdot valmiina. Katkasija vaan kojelautaan kiinni.
Vastaa lainaten
  #1132  
Vanha 07.11.2016, 22:42
TJI TJI ei ole kirjautuneena
Aloittelija
 
Rekisteröitynyt: 14.09.16
Sijainti: ylöjärvi
Viestit: 17
Perusasetus

Kiitos! Tarvii haeskella liitin sieltä jostain.
Vastaa lainaten
  #1133  
Vanha 11.11.2016, 22:58
Killer-Wo:n Avatar
Killer-Wo Killer-Wo ei ole kirjautuneena
Veteraani+
 
Rekisteröitynyt: 20.01.04
Sijainti: Kemi, Finland.
Viestit: 1.655
Perusasetus

Kysymys sähkömiehille. Olen kytkemässä Eberspächeriä hodariin. Nyt pitäis kytkeä sisäpuhaltimen ohjaus. Katkaisenko tuon lämppärin releeltä puhallinmoottorille menevän piuhan. Ilmeisesti sini/keltainen L-Y. Ja tuo kierrätetään eberin kautta takaisin puhallin moottorille. Tuolloinhan siinä toimii nopeussäätö. Eli se nopeus joka autoa sammuttaessa jäi valituksi on myös silloin kun eberi käynnistyy??
ohessa selventävä kuva
Liitetiedostot
Click image for larger version

Name:	eber.png‎
Views:	247
Size:	50,9 Kt
ID:	74616  
Vastaa lainaten
  #1134  
Vanha 12.11.2016, 13:16
Killer-Wo:n Avatar
Killer-Wo Killer-Wo ei ole kirjautuneena
Veteraani+
 
Rekisteröitynyt: 20.01.04
Sijainti: Kemi, Finland.
Viestit: 1.655
Perusasetus

ÅNo ei sitä ainakaan noin voi tehdä miten piirsin. Tuolla kytkennällä menee maihin releen kautta. Mitäpä jos ohjaa tuota relettä eli sähkö tuohon releen napaan 3. Pitääpi kokeilla.
Vastaa lainaten
  #1135  
Vanha 12.11.2016, 15:55
jmk jmk ei ole kirjautuneena
Veteraani+
 
Rekisteröitynyt: 08.11.15
Sijainti: Miehikkälä
Viestit: 1.453
Perusasetus

Ei mitään varmaa tietoa, mutta muistaakseni jossain oli että puhallin pyörii 1-nopeudella webaston käydessä ettei tyhjennä heti akkua
Vastaa lainaten
  #1136  
Vanha 12.11.2016, 17:04
Killer-Wo:n Avatar
Killer-Wo Killer-Wo ei ole kirjautuneena
Veteraani+
 
Rekisteröitynyt: 20.01.04
Sijainti: Kemi, Finland.
Viestit: 1.655
Perusasetus

Toimii se sittenkin niin kuten suunittelin. Eli tuon kuvan mukaan. Vaihtorele estää ettei virta mene tuonne rrleelle päin. Mut nopeus säätö ei toimi, eli pyörii samaa vauhtia kokoajan. Mulla on vx mallin nopeus valinta eli napeilla. En tiiä johtuuko siitä
Vastaa lainaten
  #1137  
Vanha 12.11.2016, 19:26
Mika_T Mika_T ei ole kirjautuneena
Veteraani++
 
Rekisteröitynyt: 13.11.07
Sijainti: N/A
Viestit: 1.780
Perusasetus

Itellä sama homma edessä webaston kans.

Webaston oma johtosarja on semmonen että se antaa releen kautta plussan webaston omasta johtosarjasta, eli sitä ei kytketä mihinkään "väliin"
Toki sekin onnistuu jos puukottaa sen johtosarjan.

Mutta killerwon linkkamasta kuvasta tuli ahaaelämys... Onko tuo nopeussäätövastus maapuolella?
Ite ajattelin kytkeä tuon webaston antaman puhallinjännitteen etuvastuksen ykkösnastaan mutta eipä se onnistukkaan jos tuo etuvastus on tosiaan maapuolella.

Toinenkin onkkelma ois. Mikä on hyvä kytkinpaketti tuolle 275mm vauhtipyörälle? Nyt on uudenkarhea (~40tkm ajettu) tamgearsin paketti joka ei pidä vedätyksessä, ja alkaa luistaa heti kun hipaiseekin kytkinpoljinta.

Viimeksi muokannut Mika_T : 12.11.2016 19:46
Vastaa lainaten
  #1138  
Vanha 12.11.2016, 20:24
Killer-Wo:n Avatar
Killer-Wo Killer-Wo ei ole kirjautuneena
Veteraani+
 
Rekisteröitynyt: 20.01.04
Sijainti: Kemi, Finland.
Viestit: 1.655
Perusasetus

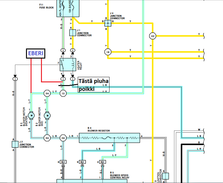
Oheisessa linkissä http://htftp.offroadsz.com/marinhake...g_Diagram2.pdf sivulla 94 löytyy kytkentä kaavio.

Maapuolella tuo vastus on. Jos kytken sähkön tuohon Heater Relay nastaan 3 niin silloin toimii nopeussäätö. Haittapuolena että kun 3 nastaan kytkee virran niin se on sama asia kun vääntäisi virta-avaimen asentoon IG1. En tiiä onko siitä haittaa. Pitäis mitata kuinka paljon tuolloin ottaa virtaa, jottei akut tyhjenis ihan heti.

No jos joku sähkö speliasti kertoon miten tuo kannattaa kytkeä jotta nopeussäätö toimii kun eberi kytkee sähköt puhaltimelle.
Liitetiedostot
Click image for larger version

Name:	heater.jpg‎
Views:	204
Size:	71,8 Kt
ID:	74623  
Vastaa lainaten
  #1139  
Vanha 15.11.2016, 13:59
Hessu888:n Avatar
Hessu888 Hessu888 ei ole kirjautuneena
Arvostettu jäsen
 
Rekisteröitynyt: 14.10.07
Sijainti: Finland
Viestit: 2.960
Perusasetus

Tuli vastaan mielenkiintoinen ja halpa parannus hodariin ja muihinkin takalevyllisiin cruisereihin, joissa käsijarrusta ei saa aina hyvää vaikka kaikki osat ois uutta:

Tuolla juttua ja kuvia:

http://www.tlocuk.co.uk/forums/viewt...3830f3f301956c

Pitää testata tuota lähiaikoina kun ongelmana on itellä sellanen, että kaikki osat on uutta ja kengät on säädetty just ja just irti rummusta, mutta vipua saa kääntää aivan tolkuttomasti, ennen kuin kenkä alkaa liikkumaan ja sitten kun liikkuu, niin ottaa vain pieneltä pinta-alalta kiinni. Käsijarrukahvaa on käytännössä turha edes yrittää säätää, se nousee vipujen tyhjän liikkeen takia aivan ylös.
Vastaa lainaten
  #1140  
Vanha 15.11.2016, 14:47
BENJAMIN BENJAMIN ei ole kirjautuneena
Aktiivijäsen++
 
Rekisteröitynyt: 07.08.09
Sijainti: Kemiönsaari
Viestit: 361
Perusasetus

Lainaus:
Alkuperäinen kirjoittaja Hessu888 Näytä viesti
Tuli vastaan mielenkiintoinen ja halpa parannus hodariin ja muihinkin takalevyllisiin cruisereihin, joissa käsijarrusta ei saa aina hyvää vaikka kaikki osat ois uutta:

Tuolla juttua ja kuvia:

http://www.tlocuk.co.uk/forums/viewt...3830f3f301956c

Pitää testata tuota lähiaikoina kun ongelmana on itellä sellanen, että kaikki osat on uutta ja kengät on säädetty just ja just irti rummusta, mutta vipua saa kääntää aivan tolkuttomasti, ennen kuin kenkä alkaa liikkumaan ja sitten kun liikkuu, niin ottaa vain pieneltä pinta-alalta kiinni. Käsijarrukahvaa on käytännössä turha edes yrittää säätää, se nousee vipujen tyhjän liikkeen takia aivan ylös.
Toimii. Yleensä on tullut hitsattua vähän lisää siihen haarukan väliin.
Ja toimii se rumpujarruihin samalla tavalla.
Vastaa lainaten
  #1141  
Vanha 15.11.2016, 18:20
TJI TJI ei ole kirjautuneena
Aloittelija
 
Rekisteröitynyt: 14.09.16
Sijainti: ylöjärvi
Viestit: 17
Perusasetus

Lainaus:
Alkuperäinen kirjoittaja Hessu888 Näytä viesti
Siellä on johdot valmiina. Katkasija vaan kojelautaan kiinni.
Yritin haeskella liitintä, mutta en löytänyt..
Vastaa lainaten
  #1142  
Vanha 15.11.2016, 21:55
Killer-Wo:n Avatar
Killer-Wo Killer-Wo ei ole kirjautuneena
Veteraani+
 
Rekisteröitynyt: 20.01.04
Sijainti: Kemi, Finland.
Viestit: 1.655
Perusasetus

Tuo central difflocki liitin löytyy radion vasemmalta puolen. Kyllä se siellä on mutta voi olla hieman piilossa.

Tuo lämmityslaitteen ohjaus Eberillä ratkesi. Sulaketaulun takana keltainen johto jossa hopeita pisteitä. Piuha lähtee GAUGE 10A sulakkeelta, kun antaa herätteen niin lämmityslaite ja lämpötilansäätimet ja ilmapeltien ohjaukset toimii.
Liitetiedostot
Click image for larger version

Name:	sulake.PNG‎
Views:	210
Size:	964,6 Kt
ID:	74700  
Vastaa lainaten
  #1143  
Vanha 16.11.2016, 11:50
TJI TJI ei ole kirjautuneena
Aloittelija
 
Rekisteröitynyt: 14.09.16
Sijainti: ylöjärvi
Viestit: 17
Perusasetus

Lainaus:
Alkuperäinen kirjoittaja Killer-Wo Näytä viesti
Tuo central difflocki liitin löytyy radion vasemmalta puolen. Kyllä se siellä on mutta voi olla hieman piilossa.

Tuo lämmityslaitteen ohjaus Eberillä ratkesi. Sulaketaulun takana keltainen johto jossa hopeita pisteitä. Piuha lähtee GAUGE 10A sulakkeelta, kun antaa herätteen niin lämmityslaite ja lämpötilansäätimet ja ilmapeltien ohjaukset toimii.
Tarvii tutkia lisää.. otin radion irti ja nypin katkaisijat irti, mutta silti jäi löytymättä.. luulis että tulee samaa johtosarjaa ECT napin ja antennin nosto ja lasku napin kanssa.
Vastaa lainaten
  #1144  
Vanha 16.11.2016, 14:47
141:n Avatar
141 141 ei ole kirjautuneena
Aktiivijäsen++
 
Rekisteröitynyt: 18.11.13
Sijainti: P-Savo
Viestit: 352
Perusasetus

Lainaus:
Alkuperäinen kirjoittaja TJI Näytä viesti
Tarvii tutkia lisää.. otin radion irti ja nypin katkaisijat irti, mutta silti jäi löytymättä.. luulis että tulee samaa johtosarjaa ECT napin ja antennin nosto ja lasku napin kanssa.
http://www.off-road.com/trucks-4x4/t...iew-53202.html
__________________
HJ61 -90 Käyttis
HJ61 -87 projekti
HJ61 -88 Projekti
HDJ80 -93 Käyttis
BJ75 -86 Projektijonossa
HJ60 -88 Varaosa
HJ60/61 -88 -myyty
Vastaa lainaten
  #1145  
Vanha 16.11.2016, 17:24
TJI TJI ei ole kirjautuneena
Aloittelija
 
Rekisteröitynyt: 14.09.16
Sijainti: ylöjärvi
Viestit: 17
Perusasetus

Lainaus:
Alkuperäinen kirjoittaja 141 Näytä viesti
No helvetti.. ei ihme että meni sormi suuhun 😛kiitos avusta!
Vastaa lainaten
  #1146  
Vanha 27.11.2016, 19:34
Mika_T Mika_T ei ole kirjautuneena
Veteraani++
 
Rekisteröitynyt: 13.11.07
Sijainti: N/A
Viestit: 1.780
Perusasetus

Paljonko porukka on pitänyt hodarin etupäässä aurausta?

Tuo oma vähän haeskelee tienpäällä ja jos tienlaidassa on lunta ja ajolinja ajautuu sinne niin tahtoo aina haukata aika reippaasti ojaanpäin.

Keulaa korotettu 50mm joten alkaa olla siinä ja siinä että kaipaisi jo casterkulman korjaustakin.

Nivelistä en välyksiä löytänyt.

Viimeksi muokannut Mika_T : 27.11.2016 19:45
Vastaa lainaten
  #1147  
Vanha 28.11.2016, 18:01
BENJAMIN BENJAMIN ei ole kirjautuneena
Aktiivijäsen++
 
Rekisteröitynyt: 07.08.09
Sijainti: Kemiönsaari
Viestit: 361
Perusasetus

Lainaus:
Alkuperäinen kirjoittaja Mika_T Näytä viesti
Paljonko porukka on pitänyt hodarin etupäässä aurausta?

Tuo oma vähän haeskelee tienpäällä ja jos tienlaidassa on lunta ja ajolinja ajautuu sinne niin tahtoo aina haukata aika reippaasti ojaanpäin.

Keulaa korotettu 50mm joten alkaa olla siinä ja siinä että kaipaisi jo casterkulman korjaustakin.

Nivelistä en välyksiä löytänyt.
Vähän samat oireet .Jos on lunta tiellä tai urainen tie niin tahtoo hakea.
Aurausta on koitettu 0 - 3 mutta ei mitään vaikutusta.En tiedä pitäiskö olla vielä enemmän ? Casteria vähän lisätty mutta ei sekään auttanut.
Olisko sitten se renkaan leveys kun sen tekee.
Vastaa lainaten
  #1148  
Vanha 28.11.2016, 20:55
rattimies rattimies ei ole kirjautuneena
Aktiivijäsen++
 
Rekisteröitynyt: 21.07.09
Sijainti: Ingå
Viestit: 348
Perusasetus

Lainaus:
Alkuperäinen kirjoittaja BENJAMIN Näytä viesti
Vähän samat oireet .Jos on lunta tiellä tai urainen tie niin tahtoo hakea.
Aurausta on koitettu 0 - 3 mutta ei mitään vaikutusta.En tiedä pitäiskö olla vielä enemmän ? Casteria vähän lisätty mutta ei sekään auttanut.
Olisko sitten se renkaan leveys kun sen tekee.
Onko sulla tukivarsien ja panhardin puslat missä kunnossa? Mulla kun oli toinen panhardin pusla edessä kulunut niin aiheutti sen että jo puuskainen sivutuuli teki ajamisesta rasittavaa. Tien urista puhumattakaan.
Vastaa lainaten
  #1149  
Vanha 28.11.2016, 21:18
BENJAMIN BENJAMIN ei ole kirjautuneena
Aktiivijäsen++
 
Rekisteröitynyt: 07.08.09
Sijainti: Kemiönsaari
Viestit: 361
Perusasetus

Puslat ja muut kunnossa. Ohjausiskari ja vakaajan kumit tuli vaihdettu,ei muutosta.
Veto päällä tuntuis menevän paremmin .
Vastaa lainaten
  #1150  
Vanha 28.11.2016, 21:36
Mika_T Mika_T ei ole kirjautuneena
Veteraani++
 
Rekisteröitynyt: 13.11.07
Sijainti: N/A
Viestit: 1.780
Perusasetus

Lainaus:
Alkuperäinen kirjoittaja BENJAMIN Näytä viesti
Olisko sitten se renkaan leveys kun sen tekee.
Vanteen ET ja renkaan leveys varmasti vaikuttaa mutta ihmetyttää kun porukka kehuu näitä että kulkevat "kuin juna" tiellä.
Ei mulla vaan...
Ei nyt mitään mahdottomia vetelyjä ole mutta niin että melkein kokoajan saa ohjata johonkinpäin.

Alla nyt 10x15" ET-35 35/12.5/15

Viimeksi muokannut Mika_T : 28.11.2016 21:39
Vastaa lainaten
Vastaus


Käyttäjiä lukemassa tätä viestiketjua: 1 (0 jäsentä and 1 vierasta)
 
Työkalut Etsi tästä viestiketjusta
Etsi tästä viestiketjusta:

Tarkennettu haku
Näkymä

Pikalinkit

Samanlaisia viestiketjuja
Viestiketju Aloittaja Foorumi Vastauksia Viimeisin viesti
4Runnerin omistajat tänne Daddy's Toy Chit-Chat 34 12.10.2022 09:51
Suzukin omistajat tänne Suzukisj410K Chit-Chat 260 17.06.2015 12:01
Pehmolelukoiran omistajat tänne!!! baxxter Chit-Chat 16 24.05.2013 20:27
Jeepin Omistajat Tänne KössiKenguru Chit-Chat 114 03.10.2012 19:02
BULLTERRIERIN omistajat tänne! Urbancityboy Chit-Chat 14 20.09.2009 18:30


Sivu luotu: 13:58 (GMT +2).