Offipalsta.COM  

Palaa takaisin   Offipalsta.COM > Off-Road > Tekniikka & Jutustelu
Rekisteröidy Offiblogit Yhteisö Kalenteri Viestit tänään Haku

Tekniikka & Jutustelu Yleistä keskustelua maastureihin ja/tai off-roadiin liittyen

Vastaus
 
Työkalut Etsi tästä viestiketjusta Näkymä
  #4601  
Vanha 03.05.2018, 04:31
nurtsa:n Avatar
nurtsa nurtsa ei ole kirjautuneena
Aktiivijäsen+
 
Rekisteröitynyt: 23.03.14
Sijainti: eurajoki
Viestit: 221
Perusasetus

Lainaus:
Alkuperäinen kirjoittaja Maksaa Näytä viesti
Onko kukaan korin noston yhteydessä nostanu jakista ylemmäs? Vinkkejä ja kuvia tukiraudan ratkaisuista?
Ite nostin siten että jakolaatikon viimeisen kannen päälle pulttasin 4-5 mm levyn. (Metallipajassa polttivat sopivan muodon kun vein tiivisteen malliksi ja piirsivät koneelle kuvan). Sitten vaan korvien tekoon ja jotkut kumit rungon ja levyn väliin. Nostin noin 5cm. Kone omalla paikalla. Tuli maavaraa aikas paljon lisää kun sai ottaa hilun oman laatikon palkin pois. Taka akselin kannatinlaakerin kannattaa samalla kääntä hiukan muuten ei kestä kauaa
Vastaa lainaten
  #4602  
Vanha 08.05.2018, 09:04
VW Taro:n Avatar
VW Taro VW Taro ei ole kirjautuneena
Konkari++
 
Rekisteröitynyt: 29.09.09
Sijainti: Sastamala "Äetsä"
Viestit: 783
Perusasetus

Mistä ootte ostellut uusia tuulilaseja Ln110 korimalliin?
Vastaa lainaten
  #4603  
Vanha 11.05.2018, 00:11
Lonely Rider Lonely Rider ei ole kirjautuneena
Aktiivijäsen
 
Rekisteröitynyt: 23.09.10
Sijainti: Hämeenlinna, Suomi
Viestit: 124
Perusasetus

Lainaus:
Alkuperäinen kirjoittaja -MaTTi- Näytä viesti
Paras budjettiversio vaihtaa iskarit säädettävällä alalautasen paikalla oleviin Bilsteineihin (5100): https://www.bilsteincanada.com/pdf/5100.pdf
Vaikka täältä: http://www.4x4proyect.com/parts/bils...es-b8-shock/en
Kuinkahan paljon noilla bilsteinin säädetävillä viittisi etupäätä korottaa? Paperi sanoo että sokka kolmannessa pykälässä korottaa noin 1,75 tuumaa ja sokka neljännessä pykälässä noin 2,5 tuumaa. Muistaakseni 2 tuumaa pidetään max. korotuksena jos ja kun etuperää ei lasketa. Vai onko se ylipäänsä kuinka kriittinen tämän tyyppisellä korotustavalla Toisaalta meinasin laittaa nuo iskarit ryhdikkäiden mutta 10 v vanhojen jousien kanssa, se ehkä antaa hiukan anteeksi maksimiin korottaessa kun jouset lienevät karvan verran painuneet ajan kuluessa.
Vastaa lainaten
  #4604  
Vanha 11.05.2018, 16:01
sirrom sirrom ei ole kirjautuneena
Aktiivijäsen+
 
Rekisteröitynyt: 20.05.14
Sijainti: uusimaa
Viestit: 272
Perusasetus

Tuulilasi


Lainaus:
Alkuperäinen kirjoittaja VW Taro Näytä viesti
Mistä ootte ostellut uusia tuulilaseja Ln110 korimalliin?
Kuttilan autolasi salon-someron välissä vaihtavat saman hintaan käden käänteessä
Vastaa lainaten
  #4605  
Vanha 17.05.2018, 06:33
Maksaa Maksaa ei ole kirjautuneena
Jäsen
 
Rekisteröitynyt: 29.10.15
Sijainti: Imatra,
Viestit: 95
Perusasetus

Onkos tietoa minkä korkuiset on alkuperäset kannake kumit lavan ja rungon välissä, ln110.
Vastaa lainaten
  #4606  
Vanha 19.05.2018, 21:48
Jappi Jappi ei ole kirjautuneena
Sankari
 
Rekisteröitynyt: 04.04.08
Sijainti: Puolanka
Viestit: 3.852
Perusasetus

Lainaus:
Alkuperäinen kirjoittaja Maksaa Näytä viesti
Onkos tietoa minkä korkuiset on alkuperäset kannake kumit lavan ja rungon välissä, ln110.
Tarkkaa tietoa ei ole kun ei autoa enää ole mutta olikohan siellä kumeja ensinkään? Jos oli niin sentti tai alle, varmuudella vähemmän kuin hytin alla.
__________________
Joku tahtoo vaihtaa nimeään, jos se siihen jää tiedetään,
Se joku tahtoo olla ihminen,
Minä en!

Timo Rautiainen & Neljäs sektori
Vastaa lainaten
  #4607  
Vanha 20.05.2018, 19:36
amatyyr amatyyr ei ole kirjautuneena
Jäsen
 
Rekisteröitynyt: 31.07.17
Sijainti: Ylivieska
Viestit: 97
Perusasetus

Mikä tämä on? Sijaitsee dee-kupin c-pilarin sisällä takaturvavyön rullan yläpuolella ilman ulostuloaukossa, kuva otettu alhaalta ylöspäin pilarin sisään. Tuota heilutellessa ulostuloritilä heiluu myös, eli ovat samaa palikkaa. Kopista ei oikein pääse ilma pois, voisiko tuo olla jotenkin tukossa tms?


- amatyyr -
Liitetiedostot
Click image for larger version

Name:	20180520_183410.jpg‎
Views:	339
Size:	24,4 Kt
ID:	85546  
Vastaa lainaten
  #4608  
Vanha 21.05.2018, 07:29
TAA1000:n Avatar
TAA1000 TAA1000 ei ole kirjautuneena
Jäsen
 
Rekisteröitynyt: 08.10.08
Sijainti: Hausjärvi
Viestit: 76
Question

Laturin pihat


Moro,

Elikkäs on menny piuha poikki laturille, jännitteensäätimeen menevästä liittimestä aivan juuresta. (Kulkine on juuri "täysikänen" LN170) Saakos noita liittimiä mistään muuten kuin ostamalla johtosarjan kokonaan? Koitin korjata juottamalla siihen olemattomaan nysään piuhan kiinni, mutta ei oo tarpeeksi tartuntaa tullakseen varmaksi ja toimivaksi. Motonetin yhdestä yleismallin liittimestä voisi onnistua modaamaan jonkinlaisen räpellyksen, mutta kyllä oikeanlainen olisi aina paras vaihtoehto.

EDIT. Tulipa mieleen, että tietysti vois vetää joka karvaan oman liittimen päähän ja tuikata kiinni ja ruutata kuumaliimaa tuo jännitteensäätimen pesä sitten täys. Vois ehkä jopa toimia ja eikä tärinästä irtoa liittimet :P
Liitetiedostot
Click image for larger version

Name:	Liitin.JPG‎
Views:	181
Size:	10,3 Kt
ID:	85550   Click image for larger version

Name:	Jsaadin.JPG‎
Views:	228
Size:	17,2 Kt
ID:	85551  

Viimeksi muokannut TAA1000 : 21.05.2018 08:44
Vastaa lainaten
  #4609  
Vanha 21.05.2018, 21:25
TAA1000:n Avatar
TAA1000 TAA1000 ei ole kirjautuneena
Jäsen
 
Rekisteröitynyt: 08.10.08
Sijainti: Hausjärvi
Viestit: 76
Exclamation

Laturin heräte


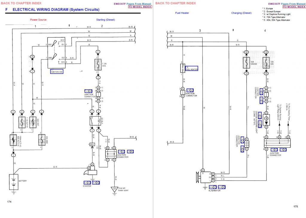
Ja jatkokyssäriä... tuusasin sen kuumaliima"liittimen" ja vaikuttaa aika pätevälle ja varmalle ratkasulle. Mutta, mutta, heräte on kateissa. Saako mistään netin syövereistä tuon kulkineen kytkentäkaavioo? En äkkiseltään mistään semmosta löytäny.
Vastaa lainaten
  #4610  
Vanha 22.05.2018, 09:14
TAA1000:n Avatar
TAA1000 TAA1000 ei ole kirjautuneena
Jäsen
 
Rekisteröitynyt: 08.10.08
Sijainti: Hausjärvi
Viestit: 76
Question

Kytkäri?


Tämä lienee oikea kytkäri (LN170 2L-T)?
Liitetiedostot
Click image for larger version

Name:	kytkariHiluxLN170.jpg‎
Views:	425
Size:	68,0 Kt
ID:	85567  

Viimeksi muokannut TAA1000 : 22.05.2018 09:21
Vastaa lainaten
  #4611  
Vanha 23.05.2018, 21:16
TAA1000:n Avatar
TAA1000 TAA1000 ei ole kirjautuneena
Jäsen
 
Rekisteröitynyt: 08.10.08
Sijainti: Hausjärvi
Viestit: 76
Unhappy

Ongelma jatkuu...


Eli lataus systeemit olis nyt käyty läpi ja laturi latailee ok (vedin viimesen pätkän tuota herätepiiriä uudella johdolla). Ilmaantui uusi murhe, onkohan muilla oirehtinu samoin? Nyt pääsulake kojahtaa lähes heti kun antaa pikkusenkin kierroksia koneelle Epäilyni alkaa kohdistua joko startin puolelle tai jos jompi kumpi akku on sisäisesti saanu kipeetä/ollu tekovikanen ja kennot liian lähekkäin tms. Tähän päätelmään tulin siitä syystä, että nähtävästi(?) startti sekä latauspiiri on suoraan tuon pääsulakkeen takana, kaikilla muilla on oma pienempi paukkunsa (ja kaikki säilyvät ehjinä).

Ideoita/kokemuksia/vinkkejä? Alkaa pikkusen jo puuduttaa tuon kikottinmen ympärillä häärääminen.
Vastaa lainaten
  #4612  
Vanha 24.05.2018, 04:45
2,4TD 2,4TD ei ole kirjautuneena
Konkari+++
 
Rekisteröitynyt: 26.03.09
Sijainti: Pori
Viestit: 853
Perusasetus

Miksi startti sulakkeen polttaisi auton käydessä ja kierroksia antaessa?
Omasta Ln170 oli startti loppu jossain 600tkm kohdilla eikä sulakkeiden päälle käynyt. Jos startatessa palaisi niin silloin startti,eikös akut saa eliminoitua akkulaturilla niin on testattu sekin vaihtoehto.
Vastaa lainaten
  #4613  
Vanha 24.05.2018, 06:03
TAA1000:n Avatar
TAA1000 TAA1000 ei ole kirjautuneena
Jäsen
 
Rekisteröitynyt: 08.10.08
Sijainti: Hausjärvi
Viestit: 76
Perusasetus

Lainaus:
Alkuperäinen kirjoittaja 2,4TD Näytä viesti
Miksi startti sulakkeen polttaisi auton käydessä ja kierroksia antaessa?
Omasta Ln170 oli startti loppu jossain 600tkm kohdilla eikä sulakkeiden päälle käynyt. Jos startatessa palaisi niin silloin startti,eikös akut saa eliminoitua akkulaturilla niin on testattu sekin vaihtoehto.
Laturi ja startti on ainoot jotka menee suoraan tuon pääsulakkeen 100A läpi, siitä ajattelin (jos startilta jää jotakin "päälle" startin jälkeen)... Akut testaan tänään jahka kerkiän -> yksi kiinni ja testiin vuorotellen. Tuskin molemmat on sisäisesti "sököjä" (kuitenkin n. 1v vanhat Bosch:it)

Sehän on selvää että jossain on "maavuoto" joka nostaa virran liian suureksi kierroksia nostaessa (laturissahan jännite nousee vähän kierroksia antaessa ehkä juuri riittävästi, että virta kasvaa riittävästi polttamaan tuon sulakkeen).

Ei jaksais kyllä ruveta johtosarjan vaihtourakkaan...

Tulipa käytyä auton alla myös möyrimässä ja sieltä paljastu lisää "kivaa". On naftalinjat pehminny jo sen verran, että tihkuu naftaa läpitte. Onko tuommonen kova pneumatiikkaletku hyvää linjoihin? ainakin sitä ois nopee vedellä sinne eikä mätäne

EDIT: Eipäs muuten taida starttikaan mennä suoraan tuon 100A sulakkeen läpi suoraan...

Viimeksi muokannut TAA1000 : 24.05.2018 07:50
Vastaa lainaten
  #4614  
Vanha 24.05.2018, 10:10
Sumsar Sumsar ei ole kirjautuneena
Konkari++
 
Rekisteröitynyt: 18.04.16
Sijainti: Kempele, Suomi
Viestit: 733
Perusasetus

Startti ottaa semmoiset 500-700A hetkellisesti startatessa. Yleensä aina akulta suora kaapeli startille.
Vastaa lainaten
  #4615  
Vanha 25.05.2018, 06:53
TAA1000:n Avatar
TAA1000 TAA1000 ei ole kirjautuneena
Jäsen
 
Rekisteröitynyt: 08.10.08
Sijainti: Hausjärvi
Viestit: 76
Question

Mysteeri jatkuu/ratkesi


Testailin akut ja olivat ok. Mutta mystinen sähkövika tuntuu korjaantuneen kuin itsestään Enää ei pääsulake napsahda vaikka antaakin kierroksia.

Tämä ei voi olla mikään syy siihen että pääsulake napsahti kun antoi kierroksia, mutta ainut asia mikä oli toisin kun testailin eilen oli se että olin vaihtanut molemmat kulmaparkit Nuo ei kyllä millään muotoa voi olla tuollaisen häiriön aiheuttaja se vain ei voi olla mahdollista...
Vastaa lainaten
  #4616  
Vanha 25.05.2018, 21:50
TAA1000:n Avatar
TAA1000 TAA1000 ei ole kirjautuneena
Jäsen
 
Rekisteröitynyt: 08.10.08
Sijainti: Hausjärvi
Viestit: 76
Question

Naftalinja


https://www.ikh.fi/fi/nylonputki-6x8...m-pa12-nl62006
Onko tuo käypää naftalinjan putkeksi?
Vastaa lainaten
  #4617  
Vanha 29.05.2018, 16:40
Luoppis Luoppis ei ole kirjautuneena
Veteraani
 
Rekisteröitynyt: 17.01.10
Sijainti: Asikkala
Viestit: 1.157
Perusasetus

Luulisi tuon letkun dieseliä kestävän jos rasvarin linjanakin on käypästä?
__________________
100% hiilineutraali vuoteen 2086 mennessä
Vastaa lainaten
  #4618  
Vanha 30.05.2018, 06:23
TAA1000:n Avatar
TAA1000 TAA1000 ei ole kirjautuneena
Jäsen
 
Rekisteröitynyt: 08.10.08
Sijainti: Hausjärvi
Viestit: 76
Perusasetus

Lainaus:
Alkuperäinen kirjoittaja Luoppis Näytä viesti
Luulisi tuon letkun dieseliä kestävän jos rasvarin linjanakin on käypästä?
Jees, siellä ne ny on asennettuna ja kulkine taas tuntuu pelittävän. Vieläkin mietityttää mikä häiriö tuossa oli....
Vastaa lainaten
  #4619  
Vanha 01.06.2018, 06:22
TAA1000:n Avatar
TAA1000 TAA1000 ei ole kirjautuneena
Jäsen
 
Rekisteröitynyt: 08.10.08
Sijainti: Hausjärvi
Viestit: 76
Question

Mystinen vika palasi...


Eilen kärähti jälleen pääsulake

Eli nyt alkaa olemaan jo keinot loppu, mitä kannattaisi tehdä ja mistäpäin lähteä etsimään tuota mystistä sähkövikaa. Kun ei ole hirmuisesti autosähkömiehen vikaa niin kyllä aikaa alkaa palamaan kun tuota vikaa metsästää. Tietty kun vetäis kaikki sähköt uusiksi niin silloin ainakin tulisi käytyä joka liitin ja maadoitus käytyä läpi (ei vaan jakasaisi ryhtyä moiseen urakaan).
Vastaa lainaten
  #4620  
Vanha 10.06.2018, 16:30
vmatti vmatti ei ole kirjautuneena
Aloittelija
 
Rekisteröitynyt: 24.12.11
Sijainti: siikajoki
Viestit: 21
Perusasetus

Tte boksi


Löytyiskö keltään kuvaa tte:n tehoboksista/liittimistä ku pari johtoa 'punanen ja oranssi' on poikki ja niiden paikat on hakusessa
Vastaa lainaten
  #4621  
Vanha 16.06.2018, 14:18
mako76 mako76 ei ole kirjautuneena
Aktiivijäsen
 
Rekisteröitynyt: 15.07.14
Sijainti: Jossain
Viestit: 115
Perusasetus

Imusarja


Tarttis putsaa tuo imusarja, minkähänlainen homma tuo on? Onko vaan
Purkaen ja puhdistus ja osat takas vai tartteeko ottaa jotain huomioon?
Ja kannattaako tuo egr tulpata/pitääkö ohjelmoida jotain?
Potilas on vm. 08 hiluxi 2.5.
Vastaa lainaten
  #4622  
Vanha 17.06.2018, 20:30
Luoppis Luoppis ei ole kirjautuneena
Veteraani
 
Rekisteröitynyt: 17.01.10
Sijainti: Asikkala
Viestit: 1.157
Perusasetus

Lainaus:
Alkuperäinen kirjoittaja mako76 Näytä viesti
Tarttis putsaa tuo imusarja, minkähänlainen homma tuo on? Onko vaan
Purkaen ja puhdistus ja osat takas vai tartteeko ottaa jotain huomioon
Youtubessa volkkarin miehet on putsailleet irroitettua imusarjaa uuninpuhdistusaine + painepesuri menetelmällä.
__________________
100% hiilineutraali vuoteen 2086 mennessä
Vastaa lainaten
  #4623  
Vanha 17.06.2018, 21:38
Buuhiz Buuhiz ei ole kirjautuneena
Jäsen
 
Rekisteröitynyt: 12.10.17
Sijainti: Pertteli
Viestit: 59
Perusasetus

Itse puhdistin VAG:n 1.9TDI:stä imusarjan viime vuonna. Iso astia johon upottaa imusarja, vettä ja viemärinavausrakeita. Imusarja astiaan upoksiin ja välillä hoonaa kanavia pulloharjalla tms. Seosta voi vahvistaa vaikka kaatamalla viemärinavausnestettä imusarjan läheisyyteen. Kaikki moska lähti imusarjasta, toimii siis.
__________________
Toyota Hilux LN65 -87
VW passat 3C -09
Vastaa lainaten
  #4624  
Vanha 17.06.2018, 22:56
mako76 mako76 ei ole kirjautuneena
Aktiivijäsen
 
Rekisteröitynyt: 15.07.14
Sijainti: Jossain
Viestit: 115
Perusasetus

Joo noi liemet kyllä tiedossa mitä porukka käyttänyt/ suositellut, mut onko
Jotain mitä pitää ottaa huomioon kun purkaa osiksi tai kun laittaa takas kasaan ja tuo egr homma kans mietinnässä mitä tekis.
Vastaa lainaten
  #4625  
Vanha 19.06.2018, 12:38
mako76 mako76 ei ole kirjautuneena
Aktiivijäsen
 
Rekisteröitynyt: 15.07.14
Sijainti: Jossain
Viestit: 115
Perusasetus

Eli ei mitään ihmeellistä ilmeisesti? Tuota imusarjaa koskien.
Vastaa lainaten
Vastaus


Käyttäjiä lukemassa tätä viestiketjua: 2 (0 jäsentä and 2 vierasta)
 

Pikalinkit

Samanlaisia viestiketjuja
Viestiketju Aloittaja Foorumi Vastauksia Viimeisin viesti
hdj`iin joudet l´j 70´seen käykö?? henteri Tekniikka & Jutustelu 20 02.03.2008 20:02
LN 65 Hiluksiin korotus jouset? -Ville- Tekniikka & Jutustelu 8 20.02.2008 21:15
käykö HDJ:n jouset LJ:hin? Jari_M Tekniikka & Jutustelu 2 23.05.2007 20:24
M: HiLux LN65 jouset+muutakin, JOUSET MYYTY! A45 O/M/V Varaosat ja tarvikkeet 2 25.04.2006 18:14
MISTÄ UUDET JOUSET BJ40:seen =>Käykö Hj 60 jouset? Tekniikka & Jutustelu 7 03.12.2004 21:34


Sivu luotu: 19:33 (GMT +2).