Offipalsta.COM  

Palaa takaisin   Offipalsta.COM > Off-Road > Tekniikka & Jutustelu
Rekisteröidy Offiblogit Yhteisö Kalenteri Viestit tänään Haku

Tekniikka & Jutustelu Yleistä keskustelua maastureihin ja/tai off-roadiin liittyen

Vastaus
 
Työkalut Etsi tästä viestiketjusta Näkymä
  #1  
Vanha 05.10.2017, 18:36
JV73 JV73 ei ole kirjautuneena
Veteraani+
 
Rekisteröitynyt: 06.11.05
Sijainti: Ulvila, Finland.
Viestit: 1.252
Perusasetus

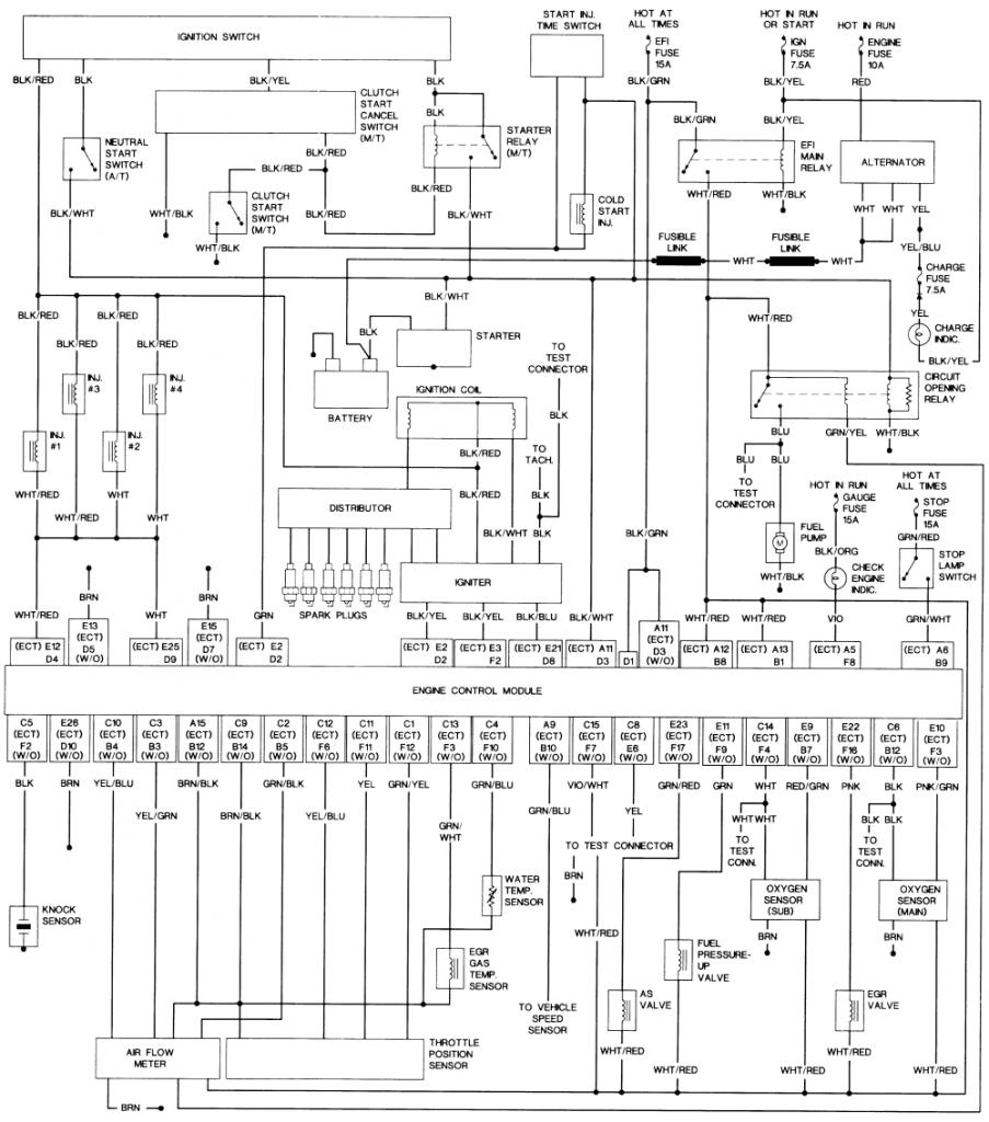
22RE Tojotan kytkentä kaaviot


Otsikon mukaisen EFI moottorin kytkentä kaaviota vailla, sattuisko jollakulla löytymään?

__________________
WWW.RASKAS.FI
Vastaa lainaten
  #2  
Vanha 05.10.2017, 22:21
Arska:n Avatar
Arska Arska ei ole kirjautuneena
Veteraani+
 
Rekisteröitynyt: 09.07.04
Sijainti: Valtimo, Finland.
Viestit: 1.710
Perusasetus

Lainaus:
Alkuperäinen kirjoittaja JV73 Näytä viesti
Otsikon mukaisen EFI moottorin kytkentä kaaviota vailla, sattuisko jollakulla löytymään?
Tuossa pari. Pitäis löytyä myös paperisena toyotan alkuperäinen kytkis, tutkin huomenna asiaa.
Liitetiedostot
Click image for larger version

Name:	22re-ecu-wiring-diagram-with-schematic.jpg‎
Views:	247
Size:	213,9 Kt
ID:	81452   Click image for larger version

Name:	0900c152800610f4.jpg‎
Views:	210
Size:	138,0 Kt
ID:	81453  
Vastaa lainaten
  #3  
Vanha 10.10.2017, 22:48
tdi:n Avatar
tdi tdi ei ole kirjautuneena
Veteraani++
 
Rekisteröitynyt: 16.03.09
Sijainti: Kotipaikka
Viestit: 1.793
Perusasetus

Tuosta kytkentäkaavat

https://docs.google.com/open?id=0ByB...EMxOVFtLVdSdXc

Ja kaikkee muutakin
http://www.hilux4x4.co.za/manual/

Viimeksi muokannut tdi : 10.10.2017 22:53
Vastaa lainaten
  #4  
Vanha 11.10.2017, 07:16
JV73 JV73 ei ole kirjautuneena
Veteraani+
 
Rekisteröitynyt: 06.11.05
Sijainti: Ulvila, Finland.
Viestit: 1.252
Perusasetus

No eiköhän näillä rupee luonaamaan.
__________________
WWW.RASKAS.FI
Vastaa lainaten
Vastaus


Käyttäjiä lukemassa tätä viestiketjua: 1 (0 jäsentä and 1 vierasta)
 

Pikalinkit

Samanlaisia viestiketjuja
Viestiketju Aloittaja Foorumi Vastauksia Viimeisin viesti
Ostettu 22re/22rte jimex77 O/M/V Varaosat ja tarvikkeet 0 26.08.2017 20:12
Ostetaan 22RE virranjakaja Ab3 O/M/V Varaosat ja tarvikkeet 0 27.02.2017 17:39
Ostettu 22RE johtosarja A.I O/M/V Varaosat ja tarvikkeet 1 30.04.2015 20:23
Ostettu Tojo 22RE -MAZA- O/M/V Varaosat ja tarvikkeet 2 23.02.2011 15:24
22RE TPS Mikko Virtanen Tekniikka & Jutustelu 2 18.10.2005 12:48


Sivu luotu: 16:18 (GMT +2).