Offipalsta.COM  

Palaa takaisin   Offipalsta.COM > Osto ja myynti > O/M/V Varaosat ja tarvikkeet
Rekisteröidy Offiblogit Yhteisö Kalenteri Viestit tänään Haku

O/M/V Varaosat ja tarvikkeet Autojen varaosat, sekä kaikki offitarvikkeet - vinssit, liinat, tunkit yms. tänne osastolle.

 
 
Työkalut Etsi tästä viestiketjusta Näkymä
  #1  
Vanha 19.10.2015, 15:06
pyyvama pyyvama ei ole kirjautuneena
Aktiivijäsen+
 
Rekisteröitynyt: 26.06.03
Sijainti: Teisko, Finland.
Viestit: 222
Perusasetus

Volvon flektin etummainen "nivel"


Ostetaan

Moro!

Mäyriksestä on flektin akselin ja ropellin välisestä nivelestä kumit korkannu eli semmonen
pitäs saada uus. Olisko kellään?

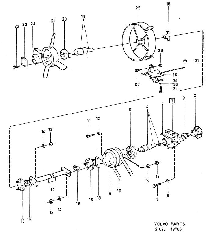
Soon tossa kuvassa toi numero 15.

Matti

050 562 3789
matti piste pyyvaara ät gmail piste com

Ostetaan

Liitetiedostot
Click image for larger version

Name:	VolvonFlekti.JPG‎
Views:	116
Size:	69,4 Kt
ID:	64562  
Vastaa lainaten
 


Käyttäjiä lukemassa tätä viestiketjua: 1 (0 jäsentä and 1 vierasta)
 

Pikalinkit

Samanlaisia viestiketjuja
Viestiketju Aloittaja Foorumi Vastauksia Viimeisin viesti
Myyty Lapikkaita 34"-35" Volvon vanteilla hoojii O/M/V Renkaat ja vanteet 8 02.09.2014 20:49
Myydään Volvon 700 sarjan "Turbo mallin aluvanteet." välijäähdytin O/M/V Renkaat ja vanteet 1 04.11.2012 13:11
Ostettu Toyotan mekaanisenvinssin ja kardaanin välinen nivel "murtosokka nivel" karppa2 O/M/V Varaosat ja tarvikkeet 2 27.09.2011 16:56
Ostettu "OSTETTU" HJ 60 vinssin ja kardaanin välinen nivel Blown_BBC O/M/V Varaosat ja tarvikkeet 0 18.10.2010 13:25
Myydään Volvon ketjuja uusia/uudenveroisia 33"-35" renkaille PIRSSI O/M/V Varaosat ja tarvikkeet 4 25.01.2009 13:53


Sivu luotu: 18:43 (GMT +2).