Offipalsta.COM

Offipalsta.COM (https://forums.offipalsta.com/index.php)
-   Tekniikka & Jutustelu (https://forums.offipalsta.com/forumdisplay.php?f=150)
-   -   3.3 Patrollin sähkö kuvia (https://forums.offipalsta.com/showthread.php?t=99930)

tapsa4x4 04.08.2012 11:28

3.3 Patrollin sähkö kuvia
 
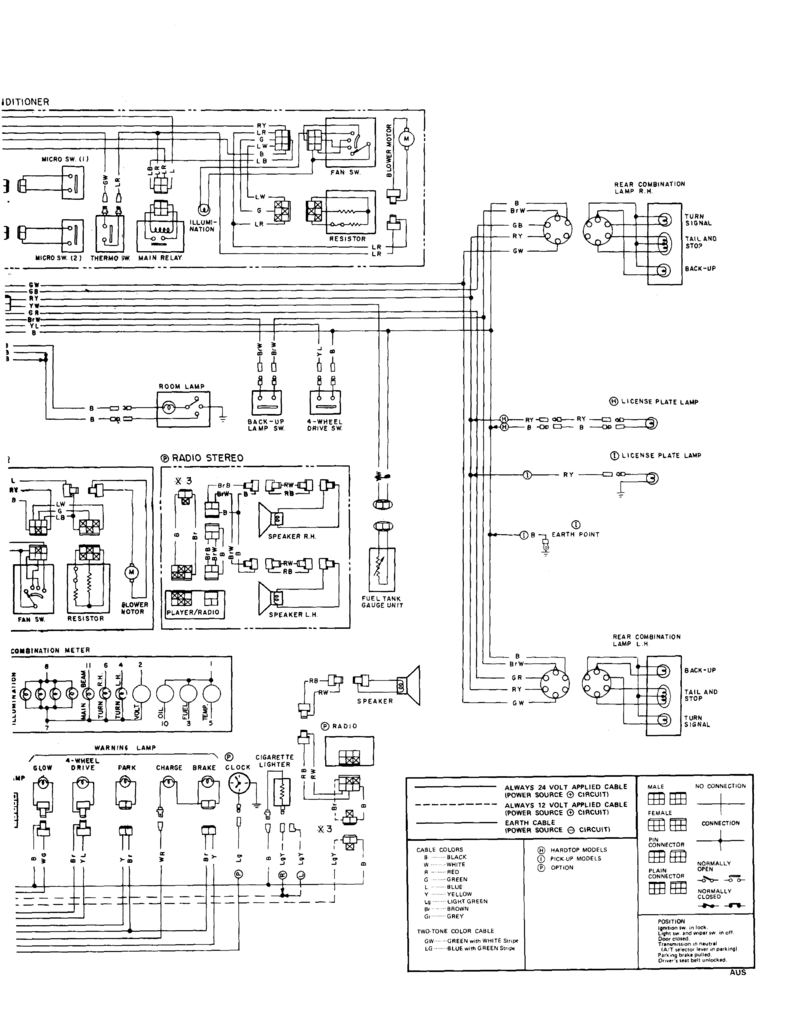
Oliskohan kellään hyvä laatuisia sähkökaavioita kun netissä löytyy huono versio josta ei saa mitään tolkkua kun sen tulostaa.

oska80 04.08.2012 13:08

Tässä olis.

http://forums.offipalsta.com/picture...ctureid=110682

http://forums.offipalsta.com/picture...ctureid=110683

http://forums.offipalsta.com/picture...ctureid=110684

Jos haluat tarkempana nämä, niin laita mailiosoite niin lähetän.

_Jape_ 04.08.2012 13:42

mulla on jossain, pitää ettiä.

miilu 04.08.2012 20:37

Lainaus:

Alkuperäinen kirjoittaja tapsa4x4 (Viesti 903588)
Oliskohan kellään hyvä laatuisia sähkökaavioita kun netissä löytyy huono versio josta ei saa mitään tolkkua kun sen tulostaa.

itelläni löytyy muistaakseni syöttöpumppuun/ sammuttimeen liittyvät kuvat.laitan kuvat kunhan eka harjoittelen skannauksen :confused: ja saan kuvat tänne oikean kokoisina

matti.v 05.08.2012 09:57

täältä,törkeä vinkkaus suoraan kartse1:n albumiin: http://forums.offipalsta.com/album.php?u=6581
tuolta patrol linkin alta löytyy.


Sivu luotu: 19:24 (GMT +2).