Offipalsta.COM

Offipalsta.COM (https://forums.offipalsta.com/index.php)
-   Tekniikka & Jutustelu (https://forums.offipalsta.com/forumdisplay.php?f=150)
-   -   suikkeli 2l v6 (https://forums.offipalsta.com/showthread.php?t=65182)

TERO79 02.11.2009 22:03

suikkeli 2l v6
 
ei kellään sattuis olee sähkökaavioita suzukin 2lit. v6 moottorista

-MAKE- 02.11.2009 23:43

Lainaus:

Alkuperäinen kirjoittaja TERO79 (Viesti 609551)
ei kellään sattuis olee sähkökaavioita suzukin 2lit. v6 moottorista

Ostitko sen koneen vihreestä vitarasta? Voin kertoa, ettei oo ihan helppo löytää niitä kuvia mutta onnea.:p

Kartse1 03.11.2009 00:11

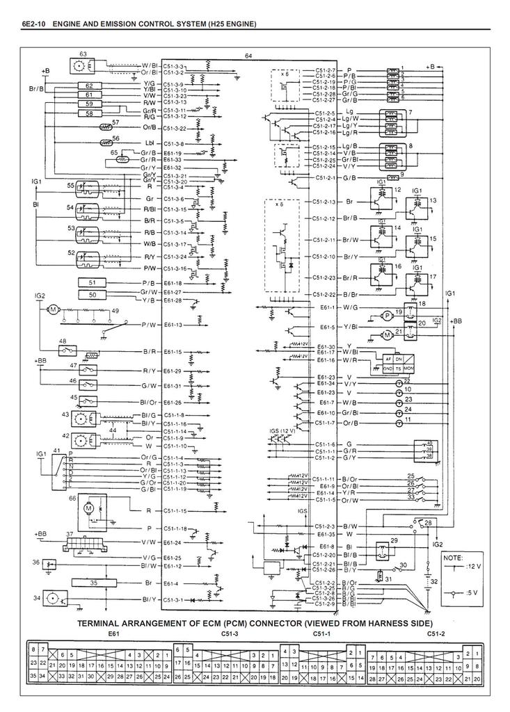
Tuon H25 koneen kytkentäkaaviot löytyy ihan Vitaran omasta korjauskäsikirjasta,
jonka voi imuroida vaikka täältä:

http://forums.bauchan.org/portal/downloads.php?dcid=9


http://forums.offipalsta.com/picture...ictureid=44119

http://forums.offipalsta.com/picture...ictureid=44120

-MAKE- 03.11.2009 00:19

Eikös toi H25 ole 2,5 litranen?
Tää mjoottori on puol litraa pienempi.

Kartse1 03.11.2009 00:33

Toi nyt oli ainoa v6 kone Vitaralla. Kaikki pienemmät oli 4-sylinterisiä, ainakin noissa kirjoissa.
Yleensä noissa lähes samankokoisissa koneissa on samanlaiset johtosarjat.

Edit: Autodata näyttääkin, että 1995 tuli Vitaraan tuo 2.0L H20A 6-mukinen kone. Kait sillekin löytyy omat manuaalinsa... :D

-MAKE- 03.11.2009 00:47

Tiedä sitten vaikuttaako asiaan mutta toi motti, jos on se miksi luulen, on alun perin grand vitarasta. Ehkäpä toisen moottorin manuaali päteekin siihen mutta me ei uskallettu alkaa vääntämään sitä kasalle eri koneen ohjeilla.

Kartse1 03.11.2009 01:00

Hmmm... Mielenkiintoista...

Grand Vitaran 2.0L kone onkin näköjään 4-mukinen ja tyyppiä J20A.
6-mukinen on tyyppiä H25A ja on juurikin tuo 2.5L kone.

Jossain on annettu virheellistä tietoa... :D

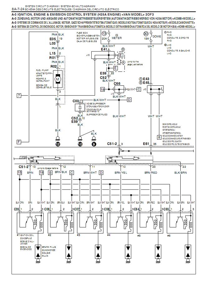
Edit: Tällainen?

http://forums.offipalsta.com/picture...ictureid=44121

http://forums.offipalsta.com/picture...ictureid=44122

http://forums.offipalsta.com/picture...ictureid=44123

http://forums.offipalsta.com/picture...ictureid=44124

http://forums.offipalsta.com/picture...ictureid=44125

http://forums.offipalsta.com/picture...ictureid=44126

TERO79 03.11.2009 20:56

joo kyllä samasta koneesta puhutaan . meinasin rueta sitä sj410 sovittamaan


Sivu luotu: 22:48 (GMT +2).