Offipalsta.COM

Offipalsta.COM (https://forums.offipalsta.com/index.php)
-   Tekniikka & Jutustelu (https://forums.offipalsta.com/forumdisplay.php?f=150)
-   -   Kellään TARKEMPAA tietoa vinssin sähköistä?? (https://forums.offipalsta.com/showthread.php?t=55690)

juha_t 31.01.2009 10:38

Kellään TARKEMPAA tietoa vinssin sähköistä??
 
Niin mietin vaan tossa että oisko jollain linkkiä tohon vinssin kytkentäkuvaan jossa näkyy tarkemmin toi kytkentä.
Releen kärjet ja moottorin käämitykset periaatekuvissa ois sellanen mitä haen.

Noita peruskuvia kyl löyty ihan tuhottomasti mut niistä ei selviä tarpeeks tarkkaan.

Yritin ettiä mutta en löytäny mistään, ja sikäli kiinnostas että miten ne on kämitty ja miten releissä noi kärjet liikkuu...

Jos jollain on tietoa kuvista tai periaatteesta ni oisin kiitollinen siitä.

Ite oon sähkö/automaatiomies ni varmaan sen takii kiinnostas toi sähköpuolen toiminta tossa vinssissä paremmin.:confused:

-MAKE- 31.01.2009 12:29

Kuvaa ei oo mutta koitetaan.

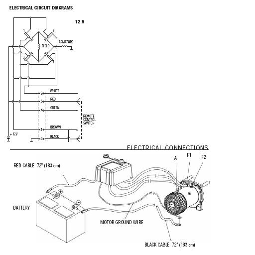
Vinssin moottori on sarjamoottori. Eli magnetointi- ja roottorikäämit on kytketty sarjaan. Pyörimissuunta vaihtuu kun toisen käämin napaisuus vaihdetaan. Vinsseissä käännellään magnetointivirtaa eli liittimien F1 ja F2 kytkentää. Toiseen suuntaan mentäessä F1:ssä on + ja F2 liittyy roottorikäämitykseen A jonka toinen pää on maassa. Kun suuntaa vaihdetaan niin F1 ja F2 eli magnetointikäämin päät vaihtaa paikkojaan.

Suunnanvaihdon mekaniikkaa on kahta yleistä tyyppiä. Ehkä yleisempi on käyttää kahta vaihtokoskettimilla varustettua solenoidia. Ja toinen tapa jota ainakin Warn käyttää on pistää 4 on/off tyyppistä solenoidia.

Jossain warnin manuaalissa oon nähnyt oikein kytkentäkuvankin, kai se jostain löytyy interwebistäkin.

juha_t 31.01.2009 15:12

Joo kiitos infosta.

Kyl tolla jo jotain käsitystä saa,
mut niinku yleinen sanonta kuluu että kuva olis kiva.

Jostain syystä en netistä löytäny kunnollista kuvaa.
Ne oli vaan sellasia peruskuvia mut kaipais tarkempaa...

ttimonen 31.01.2009 15:44

Tässä Warn Taborin sähkökuva:

http://koti.mbnet.fi/terot/Vinssin%2...f6t/Kytkis.jpg

Jari 17.09.2009 22:26

up, kuva ei toimi

JSJ 18.09.2009 06:19

Tuossa on joskus kaverille piirtämäni rullaverhon nosto lasku sähkökuva, ei varmaan paljoa tuo vinssin kytkentä tuosta eroa:
http://www.paha.net/sekalaista/vinssi.gif

-MAKE- 18.09.2009 08:27

JSJ:n kuvassa on erilainen dc-mottori kuin vinsseissä käytetään. Löysin sen aiemmin mainitsemani warnin manuaalin ja sieltä löytyy tuo neljän on-off solenoidin kytkentä.
http://forums.offipalsta.com/picture...ictureid=40482
http://www.warn.com/truck/winches/sr...EMIUM_read.pdf

Toinen vaihtoehto comeupista.
Kuva on vähän vaikeaselkoinen mutta nuo solenoidit yhdistävät lepotilassa solenoidin päässä olevat nastat ja vetäneenä yhdistyy sivuilla olevat nastat. Eli kun toinen vetää niin siitä solenoidista menee virta roottorikäämille (F1 tai F2) kyljessä olevan nastan kautta ja magnetointivirta A:han menee toisen solenoidin päätynastan kautta.
http://forums.offipalsta.com/picture...ictureid=40483
http://www.comeupwinch.com/download/DV-6000-15000.pdf


Sivu luotu: 09:10 (GMT +2).