Offipalsta.COM

Offipalsta.COM (https://forums.offipalsta.com/index.php)
-   Tekniikka & Jutustelu (https://forums.offipalsta.com/forumdisplay.php?f=150)
-   -   Patrol 3.3 sähköt (https://forums.offipalsta.com/showthread.php?t=167791)

SamiN 25.05.2022 08:48

Patrol 3.3 sähköt
 
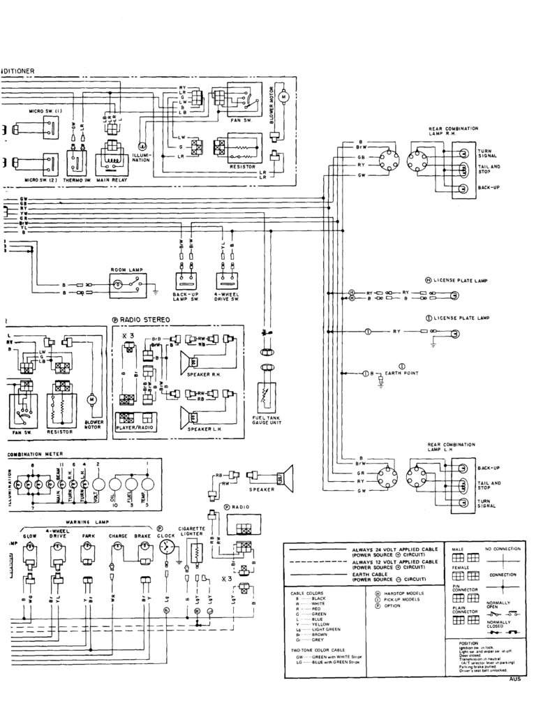
Uhrina joku -85 vm patrol 3.3 offi käytös..

Mittaristo kuoli, mitä kautta laturin heräte menee?

Sähköinen sammutin ei toimi sekään..

Lerssinen 25.05.2022 18:12

METER sulake ?

SamiN 26.05.2022 23:23

Mikä? Ei oo tietoo mikä sulake on mikäkin..

Kartse1 27.05.2022 19:01

https://forums.offipalsta.com/pictur...ctureid=210061

https://forums.offipalsta.com/pictur...ictureid=23819

https://forums.offipalsta.com/pictur...ictureid=23820

https://forums.offipalsta.com/pictur...ictureid=23821


Sivu luotu: 20:17 (GMT +2).