Offipalsta.COM

Offipalsta.COM (https://forums.offipalsta.com/index.php)
-   O/M/V Varaosat ja tarvikkeet (https://forums.offipalsta.com/forumdisplay.php?f=177)
-   -   Ostettu GAZ66 nokan ratas (https://forums.offipalsta.com/showthread.php?t=128073)

-Jarkko- 27.09.2014 21:37

GAZ66 nokan ratas
 
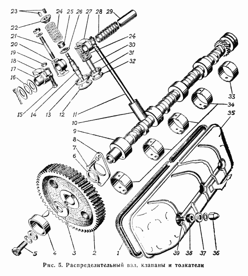
Eli tuollainen nokkaa pyörittävä pakeliittiratas pitäisi jostain löytää, kun entisestä kadonneet hampaat:(
Tähän moottoriin kun tuskin löytyy teräksisistä viriratasta:rolleyes:

Kuvassa osa numero 2

http://forums.offipalsta.com/picture...ctureid=163164

Yv, tekstarilla tai soittoa... Tai vinkkiä tähän jatkoksi tai tuonne http://forums.offipalsta.com/showthr...17#post1164117

045 170 98 08 Jarkko

ZAU 27.09.2014 21:39

Löydätkö osa numeroa tuolle jostain.

-Jarkko- 27.09.2014 21:44

Lainaus:

Alkuperäinen kirjoittaja ZAU (Viesti 1164120)
Löydätkö osa numeroa tuolle jostain.

Koitan kaivella numeron...

-Jarkko- 27.09.2014 22:02

Olisikohan se tuo 13-1006020 tai 13-1005020 Kun ei saa selvää kuvasta.

Zoomasin tuosta kun ei parempaa just nyt löytynyt.

http://forums.offipalsta.com/picture...ctureid=163165

Jari 27.09.2014 22:10

eiks jollain olllut koko pata just myynnis?

ZAU 27.09.2014 22:11

Tutkin varastoa josko olisi tuollainen hyllyssä.

ZAU 28.09.2014 19:22

Eipä tullut vielä vastaan,olisko mouhijärvenmiehellä:confused:


Sivu luotu: 11:34 (GMT +2).