Offipalsta.COM

Offipalsta.COM (https://forums.offipalsta.com/index.php)
-   Tekniikka & Jutustelu (https://forums.offipalsta.com/forumdisplay.php?f=150)
-   -   Suzuki sj410 differentialsperre (https://forums.offipalsta.com/showthread.php?t=125641)

Ju5u 09.07.2014 20:43

Suzuki sj410 differentialsperre
 
Tuli ostettua tuossa sj410 jossa varusteena kabiinista kytkettävä perän lukko, oletteisin sen olevan alkuperäinen.
Miten sellainen pelaa? (kun pelaa, mulla ei pelaa)
Onko kestävä?
Räjäytyskuvaa moisesta?

Palex 09.07.2014 20:47

Lainaus:

Alkuperäinen kirjoittaja Ju5u (Viesti 1144843)
Tuli ostettua tuossa sj410 jossa varusteena kabiinista kytkettävä perän lukko, oletteisin sen olevan alkuperäinen.
Miten sellainen pelaa? (kun pelaa, mulla ei pelaa)
Onko kestävä?
Räjäytyskuvaa moisesta?

Voihan se olla että sulla on sellainen überharvinainen original lukko, mutta ei olis eka kerta kun joku luulee voiman ulosoton kahvaa lukon kytkentävivuksi...:rolleyes:

Saattaa räjäytyskuva jostain koneen syövereistä kyllä tarvittaessa löytyäkin...

Ju5u 09.07.2014 20:51

Lainaus:

Alkuperäinen kirjoittaja Palex (Viesti 1144846)
Voihan se olla että sulla on sellainen überharvinainen original lukko, mutta ei olis eka kerta kun joku luulee voiman ulosoton kahvaa lukon kytkentävivuksi...:rolleyes:

Saattaa räjäytyskuva jostain koneen syövereistä kyllä tarvittaessa löytyäkin...

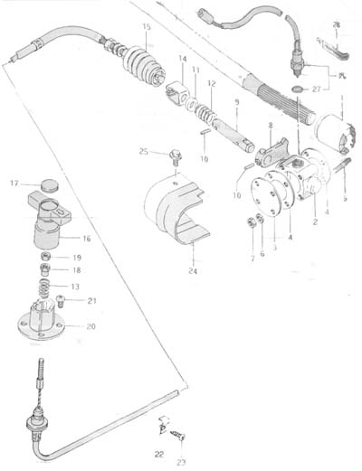
Kabiinissa penkkien välissä on semmonen 10cm kahva jota kääntämällä tuo differentialsperre vieressä olevan kuvan mukaan kytketään päälle. vivusta menee vaijeri taka-akseliin.

Palex 09.07.2014 20:58

Ok, kyllä sulla sitten siellä se lukko on. Onneksi olkoon myös harvinaisuudesta!:cool: Vähän veikkaisin, että täällä ei taida kovin paljon kokemusta löytyä lukon kestävyydestä, juurikin harvinaisuutensa vuoksi.

Mutta tässä kuitenkin räjäytyskuvaa. Tuo oikeassa reunassa näkyvä lukkoholkki siis vain kaikessa yksinkertaisuudessaan liikkuu pitkäboorisen vetarin päällä vaijerin toimesta.
http://forums.offipalsta.com/picture...ctureid=158489

Ju5u 09.07.2014 21:08

Kiitos kuvasta. Harvinainen lukko majailee umpimädässä paperittomassa mökkilelussa:). Katotaan saako helpolla pelaamaan...


Sivu luotu: 07:28 (GMT +2).