Offipalsta.COM

Offipalsta.COM (https://forums.offipalsta.com/index.php)
-   Maasturiprojektit (https://forums.offipalsta.com/forumdisplay.php?f=180)
-   -   Porttaali jooppi (https://forums.offipalsta.com/showthread.php?t=71407)

kares 25.04.2010 20:57

Porttaali jooppi
 
Tehdääs nyt tästäkin joku tarina tänne ,eli aihiona toimii -88 wrangleri johon istutetaan tänään vihdoin ja viimein haetut mitkä lie belaruksen vai minkä aksulat noi on ku köyhä ei pystyny muitakaa ostaan ja kone huoneeseen istutetaan jotain V muodossa oleva sylinteriryhmää ja alle aluks ainakin mogsun vanhat 39.5" irokit millä äkkiseltään mitattuna raideleveys lähentelee 2300mm akseliväli ajatus jotain 2600-2700mm luokkaa...
Rauhallisesti edetään ku suosuitsaa siinä sivussa tehdään tai sitten tai sitte tätä sen sivussa mutta tähän koitetaan käyttää vähän muutakin kuin kempin pultteja...
Ja aihiohan oli siis tämä minkä linttala jo kurastikin ku patrollilla sitä revittiin pitkin peltoja ja etuloksuunki tuli eka klommo jo (:
http://forums.offipalsta.com/picture...ictureid=57883

Ja belaruksen vai minkä lie porttaalit nää oli ja joku vaihdelaatikkokin mukana tuli (;
http://forums.offipalsta.com/picture...ictureid=57884

VooDoo Jeep 25.04.2010 21:26

Noi akseli välit ei sit käy jos halut pitää ton simpukkaohjauksen myös, 2500mm niin sit saat pidettyä simpukkaohjauksen myös;)

kares 25.04.2010 21:43

Lainaus:

Alkuperäinen kirjoittaja VooDoo Jeep (Viesti 664145)
Noi akseli välit ei sit käy jos halut pitää ton simpukkaohjauksen myös, 2500mm niin sit saat pidettyä simpukkaohjauksen myös;)

Voi kamala kyllä simpukka lentää kuubaan ,etuakselissa oli jo hytikka sylinterikin kii mutta oli niin raju kiinnitys et muokkaillaan sitä eli orbiohjaus tulee...

kares 01.05.2010 21:00

Tänään vois sanoo että tää projekti ikäänkuin nytkähti liikkeelle viimein ku päivällä ensin tekniikka pois...
http://forums.offipalsta.com/picture...ictureid=58166

Ja sitten ehtoosti takas ku jappe tuli hakeen jakolaatikon ni rälläköittin jousivermeet ,tankin ym ylimääräset joutavat pois rungosta nii pääsee sitten asemoimaan aksuloita ja lodjua ku ne valmiit...
http://forums.offipalsta.com/picture...ictureid=58165

Eli seuraavaks laatikon ja kartaaniputkien kimpuun ja aksuloista rumpujarruvermeet pois ,terapialeluja vaa liikaa pihassa ni pakkaa aika meneen niitten kans mut eiköhän tää tästä ala etenee...

jappe 01.05.2010 21:26

Tänään
 
Kävinpä tuota tänään kattomassa. Hyvänoloinen koppa. Laatikko on jo tallilla :)

kares 02.05.2010 14:17

Tänään tuli vähän aksuloista revittyy irti kaiken moista turhaa ja suunnitella vähän minkä mittasta akselivälii sais väsäiltyy...
Etuaksulaan pulttasin irokit kii ja leveähän siittä näillä gummeilla eli sen vatimattoman 2300mm ):
http://forums.offipalsta.com/picture...ictureid=58216

Taka-aksulasta irrottelin kans jotain mut tarvii happisahaa näyttää sille ku on klootattu vähän rajumpaa rautaa siihen ja toinen porttaali oli irti ku myyjän puheiden mukaan oli irrottanut ja kattellu laakerinummeroita että saa moggiinsa tilailla tai jotain ja toista porttaalii vähä tutkailin ku vaikutti et krohisis mut oliki vaa soraa kotelon ja pyörän navan välis...
http://forums.offipalsta.com/picture...ictureid=58218

Irto osia...
http://forums.offipalsta.com/picture...ictureid=58219

http://forums.offipalsta.com/picture...ictureid=58217

Ja sitten tuli yhtäkki hokastuu että jotain oleellista puuttuu akseliputkien päästä eli se "klomppi" millä saa putket naitettuu laatikkooon ja inspiraatio hävis samalla tälle päivälle...

Repro 02.05.2010 15:01

Lainaus:

Alkuperäinen kirjoittaja kares (Viesti 665761)

Ihan jytäkät tukivarret! :D

kares 02.05.2010 16:20

Lainaus:

Alkuperäinen kirjoittaja Repro (Viesti 665774)
Ihan jytäkät tukivarret! :D

Mallimerkki on Kalmar (;

kares 22.05.2010 15:49

Nyt alko näkyä valoa tunnelin päässä tämänkin projektin suhteen ku löyty puuttuvat kartaaniputkien kiinnitys palikat(tarelle SUURI kiitos niistä) ja sitä myöten inspiraatiokin ja eilen ehtoosti kerkesin alottaa laatikon tekoa tai paremminkin vasta purkua mutta kuitenkin...

Vähän vielä noistakin rattaita ja siirtäjiä pois ja pientä sorvausta ym ni kyllä se siittä syntyy isolla ja pikkupuolella varustettuna...
http://forums.offipalsta.com/picture...ictureid=60080

Jonkun verran rojua jo poiskin kyllä...
http://forums.offipalsta.com/picture...ictureid=60081

Kartaani putket poikkastu mutta akseli väli ajatus vielä päänupissa vaiheessa mutta 2700mm ajatus jos osus edes liki,ei vaan millää muista minkä pitunen paketti chevyn pikkulohko ja esim th350 paketti ku ei ole löytynyt sopivaa elintä vielä tai no ei köyhälle sopuhintasta (:
Taka-akseli tuli kanssa nippuun päin eilen kartaania lukuunottamatta joskos tänää ehtool tarkenis taas men touhuu jotain ni jos ens viikonloppuna aksuloita alle päin ,tosin hyttää pitää myöskin ainakin takaa vähän leikellä

kares 23.05.2010 17:40

tänään tuli akseliväli päätettyä ku pätkäsin kartaaniin ja putken ja hitsuutin takas nippuun ja se pitäis mittauksien jälkeen olla noin 2700mm ja laatikko pientä akselin sorvausta vailla ku ei ollu laakereita viel ni ei tie mihen mittaan olis sorvannu jos huomenna sais laakerien mittoja ni vois "etulevyy" väsätä ni vois jotain kuvatuksiiki taas laitella...

Olkku 26.05.2010 13:24

Kuviaa?

kares 26.05.2010 15:38

Lainaus:

Alkuperäinen kirjoittaja Olkku (Viesti 671706)
Kuviaa?

Ei oo kerenny ku laakerit hakee ku tullu luvattuu maalailla firabelinä kaiken mailman kaivureita ym ku köyhän täytyy jostain saada rahnaaki välil mut v-loppuna olis tarkotus koittaa runkoo ja hyttää aksuloiden päälle ja kuvia tulee kun jotain näkyvää saanu aikaseks ku yksin ei vallan paljon synny (:

KoniJeep 27.05.2010 00:23

Lainaus:

Alkuperäinen kirjoittaja kares (Viesti 671732)
Ei oo kerenny ku laakerit hakee ku tullu luvattuu maalailla firabelinä kaiken mailman kaivureita ym ku köyhän täytyy jostain saada rahnaaki välil mut v-loppuna olis tarkotus koittaa runkoo ja hyttää aksuloiden päälle ja kuvia tulee kun jotain näkyvää saanu aikaseks ku yksin ei vallan paljon synny (:

Asusia lähempänä, niin vois tulla jelppimään kiireen keskeltä..

kares 27.05.2010 17:43

Jaa ei vaan tänäänkää oikeen mitään muuta työpäivän jälkee ku laatikon "etulevy" aihion kerkesin kaivurin maalauksen välityönä tekeen...
http://forums.offipalsta.com/picture...ictureid=60458


Jos huomenna kerkeis jo sorvailee akselii ja "holkkeja" laakereille...

kares 30.05.2010 22:13

Ei kerenny sorvailee ennen ku tänää ku työt haittaa tosissaan harrastuksii (:
Jotain holkki meininkejä ja asettuvan laakerin laitoin tohon"pää akselille" ni ei oo niin noko nuuka jos vähä vinos holkki meiningit...
http://forums.offipalsta.com/picture...ictureid=60692

Ja vähän tuli irstaan näkönen ku vähä plasmalla tuli tehtyy ronskit reiät ni joutu vähä tekee "siltaa" mutta pääasia että hyvin pyöri pikku ja iso puoli...
http://forums.offipalsta.com/picture...ictureid=60693

Tiistaina olis ajatus kattoo miten passailee runkoon ja hyttään aksulat ku JESSEH lupas tulla vähä jelppiin ni eiköhän tää joskus valmistu ja JRPOWERIN kanssa vähä tehty tekniikka puolesta kauppaa...

kares 13.06.2010 00:28

Kaikenmailman noidannuolet tullu kärsittyy ni taas pääsi projektinki kimppuun...
Pikkuhiljaa alkaa hahmottuu minkä näkönen tulee...
http://forums.offipalsta.com/picture...ictureid=61796


Mikää leevee tuu näillä gummeilla...
http://forums.offipalsta.com/picture...ictureid=61797


No okei kai jotkut levikkeetki tarvii???
http://forums.offipalsta.com/picture...ictureid=61798


Etu ylitys ihan ok...
http://forums.offipalsta.com/picture...ictureid=61800

Kuten takaylityskin ,leikeltyäkin tuli jo kuvan oton jälkeen takakulmia että istuu vähän järkevämmin rengas aukkoonsa...
http://forums.offipalsta.com/picture...ictureid=61799

Ja taakse panhardi...
http://forums.offipalsta.com/picture...ictureid=61801

Ja etupanhardi tuli kuvauksen jälkee hitsuuteltuu viel ja ohjaussylinteriki tuli hepattuu paikoilleen...
http://forums.offipalsta.com/picture...ictureid=61802


Jakolodju möllöttelee tuon näkösesti ja niinku olettaa voi niin vaihdelaatikonpalkki on taaskin kiinteämalli...
http://forums.offipalsta.com/picture...ictureid=61803

Huomenna taas jotain väsään ja kuvatuksii jos muistan ottaa...

niko69 13.06.2010 14:03

Leveempi ku pidempi??

JRpower 13.06.2010 20:43

KOMEE!!! :)

Olkku 13.06.2010 20:44

Hyvält näyttää

Ton kyl PITÄIS pysyy pystys mut... :D

Mitäs tänään on saatu aikaseks?

kares 13.06.2010 21:16

No ei nyt sentään leveempi eli n.2300mm leveyttä ja 2650mm akseliväli...
Tänään jotain pikkujuttui tuli tehtyy vaa ei oikee mitää näkyvää pohjaanlyöntigummeija jotain...
Etujouset laitoin alapäästä ihan mogin omille paikoille kiinni ,yläpäitä en tee ennen kuin tekniikka on paikoillaan...
http://forums.offipalsta.com/picture...ictureid=61887



Ja vähän lisää piti "avartaa" että laatikkokin mahtuu...
http://forums.offipalsta.com/picture...ictureid=61886


Ja ainahan vähän pitää nostella kulmista miten joustelee jos tuommottet joustot haluis ni 750mm pitäs iskari oleman pisimmillään ,etunen 1300mm maasta enemmänki ois noussu mut ei viitti levikkeitä survoo vituiks...
http://forums.offipalsta.com/picture...ictureid=61885

Maassa olevat iskarit vain 580mm eli ei likikään mutta ne nyt aluks laitan...
http://forums.offipalsta.com/picture...ictureid=61884

Takagummi 1200mm ja edestä alkaa orkkis levike lähenee samoin kuin takakartaanin kulma...
http://forums.offipalsta.com/picture...ictureid=61883

Iskarin max.mitta taakse jäi mittaamati...
http://forums.offipalsta.com/picture...ictureid=61882


Päivitellään taas ku jotain näkyvää saan aikaseks...

suppe 13.06.2010 21:47

Sori topikin sotkeminen mutta olkku on varmaan höpötelly jotain ton pitkän paskaläjän kylvettämisestä ja maalaamisesta??? Ajankohtakin alkaa varmistumaan heinäkuun puolenvälin paikkeille niin miten se sinnesuuntaan passais? Laita vaikka rivana nummero niin pääsen rimpuuttelemaan!

Ja sitte itse asiaan hyvän näköstä tulee. Itte läjään laitan bilsteinit 14'' iskulla eteen. Mittoja en just ny muista mutta ainakin ton 750mm on pitkä. Makso sakemannilta ostettaessa 79e pala ja 50e rahti päälle.. Tuli kylläkin tavaraa yli 70kg samassa lähetyksessä ja nekin kahdessa erässä...

kares 13.06.2010 21:55

Juu passailee ja toki nummerron näin näkyviinkin voin laittaa eli 0451111305 satunnaisesti vastailen jos puhelin on liki...
Budjetti on pieni köyhällä projektiin ni ostelen iskareita ku sopivat löytyy edullisesti ja noi kyllä vaikuttas ihan edullisilta mutta kattoo ny mitä keksii ku paranneltavaa kuitenki tulee enemmän ja vähemmän tähänkin....

suppe 13.06.2010 22:00

Jep jep. Mitä itse haeskellut pitkiä iskareita nii ei oikeen halvempia ole tullu vastaan, jos on niin loppuun ajetut..

lepoantti 14.06.2010 07:38

jos iskareita meinaa niin kannattaa kysellä http://www.racersplace.fi/ , ranchon pumppuja löytyy kaikenlaisilla päillä ja halutuilla mitoilla. itse olen tainnut pariin rojektiin täältä tilata iskarit, 5000 oli n. 50e ja säädettävät 9000 taitaa olla vähän päälle satkun. toimitukset nopeita vaikka joutuis jenkeistä tilaamaan, näyttää logistiikka toimivan veden yli sujuvasti.

kares 14.06.2010 14:15

Joo skyjackkerit tai jotku mikkä ne oli joskus tilasinki mut ne kypsy jostain syystä tavallisen nopiasti olisko kans ollu jotai 40-50e hujakoil pituuksii en muista...

jv 14.06.2010 15:26

En itse ainakaan ranchoja suosittele kellekkään. ittellä kypsy ranchot kahen reissun jälkeen. eivätkä pohjanneet kertaakaan. taitaa ranchon laatu olla sitä sun tätä tänäpäivänä. lehtijousilla varmaan viel menettelee mut kierteillä tuntu nopeesti kypsyvän, enkä oo ainut jaka on saman kokenu. nii ja 5000-sarjalaisista oli kyse.


ranchot jää mulla taakke (lehtijouset) tästä edespäinkin kunnes kypsyyvät, mut eteen (kierteillä) laitan kyl bilsteinit tai jotku muut hieman kalliimmat/paremmat?

kares 15.06.2010 22:32

JRPower toi tänään elimen luovuttajan pihaan...
http://forums.offipalsta.com/picture...ictureid=62067


Mites muuten onko kellään kokemusta lukkoturbiinillisestä laatikosta mettäkikottimessa eli saako vaihtaa normi turbiinin vai miten on???

JRpower 15.06.2010 22:46

Taisit käydä jo hakeen sitä bensaa :)

kares 15.06.2010 22:52

Itseasiassa en käyny tutkailin vaa mitä kaikkee tarvii muuttaa ja korjata/huoltaa ennenku tempasee joopin keulalle ja pientä flunssaa oli havaittavissa ni en sitte lähteny driftailee vielä sillä (: mut huomenna sitte töitte jälkee pientä säätöö joskos se sittä...
Haitkos muute ite bentsiini (;

JRpower 15.06.2010 23:03

juu.tai kaadoin vaan kannusta...ja pistettiin muksujen kans jo nurtsi rullalle :)

kares 15.06.2010 23:12

Jos suizan olisit ottanu vois olla aavistuksen enemmän nurtsit rullalla,no nyt alkaa menee aavistuksen offtopikiks...

Pörö 16.06.2010 17:16

Mitäs loppu astrolle tapahtuu???

kares 16.06.2010 18:23

Myydään erittäin mielellään vaikka sinulle (;
Hieman vitutuskäyrää nostatti kun vaihtelin tulpat ym ja säätöä ja Jesseh.n kanssa lähettiin koeajolle niin 300metrii ja huimat 5.7litraa amerikan voimaa löi umpipuuhun...
No tuupattiin astro talliin ja jos täs ehtoopuhteina koittas nyppii tekniikan ulos inspiraatio vaan hieman taas laski kun alko taas tökkiin heti ku sai jotain aikaseks....

offroadjouni 16.06.2010 18:49

Lainaus:

Alkuperäinen kirjoittaja kares (Viesti 676497)
Mites muuten onko kellään kokemusta lukkoturbiinillisestä laatikosta mettäkikottimessa eli saako vaihtaa normi turbiinin vai miten on???

Kyllähän TJ:nkin laatikossa on lukkoturbiini, joten ei siinä sinänsä mitään ongelmaa ole. Laita sinne vaan.

HRD 16.06.2010 19:14

Jos laatikko on bensa koneen perästä (th350), ni eikös lukko kytkeydy sähköllä. Joten jättää virrat pois tai vaihtaa lukottoman turbaanin.

kares 16.06.2010 19:28

Lainaus:

Alkuperäinen kirjoittaja HRD (Viesti 676647)
Jos laatikko on bensa koneen perästä (th350), ni eikös lukko kytkeydy sähköllä. Joten jättää virrat pois tai vaihtaa lukottoman turbaanin.

Juup th350 se on ja sähkönen kai sen sinne jätän jos sitte joskus vaihtas jonkun korkeemman stallin omaavan turbiinin...

kares 16.06.2010 23:40

Motti tuli revittyy pois ja purettuuki jo aika pitkälti ei vaan ollu semmosta ulosvetäjää millä ois dampperin saanu irti ni jäi vähän vaiheeseen ja miten sattuki että kone jumahti juuri semmoseen kohtaan ettei yhtäkään laakerin kaulaa saa irti /:
sinne se jäi killumaan talliin...
http://forums.offipalsta.com/picture...ictureid=62107

kares 18.06.2010 13:49

No nyt se motti on sitten aivan levällään tallis ja 6sylinteriin kk-laakerit siellä oli päällekkäin...
Varmaan kampurakin tarvii kuskata koneistamoon ku oli ottanu vähä siipeensä ettei heti ku taas nipussa ni kilkkaa kines ,no ajatuksen TMK.n kisoista saa unohtaa...

kares 18.06.2010 21:07

Joo eli kaula näyttää tältä eli kovasti vaatii koneistamossa käyntiä...
http://forums.offipalsta.com/picture...ictureid=62165


Kauheesti tänään ei tullu mitään saatuu aikaseks pienen inspiraation puutteen vuoksi...
Mutta suunniteltuu ja jonkun verran löyty "romua" vielä mitä piti irrottaa ja jäikin vielä jotain...
http://forums.offipalsta.com/picture...ictureid=62164

sisua45 18.06.2010 22:51

Kyllä se siitä, sentään nelipulttinen alakerta.

kares 21.06.2010 21:37

Linttalan aarrearkusta löyty tuommonen ,mitenhän jos tohon virpois kaks kappaletta häränkives tbi ruikkuhässäkkää jollain ihme virityksellä ni riittäsköhän soppa???
http://forums.offipalsta.com/picture...ictureid=62417

JRpower 21.06.2010 21:53

Ai et o kommee...ja korkee...:)

kares 21.06.2010 22:00

Joo hiukan joutuu tekeen konepeltiin reikää jos mielii ton tuonne törkätä ,no näkeepä koska motti horasee vettä kitusiinsa (;
Multa varmaa meni jotain ohi mut eiks sun pitäs olla turkissa /:

JRpower 21.06.2010 23:30

ei viel.tiistaina vasta...:)

Olkku 12.07.2010 21:19

Jokos tää on pian ajossa?

kares 13.07.2010 00:59

Lainaus:

Alkuperäinen kirjoittaja Olkku (Viesti 681479)
Jokos tää on pian ajossa?

Juu ei inspiraatio kateissa,koneen osat olis ja tarttis alkaa niputtaa ja vaihdelaatikko pitäs tulla "hännän" vaihdosta täl viikol ni eiköhän inspiraatio taas löydy ,tosin nytkin tulin vetouisteleest ku se on näillä keleil mukavempaa puuhaa...

kares 09.08.2010 19:48

Tää odottaa vieläki laatikkoo tosin jo kotitallissa ja kaaret siihen pakertelin ja jotan palkkia helmaan penkkien,tankin ja akun kiinnikkeitä tehny ja semmosta pikkuhommaa tässä kuussa kovasti olis ajatus että tarttis liikkuu jollei mitää ihmeellistä ilmene ,pysähtyminen onkin sitte eriasia ku liikkuminen eli jarrujen suhteen tuo ajatus ei vaan oo viel kohdannu ,mahtaskohan joku haluta vaihtaa nuo 15" irokit joihinkin 39.5" missä vanteen reikä olis 16.5" tai isompi ni helpottas jarruasioita ja sais kapeemmaks...
http://forums.offipalsta.com/picture...ictureid=64821

Rolpatti 09.08.2010 20:30

Palaaks kumi sitten tälläkin?

kares 09.08.2010 21:09

Lainaus:

Alkuperäinen kirjoittaja Rolpatti (Viesti 687205)
Palaaks kumi sitten tälläkin?

heh heh...kyllä tälläkin lupaan kruisinkeihin tulla mutta kuminpolttoo en taida suorittaa vaikka olihan se toki furyllä ihan halpaa tällä kertaa (;

kares 15.08.2010 22:17

Lauantai ehtoosti tuli laatikkokin haettua ja vaikka kavereille vannoin että yhtäkään sponsori osaa en tähän laita kun niistä ei oo tullu ku harmia niin nyt sellainen kuitenkin tuli kun paikallinen laatikkomies oli pyöräyttäny laatikkoon päätylaipankin remontin yhteydessä...
http://forums.offipalsta.com/picture...ictureid=65193

Ja tekniikka tulee aika liki noille main konehuoneen puolelle vähän pituuden puolesta ahdasta mutta ei suurempia murheita kuitenkaan ,jos huomenna se istus siellä jo ilman nosturia...
http://forums.offipalsta.com/picture...ictureid=65194

Olkku 16.09.2010 19:41

Joko tämä pian kukkuu ja kulkee?

kares 23.09.2010 10:47

Lainaus:

Alkuperäinen kirjoittaja Olkku (Viesti 696648)
Joko tämä pian kukkuu ja kulkee?

Kyllä se käynyt jo on mutta kulkemiseen menee aikaa kun eurojen ja inspiraation puute vaivaa ku työt on tyyliin töissä ja lomautettuna vuoroviikoin ja muutenkin ollu monenmoista muuta "elämän muutosta" ja tapahtumaa ettei muka oo kerenny...
By the way joko laatikon tarveisit omaan projektiis ku sekin ihan vähä jääny roikkuun...

young n dum 04.12.2010 20:51

joks tällä on ajettu??? KUVIA!:)

kares 19.03.2011 17:15

Kai tätäki vois päivittää ku tuli virallisesti käytyy eka kerran metsässä vaikka sillä omissa nurkissa on tullu jo kuoputeltuu varmaan kyl eka kerran tammikuun alku päivinä mutta ihan kauhee hinku ei oo ollu talliin pakkasilla ni venahtanu hippasen...
No mutta tokihan se ekalla reissulla hajoskin ,orbin ja rattiakselin välinen yhteys hävis mutta ongelmia oli kyllä ohjauksessa muutenkin ja käynti/käyntiinlähtö ongelmia oli myöskin mitkä johtuu suurimmaks osaks kaasarista...
Takalukkokaan ei suostu toimiin ,liekö jumissa vai holkki sokona tiedä hänestä mutta yksi suuri "ongelma" on raideleveys joka on kyllä aivan järkyttävä oli aikas v...mäinen ajaa hanges toisten uria ku ei osu sitte likikään niihin....
No mutta ulkonäkö on aikaslailla kuvan luokkaa vieläkin mutta monenmoista pitää vielä pakertaa jos siittä kunnollisen joskus haluu...
http://forums.offipalsta.com/picture...ictureid=77011

JV73 20.03.2011 11:20

pintakäsittely on siisti...mites se katkennut liina?

ImacInnes 20.03.2011 11:24

Jeep!
 
Komia on peli!
t. Ismo Ämmä

kares 20.03.2011 12:25

Lainaus:

Alkuperäinen kirjoittaja JV73 (Viesti 751434)
pintakäsittely on siisti...mites se katkennut liina?

Ainoo toimiva asia se tais ollakki sitten tuo "pintakäsittely" ja tulihan pintaan vähän uuttakin muotoa ku tehtiin niitä metsuri hommia hinausprosessissa...

Eli se vihree jynkkyliina ilmeisesti kyseessä no on se ainakin niin monena pätkänä ettei sillä mitään tee mutta eiköhän siittä rahalla selvitä ku törmätään (;

JV73 20.03.2011 12:28

hyvä meininki.

mxä 26.03.2011 09:13

komia on laite :)

JV73 27.03.2011 10:26

joko pikku puutteet ja vaivat korjattu/muutettu, oliko sytkä pielessä vai miks käyntiin lähtö oli niin hankalaa? mites jessen projekti käynnistynyt? tuleeko siitäkin porttaali jooppi 2 vai ihan jotain muuta.

kares 27.03.2011 11:46

Lainaus:

Alkuperäinen kirjoittaja JV73 (Viesti 753715)
joko pikku puutteet ja vaivat korjattu/muutettu, oliko sytkä pielessä vai miks käyntiin lähtö oli niin hankalaa? mites jessen projekti käynnistynyt? tuleeko siitäkin porttaali jooppi 2 vai ihan jotain muuta.

Taka akseli on tuol tallis ny levällään ku oli se lukkoholkki aikas lailla umpipuuta jos sen tänää löis takas nippuun...
Sytkä ei tuntus vaikuttavan kuumana niin yhtään mitää ja kylmänä lähtee niin pirun hyvin käymään ja kuumana ku kone ni ilman sytkävirtaa jaksaa pyörittää komiasti mut heti alkaa potkii vastaan ku sytkävirta päällä oli sitte sytkä aikasel tai myöhäsel ei käsitä mut jos ruiskunki asentelis ja kattos et saako sitten purkaa koko laitteen ja myydä etuakselin jesselle jos ei toimaile (;
Jessellä tuo armeija taitaa hippasen hidastaa projektii ja tais se ostaa jonkun pirtinki ni taitaa siinäkin olla pientä projektii...

kares 27.03.2011 13:47

Lainaus:

Alkuperäinen kirjoittaja JV73 (Viesti 753715)
joko pikku puutteet ja vaivat korjattu/muutettu, oliko sytkä pielessä vai miks käyntiin lähtö oli niin hankalaa? mites jessen projekti käynnistynyt? tuleeko siitäkin porttaali jooppi 2 vai ihan jotain muuta.

Kävin niputtaa sen aksulan tossa välitöinä ja nyt toimii mitä nyt pientä "tahmeutta" pois lähtiessä vaikuttas olevan...välillä vähä särvintä napaan ja seuraavien ongelmien pariin takas talliin nyt ku sinne ei jäädy (;

psychobilly 27.03.2011 14:18

Helev....kommee!!!!! jooppi

kares 27.03.2011 20:21

Lainaus:

Alkuperäinen kirjoittaja psychobilly (Viesti 753782)
Helev....kommee!!!!! jooppi

Taitaa vaan kuvat valehdella ,tää nyt on tämmönen "kokemäki"tyyliin tehty rutku...
Akkutelineen tein konehuoneeseen ja nyt tuntus lähtevän kuumanaki käymään paremmin ku lyheni toista metriä kuitenki kaapeliki...

autotohtori 27.03.2011 20:45

Aika rouhee peli on.hIENO Seurata projektin etenemistä.

psychobilly 27.03.2011 20:52

Lainaus:

Alkuperäinen kirjoittaja kares (Viesti 753913)
Taitaa vaan kuvat valehdella ,tää nyt on tämmönen "kokemäki"tyyliin tehty rutku...

elä vähättele kyl se o kommeen! näköne.

kares 28.03.2011 15:38

Lainaus:

Alkuperäinen kirjoittaja psychobilly (Viesti 753918)
elä vähättele kyl se o kommeen! näköne.

Tiiä häntä ,tänään tuli heti töistä tullessa suoritettua ikäänkuin hyöty offia kun bemmi jäi tuonne tielle lumihankeen pystyyn ,hienosti tulivat peräkanaa ja kerkes hyvin ohjailee molempii ku jooppi tuksutti tyhjäkäynnillä etiäpäin hanges (:

JRpower 29.03.2011 20:37

Koskas se mennään ponnistaan toho kämmäkkään?
O muuten komia :)

kares 29.03.2011 21:08

Lainaus:

Alkuperäinen kirjoittaja JRpower (Viesti 754468)
Koskas se mennään ponnistaan toho kämmäkkään?
O muuten komia :)

Taitaa seuraavakin koeponnistus olla tuolla lyttylässä pääsiäisen aikaan ku lueskelin nortin sivuilta että siel on kaks päiväne safari meininki...
Mites muute saisko sen yhden V8 moottorin hakee millään äetsästä vai tarvisko se hakee tampesterista asti (: ,nii ja oliko siinä muuten tehostimenpumppukin kun tuo paikallaan oleva vuotaa akselin juuresta aikaslailla /:

Remotecontrol 29.03.2011 23:37

Tässä on tyyliä. Ilmottele ku oot myymäs ;)

kares 30.03.2011 05:43

Lainaus:

Alkuperäinen kirjoittaja Remotecontrol (Viesti 754515)
Tässä on tyyliä. Ilmottele ku oot myymäs ;)

Kai se on niin että kaikki on kaupan jos hinta osuu kohdilleen vaikka näin keskeneräsenäkin (;

Remotecontrol 30.03.2011 09:42

Lainaus:

Alkuperäinen kirjoittaja kares (Viesti 754522)
Kai se on niin että kaikki on kaupan jos hinta osuu kohdilleen vaikka näin keskeneräsenäkin (;

Rakenna ensi ja kyllästy ni lähtee halvemmalla ;)

JRpower 30.03.2011 18:11

Lainaus:

Alkuperäinen kirjoittaja kares (Viesti 754478)
Taitaa seuraavakin koeponnistus olla tuolla lyttylässä pääsiäisen aikaan ku lueskelin nortin sivuilta että siel on kaks päiväne safari meininki...
Mites muute saisko sen yhden V8 moottorin hakee millään äetsästä vai tarvisko se hakee tampesterista asti (: ,nii ja oliko siinä muuten tehostimenpumppukin kun tuo paikallaan oleva vuotaa akselin juuresta aikaslailla /:

juu,ku vaan saisin sen tuotua kotio asti,tai kai se samalla sit kulkee kokemäelleki asti :) ja se tehostimen pumppu o varmaan ainoita osia mitä siitä puuttuu ku se meni sen kopan mukana mut mä voin katsoo jos niitä ois jääny nurkkiin...

kares 18.06.2011 17:02

Ei oo tullu paljoo päiviteltyy tätä mut nyt on kova tuuminta että kehtaisko tän riisselöidä sitten kuitenkin ja muuttaa orbi ihan perinteiseks ohjaukses ni suunnistus touhu luonais tällä sitten myöskin kun ei tuo V8 tunnu tykkäävän oikeen veden kanssa prutaamisesta ja ruiskuasennuksetkin tökkii kovasti ja triali luonaa riisselillä mun tarpeisiin ihan riittävästi ja en nyt muista koska olis eteneminen jääny voimasta kii mutta mutta...........

kares 18.06.2011 18:14

Kai parit kuvatuksetkin vois laitella...

Paineilmoja suuntaan ja toiseen...
http://forums.offipalsta.com/picture...ictureid=82701

nappuloita ja mittareita ei kovin paljoo...
http://forums.offipalsta.com/picture...ictureid=82702

Kone huoneen sekasorto ,ruisku aihio 454sen päältä kotoisin ja ohjaus yritystä ollut omalla boxilla ja megaruutalla mutta aina jokin ongelma tullut eteen eli ei ole käynyt ruiskulla vielä ollenkaan....
http://forums.offipalsta.com/picture...ictureid=82703

Ulkokuori saanut jotain levikkeen tynkää ja alkuperäisestä raideleveydestä saanut karsittua jonku 15cm pois nyt noin 2200mm vieläkin ja jotain kosmeettistakin on tullu reissuilla...
http://forums.offipalsta.com/picture...ictureid=82704

Stefan vaihtoa menossa ja toiset bemarin satulat tarttis virpoo vielä tuohon että saa kässärinkin...
http://forums.offipalsta.com/picture...ictureid=82705

kivinen 18.06.2011 19:28

Onko 454:sessa ollu kaksikurkkusia, kun tuo ainakin näyttää sivulta kaksikurkkuselta?

Mikäs siellä oman boksin käytössä tökkii, ei siellä nyt ihan montaa karvaa tarvi olla kiinni, että alkaa käymään? Käsittääkseni TBI:n boksit toimii aika hyvin ristiin, ainakin niin hyvin, että käyntiin lähtee.

Jotkut on ratkaissut kaapelointiongelmat ostamalla Painless Performancen valmiin johtosarjan.

Johtosarjoja on suoraan vaikea vertailla, kun esim. Caprisen 305:sessa oli johdotus tehty erilailla kun Suburbanin 350:sessä. Mutta kun kävi läpi boksilta lähtevät johdot läpi muutaman eri kaavion kanssa, niin alko selkeytymään.

Ja selvyyden vuoksi: en tosiaan ole mikään ässä ton TBI:n suhteen.

kares 18.06.2011 19:44

Lainaus:

Alkuperäinen kirjoittaja kivinen (Viesti 776360)
Onko 454:sessa ollu kaksikurkkusia, kun tuo ainakin näyttää sivulta kaksikurkkuselta?

Mikäs siellä oman boksin käytössä tökkii, ei siellä nyt ihan montaa karvaa tarvi olla kiinni, että alkaa käymään? Käsittääkseni TBI:n boksit toimii aika hyvin ristiin, ainakin niin hyvin, että käyntiin lähtee.

Jotkut on ratkaissut kaapelointiongelmat ostamalla Painless Performancen valmiin johtosarjan.

Johtosarjoja on suoraan vaikea vertailla, kun esim. Caprisen 305:sessa oli johdotus tehty erilailla kun Suburbanin 350:sessä. Mutta kun kävi läpi boksilta lähtevät johdot läpi muutaman eri kaavion kanssa, niin alko selkeytymään.

Ja selvyyden vuoksi: en tosiaan ole mikään ässä ton TBI:n suhteen.

Kaksi kurkkuinen on juu, isommat suuttimet on ainakin kun olikohan niin että 350 oli 65-75lbs(olikohan ne lbsiä vai mitä) ja 454 85-95lbs riippuen vuosi/auton mallista...
Ja omassa boksissa tökkii lähinnä virranjakajan ja antureiden puutteet kun ne on kulkeutuneet ties minne jo edellisen omistajan aikana kun motti kilahtanut /: eikä taitas isolohkon jakaja sopiakaan sen puoleen...Ja megan boksi ei halua olla toiminta kykyinen jne jne...
Ja sitten on se juttu mikä liittyy mun metsässä ajooon on että se suo, ym märkä kiehtoo vaan liikaa ja tosiaan kun suunnistus kiehtoo niin mun persaus ei kestä ajaa 24h pentsiinillä /: mutta mutta ja mutta tiiä sitte mitä tekis ku riisselin ku keulalle lyön nii sanomista tulee ainakin suunnasta ja toisesta (:

opelman 18.06.2011 20:57

Käviskö 2t v8 diesel??:rolleyes:

kares 18.06.2011 21:24

Lainaus:

Alkuperäinen kirjoittaja opelman (Viesti 776398)
Käviskö 2t v8 diesel??:rolleyes:

Kaks tahti v8 diesel ,no jos se riisseli on tullakseen niin sylintereitä 6-8 liekä ne sitten rivissä vai V-muodossa jää arvoitukseksi toistaiseksi (;

kivinen 18.06.2011 21:25

Lue privaviestis ja ei kai kukaan mitään sanele, jos sinne joku OM606 kuorohuutajien mieliksi automaatilla varustettuna menee?

Mikki 18.06.2011 21:33

EI
 
Mä taidan olla sitte "kukaan"...

Lisää soppaa koneeseen ja alkaa se bensakonekkin savuttamaan!!!!:D:D:D

SamiN 18.06.2011 21:50

Jos megaruikkijaan olet kokeillut niin kait muistit et johdot on just toisin päin megas ja gm:n boxis?

kares 18.06.2011 22:23

Lainaus:

Alkuperäinen kirjoittaja 4x4lucifer74 (Viesti 776421)
Jos megaruikkijaan olet kokeillut niin kait muistit et johdot on just toisin päin megas ja gm:n boxis?

Kyllä kyllä mutta megassa itsessään kipu kun ei toimi ollenkaan edes jo valmiiksi megalla varustetussa tojotassakaan (;
Vaakakuppi kovasti kallistumassa riisseliä kohden vastalauseista välittämättä ,mutta mutta mutta..........................

Pauli 18.06.2011 23:40

Lainaus:

Alkuperäinen kirjoittaja kares (Viesti 776368)
mun persaus ei kestä ajaa 24h pentsiinillä /: mutta mutta ja mutta tiiä sitte mitä tekis ku riisselin ku keulalle lyön nii sanomista tulee ainakin suunnasta ja toisesta (:

Jos ei persaus kestä pentsiiniä, niin tossa linkissä on just sulle sopiva mjoottorivaihtoehto, tollasen kun laitat niin yleisö on täysin tyrmistynyt eikä virka mitään :D
http://www.hs.fi/autot/artikkeli/Sma.../1135246657215

Nuhapumppu 19.06.2011 03:02

Lainaus:

Alkuperäinen kirjoittaja kares (Viesti 776412)
Kaks tahti v8 diesel ,no jos se riisseli on tullakseen niin sylintereitä 6-8 liekä ne sitten rivissä vai V-muodossa jää arvoitukseksi toistaiseksi (;

5,9 kumppari koneeksi niin ei voimakaan lopu heti kesken,saa vääntää om606 ruuveja melko kireälle että niihin tehoihin päästään mitä tuosta saa ulos pikku virityksellä.

tdi 19.06.2011 03:44

painaa suht paljon cumminssi ja sit sellanen loota joka kestäs sen alavännön :( painaa kyllä mersunki kone mutta litroihin nähden mersusta saa suht hyvin irti. mut kyllä ehdottomasti oon diiselin kannalla olise sit minkämerkkinen vaa :cool:

kares 19.06.2011 10:13

Onhan noita muutamia vaihtoehto riisseleitä "hyllyssäkin" ja rahalla sais vaiks mimmosii mutta en mää sitä voimaakaa niin tarttis mutta kun on se "sairaus" että pakko päästä kuran sekaan mylläämään niin yks kaunis kerta sanojen ONKOHAN TOSSA SYVÄÄ jälkeen ulpahtaa jooppi niin syvälle taas kerran että on ruiskun boksi jne kaput mut oli sitte mikä vaan vanhan liiton riisseli niin siellä se porisee vai häh...mutta jos tekis sitte ihan semmotten trialiin tarkotetun pelin seuraavaks niin ei tartte miettii rypemisii suossa "ongelmana" mutta mutta...

opelman 19.06.2011 10:57

Raijjalissa mennään väänöllä vai? Näin olen käsittäny, että sellanenhan se olis hyyyvä.. :rolleyes::cool:

kares 19.06.2011 12:17

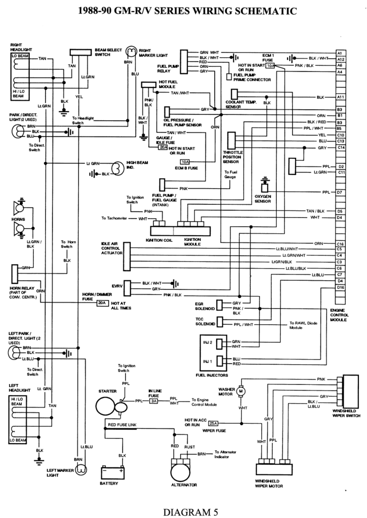
Niin palataas nyt kuitenkin vielä tuohon ruiskuun eli jos kerran ei montaakaan johtoa tule niin osaisko joku nyt ohjeistaa...
Eli osat mitä mulla on alkuperäiseen ovat tuo itsessään ruiskumööpeli 454sesta ( vm -94 suburbanista)ja sen boksi johtoja ei ole kuin muutama liitin pätkittynä ja boksilta kaikki noin 30cm päästä katkottuna...
ja normaali hei jakaja on koneessa eli minkämoisen jakajan se nyt tarvitsisi ja mitkä kaikki anturit vaaditaan toimiakseen (imuilma,koneen lämpö ,lampda????????)
Netissä neuvoja niin monella tapaa et ei mitään käsitystä enää ja kyselemällä amerikan ym ruisku miehiltä niin toiset neuvoo toista ja toiset toista niin ei tie mitä sinne sitten ostas kun ei oo rahoja ihan vaa kokeilla että mikä toimii jos toimii......

SamiN 19.06.2011 12:34

No mulla on javessa tbi:n oma jakaja kiinni (small cap), eli en ole varma sekoaako boxi kun ei tule jakajalta pyörintätietoa. GM:n boxi vetänee ennakot hatusta tolla tavallisella heillä..

Antureista: Lamda,kaasuläpänasentoanturi, vedenlämpötila ja ilmamääräanturi, noilla pitäs pelittää. Megaruikkijalla ainakin toimii tolla hei heillä, kunhan suutinten johdot on just toisinpäin kuin gm:n boxissa.

Tuu kattomaan millanen hässäkkä toi tbi on livenä, javes perä paskana niin ei voi tulla käymään..

Pistin jotkut kytkentä kuvat mitä äkkiseltään löysin koneelta + jakajan & anturin kuvat tonne:
http://forums.offipalsta.com/album.php?albumid=4045

kares 19.06.2011 14:08

Lainaus:

Alkuperäinen kirjoittaja 4x4lucifer74 (Viesti 776531)
No mulla on javessa tbi:n oma jakaja kiinni (small cap), eli en ole varma sekoaako boxi kun ei tule jakajalta pyörintätietoa. GM:n boxi vetänee ennakot hatusta tolla tavallisella heillä..

Antureista: Lamda,kaasuläpänasentoanturi, vedenlämpötila ja ilmamääräanturi, noilla pitäs pelittää. Megaruikkijalla ainakin toimii tolla hei heillä, kunhan suutinten johdot on just toisinpäin kuin gm:n boxissa.

Tuu kattomaan millanen hässäkkä toi tbi on livenä, javes perä paskana niin ei voi tulla käymään..

Pistin jotkut kytkentä kuvat mitä äkkiseltään löysin koneelta + jakajan & anturin kuvat tonne:
http://forums.offipalsta.com/album.php?albumid=4045

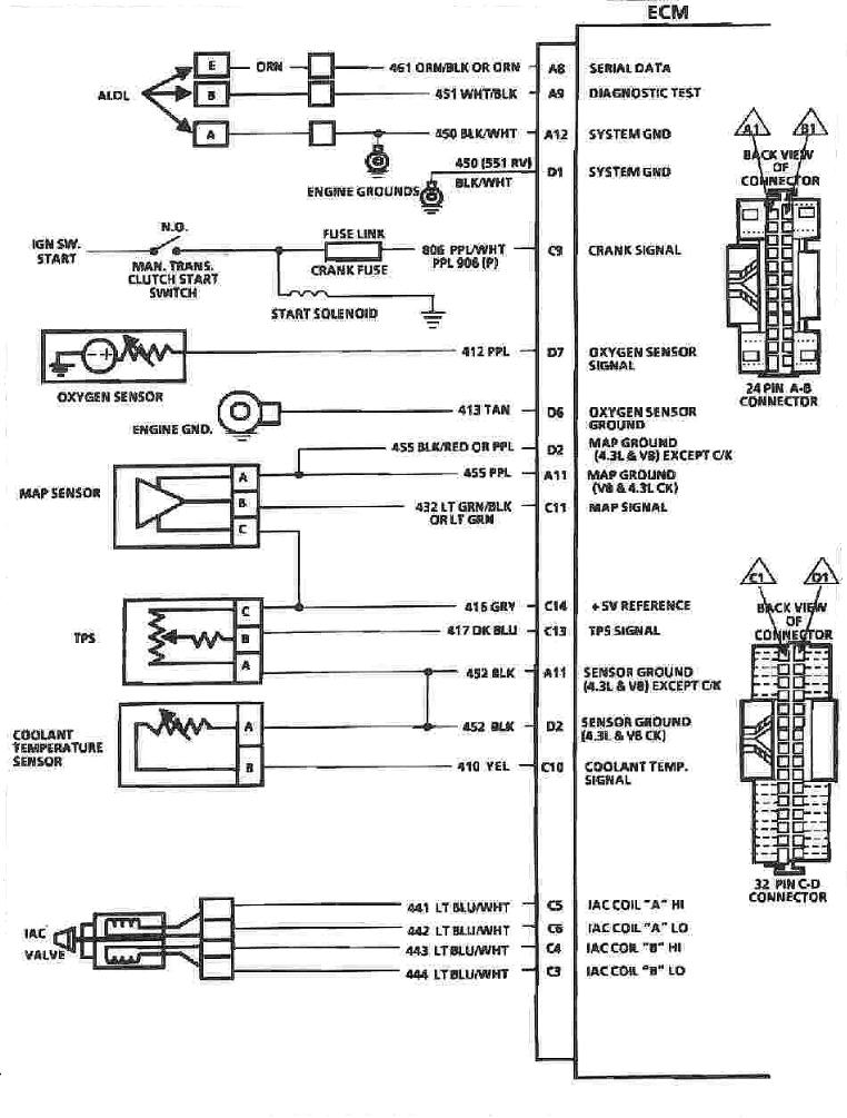
Unohdetaan mega nyt vallan eli mulla on kaikki muut anturit mutta ilmamäärä anturi??? missähän se sijaitsee moisessa alunperin ja tuo sun kuvissa näkyvä "alipainemööpeli"lienee mikä kun ei oo tuommosta???

SamiN 19.06.2011 16:23

Toi "ufo" muistelisin sen olleen egr, eli pakokaasun taksinkierrätys sydeemejä, ei tarpeellinen ja poistolistalla kunhan megaa alan asentelemaan..

MAP eli manifold air pressure aikas oleellinen juttu, megassa se on siinä boxissa ja tossa gm:n sydeemissä mun kuvassa näkyy päivämäärän yläpuolella se neliskanttine boxi mihin tulee letku imusarjasta (etupuolelle) ja lähtee siihen ufooon (takapuolelta mappia).

Jollei mappia ole, et saa käymään. Se pyöreä jutska siinä mapin alla taaempana on tyhjäkäyntisolenoidi, kuulemma sekään ei ole oleellinen jollet sitten halua pientä tyhjäkäyntiä..
Eli jos GM:n mappia ei ole niin eikun mega kehiin.

Oletan että olet jo surffaillut megaruutta sivustolla?
http://www.finsquirt.net/forum/index.php

kares 19.06.2011 16:35

Lainaus:

Alkuperäinen kirjoittaja 4x4lucifer74 (Viesti 776580)
Toi "ufo" muistelisin sen olleen egr, eli pakokaasun taksinkierrätys sydeemejä, ei tarpeellinen ja poistolistalla kunhan megaa alan asentelemaan..

MAP eli manifold air pressure aikas oleellinen juttu, megassa se on siinä boxissa ja tossa gm:n sydeemissä mun kuvassa näkyy päivämäärän yläpuolella se neliskanttine boxi mihin tulee letku imusarjasta (etupuolelle) ja lähtee siihen ufooon (takapuolelta mappia).

Jollei mappia ole, et saa käymään. Se pyöreä jutska siinä mapin alla taaempana on tyhjäkäyntisolenoidi, kuulemma sekään ei ole oleellinen jollet sitten halua pientä tyhjäkäyntiä..

Tuota MAPpia ihmettelinkin eli se uupuu ,johdoista ymmärrän nuo selkeet eli suuttimet bensapumppu ja anturit ja sellaset mut ollappa jossain suomeks ohjeet että tuo johto tuohon ja tuo tuohon ja sitä rataa kun nää sähköjutut ei oikeen mahdu mu kovalevylle millään (:

Niin onkos tuon MAPpi mööpelin paikka alunperinkin tuossa sun kuvan mukaisessa kohdassa???

kares 19.06.2011 16:45

Lainaus:

Alkuperäinen kirjoittaja 4x4lucifer74 (Viesti 776580)
Toi "ufo" muistelisin sen olleen egr, eli pakokaasun taksinkierrätys sydeemejä, ei tarpeellinen ja poistolistalla kunhan megaa alan asentelemaan..

MAP eli manifold air pressure aikas oleellinen juttu, megassa se on siinä boxissa ja tossa gm:n sydeemissä mun kuvassa näkyy päivämäärän yläpuolella se neliskanttine boxi mihin tulee letku imusarjasta (etupuolelle) ja lähtee siihen ufooon (takapuolelta mappia).

Jollei mappia ole, et saa käymään. Se pyöreä jutska siinä mapin alla taaempana on tyhjäkäyntisolenoidi, kuulemma sekään ei ole oleellinen jollet sitten halua pientä tyhjäkäyntiä..
Eli jos GM:n mappia ei ole niin eikun mega kehiin.

Oletan että olet jo surffaillut megaruutta sivustolla?
http://www.finsquirt.net/forum/index.php

Olen surfannut juu mutta kuten mainitsin unohdetaan mega nyt toistaiseksi kun boksi on soko mikä soko...

SamiN 19.06.2011 16:48

Tuolta finnsquirt sivustolta löytyy suåmeksi ohjeet megan asennukseen ja säätöön.

Toi mun mosa on jostain pikapista repästy eli siinä MAP:in paikka oli tossa.

Mulla on koneella kans noi ohjeet ja megan asennuksessa tarvittavat johdotuskuvat, kunhan löydän.

Jos siinä sun megan boxissa on jotain kipua mutta sulla on se megan liitin ja muut himmelit asennettuna niin vois tietty kokeilla tolla mun boxilla, se on käyvästä autosta otettu, 305:sta tosin mutta kyllä sillä käyntiin pitäs lähtee.

Pauli 19.06.2011 17:25

No nythän mä muistin, että mulla on hyllyssä täydellinen 350tbi ruuttasetti mikä oli Roopen jeepissä paikallaan, tuu hakemaan se + asenna paikalleen => kone pelittää varmasti ja sit koitetaan keksiä sille joku sopiva hinta, tai voit maksaa sen myös etukäteen, ihan miten vaan sovitaan, ja jos ei toimi ni voit myös jättää maksamatta jos siltä tuntuu.
Autetaan miestä mäessä, melko reilua, eikö vaan. :D

kares 19.06.2011 18:39

Lainaus:

Alkuperäinen kirjoittaja Pauli (Viesti 776602)
No nythän mä muistin, että mulla on hyllyssä täydellinen 350tbi ruuttasetti mikä oli Roopen jeepissä paikallaan, tuu hakemaan se + asenna paikalleen => kone pelittää varmasti ja sit koitetaan keksiä sille joku sopiva hinta, tai voit maksaa sen myös etukäteen, ihan miten vaan sovitaan, ja jos ei toimi ni voit myös jättää maksamatta jos siltä tuntuu.
Autetaan miestä mäessä, melko reilua, eikö vaan. :D

No nyt kuulostaa reilulta ,minä rimpautan sulle huomenissa niin tuumitaan hintaa jne (:


mutta vielä hiukan tuosta 454sen ruutasta hiukan kuitenkin eli suburbani olikin -88 vuotinen ja jonkun tämmösen kaavion löysin siihen liittyen mutta missä map ja kun tutkailin muita vuosimalleja 350 jne niin oli mapilla ja maffilla jne eli toiset toimii toisella tapaa ku toiset vai häh,ollappa autosähköasentaja tai jotain...
http://forums.offipalsta.com/picture...ictureid=82846

BJ-40/76 19.06.2011 20:55

sähkö ja vesi ei sovi yhteen
 
Eli riippumatta siitä, kenen boksi siinä on, niin suojausta pitää parantaa.
(eikö noissa gm:ssä ole vaihdettavalla chipillä oleva boksi-> ei valettu silikonia täyteen?)

Ainakin tuossa megassa kotelointi vedenkestävään alumiinikoteloon suht helppoa; Olikohan pelkästään pääteasteet (fetit) jotka piti saada jäähtymään
rivalla; siis alumiinikotelolla.

Ja kaikki sisäänmenevät johdot massalla tiiviiksi, ja kotelon huohotus paineilmaliittimillä esim. katonrajaan muoviseen limpparipulloon, missä noita
elekroniikan kuivauspusseja, esim. silicageeliä, tai vaikkapa kuorma-auton
jarrujen ilmankuivaimen läpi jos oikei alkaa hifistelemään:o

sisua45 19.06.2011 23:11

Lainaus:

Alkuperäinen kirjoittaja opelman (Viesti 776398)
Käviskö 2t v8 diesel??:rolleyes:

Ei käy, se painaa 1100 kg... :eek:

kivinen 20.06.2011 08:27

Lainaus:

Alkuperäinen kirjoittaja kares (Viesti 776621)
mutta vielä hiukan tuosta 454sen ruutasta hiukan kuitenkin eli suburbani olikin -88 vuotinen ja jonkun tämmösen kaavion löysin siihen liittyen mutta missä map

Tossa tulee juuri eteen se ongelma, kun ei yhdestä kaaviosta näe noita. Luciferin linkittämästä kaaviosta(kts. alla) sai selville, että C11, D2 ja C14 liittyy tuossa sun kaaviossa MAP : piin.

http://forums.offipalsta.com/picture...ictureid=82804


Sivu luotu: 23:52 (GMT +2).