Offipalsta.COM

Offipalsta.COM (https://forums.offipalsta.com/index.php)
-   Tekniikka & Jutustelu (https://forums.offipalsta.com/forumdisplay.php?f=150)
-   -   Kaksi akkua ja yksi laturi? (https://forums.offipalsta.com/showthread.php?t=65807)

SamiN 18.11.2009 13:18

Kaksi akkua ja yksi laturi?
 
Haku ei autttanut..

mitenkäs olette toteuttaneet?

Aloin suunnitella suikkaan ruiskua ja toi megaruikkija ei kuulemma tykkää jännitehäviöstä esmes vinssatessa.

Tarkoitus olis laittaa kaksi akkua, toisesta virrat sykälle ja ruiskulle + valot pyyhkijät yms.
Toisesta akusta (optima) ruokkis vinssiä ja syylärin flektejä ettei jää ilman kuormaa silloinkun ei vinssailla.

Onko helpoin laittaa kaksi laturia vai onko joku rele olemassa minkä kautta ladataan molempia akkuja mutta ei tyhjennetä "starttiakkua"?

Venepuolella kuulemma on joku sydeemi jolla maissa ollessa ei tyhjennetä starttiakkua?

Kokemuksia ja linkkejä ktos.

timppa253 18.11.2009 13:31

jonkun näköinen diodi systeemi sinne akkujen väliin että ei päästä virtaa kuin toiseen suuntaan.

Rekisteröimätön 18.11.2009 13:33

Siit pitää jännitehäviö kompensoida, muutoin ok

sami_k 18.11.2009 14:12

itte laitoin tasasuuntajat laturinjohdon väliin
myöhemmin lisäsin vielä toisen laturin kun ei tuntunu virta riittävän yhdellä
tasasuuntaajat on edelleen välissä niin eipääse vinssillä vetämään starttiakkua tyhjäksi

hiski 18.11.2009 14:39

Waeco-lla on 12/12V akkulatureita, eli auton akulla ja laturilla syötetään kakkosakun laturia.

Näkyy olevan 8A ja 20A ja vissiin jopa 40A mallit, vinssikäytössä varmaan 40A paras.

Ehken kallis, mut jos hyvän haluaa niin näin se olis tehtävä, akut voi olla erikokoiset, ikäiset jne..

Tuotelinkki Saksanmaalta:
http://www.hammerkauf.de/product_inf...rge-DC40.html/

¤Offi-Osku¤ 18.11.2009 16:42

Itse laitoin nivaan diodeilla ja samalla tyylillä tulee suzukiinkin.

Hartzaq 18.11.2009 22:30

kertoisitteko hieman tarkemmin noista diodi ja tasuri ratkaisuista?

Marko.S 18.11.2009 22:37

Ainakin Adita:n valikoimista löytyy "rele" joka asennetaa akkujen väliin.
Tällöin toinen akku on erillään toisesta mutta latautuu yhdellä laturilla.
Mahdollisuus myös kytkeä akut yhdeksi akuksi napilla esim: startatessa.
Linkissä tuote esite. http://www.adita.fi/?file=261

SamiN 19.11.2009 00:44

No tollasta Aditan relettä haeskelen, mutta mistä sen saapi ja mihin hintaan?

Jännitteen tunnistava kaksoisakkurele, pitääpä kysellä sähköliikkeistä?

Superlite 27 19.11.2009 01:00

http://www.projecta.com.au/catalogue/cid/23/asset_id/53 itsellä on tollainen ja hienosti toimii

SamiN 19.11.2009 01:07

Toikin kävis, mistä hommattu?

Superlite 27 19.11.2009 01:14

ebay australia ja 160 au dollaria, olisko tullut 6 päivässä

http://stores.ebay.com/4-BY-4-DIRECT

TimJus 19.11.2009 01:26

http://www.motonet.fi/motonet/tuotteet/386514/0

Rekisteröimätön 19.11.2009 09:54

Lainaus:

Alkuperäinen kirjoittaja G-69 (Viesti 614989)

Miten tässä käy kun on vinssattu akku tyhjäksi ja käynnistetään kone? Ei taida 120A riittää tyhjemmän akun lataukseen?

Marko.S 19.11.2009 11:44

Lainaus:

Alkuperäinen kirjoittaja Rekisteröimätön (Viesti 615037)
Miten tässä käy kun on vinssattu akku tyhjäksi ja käynnistetään kone? Ei taida 120A riittää tyhjemmän akun lataukseen?

Eikait sitä koneet sammuksissa vinssailla???
Tuo rele päästää virran kulkemaan laturilta akulle kun jännite on yli 13.2v (en aivan varma)
Asennettiin tommonen rele rokkilaitteille kaverin autoon ja kun hupi akku tyhjä kone lähtee omalla akulla hyvin käyntiin ja rupeaa lataamaan hupi akkua ihan normaalisti.

SamiN 19.11.2009 12:04

Mitenkäs vinssaus tilanne?

Laturi lataa yli 13,6 V ja vinssi purkaa molempia akkuja? Sitten kun vinssiakun jännite laskee alle 13,6 niin vinssaus loppuu lyhyeen, kun laturi ja vinssi akku ei ole enää yhteydessä?

Eli pitää kykeä vinssiakkuun laturi ja starttiakku releen taakse?

Jaksaako 80A:n laturi ladata molempia akkuja jos toinen on just syväpurettu vinssillä?

Toi rele on senverta kallis et taitaa tulla luotettavampi systeemi kahdella laturilla?

Kokemuksia lisää, mätänettiin kiusaan myyjiä..

kaistapää 19.11.2009 12:19

eikös käytännössä ole suhteellisen toimiva systeemi jos vaan kytkee toisen akun alkuperäisen rinnalle niin riittää sit ruokaa pidemmäksi aikaa vinssatessa.lataushan toimii normaalisti kumpaankin akkuun ja kun vaan moottori käy niin virta ei lopu heti vaan riittää pidemmälle.

Timo_L 19.11.2009 12:22

Mites se diodi- versio sitten pelittää? Eli siis yhtälailla lataus- kuin purkutilanteessa? Mulla on noi diodien ominaisuudet vähän hukassa, muutakun että ne päästää virtaa vain yhteen suuntaan. Miten kannattaisi kytkeä jne... Mulla meinaan vähän sama tilanne että olen aatellut kahta akkua, mutta vain yksi laturi (toiselle on aika heikosti tilaa enkä jaksa alkaa liikaa säheltämään).

Timo_L 19.11.2009 12:25

Lainaus:

Alkuperäinen kirjoittaja kaistapää (Viesti 615074)
eikös käytännössä ole suhteellisen toimiva systeemi jos vaan kytkee toisen akun alkuperäisen rinnalle niin riittää sit ruokaa pidemmäksi aikaa vinssatessa.lataushan toimii normaalisti kumpaankin akkuun ja kun vaan moottori käy niin virta ei lopu heti vaan riittää pidemmälle.

Toikin on käynyt mielessä, ja kun XJ:ssä toi painojakauma on vähän huono niin laittais molemmat akut vaikka takapenkin alle/ taakse tjsp. Mutta sitten tulee virtajohdoista niin saatanan pitkät että paljonkohan on jännitehäviö varsinkin vinssatessa? Voi olla johdot lämpimät jne..? Tai sitten pitää laittaa jotkut ranteenvahvuiset kaapelit :D

Tietysti hyvä puoli olisi sitten siinä että joskus tulevaisuudessa kun laittaa takavinssin niin ei tule sille ihan överipitkää virtajohtoa. Ja orkkis laturin vaihtais vaikka Grand Cherokeen 136 amp. versioon niin luulisi siitäkin virtaa riittävän :)

kaistapää 19.11.2009 12:31

kaapeli saa olla kyllä oika miehekäs....mulla paikka suunniteltuna takajalkatilaan.loota ja saa muitakin roippeita sinne jemmaan.50 neliöinen olis jo sinnepäin.akun orggispaikalle saa survottuu n.75ah akun ja toinen sitten muualle niin pitäis virran riittää.eikäs alkup. laturi XJ:ssä ole 105ah.täyttää 150ah:n akkukapasiteettiä vielä hyvin.

Timo_L 19.11.2009 13:22

Niitä on muistaakseni paria eri laturia.. mutta yleisin taitaa olla se 105Ah. Mutta ei se yhtään haittais jos olisi edes tuo 136Ah laturi.. jenkeistä toki löytyisi suoraan tilalle pultattavaa 180Ah laturiakin :)

Juu, aattelinkin että joku 50-60 neliön jööti siellä pitää olla. No, täytyy lähteä metsästämään jostain. Itte attelin tosiaan heivata sen akun keulalta kokonaan pois ja pari laittais takapenkin tietämille. Jotenkin täytyy vaan koteloida että leimaukko tykkää, vaikka geeliakkuja meinaankin käyttää.

junnu78 19.11.2009 13:44

mitenhän toimisi tilanne, että ottaisi 24v järjestelmästä tollasen releen kautta virran syötön jännitteen alentimelle 24v/12v ja laittaisi yhden akun sinne päähän, että saisi fiksusti virrat läppärille ym ym 12v syöviin laitteisiin kabiinissa? onko järkeä?

Kartse1 19.11.2009 13:53

Noita 24V/12V releitä on ihan valmiinakin tehdastekoisia. Useimmille vaan hinta tulee esteeksi.

Jos haluaa manuaalisilla kytkimillä toimia, niin noi venekäyttöön tarkoitetut "akunvalitsin" -kytkimet on käteviä suht. pienillä virroilla (max.300A) käytettäessä.

Mikäänhän ei estä tekemästä siihen Hardcore -offilaitteeseen sellaista mekaanista kytkentää,
että laitetaan 2 samanlaista akkua suoraan rinnan, mutta laitetaan sinne akkujen maajohdon väliin Kunnolliset,
kuorma-autoissa käytettävät päävirtakytkimet (n. 2500A).

Akkuja voi sit käyttää vaikka vain yhtä kerrallaan tai molempia yhtäaikaa.
Sit kun auto jätetään pihan perälle, niin molemmat kytkimet nollille ja avaimet mukaan sisälle.
Ei tule sähköviasta aiheutuvaa tulipalon vaaraa & varkaat joutuvat vähän enemmän askartelemaan,
jotta pääsevät sillä autolla liikkeelle... :D

Marko.S 19.11.2009 14:07

Lainaus:

Alkuperäinen kirjoittaja 4x4lucifer74 (Viesti 615070)
Mitenkäs vinssaus tilanne?

Laturi lataa yli 13,6 V ja vinssi purkaa molempia akkuja? Sitten kun vinssiakun jännite laskee alle 13,6 niin vinssaus loppuu lyhyeen, kun laturi ja vinssi akku ei ole enää yhteydessä?

Eli pitää kykeä vinssiakkuun laturi ja starttiakku releen taakse?

Jaksaako 80A:n laturi ladata molempia akkuja jos toinen on just syväpurettu vinssillä?

Toi rele on senverta kallis et taitaa tulla luotettavampi systeemi kahdella laturilla?

Kokemuksia lisää, mätänettiin kiusaan myyjiä..

Jos kone käy niin vinssiakun jännite ei pitäisi laskea alle 13.6v. Muistaakseni ei laske virtaa vinssiakulta startti akulle päin ellei optiona olevaa katkaisijaa (on/off) ole kytketty jolloin yhdistää vinssiakun ja starttiakun. Itse kytkisin tämän sinun tapauksessasi laturin (starttiakun +napa) ja vinssiakun väliin.

Toisen akun ei pitäisi olla syväpurettuna missään vaiheessa. Jos olen laitteen toiminnan ymmärtänyt oikein.

Kallis ja kallis... Ei ne laturitkaan ihan ilmaisia ole, sekä sen asennus ja johdotukset.. vs, tämä kytketään akkujen väliin ja maapiuha laitteelle.

TimJus 19.11.2009 14:48

http://www.projecta.com.au/catalogue...12/noheaders/1

Rekisteröimätön 19.11.2009 15:36

Lainaus:

Alkuperäinen kirjoittaja Marko.S (Viesti 615111)
Jos kone käy niin vinssiakun jännite ei pitäisi laskea alle 13.6v. Muistaakseni ei laske virtaa vinssiakulta startti akulle päin ellei optiona olevaa katkaisijaa (on/off) ole kytketty jolloin yhdistää vinssiakun ja starttiakun. Itse kytkisin tämän sinun tapauksessasi laturin (starttiakun +napa) ja vinssiakun väliin.

Toisen akun ei pitäisi olla syväpurettuna missään vaiheessa. Jos olen laitteen toiminnan ymmärtänyt oikein.

Kallis ja kallis... Ei ne laturitkaan ihan ilmaisia ole, sekä sen asennus ja johdotukset.. vs, tämä kytketään akkujen väliin ja maapiuha laitteelle.

Ei ihan pidä paikkaansa, jos tai kun kuormitus on kova jännite laskee. Toki jos laturin teho riittää ~ 3,5kW niin silloin ei laske.
Käytännössä vinssauksessa purkautuu aina, siksipä pohdinkin tilannetta jossa täysi akku ja purettu kytketään releellä tai kytkimellä rinnan, ei välttämättä ihan paras mahdollinen ratkaisu.

Itse kytkisin akut suoraan rinnan kiinteästi, jos mega spuutta on arka jännitteen tippumiselle niin sille oma varasyöttö vaikka prätkän akusta. Senhän ei tarvii olla iso.

Marko.S 19.11.2009 15:53

Lainaus:

Alkuperäinen kirjoittaja Rekisteröimätön (Viesti 615139)
Ei ihan pidä paikkaansa, jos tai kun kuormitus on kova jännite laskee. Toki jos laturin teho riittää ~ 3,5kW niin silloin ei laske.
Käytännössä vinssauksessa purkautuu aina, siksipä pohdinkin tilannetta jossa täysi akku ja purettu kytketään releellä tai kytkimellä rinnan, ei välttämättä ihan paras mahdollinen ratkaisu.

Itse kytkisin akut suoraan rinnan kiinteästi, jos mega spuutta on arka jännitteen tippumiselle niin sille oma varasyöttö vaikka prätkän akusta. Senhän ei tarvii olla iso.

Tuo prätkän akku vaihtoehto on kyllä ihan fiksu, mutta eikö siti pitäisi olla rele välissä ettei vinssi tyhjennä sitäkin?

HRD 19.11.2009 16:09

En ihan heti usko, et mega ois sen herkempi jännitteelle, kun vaik joku possin ruutta. Onhan komponenteissa kuitenkin jännitteen kans jonkin verran peli varaa. Itellä ollu reilu pari vuotta suikka ruiskuilla, eikä ikinä vinssatessa ole ollut mitään ongelmia käymisen kanssa.
Pitäähän sen vinssin käytön kans kuiten sen verran järkee käyttää, ettei väkisin polta moottoria alijännitteellä. Kun on virtalaitteet (akku ja laturi) kunnossa, ni aika pitkälle pärjää. Jos haluu, et se vinssi ja muut sähkökalut toimii niinku pitää, ni tuskin kannattaa rakentaa millään aikansa eläneillä akuilla ja laturilla.

niko69 19.11.2009 16:25

onks toi mun jeeppi isompi ku teidän??!! :) iteelä samoja ajatuksia. laitan varmaan molemmat taakse ni saa painoa pois keulalta.
alle 50 neliöistä tuskin kannattaa edes harkita? sähkö on on sinistä ja sattuu! on niitä mustia ja erisävyisiä harmaita johtoja:)

sako 19.11.2009 19:29

Lainaus:

Alkuperäinen kirjoittaja Timo_L (Viesti 615075)
Mites se diodi- versio sitten pelittää? Eli siis yhtälailla lataus- kuin purkutilanteessa? Mulla on noi diodien ominaisuudet vähän hukassa, muutakun että ne päästää virtaa vain yhteen suuntaan. Miten kannattaisi kytkeä jne... Mulla meinaan vähän sama tilanne että olen aatellut kahta akkua, mutta vain yksi laturi (toiselle on aika heikosti tilaa enkä jaksa alkaa liikaa säheltämään).

Diodi ei johta kuin yhteen suuntaan ja diodin jälkeen on jännite n.0.7-1V vähemmän.
Esim. diodille tuleva johto 13V ja diodin jälkeen 12,3V.

SamiN 19.11.2009 20:22

Kattelin mätänetissä noita venekatkaisijoitakin, eli jompikumpi akuista tai molemmat mutta olipahan julmetun isoja! Pienempi vei tilaa kämmenen verran ja isompi vielä enemmän + korkeutta oli 5-7cm. Eivät välttämättä oikein sovi suikkaan, kun tuli riivittyä peltejä pois..

Päädyin kuitenkin rakentamaan kahden laturin ja kahden akun systeemin. Toi vinssiakku saa luvan opetella olemaan kyljellään, joko konehuoneessa tahi penkkien takana.

Muistin tota kaksoisakkurelettä tutkiessani tilanteen mettästä kun laturi sippas ja pelkällä akulla ei päässy pois kun joutu vinssaamaan..

Eli jos toinen laturi sippaa niin sitten kytkee akut rinnan (päävirtakytkin akkujen + napojen väliin) jolloin laturi lataa molempia. Muulloin vinssiakulle on toi vanin 105 A laturi (kunhan hepe muistaa hakea) ja sitten sytkälle ja muille normi toiminnoille toinen, joko toi sierran 65A tai sitten Bosch kopio 80A.

Eikös tollanen tuplalaturi systeemi ollu mm yhessä keltasessa suikassa? Oli ainakin kolme vinssiä ko. laitteessa..

sami_k 19.11.2009 20:51

mulla on suikassa tuplalaturi systeemi
mutta eise kaks laturia poista vielä sitä ongelmaa ettei purkais molempia akkuja vinssatessa
täytyy ne kumminkin erotella diodilla/tasasuuntaajalla

Timo_L 19.11.2009 22:02

Lainaus:

Alkuperäinen kirjoittaja sako (Viesti 615254)
Diodi ei johta kuin yhteen suuntaan ja diodin jälkeen on jännite n.0.7-1V vähemmän.
Esim. diodille tuleva johto 13V ja diodin jälkeen 12,3V.

Joo no siis kuten totesin niin tiedän että diodi päästää virtaa vain yhteen suuntaan, mutta mites se kytkentä? Ja miten muuten pelittää kahdella akulla, yms..?

SamiN 20.11.2009 00:13

Ei pitäs olla ongelmaa, kun toinen laturi lataa toista akkua ja toinen toista. Vinssi on kytketty vain toiseen akkun (optima) jota lataa 105A:n laturi. Vartan akku joka jää starttiakuksi saa latauksen siis 65 tai 80A:n laturilta.

Akut eivät ole siis rinnan muulloin kuin startatessa tai toisen laturin hajotessa. Mekaaninen päävirtakytkin akkujen väliin.

Eli mihin tota relettä / diodia tässä tapauksessa tarvii, kun on toisistaan erilliset systeemit?

Edittiä, siis joo, jos toinen laturi sippaa, silloin tietty pitäs akut erottaa, jottei vinssi tyhjennä molempia mutta toi häikkä tarkottaa yleensä sitä että leikki on loppu ja traileri kutsuu muutenkin..

Viipo 20.11.2009 00:26

Lainaus:

Alkuperäinen kirjoittaja 4x4lucifer74 (Viesti 615424)
Ei pitäs olla ongelmaa, kun toinen laturi lataa toista akkua ja toinen toista. Vinssi on kytketty vain toiseen akkun (optima) jota lataa 105A:n laturi. Vartan akku joka jää starttiakuksi saa latauksen siis 65 tai 80A:n laturilta.

Akut eivät ole siis rinnan muulloin kuin startatessa tai toisen laturin hajotessa. Mekaaninen päävirtakytkin akkujen väliin.

Eli mihin tota relettä / diodia tässä tapauksessa tarvii, kun on toisistaan erilliset systeemit?

Edittiä, siis joo, jos toinen laturi sippaa, silloin tietty pitäs akut erottaa, jottei vinssi tyhjennä molempia mutta toi häikkä tarkottaa yleensä sitä että leikki on loppu ja traileri kutsuu muutenkin..

Mulla on tällä hetkellä kaksi laturia ja yksi akku :P
Toi RJ:n oma 45A laturi ei vakuuttanu, niin laitoin kaveriksi boschin 90A laturin, mutten oo vielä jaksanu laittaa konehuoneeseen toista akkua sille.

Ja jos se toinen laturi sippaa, niin sitten edetään vaan hissunkissun sen toisen turvin. Yleensä se toinen tai ainoa laturi sippaa venäjällä heti ekana päivänä :P Ja taivallettavaa on vielä paljon.

Rekisteröimätön 20.11.2009 13:27

Lainaus:

Alkuperäinen kirjoittaja sako (Viesti 615254)
Diodi ei johta kuin yhteen suuntaan ja diodin jälkeen on jännite n.0.7-1V vähemmän.
Esim. diodille tuleva johto 13V ja diodin jälkeen 12,3V.

Muistaa sit kanssa että kun diodista menee virtaa läpi siihen DIODIIN jää tehohäviö U*I eli jos oletetaan että siitä menee läpi esimerkiks laturin tuuppaamat 70A ja jännitehäviö 0.7 niin 70A*0.7V=49W eli lämpöä tulee mukavasti.

Jos jäähdytys ei riitä on diodi hetken päästä kaputt.

Mikki 21.11.2009 14:44

Kyllä tästäkin on vaikeeta saatu aikaiseksi...

Eli kytke laturi akkuun kiinni, jossa vinssikin on, ei lopu se virta ihan just siihen paikkaan vinssaillessa ja saa laturikin tehdä sitten sitä työtä, johon on suunniteltu!

Ja moottorille laitetaan IHAN OMA AKKU, jota ladataan esim. 40A virranrajoittimella (releellä), jotta jännitetaso säilyy oikeana moottorin ohjainlaitteilla. Ja pitkään vinssatessahan se laturin kanssa oleva akku "hyytyy", jolloin moottorin akku jauhaa omillaan (ilman laturin tukea) siihen saakka, kun taas virtaa riittää muuallekin tuhlattavaksi. Diodit ei ole hyvä ratkaisu, koska niiden virransietokyky on mahdottoman huono ja aiheuttaa päänvaivaa "kovassa käytössä" (lisäksi akun tyhjentyessä, otappas siitä virtaa toiselle akulle "vastavirtaan" + siellä on AINA +0.7V jännitevuoto!)

Mersullahan (E ja S zarjalaiset) on näin tehty jo pidemän aikaa, siellähän on moottoritilassa "ohjainlaite akku" joka on huimaavat 40Ah ja takaluukussa löytyy 105Ah woimalaitos. Sen veran hyviä noi "pikkuakut" on, jotta pääakku kun menee täysin tyhjäksi, lähtee auto käyntiin, mutta "huvituslaitteet" ei toimi, koska pikkuakusta ei ole ylläpitäjäksi.

Tämän takia asiakas tulee korjaamolle, kun radio ei kuulu, ja penkinlämmittimessäkin on "jotain" vikaa... Ym ym...

Mikki 21.11.2009 14:54

Lainaus:

Alkuperäinen kirjoittaja sako (Viesti 615254)
Diodi ei johta kuin yhteen suuntaan ja diodin jälkeen on jännite n.0.7-1V vähemmän.

Ja tarkennukseksi, DIODI ALKAA JOHTAMAAN määrättyyn suuntaa 0,7V kyllästämisen jälkeen, ei se jännitettä hukkaa yhtään minnekkään! jos 13V ajat diodin läpi, niin 13V saat ulos... kollektoripinta sitten rajoittaa tuon virtamäärän, ja sehän diodilla on onnettoman huono!

0 - 0.7V aluella diodihan ei sitten toimi, vaan "vuotaa" viirran läpi, mihin suuntaan sitten tarvii...

Nyybin laskutoimitukset on sitten ihan oma maailman TAAS JÄLLEENKERRAN (eix niitä ny prkle saada täältä vaikka pelkäksi lukijoiksi, otettais mallia Volkkaripoikien sivuilta !!!)

Eskimo 21.11.2009 21:48

Lainaus:

Alkuperäinen kirjoittaja Mikki (Viesti 615948)
Ja tarkennukseksi, DIODI ALKAA JOHTAMAAN määrättyyn suuntaa 0,7V kyllästämisen jälkeen, ei se jännitettä hukkaa yhtään minnekkään! jos 13V ajat diodin läpi, niin 13V saat ulos... kollektoripinta sitten rajoittaa tuon virtamäärän, ja sehän diodilla on onnettoman huono!

0 - 0.7V aluella diodihan ei sitten toimi, vaan "vuotaa" viirran läpi, mihin suuntaan sitten tarvii...

Nyybin laskutoimitukset on sitten ihan oma maailman TAAS JÄLLEENKERRAN (eix niitä ny prkle saada täältä vaikka pelkäksi lukijoiksi, otettais mallia Volkkaripoikien sivuilta !!!)

Voi voi...

Kyllä siinä diodissa on kynnysjännite vaikka se johtaa ihan täpöllä. Riippuu diodin tyypistä mutta siellä 0.2-0.7 voltin välillä se on.
Sen verran se hukkaa siis jännitettä ja samalla suoraan ohmin lain mukaan tehoa. P=UI

Virrankesto on taas suoraan riippuvainen diodityypistä.

Lisäksi se ei päästä estosuuntaan yhtään virtaa oli jännite mikä tahansa.

Kartse1 21.11.2009 22:34

Akkuhan ei ota määränsä enempää latausvirtaa sisäänsä, vaikka sitä latailisi 200A:n laturilla.

Joa haluaa Normaalikäytössä olevaa akkua pitää hyvässä kunnossa, niin sitä ladataan n. 4A:n laturilla Joskus yön yli... :p

Eli jos lähdet vinssaamaan vinssillä ,joka imee vaikka 500A virtaa kuormittuessaan,
ja konehuoneessa on vaikka 100A:n laturi, niin sen laturin tehosta lähes kaikki
menee suoraan sen vinssin mottorille ja loppu virrantarve tulee akun purkaantumisesta.

Sitten kun vinssaus päättyy, niin ei se laturi vielä tuuppaa sita 100A:a sinne akkuun päin,
vaan osa menee auton käynnissä pitämiseen, valoihin,...
Akun lataukseen saattaa mennä vain 10A, riippuen akun kyvystä ottaa virtaa vastaan... :o

Yksi hyvä keino on säästää laturin hiiliä palamasta ylikuormituksen takia, on sammuttaa kone vinssauksen aikana.
Aikas monet laturivauriot tulevat sen takia, että hiilet kuumenevat ja katkeavat.
Tuossa on vaan se huono puoli, että jos vinssaa akun tyhjäksi, niin sitä konetta ei saa enää käymään ilman apuvirtaa.

Paitsi jos on tuo 2-akkujärjestelmä, tai edes starttiboosteri huoltoautossa mukana... :D

SamiN 21.11.2009 23:27

Lainaus:

Alkuperäinen kirjoittaja Kartse1 (Viesti 616153)

Yksi hyvä keino on säästää laturin hiiliä palamasta ylikuormituksen takia, on sammuttaa kone vinssauksen aikana.
Aikas monet laturivauriot tulevat sen takia, että hiilet kuumenevat ja katkeavat.
Tuossa on vaan se huono puoli, että jos vinssaa akun tyhjäksi, niin sitä konetta ei saa enää käymään ilman apuvirtaa.

Paitsi jos on tuo 2-akkujärjestelmä, tai edes starttiboosteri huoltoautossa mukana... :D

A-haa, tosta selkis miksi toi bilteeman bossi kopion hiili oli poikki..

Eli vinssatessa tulee ylikuorma laturille kun toi 55Ah :n keltanen optima EI yksinkertaisesti riitä.

Paljonkohan toi horsepoweri sitten oikein hukkaa tota poweria? En löytänyt mainintaa mistään paljonko vaatii virtaa?

Paljonko siis vinssit normaali vedossa ottaa virtaa?

Eli minkä kokoinen laturi + akku paketti on todettu riittäväksi päivän mittaiselle hupisessiolle?

BJ-40/76 21.11.2009 23:39

Diodien kynnysjännite on yleensä 0,7 volttia kun puhutaan sähkön siirrosta (pienemmissä, singaalidiodeissa jopa vain 0,2v)
Jännite tarkoittaa estosuuntaista jännitekestoa; jos ylitetään k.o jännite niin kunnossapysyminen vastaa hehkulampin pudottamista kaakelilattialle....
Virta tarkoitaa normaaliolosuhteissa riittävästi jäähdytettyä diodia
Tarkalleen ottaen diodin sisäisen pinnan maksimirajalämpötila tuhoaa diodin; vrtylläoleva kaakelilattia

Latureista senverran, että tyhjäkäyntikierroksilla laturi lataa noin 1/3 ilmoitetusta.
Akkujen virran vastaanotto on myös rajallista, mutta kun kyse on vinssauksen jälkeen lämpimistä akkuista, niin ne ottaa kunnossaollessaan virtaa ihan kunnolla:
Itsellä veneessä hupipuolella 3 x 60a "ladan" käynnistysakkuja, ja 2vuotiailla akuilla tyhjänä lähdettäessä bosch 115A laturi tuuppasi akkupakettiin yli 100A ensimmäisen tunnin, sitten virta tipahti, koska jännite laski 13,7v (konehuoneessa n.60c) latausvirta alkoi laskea jyrkästi n.2tunnin kuluttua, joten akkujen viimmeinen 20% vaati herkistelyä. virta oli noin 10A jännitteellä 13,6v.

jos akkujen lämpötila järkevä, esim. 20c niin latausjännite latauksessa saa olla hetkellisesti jopa 15v.
(jokainen tunti jolloin 15volttia niin lyhentää kestoikää huomattavasti),
Mutta satunnaisesti voi käyttää jännitteen 16v:ssa, pienellä virralla, tasapainottaa ominaispainot kennoissa.

Yritin äskön vastata tähän viestiin kattavalla pohdinnalla, mutta tipahdin ulos:

Jos offarit haluaa minun omakohtaisia kokemuksia sähkötekniikan "teoreettisesta" maailmasta, niin voin avata oman ketjun, missä voin käydä pikkasen läpi "teoreettista-"sähkötekniikkaa mm. jännitehäviöiden laskentaa, arvaillaan sopivia sulakkeita, ja laskea pari esimerkkiä akkukaapeleille takakonttiin.

-J-

SamiN 21.11.2009 23:52

Jep, aukaise uusi aihe , pysyy luettavampana kun ei hypitä eestaas.

kiinnostaa toi kaapelinpaksuus ,kun toisia piuhoja tarttis alkaa vetelemään..

RIPAX 22.11.2009 00:13

Back to basics..
 
Jotain mäkin autosähköstä ymmärrän mut yx on varmaa:mitä enemmän tavaraa sitä enemmän painoa ja mahdollisia vikoja.Mun ymmärtämykseni vinssi tarvii sen 500A/14v ja yxkää akku ei luovuta semmosta kovin kauvaa,en muista kuulleeni moisesta laturistakaan.Eli kone on oltava käynnissä vinssatessa.Eikä hiilet kärähdä vinssin takia,roottoria magnetoidaan samalla virralla oli laturin rasitus mitä tahansa.Yhet diodit poltin laturin persiistä aikoinaan,sieltä staattorista se virta mun tietääkseen tulee.Vanhoissa toitsun rele-mallin säätimissähän oli sitäkin vikaa et kärjet jumiin ja diodit pox.Mut asiaan:ei paras mut toiminta varmin reseptini on et mahollisimman suuri laturi,ja kuorma auton akku ja sekin lavan tahi takapaxin pohjaan ni ei niin liiraa talvella.Kaapelit 50mm2 autolle ja vinssille omansa.Yksin kertasta ja toimivaa,virta voi loppua joka tapauksessa.Joo edittinä sille bj40/76 et kirjota nyt helvetissä,kun on meittiä jotka liittää sähkötekniikkaan mitä ihmeellisimpiä taika-uskomuksia!

Kartse1 22.11.2009 01:49

Lainaus:

Alkuperäinen kirjoittaja RIPAX (Viesti 616182)
Jotain mäkin autosähköstä ymmärrän mut yx on varmaa:mitä enemmän tavaraa sitä enemmän painoa ja mahdollisia vikoja.Mun ymmärtämykseni vinssi tarvii sen 500A/14v ja yxkää akku ei luovuta semmosta kovin kauvaa,en muista kuulleeni moisesta laturistakaan.Eli kone on oltava käynnissä vinssatessa.Eikä hiilet kärähdä vinssin takia,roottoria magnetoidaan samalla virralla oli laturin rasitus mitä tahansa.Yhet diodit poltin laturin persiistä aikoinaan,sieltä staattorista se virta mun tietääkseen tulee.Vanhoissa toitsun rele-mallin säätimissähän oli sitäkin vikaa et kärjet jumiin ja diodit pox.Mut asiaan:ei paras mut toiminta varmin reseptini on et mahollisimman suuri laturi,ja kuorma auton akku ja sekin lavan tahi takapaxin pohjaan ni ei niin liiraa talvella.Kaapelit 50mm2 autolle ja vinssille omansa.Yksin kertasta ja toimivaa,virta voi loppua joka tapauksessa.Joo edittinä sille bj40/76 et kirjota nyt helvetissä,kun on meittiä jotka liittää sähkötekniikkaan mitä ihmeellisimpiä taika-uskomuksia!


Pienet kertaukset itse kullekkin on välillä paikallaan...:D

Itse asiassa Tavallinen auton laturi toimii seuraavasti:

Laturin roottorissa on sähkömagneetti. Sähkövirta magneettiin johdetaan liukurenkaiden ja hiiliharjojen avulla.
Kun magneetti pyörii, se indusoi jännitteen staattorin kolmivaihekäämitykseen.
Tämä kolmivaiheinen vaihtovirta tasasuunnataan diodisillalla.
Jännitteen säätö tapahtuu muuttamalla roottorin magnetointivirtaa. Juuri tämä rasittaa niitä hiiliä.
Mitä suurempi virta roottorin läpi johdetaan, sitä suurempi jännite staattoriin kehittyy tietyllä pyörimisnopeudella.
... tjsp... Nuhaisena ei älli pelaa ihan täysillä... :p

Vinssin moottori pyörii vaikka 9:llä voltilla, mutta ei siellä tyhjentyneessä akussa ole enää potkua,
eli se ei anna niitä tarvittavia Ampeereita riittävästi, jotta moottori jaksaisi pyöriä. Sekään ei tarvii toimiakseen tuota vakaata 14 Volttia.

Jos lähes täydellä akulla aletaan vinssaamaan, niin vinssin moottorin navoista mitatessa
saattaa tulla muutaman sekunnin 13 -14V:n mittaustuloksia,
mutta muutaman minuutin vinssaamisen jälkeen jännite on jo 10V.
Vinssi pyörii edelleen, mutta alkaa pitämään sitä omaa saundiaan, jonka jokainen on kuullutkin.:D

Normaali akku kärsii ladata hetken aikaa reilulla 10A:lla.
Jos vähän kypsynyt akku alkaa ottamaan 20A latausvirtaa, niin se kyllä kiehuu iloisesti muutaman minuutin kuluessa.
Hetken päästä kuuluu iloinen kajahdus, kun akun kannet lentävät pitkin konehuonetta... :p
Eli ei sitä akkua latailla suoraan 100A:n laturilla, kyllä se latausvirta menee suurimmaksi osaksi kulutuskojeille ja akku vastaanottaa sen mitä pystyy
(5 - 15A, riippuen varaustilasta).


Kyllähän noita kirjoituksia ja yksittäisiä mittaustestejä tänne nettiin mahtuu, mutta kaikkea ei pidä ottaa liian tosissaan ja oikeana oppina.

Aina ei myöskään pidä pahoittaa mieltään toisten kirjoitteluista ja vääristä informaatioista,
vaikka se meille kaikille on useinkin ylivoimaisen vaikeata kestää... :p

Toivottavasti joku nuori ja Innokas Insinööri jaksaa vääntää kansankielisen oppaan
auton sähkölaitteiden sielunelämästä. Siinä tulisi uutta & kertausta monelle,
ja se on aina tarpeen. Kaikille... :D

Viipo 22.11.2009 03:09

joo, ja tää on halpisakkujen ja noiden "deep cycle" akkujen erona.

Moni kuitenkin vinssannu sen oman akkunsa moneen kertaan kuivaksi ja sitten ajanu hetken.
No, kyllähän se satunnaisessa käytössä kestää tätä vuoden-pari, ennenkun antautuu ja kieltäytyy ottamasta yhtään virtaa vastaan. Tätäkin voi herätellä antamalla ylijännitettä (48v tasasuuntaajalla jos ei toimi, niin akku on romu)
Normi akut tavallisessa käytössä kestää jopa 10 vuotta, mutta esim. jakelu kuorma-autoissa kiehuu akut paskaksi jo 3 vuodessa perälautakäytössä. Sähkömoottori nappaa melkosen isot virrat ja laturi työntää mitä kykenee. Akkuun kertyy epäpuhtauksia elekrolyyttipinnoille, ja pinnat myös fyysisesti hajoavat. Kuorma-autoissa ei kuitenkaan ole, kuin yhdet ~110A 24v laturit

Hyväksyttävä tosiasia vaan on, että aktiivisessa sähkövinssikäytössä akut vaan kuolevat muutamaan vuoteen, ehkä jopa vuoteen.

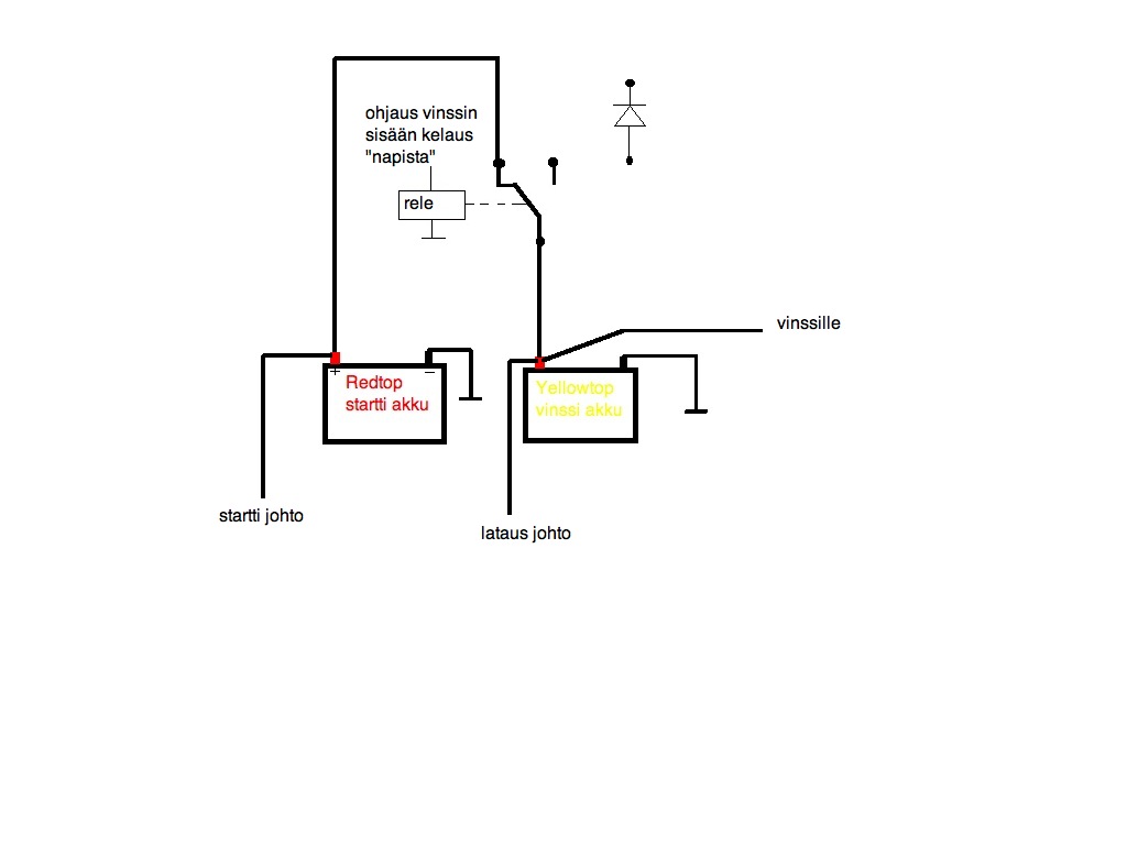
sako 06.01.2010 19:00

1 Liiteet
Tuli tossa yksi ilta mielee tollainen visio tuosta kaksoisakku järjestelmästä.
Pitäis tiedustella onko sellaisia solenoideja joissa on lepotilassa kosketin kiinni.
Antakaahan kommentia...

Liite 10202

BJ-40/76 06.01.2010 22:47

Tuossa kytkennässäsi oleva avautuvalla koskettimella oleva rele (solennoidi-) 30 amppeerin virrankesolla on ihan normaalia varastokamaa, mutta ei todennäköisesti kestä tuossa kytkennässä.

Noissa sähkövinssikytkennöissä minä kytkisin molemmat akut plus- navoista yhteen ISOLLA päävirtakytkimellä.

Jos pelätään starttiakun tyhjenemistä, silloin tarvitaan kalliimpia komponentteja ja monimukaisempia kytkentöjä.

Ja kuten useimmat meistä on kuullut, sähkövinssi vaatii ammpeereita (A) kunnollisella jännitteellä (U)
ja siihen on apuna seuraavat:
-Akkujen täytyy olla täynnä, kunnossa ja LÄMPIMÄT.
-Akkujen ja vinssin välissä pitää olla ainakin_tarpeeksi paksut, ja -lyhyt kaapelit (koskee 1:1 myös maa puolta)
-laturilta saadaan sähkö apua vinssaukseen, mutta se on mitätön apu (Kenen offiauto lataa tyhjäkäynnillä 25% vinssin maksimivirrasta?)

- ja kuten yllä olevasta huomataan; Isoista latureista on apua eniten kevyessä vinssauksessa, ja suurin nimenomaan akkujen lataamisessa, Latausjännitteestä voidaan olla montaa mieltä, mutta jos se on aina sama, niin 14,5v on minun valinta (kesällä pikkasen vähemmän, talvella enemmän ja jos kunnon vinssaus sessio niin silloin yksi voltti ylempänä, joka kyllä kiehuttaa akkuja, mutta ....)
yllämainitut jännitteet ovat nimenomaan akun napajännitteitä!!!!)
- Kylmän akun lataaminen on vaikeaa, mutta onneksi offipeleissä suurimmissa vinssaus sessioissa ei ole
kohtuutonta järjestää akulle plussalla olevia lämpötiloja.

-ja sitten tst pläjäys: Minulla on seuraava muistisääntö: kuparin sähkönjohto on 1/57 käytettäessä poikkipintana mm2 ja pituutena metrejä. eli yksi metri yhden neliömillin kaapelia on 0,0175 ohmia.
ja 5+5 metriä 35mm2 kaapelia 0,005 ohmia JA
jännitehäviö lasketaan seuraavasti U(jännite V) = R(resistanssi ohmia) kertaa I (virta A)
oletetaan että sähkövinssi ottaa 500 A (amppeeria) noilla 5m+5m 35mm2 johdoilla niin saad. seuraavaa=>
U=RxI => 0,005ohmi x 500A= 2,5 volttia.
Arvaus: 500 A kuormitusvirralla hyvän akun jännite on äkkiä alle 12v, ja vinssillä on silloin alle 9,5 volttia!!!

Sorry topiikin likaamisesta, yritän parantaa tapani

BJ-40/76 06.01.2010 23:22

Lykkään tapojeni parantamista vielä hieman:
 
Laskutehtävä kiinnostuneille:
Autossa esim 150A laturi, jossa sisäinen säädin ja -jännitteen säätö 14.0 volttia , lataa 4 mm2 poikkipintaisen, 1 metrin mittaisen johdon kautta akkuja, jotka ovat lämpimia ja puolityhjiä, k.o latauksella napajännite 13.7 volttia, akusta otetaan myös sähköt 4 parille 55w työvaloja, ja lämppärille yms yht.20A

(Kone kiertää kierrokset tapissa, ja maakaapelin jännitehäviö ei huomioida (kurjistas tilannetta edelleen))

Kuinka suurta virtaa laturi syöttää akulle ja kulutuksen?

- kuparisen metrin kaapelin resistanssi on 0,0044 ohmia
- laturilla 14.0v, akulla 13,7v, joten jännitehäviö U =0,3V

- aikaisemmassa replyssäni: U=RxI josta peruskoulun matikalla: I=U jaettuna R
ja siis laturin virta on 0,3 V / 0,0044 ohmia => 68 amppeeria, joista 36 A työvaloille ja 20 A auton muulle kulutukselle.

- Ai niin, sille puolityhjälle akkupatteristolle jäi 12 ampeeria, joten eivät purkaannu, vaan latautuvat.

p.s.s lataisi yhtähyvin myös reilulla tyhjäkäynnillä.

Ja jos joku haluaa laskeskella, niin oletetaanpa että maakaapeli on 0,5 metriä ja 16mm2
Akun jännite oletetaan samaksi!

-MAKE- 06.01.2010 23:42

Lainaus:

Kuinka suurta virtaa laturi syöttää akulle ja kulutuksen?
Hetken päästä ei yhtään kun se laturin johto kärähtää.

Tossa on hyvä paikka pistää selkeitä ohjeita.
http://faq.offipalsta.com/index.php/...oautotekniikka

RIPAX 07.01.2010 00:06

Nyt ollaan ytimessä.
 
Kunnioitettu BJ40/76,tarina oli mielenkiintoinen.Luen mielelläni tieteeseen ja faktoihin perustuvaa kuin perimä/uskomus/henget unessa kertoivat/jne tyyppisiä vuodatuksia.Itse tosin matematiikan tuntemuksestani johtuen käytän adita.fi sivuilla olevaa kaapelilaskuria kaapeleiden mitoittamiseen,ällös kavahda en toki ole taitamaton vaan peruskouluni opettajat olivat.:)Kartselle myös hatunnosto autosähkö luennosta,pieni mutta merkityksetön virhe oli se roottorin magneetti?Miksi siinä magneetti olisi?Miten sitä jännitettä sitten ohjattaisi?Eikö asia olekin juuri kuten sanoit mutta magneettiahan siinä ei ole,siksihän sitä magnetoidaan sillä tyypillisesti noin 5A virralla?

Kankku 07.01.2010 12:25

pakko jo kommentoida
me ollaan kiskottu yhdellä 70A:n laturilla varustettua suikkelia useita vuosia kisoissa.
aluksi yhdellä akulla ja myöhemmin kahdella akulla.
eikä mitään omituisia laturin rikkoutumisia ole ollut koskaan.:eek:

akkuja ja laturia kiusattu vinssatessa jopa niin pitkään että ksenonit sammuilivat ja sytytys jännite koneelle pudonnut niin paljon että moottori alkanut rööttäämään,vinssi lopettanut pyörimisen ja alkanut vinkumaan
eikä muuta tarvitse tehdä kuin pitää rööki paussii välissä antaa akkujen latautua ja jatkaa taas.


uskoisin nyt että tuo ongelma tuossa lusiferin tapauksessa on kaapeloinnissa tai kytkennöissä

eli tarkista kytkennät, että ovat OIKEIN.

meillä kaapelointi suoritettu niin että, +:ssa menee laturilta-startille-akkuihin
ja päävirran katkonta suoritetaan akkujen maadoituksesta runkoon.

laturi saa herätteen lataus valosta eli kun "virta" on kytketty niin merkkivalon johtoon tulee akulta + ja toinen valon johto menee laturiin herätteen liittimeen.
jos laturi ei lataa niin tuon merkkivalon johto maadoituu ja merkkivalo palaa, kun laturi alkaa syöttämään virtaa niin valo sammuu.

vielä ei ole tarvittu mitään lisä diodeja missään

Mico 07.01.2010 12:44

sotketaampas soppaa lisää, mulla on geessää yksi iso boschin laturi ja kaksi isoa exiden akkua, toinen konehuoneessa ja toinen kontissa.

etupään akussa on auton omat sähköt, takapään akussa on takavinssi ja invertteri

kun vinssatessa alkaa etu-akusta virta loppua, taka-akku kytketään kojelaudasta napilla-> vinssin relepoksista puretulla releellä runkoon

releen rinnalla on diodi joka hoitaa taka-akun ylläpitolatauksen

Kertaakaan en ole virran loppumisen vuoksi ollut kusessa tuon virityksen jälkeen... ja ei ollut kalliit osat

Killman 07.01.2010 15:06

Tein yksinkertaisen relekytkennän etu ja taka-akun välille. Otin releen kelalle jännitteen siten että kun sytytysvirta on kytkettynä rele vetää ja on päästäneenä kun virta pois tai kun starttaa. Lisäksi kykimellä mahdollisuus päästää rele manuaalisesti.

Akut ovat siis galvaanisessa yhteydessä kun moottori käy ja laturi lataa jolloin molemmat akut latautuvat, tyhjempi enemmän koska laturin jännite-ero on siihen suurempi. Kun sytytysvirta on katkaistu niin rele on päästänyt ja akut erillään.

Rele kestänee jotain 70A, ainakin on kestänyt muutaman vuoden. Jos jompikumpi akku alkaa hyytymään on kytkimellä päästettävä rele vinsattaessa ettei vinssin ottama virta tule releen läpi tyhjempään kuormitettuun akkuun (etuvinssi/etuakku ja takavinssi/taka-akku), muuten palaa johdossa oleva sulake. Laitoin 70A sulakkeet yhdistävän piuhan molempiin päihin oikosulkusuojaksi.


Niin, ja mitään vastuuta en tuosta virityksestä ota!


Sivu luotu: 19:28 (GMT +2).