Offipalsta.COM

Offipalsta.COM (https://forums.offipalsta.com/index.php)
-   Tekniikka & Jutustelu (https://forums.offipalsta.com/forumdisplay.php?f=150)
-   -   Suzuki SJ410 lisälämmitys (https://forums.offipalsta.com/showthread.php?t=158023)

Sumppi 08.12.2018 17:42

Suzuki SJ410 lisälämmitys
 
Onko kellään kokemuksia lisälämmittimen asennuksesta SJ410:iin. Omani normaali sisätilanlämmitys toimii tosi hengettömästi. Olen tutkimassa eberspächer ilmalämmittimen asennusta niin, että se puhaltaisi lämmintä ilmaa suoraan ohjaamoon. Tietenkin jos jollain on hyviä vinkkejä alkuperäisen lämmityksen parantamisesta, niin nuo vinkit otetaan mieluusti vastaan. Auto on minulla lähinnä metsästyskäytössä ja joskus tulee tilanteita, että koiraa joutu pitkäänkin odottelemaan autossa märissä vaatteissa.

wikke 08.12.2018 18:13

Onko kenno putsattu?

Heguli 08.12.2018 20:31

SJ410 on oikeesti lämmin auto, kunhan lämppäri vaan on kunnossa. Tarkista ekana, että lämpötilansäädin avaa kokonaan moottoritilassa rintapellissä olevan säätöventtiilin. Ja kuten wikke jo kyselikin, onhan lämppärin kenno putsattu ? Vanhoissa autoissa se on niin tukossa, ettei tuloilma juurikaan lämpene. Laita noi kuntoon niin ei tarvii lisälämppäreitä laitella.

Mika_T 08.12.2018 22:30

Ja oliko niin ettei SJ:ssä ole poistoilmalle mitään räppänää?
Tuttu rakensi takaoven alareunaan ilmanvaihto ritilän ja kaikki kosteushuolet katosi.

ruxu 09.12.2018 09:06

Oman SJ410 rakentelussa muovisessa kotelossa joka tuo ilman ulkoritilästä lämppärin kennolle oli myös uskomaton määrä mätääntyneitä lehtiä ja havunneulasia, joka esti ilman kulun tukkeutuneelle kennolle.

Eli jos hyvin haluaa homman tehdä niin pelkkä reiän poraaminen kennon koteloon ja sen putsaaminen reijän kautta ei välttämättä riitä.

Jos tekee niin ison työn että purkaa kojelautaa kunnon puhdistuksen tekemiseksi niin sitten kannattaa mielestäni myös tehdä ilmanottoritilän päälle suojahattu verkkosivuilla niin että kaikki roskat ei enää putoa suoraan ritilän aukoista sisään.

Sumppi 09.12.2018 17:39

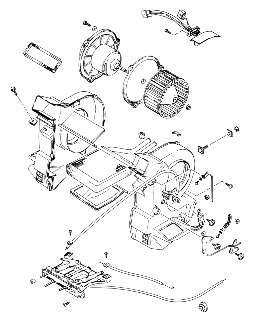
Kiitoksia hyvistä vastauksista ! Purin kolme vuotta sitten moottorin atomeiksi ja laitoin kasatessa paljon uutta. Nyt täytyy jossain vaiheessa laittaa tuo lämmityspuoli kuntoon. Vaatii kyllä varmaan kojelaudan purkamisen, että homma ei jää keskentekoiseksi. Löytyyköhän mistään ohjeita / räjäytyskuvia kuinka lämmityskennoon päästään käsiksi kojelaudan kautta ?

riude 09.12.2018 18:27

kvg sj410 heater cleaning
itse aikoinaan putsasin tekemällä reiän kylkeen ja imuroin sitäkautta. vaikutus oli todella dramaattinen.
itse tein reiän kuumennetulla katkoteräveitsellä.

ruxu 09.12.2018 18:38

Tässä pari kuvaa oman projektini kojelaudasta ja lämmityslaitteesta. Ensin kojelauta takaisinkoontivaiheessa...

https://forums.offipalsta.com/pictur...ctureid=122597

... ja sen jälkeen purkuvaiheessa pelkkä lämmityslaite paikoillaan...

https://forums.offipalsta.com/pictur...ictureid=72606

Eli aika paljon joutuu kojelautaa purkaamaan, jos haluaa kaikki ilman reitit putsata ilman reijän tekoa kennokoteloon.

Tässä vielä lämppärin räjäytyskuva...

https://forums.offipalsta.com/pictur...ctureid=217731

Sumppi 09.12.2018 19:10

On näköjään niin kova homma, että ei näin kaamosaikaan, kun autolla on viikottaista käyttöä kannata ryhtyä. Katsotaan, kun kevätaurinko alkaa lämmittää. Ei ole pikku juttu, mutta olisi kova sana saada auto lämpimäksi.

Heguli 10.12.2018 06:25

Verrattuna nykyautoihin toi kojelauta kaikkine osineen purkautuu aika loogisesti ja sulavasti.

LaaLaa 10.12.2018 12:41

Lähdetääs nyt siitä, että koko kojelaudan purkaminen lämpöisen puhalluksen saamiseksi on hullun hommaa.

Työkaluiksi tarvit paineilmaa, mattopuukon, kaasupolttimen, imurin, mutka pätkän n.25mm halkaisijaista letkua ja ilmastointiteippirullan (gorilla teippi on parasta).
1. Irroita kaasupolkimen yläpuolelta kotelon kyljestä ylöspäin lähtevä putki (neliskanttinen liitäntä)
2. Kuumenna kaasupolttimella mattopuukonterän päätä riittävän kuumaksi, että sillä saa leikattua muovi kotelon kylkeä
3. Leikkaa tässä videossa näkyvän tussiympyrän kohdalta ja vähän ylempääkin sopiva pala muovia pois kuumalla terällä https://www.youtube.com/watch?v=N_YVZmzo6L8
4. kuumenna terää riittävän usein, se jäähtyy nopeasti.
5. Ihmettele reijän takaa löytyvää tavaran määrää, ota siitä kuva.
6. Teippaa pätkä letkua imuriin kiinni ja ala imuroimaan kennon yläpuolta tyhjäksi. Puhalla samalla alapuolelta kennoon saadakseni kaiken pois.
7. Lopuksi teippaa reikä umpeen. Tulevina syksyinä voi toistaa käsittelyn ja vaihtaa teipit.

Tähän menee arviolta 30-45min ja voit nauttia taas lämpöisestä Suzukistasi.

Pelkkä mattopuukonterä lukkopihdeissä on myös toimiva ratkaisu. Ole kuitenkin varovainen liekin kanssa auton sisällä puuhastellessa.

Tässä yksi topicci aiheesta
http://www.suzukiclubuk.co.uk/how-to...your-sj-heater

Itse en henk koht suosittele tuota rasiaporaa /puuporaa reijän tekemiseen, turhan suuri riski kennon vahingoittumiselle. Samasta syystä käytän tuota kumiletkun pätkää jossa 45-90 asteen mutka imurissa kiinni, ettei kennon rivat lyttäänny ja pääsee kennon reunoistakin imemään. Toki jos pelkää kuuman puukon terän aiheuttavan ongelmia, voi poraamistakin kokeilla.

Rak 10.12.2018 15:23

Mä oon vaan työntäny imurin letkun em. reikään ja sen jälkeen kärjestä mutkalle väännetyllä paineilmapillillä(alunperin syylärinpuhdistukseen) töhötelly alapuolelta kunnes tavara on löytänyt tiensä imuriin.

Heguli 10.12.2018 18:06

Toimii toki tuo pelkkä imurointikin ja auttaa paljon tilanteeseen mutta ei imurilla kennoa saa kunnolla putsattua.

pee 10.12.2018 18:57

Fein tai vastaava, oikea työkalu tuohonkin puukotukseen

aatsi 10.12.2018 19:07

Juotoskolvilla on myös helppo tehdä muoviin halutun muotoisia reikiä.

Sumppi 16.12.2018 18:13

Tein tänään tuon yllä kuvatun reiän muoviin ja kyllähän siellä oli havun neulasia niin että aluksi piti tongeilla nyhtää. Reiän porasin akkukoneella käyttäen teränä vesihanoille tarkoitettua pöydän kannen lävistysterää. Otin keskiterän pois ja laitoin poraan kiinnityksen pultilla ja mutterilla. Kun tuolla pöyritin varovasti terää vastapäivään, niin siisti reikä syntyi helposti. Nyt jäi sitten tuo neliskanttinen ilmanohjausletku tuulilasiin laittamatta paikoilleen. Rankametsäpäivän jälkeen otsalampun valossa alkoi tulla sen verran paljon voimasonoja, että oli parasta lopettaa tältä päivältä. Voisiko poruka kertoa, millä konstein tuo ilmanohjausletku saadaan helpoiten paikoilleen. Tuntuu siltä, että meikäläisen kourat ei mahdu tuonne oikein mistään suunnasta.

cybress 16.12.2018 21:59

Lainaus:

Alkuperäinen kirjoittaja Sumppi (Viesti 1397840)
Tein tänään tuon yllä kuvatun reiän muoviin ja kyllähän siellä oli havun neulasia niin että aluksi piti tongeilla nyhtää. Reiän porasin akkukoneella käyttäen teränä vesihanoille tarkoitettua pöydän kannen lävistysterää. Otin keskiterän pois ja laitoin poraan kiinnityksen pultilla ja mutterilla. Kun tuolla pöyritin varovasti terää vastapäivään, niin siisti reikä syntyi helposti. Nyt jäi sitten tuo neliskanttinen ilmanohjausletku tuulilasiin laittamatta paikoilleen. Rankametsäpäivän jälkeen otsalampun valossa alkoi tulla sen verran paljon voimasonoja, että oli parasta lopettaa tältä päivältä. Voisiko poruka kertoa, millä konstein tuo ilmanohjausletku saadaan helpoiten paikoilleen. Tuntuu siltä, että meikäläisen kourat ei mahdu tuonne oikein mistään suunnasta.

Itte tein saman homman ja ei se ollu ku pukata paikalleen se putki. Vähän joutu muljaamaan sitä yläpäätä mut kyl se sinne meni.

Kettu_ 17.12.2018 04:37

Mä oikasin koko hommassa ja vetäsin suoraa rasiaterällä lämmönsäätöpanelin taakse kaksi reikää, toki eka vähän selasin intterwebsteriä jotta sais jonkun osviitan kennon paksuudesta niin tyydyin vetämään 5cm kennon yläpuolelle reijät ja sitä kautta sai syylärin 90ast letkulla ja imurilla imettyä rojut pois. Teho parani puolella ja samalla laitoin 323 mazdan puhaltimen vanhan vikisevän tilalle. Lämpöä riitti aluksi ihan ok kunnes pakkasilla rupes tulemaan viileetä taas. Jolloin vaihdoin termari ja laitoin pahvia keulalle + otin hanan konehuoneesta pois käytöstä ja vielläkään ei ajossa jaksanu työntää lämpöä niin kavoin laatikosta kiertovesipumpun ja laitoin sen vanhan hanan kohdalle niin nyt 7ast pakkassella joutuu jo ikkunaaraottamaan. Pumpun ansiosta pystyy olee lämpösessä autossa moottori sammuksissa kun vaimo käy kaupassa tms

Nerd-O 17.12.2018 09:18

Itsekin muinoin piti suikasta putsaa tuo kenno. Melkoinen määrä paskaa siinä ja lämpöä alkoi tulla heti kun se oli putsattu. Mutta jos lämpöä muuten haluaa niin eikö sinne voi esim. Pajerosta laittaa sen lisälämppärin? Muistelisin siinä olevan jonkin asteen lämmönsäätimen ja puhallin itsessään. Toki se käyttää auton moottorin lämpöä hyväkseen, mut jos ei tuota kennoa saa puhdistettua niin saa ainakin lämpöä. En vaan tiedä kuinka kehuttava tuo on ajaa esim. lumisateella kun kaikki jäätyy tuulilasiin kun sinne ei saa lämpöä.

Mika_T 17.12.2018 10:57

Tuollainen esim. Pajeron lisälämppäri ei poista sitten kosteutta ollenkaan kun se ei ota ulkoa raitista ilmaa. Kierrättää samaa kosteaa ilmaa ja huurruttaa lasit.

G13b 17.12.2018 11:47

Toimiiko Jimpassa sama tyyli, reikiä koteloon ja imuriputsaus?

kenppi 17.12.2018 17:26

Jimnyssä pitäisi olla hanskalokeron takana apukuskin jalkatilassa luukku raitisilmasuodattimelle. Sitä suodatinta siellä tuskin on mutta luukku pitäisi löytyä. Kai tuota kautta kennolta saa roskia imuroitua jollakin konstilla.

Kettu_ 18.12.2018 09:39

Lainaus:

Alkuperäinen kirjoittaja Nerd-O (Viesti 1397903)
Itsekin muinoin piti suikasta putsaa tuo kenno. Melkoinen määrä paskaa siinä ja lämpöä alkoi tulla heti kun se oli putsattu. Mutta jos lämpöä muuten haluaa niin eikö sinne voi esim. Pajerosta laittaa sen lisälämppärin? Muistelisin siinä olevan jonkin asteen lämmönsäätimen ja puhallin itsessään. Toki se käyttää auton moottorin lämpöä hyväkseen, mut jos ei tuota kennoa saa puhdistettua niin saa ainakin lämpöä. En vaan tiedä kuinka kehuttava tuo on ajaa esim. lumisateella kun kaikki jäätyy tuulilasiin kun sinne ei saa lämpöä.



Itse visioin patrollista lisälämppäriä mikä on keskellä/käsinoja mutta eihän sitä tommoseen purkkiin saa mitenkää järkevästi ja niin ku tossa mainittiinki jo että kierrättää sisä ilmaa=enemmän huurua. Ellei sitten koteloi jotenki ilman tuloa ulkoa? Omasta poistu kylmyys kiertovesipumpulla, huurtuvat takaikkunat kyllä löytyy viellä :D tietty jos tekis taakse jotain ilmankierto/veto räppäniä niin auttaako sekään sitten muuten ku vetää vaan enempi korvien välissä

MattiH 22.12.2018 23:10

Minkä kokoset letkulähdöt tarttee olla kiertovesipumpussa? Ei oikeen kunnolla puhalla lämmintä, vaikka lämppärin kenno putsattu sisältä/ulkoa, eikä ole törkyä ilmakanavissa. Säätöhana aukeaa täysin, vesipumppu ja termostaatti on uusittu moottorirempan yhteydessä.

Veden luulis kiertävän jotenkin kennon läpi, kai se joko kulkee täysin tai sitte ei ollenkaan, jos ny ilmalukkoa noihin mihinkään kohti pääsee edes syntymään.

Kettu_ 23.12.2018 08:31

Lainaus:

Alkuperäinen kirjoittaja MattiH (Viesti 1398320)
Minkä kokoset letkulähdöt tarttee olla kiertovesipumpussa? Ei oikeen kunnolla puhalla lämmintä, vaikka lämppärin kenno putsattu sisältä/ulkoa, eikä ole törkyä ilmakanavissa. Säätöhana aukeaa täysin, vesipumppu ja termostaatti on uusittu moottorirempan yhteydessä.

Veden luulis kiertävän jotenkin kennon läpi, kai se joko kulkee täysin tai sitte ei ollenkaan, jos ny ilmalukkoa noihin mihinkään kohti pääsee edes syntymään.



Vanhasta hanasta mitattuna 14mm näytti oma tönäri. Ite otin puolalta herätteen pumpun releelle

Nerd-O 27.12.2018 07:57

Lainaus:

Alkuperäinen kirjoittaja Kettu_ (Viesti 1397998)
Itse visioin patrollista lisälämppäriä mikä on keskellä/käsinoja

Patrolin ongelma taitaa olla 24v sähköt kun suikassa on 12v ;) Pajerossa ois suoraan 12v sähköt. Toki varmaan sen puhaltajan sinne saa vaihdettua.

Kettu_ 27.12.2018 23:38

Lainaus:

Alkuperäinen kirjoittaja Nerd-O (Viesti 1398524)
Patrolin ongelma taitaa olla 24v sähköt kun suikassa on 12v ;) Pajerossa ois suoraan 12v sähköt. Toki varmaan sen puhaltajan sinne saa vaihdettua.

Niin 160 patrollihan on 24v mutta eikös grät ole jo 12v. Järjestelmällä. Tai tässä luulossa olen elänyt :D

veijon-esso 28.12.2018 10:13

Mulla on blazerissa orkkislämppärin lisäks kaks hiacen takakontin lämppäriä, takajalkatilojen kulmissa. Ottaa ilman auton sisältä joo. Eikä todellakaan aiheuta mitään lisähuurtumista. Lämmin ilma pystyy sitomaan itseensä kosteutta enemmän kuin kylmä ilma ja orkkislämppäri kun imee ulkoa, niin senverran ilmaa myös poistuu autosta. Pelikillä lisälämppäreillä ei tietty kosteus poistu autosta. Mutta alkuperäisen lämppärin kanssa tehostaa myös kosteuden poistumista, lämpöähän noilla saa kabiiniin ihan älyttömästi.

BJ-40/76 29.12.2018 23:59

Suzukista ei kokemusta,,,,
 
Lainaus:

Alkuperäinen kirjoittaja Sumppi (Viesti 1397221)
Kiitoksia hyvistä vastauksista ! Purin kolme vuotta sitten moottorin atomeiksi ja laitoin kasatessa paljon uutta. Nyt täytyy jossain vaiheessa laittaa tuo lämmityspuoli kuntoon. Vaatii kyllä varmaan kojelaudan purkamisen, että homma ei jää keskentekoiseksi. Löytyyköhän mistään ohjeita / räjäytyskuvia kuinka lämmityskennoon päästään käsiksi kojelaudan kautta ?

Onko tuossa SJ-410 termostaatissa pelkästän yksi virtausta rajoittava "läppä"

Siis monessa japsi moottorissa on termostaatissa kaksi "läppää", tuo isompi päästää syyläriin esim. yli 82 C nestettä, ja se termostaattikotelon pohjaa vastaan tiivistyvä laippa (moottorin sisäinen kierto) avautuu vasta kuumana(asteista ei tietoa, varsinkaan bensiinikoneista)

Ja jos tarvike termostaatista puuttuu tuo 2. laippa, niin ainakin Toyotan dieselit eivät jaksa kierrättä vettä kunnolla lämmityslaitteen kennossa.
-> toyotassa tuo 2. läppä sulkee koneen sisäisen kierron, ja jos tarvike termostaatti, mistä puuttuu tuo läppä, niin vesipumppu pumppaa vettä, sinne minne se helpoiten menee, siis syyläriin TAIKKA koneen sisäiseen kiertoon.

Tuo Lämppärin kennon puhdistus on OK, pitää vain muistaa että siellä saattaa olla vuosikymmeniä vanhaa Materiaa, tuo multa ja kuusenneulaset yms.
Paineilmaa, taikka vesipesua pienellä paineella...

Tuo reiän sulattaminen koteloon ja imurointi on ok, ja varmasti tuo paljon parannusta lämpiämiseen ja hurteen poistoon.
Jos tuo ei riitä, niin sitten perusteellisempaan putsaukseen....

Kettu_ 30.12.2018 11:15

Tietysti jotain eristettäkin olisi hyvä olla autossa. Omassa ei ollut mitään katossa/lattiassa niin pakkasilla jäätä oli enempi katon sisäpinnassa kun ulko. Kattoon lätkäsin 25mm iv konehuoneissa käytettävää eristettä, nimeä en muista mitä se on mutta sillä ainakin parani lämmön sisällä pysyvyys. Lattiaan nyt ei oikeen voi muuta kun kumimatot viskata.


Sivu luotu: 20:40 (GMT +2).