Offipalsta.COM

Offipalsta.COM (https://forums.offipalsta.com/index.php)
-   Maasturiprojektit (https://forums.offipalsta.com/forumdisplay.php?f=180)
-   -   Käyttöauton laittoa - Grand Cherokee maastokelpoiseksi (https://forums.offipalsta.com/showthread.php?t=83165)

Timo_L 31.03.2013 22:40

Siinä entisen paloaseman tietämillä majailee ainakin WJ- mallin Grandi, missä on myös vähän karkeammat renkaat. En ole kyllä oman ZJ:n lisäksi muita vastaavia täällä nähnyt..

veijon-esso 31.03.2013 22:53

Kuin aktiivisesti tää on käytössä kun tuntuu olevan aina jotain suht strategista osaa ajon kannalta irrallaa, esim. simpukkaa tai akselit tai jakis.. Vai teeksä aina samantien kasaankin asti vai onko vaihto-osia mitä kunnostelet ja sit lyöt kiinni vai kuinka?

Timo_L 31.03.2013 23:04

Lainaus:

Alkuperäinen kirjoittaja veijon-esso (Viesti 990027)
Kuin aktiivisesti tää on käytössä kun tuntuu olevan aina jotain suht strategista osaa ajon kannalta irrallaa, esim. simpukkaa tai akselit tai jakis.. Vai teeksä aina samantien kasaankin asti vai onko vaihto-osia mitä kunnostelet ja sit lyöt kiinni vai kuinka?

Enimmäkseen päivittäisessä ajossa on. Osien kanssa vähän sekä että; esim. simpukka oli vanhasta Jeepistä minkä fiksasin ja löin kiinni, ei ollut poissa ajosta kuin sen verran että vanhan irrotin ja korjattu paikalleen. Jakis oli tarkoitus niputtaa tässä pääsiäispyhien aikaan ja pultata takaisin, mutta päädyin siihen että uusin kuitenkin kaikki tärkeimmät laakerit, stefat ja ketjun kun niitä tarkastelin siinä vaiheessa kun lodjut oli halkaistu auki. Jos tulevalla viikolla saisi osat niin ei tartte pitkään olla ilman autoa. Yleensä koitan hoitaa niin että on vaihto- osia mitkä kunnostaa ja lyö kiinni, niin voi pitää auton ajossa koko ajan. Viime keväänä tämä oli aika pitkään pukkien päällä, akselirempassa yms. meni "vähän" pidempään kuin oli aikomus :rolleyes: Toisaalta sen jälkeen on ollut päivittäisessä ajossa ja tarkoitus näin on toimiakin - kunnes on joskus varaa ostaa uudempi käyttö- Jeeppi jota taas rakentaa.

En vissiin ole ihan täysin terve, kun käyttöautoakin pitää koko ajan olla ropaamassa parempaan uskoon.. :D

Rytari 01.04.2013 13:56

Lainaus:

Alkuperäinen kirjoittaja Timo_L (Viesti 990033)
En vissiin ole ihan täysin terve, kun käyttöautoakin pitää koko ajan olla ropaamassa parempaan uskoon.. :D

ostappa joku "käyttis" ja koita kumpi jää pihaan aamulla...

niin kauan kun jeeppi liikkuu niin sillä on tullut lähdettyä

WinChester 01.04.2013 19:14

Lainaus:

Alkuperäinen kirjoittaja Rytari (Viesti 990236)
ostappa joku "käyttis" ja koita kumpi jää pihaan aamulla...

niin kauan kun jeeppi liikkuu niin sillä on tullut lähdettyä

Kun päivittäinen työmatka on 130km, niin Jeepin vapaaehtoinen käyttäminen siihen edellyttää esim. perässä traileria ja sen päällä toista Jeeppiä. :D Toisaalta sydäntalvella pidetyllä 7 vkon isyyslomalla kieltämättä neliveto oli yliveto!

Rytari 01.04.2013 22:11

Lainaus:

Alkuperäinen kirjoittaja WinChester (Viesti 990340)
Kun päivittäinen työmatka on 130km, niin Jeepin vapaaehtoinen käyttäminen siihen edellyttää esim. perässä traileria ja sen päällä toista Jeeppiä. :D Toisaalta sydäntalvella pidetyllä 7 vkon isyyslomalla kieltämättä neliveto oli yliveto!

en usko kyllä siihenkään, ei mun autossa ainakaan ollut ennen rakentamista mitään estettä tommosein matkojen ajamiseen, nykyisellään ehkä joku äänenvaimennus olis...

WinChester 02.04.2013 09:06

Lainaus:

Alkuperäinen kirjoittaja Rytari (Viesti 990441)
en usko kyllä siihenkään, ei mun autossa ainakaan ollut ennen rakentamista mitään estettä tommosein matkojen ajamiseen, nykyisellään ehkä joku äänenvaimennus olis...

Ne esteet onkin lompakon puolella polttoaineen kulutuksen ominaisuudessa. Kulutus 15l bensaa vs. 6,5l dieseliä tekee vuoden mittaan merkittävän loven tilipussiin. :)

Timo_L 02.04.2013 09:54

Varmaan jos päivittäiset jatkuvat ajot olisi luokkaa 100km tai enemmän, niin harkitsisi tosissaan diesel- version ostoa tai sitten bensa- tai diesel henkilöautoa. Omalla ~35tkm viimeiseen vajaaseen kolmeen vuoteen ajomäärällä en ole nähnyt järkeä kunnollisen diesel- version ostoon (= riittävän uusi ja tehokas, ei kiinnosta ajaa millään 2,5 litran nuhapumppu- dieselillä -> väh. 2,7 litran CRD WJ tai mielummin sitten 3,0 WK) koska ero hankintahinnassa ja käyttökuluissa on niin iso ettei se oikein auton elinkaaren aikana minulle sitä eroa maksa takaisin. Sama juttu on tuossa henkilöautossakin, ei se oikein tahdo maksaa pienillä ajomäärillä itseään niin ei ole mitään järkeä. Jos taas ajaisi pitkää matkaa niin pitäisi kuitenkin olla vähintään keskikokoinen auto, kun ei pikkuautolla kukaan jaksa pitkiä matkoja itseään kiduttaa.

Mielummin kuuntelen kasin hörinää ja nautin sen kulkupuolesta ;) Itse asiassa jos nyt uudempaan olisi varaa, niin todennäköisesti kauppareissu suuntautuisi kohti Saksaa ja kiikarissa olisi joku 2006-2008 hujakoilta 5.7 Hemi WK, tai JK Rubicon Unlimited bensakoneella (harmi kun siihen ei saa kasia) :D

veijon-esso 02.04.2013 10:51

Lainaus:

Alkuperäinen kirjoittaja WinChester (Viesti 990340)
Kun päivittäinen työmatka on 130km, niin Jeepin vapaaehtoinen käyttäminen siihen edellyttää esim. perässä traileria ja sen päällä toista Jeeppiä. :D !

Lainaus:

Alkuperäinen kirjoittaja WinChester (Viesti 990520)
Ne esteet onkin lompakon puolella polttoaineen kulutuksen ominaisuudessa. Kulutus 15l bensaa vs. 6,5l dieseliä tekee vuoden mittaan merkittävän loven tilipussiin. :)

Ootko kokeillu ilman traileria jos kuluttais vähemmän? :D

WinChester 02.04.2013 14:37

Lainaus:

Alkuperäinen kirjoittaja veijon-esso (Viesti 990548)
Ootko kokeillu ilman traileria jos kuluttais vähemmän? :D

Haha! Joo, se menee ilman traileria 12L/100km, jos ajaa "sukkasillaan" 80km/h. :D

Timo_L 02.04.2013 20:57

Jakolaatikon sisään- ja ulostulolaakerit lähti tilaukseen Kentso Oy:stä, kolme kappaletta alkuperäisiä Koyo:n laakereita yhteensä 85€ postikuluineen. Uudet tarpeelliset stefat ja ketju lähtee Rockautosta tulemaan varmaan loppuviikon aikana, samalla otan sieltä vielä yhden simpukan korjaussarjan lisää niin saa tuon auton alkuperäisen simpukan myös ehjättyä :)

Yhden stefan joutuu etsimään mittojen mukaan, kun vaihdan jakiksen takapään lähdön laipasta yokeen. Katotaan jos vaikka US- partsissa olisi; ainakaan parista laakeriliikkeestä ei sopivaa löytynyt, vaan olisi joutunut viemään SYE- kitin häntäpalan koneistettavaksi siitä mihin stefa laitetaan. Jos vain löytyisi mitoiltaan sopiva valmis stefa niin parempi niin kun olisi vähän halvempaa.

Eli siis ensi viikkoon menee ennenkuin on tarvittavat osat tallilla että pääsee kasaamaan, vähän tää nyt venähti aiotusta, mutta ei kait se haittaa. Huomenna jakolaatikon tyhjät kuorenpalat duunipaikan konekorjaamon pesukoneeseen puhdistumaan! :)

Rytari 02.04.2013 22:18

Lainaus:

Alkuperäinen kirjoittaja Timo_L (Viesti 990812)
Jakolaatikon sisään- ja ulostulolaakerit lähti tilaukseen Kentso Oy:stä, kolme kappaletta alkuperäisiä Koyo:n laakereita yhteensä 85€ postikuluineen. Uudet tarpeelliset stefat ja ketju lähtee Rockautosta tulemaan varmaan loppuviikon aikana, samalla otan sieltä vielä yhden simpukan korjaussarjan lisää niin saa tuon auton alkuperäisen simpukan myös ehjättyä :)

Yhden stefan joutuu etsimään mittojen mukaan, kun vaihdan jakiksen takapään lähdön laipasta yokeen. Katotaan jos vaikka US- partsissa olisi; ainakaan parista laakeriliikkeestä ei sopivaa löytynyt, vaan olisi joutunut viemään SYE- kitin häntäpalan koneistettavaksi siitä mihin stefa laitetaan. Jos vain löytyisi mitoiltaan sopiva valmis stefa niin parempi niin kun olisi vähän halvempaa.

Eli siis ensi viikkoon menee ennenkuin on tarvittavat osat tallilla että pääsee kasaamaan, vähän tää nyt venähti aiotusta, mutta ei kait se haittaa. Huomenna jakolaatikon tyhjät kuorenpalat duunipaikan konekorjaamon pesukoneeseen puhdistumaan! :)

heii... ota mullekki yks korjaussarja ku olis yks joutilas simpukka ja jos tulee vahingossa samasta paikasta niin yks apparin peili :)

Timo_L 05.04.2013 20:25

Nyt olis tilattu toinenkin simpukan täydellinen korjaussatsi, uudet jakolaatikon laakerit tuli Kentso Oy:ltä (alkuperäiset Koyon japsilaakerit :) ), Jamantilta pitäisi käydä hakemassa jakolaatikkoon tarvittavat stefat, uusi ketju jakoaskiin ja uudet kaasujouset takaluukkuun & lasiin tulee Rockautosta, ja takardaanin uusia Spicerin tai Precisionin ristikoitakin tarttisi..

Takakardaani muutoin meni uusittavaksi Ko-Met:iin (liuku siirtyy jakolaatikosta kardaaniin ja kardaania pidennetään 14cm), ja jakolaatikon takapään stefan sovitelaippa on valmis koneistamosta. Nyt tarttisi enää löytää jostain sellainen ihme jakoaskin persiiseen kuin "27 spline 1330- series fixed yoke, strap and/or CV mount". Tosin ei sellaista perkele tunnu löytyvän mistään, on vain 1310- sarjan 27- spoorista, tai sitten 1330 ristikolle 32- spoorista HD versiota :mad:

Spicerilta näytti kyllä saavan laippamallista kiinnikettä 1330- ristikoille missä täsmäisi laipan pulttijako olemassaolevaan jakolaatikon takakardaanin lähdön laippaan. Saatavuus vain on aika vajavainen, kun ei tahdo jenkeistäkään monesta paikkaa löytyä.. Hätäratkaisuna voisin käyttää vanhaa jakolaatikon slip yokea pätkäistynä ja keskelle reikä porattuna jolloin sen saa uuden jakolaatikon häntään kiinni, mutta ongelma on se että ensin tarttisi kiinnittää yoke jakoaskiin, sen jälkeen prässätä kardaanin ristikko siihen paikalleen :D Onnistuu kyllä auton alla, mutta aika vittumainen jos hajoaa metsässä.. :rolleyes:

454SS 07.04.2013 15:23

Timppa laitas nettilinkki esiin noista yokien kuvista mallinumeroineen vaikka ihan omaan topiciin ja sitten voidaan kerätä tietoja mikä käy mihinkin autoon. Saattais ehkä löytyä jostain muun merkkisestä vekottimesta sopiva kun tällä palstalla kuitenkin pyörii kaikkien eri merkkien harrastajia.

Timo_L 08.04.2013 19:17

Juu, täytyypä vähän tutkailla asiaa kunhan paremmin ehtii..

Tuli irrotettua laatikosta öljypohja, ja näky ei ollut ihan mairitteleva. Hyvä puoli on että metallihilettä ei paljoa ollut, mutta öljyt oli melkoisen tummat ja vähän kärähtäneen hajuiset :mad: Pitää vielä irrottaa venttiilikoneisto ja solenoidit sekä laatikon nopeusanturi, kattoa miltä ne näyttää. Joka tapauksessa ainakin governorin solenoidi sekä nopeusanturi pitää vaihtaa, koska ovat DRB- testerin mukaan rikki - eikä loota vaihda D- asennolla vaihteita kuin 3-OD-3 väliä. Manuaalisesti menee myös kakkonen vauhdissa, ja ykkösen saa päälle vain kun auto on paikallaan, ja käyttää kepin N:llä ja sieltä nopeasti 1:lle.. Ei ihan priimavedossa ole loota tällä hetkellä :D

Koitan hätäensiapuna jos hommassa selviää liemien vaihdolla, pantojen säädöllä ja noilla em. hilppeillä, mutta vahva epäilys on että laatikkoremontti on lähiaikoina edessä. Mutta jos saisi edes vaihdot toimimaan ilman kepin heilutusta, ja katotaan josko alkaa 1-2 vaihdon luisto hävitä. Jos edelleen luistaa, niin sitten menee remonttihommaksi..

Timo_L 10.04.2013 19:38

Pantojen säätöön olevaa työkalua ja/ tai sopivaa hylsyä ei oikein tahtonut löytyä, ja toisaalta etupannan säätöön olisi tarttenut jonkun kummallisen jatkovarrenkin. Hätä ei lue lakia, jos ei sopivaa työkalua ole niin se tehdään :D

1/2" -> 3/8" supistin, 7mm:n lenkkiavaimen lenkki rälläköitynä 7,5mm:iin ja samalla pohjan pyöristykset tehty neliöksi. Pääty hitsaten supistimeen kiiinni, varsi poikki ja vielä varren pää kiinni hitsaten & katkaisten niin tuloksena on 5/16" neliöpää, mikä sopii suoraan momenttiavaimeen ja mahtuu säätämään myös etupannan :cool:

http://timolampi.kuvat.fi/kuvat/Offr...pg/_medium.jpg


Jakolaatikon kuoret sain lasikuulapuhalluksesta (tuli halvaksi ihan oikeasti ;) ), nyt kelpaa sutaista maalit pintaan ja varmasti myös pitäisi tarttua jopa alumiiniin:

http://timolampi.kuvat.fi/kuvat/Offr...pg/_medium.jpg

http://timolampi.kuvat.fi/kuvat/Offr...pg/_medium.jpg


..ja Hammeriten pohjamaali päälle vedettynä, väittävät että pitäisi tarttua alumiiniin, nähtäväksi jää. Huomenna sitten hopeinen maali päälle. perjantaina pitäisi tulla jakolaatikon ketju niin viimeinenkin tarvittava osa on tallissa että voi kasata laatikon ja lyödä autoon kiinni toivottavasti viikonloppuna :) Tom Wood's:ilta pitäisi tulla parin kuukauden sisään markkinoille 242 jakolaatikoihin tarkoitettu ihan oikea SYE- paketti (ei siis näitä "hack and tap" tyyppisiä), missä siis tulee kokonaan uusi häntäkappale sekä uusi pääakseli 32- spoorisella ulostulolla ja 1330- sarjan yokella. Vielä jos se olisi tehty niin että pääakselilla voi käyttää 1.25" leveää ketjua & isompia ketjupyöriä niin olisi ihan harkinnan arvoinen kikkare. Nähtäväksi jää..

http://timolampi.kuvat.fi/kuvat/Offr...pg/_medium.jpg

young n dum 10.04.2013 19:59

amuliinin maalauksen onnistuminen on pitkälti kiinni kui äkkiä puhallukse jälkee vetäsee mällit niskaan ;)

ja tää projekti on oikeesti mukavaa luettavaa ku on tekiällä hanskassa Jeepit ja muuteki selvän olosta mitä tehään ja miten ne pitää tehä. ja tekniset info pläjäykset on kans jees!:D

Timo_L 10.04.2013 20:04

Lainaus:

Alkuperäinen kirjoittaja young n dum (Viesti 993651)
amuliinin maalauksen onnistuminen on pitkälti kiinni kui äkkiä puhallukse jälkee vetäsee mällit niskaan ;)

Jeps, mielummin heti kuin vähän myöhemmin. Mutta ei nuo onneksi ehtineet olla maalamatta käsittelyn jälkeen kuin reilu puoli vuorokautta, ei ainakaan näkyvää oksidoitumista ollut vielä. Hitto, kun olisi saanut johonkin fiksusti anodisoitavaksi nuo kuoret! :D

young n dum 10.04.2013 20:07

Lainaus:

Alkuperäinen kirjoittaja Timo_L (Viesti 993654)
Jeps, mielummin heti kuin vähän myöhemmin. Mutta ei nuo onneksi ehtineet olla maalamatta käsittelyn jälkeen kuin reilu puoli vuorokautta, ei ainakaan näkyvää oksidoitumista ollut vielä. Hitto, kun olisi saanut johonkin fiksusti anodisoitavaksi nuo kuoret! :D

anotisointia pakko kokeilla joskus ite! :eek: ei voi olla vaikeeta. pari purkkia vaa jotai mömmöjä ja vähä sähköä sekaan:D...?

sit sais kaikist osista NIIIN tehas tekosen näkösiä ....:)

WinChester 10.04.2013 21:04

Lainaus:

Alkuperäinen kirjoittaja Timo_L (Viesti 993629)
Pantojen säätöön olevaa työkalua ja/ tai sopivaa hylsyä ei oikein tahtonut löytyä, ja toisaalta etupannan säätöön olisi tarttenut jonkun kummallisen jatkovarrenkin. Hätä ei lue lakia, jos ei sopivaa työkalua ole niin se tehdään :D

1/2" -> 3/8" supistin, 7mm:n lenkkiavaimen lenkki rälläköitynä 7,5mm:iin ja samalla pohjan pyöristykset tehty neliöksi. Pääty hitsaten supistimeen kiiinni, varsi poikki ja vielä varren pää kiinni hitsaten & katkaisten niin tuloksena on 5/16" neliöpää, mikä sopii suoraan momenttiavaimeen ja mahtuu säätämään myös etupannan :cool:

Mää tein vastaavan työkalun putkenpätkästä hitsaamalla siihen 9/16 pultin, josta kulmat rälläkällä hiomalla 1/4-vääntiöiseen 14mm hylsyyn sopivaksi. Sitten neliön muotoinen 8mm öljyroppuavain lyömällä putkeen, niin siinä oli 8mm neliöpää valmiina.
http://forums.offipalsta.com/picture...ctureid=126794


Sitten ostin tämmösen, jolla oli helppo vääntää pannat momenttiin. Ei ole ainakaan liian iso säätöalue. Ja hienostelua tai ei, niin tällä väänsin myös laatikon öljypohjan pultit kiinni! :p Suorastaan nautinto käyttää upouutta momenttia! Monesti tulee väännettyä käsivaralta pultit ylitiukkaan, joten vaihteeksi kaikki on varmasti samassa momentissa ja mikäli tulis vuotoja, niin vika olis sitten muualla kuin löysissä pulteissa. :
http://kauppa.motonet.fi/web/guest/e...ductid=76-5016


Tätä jatkovarsityökalua varmaan tarkoitat...?:
http://www.jamant.fi/saatotyokalu-zj...05-p-3799.html

Ei tota ainakaan 46RH-askissa tartte, vaikka siihen näkyy "sopivan". Mää laitoin momenttiavaimeen jatkoksi 2" normaalin jatkopätkän tekemäni työkalun perään ja juuri mahtui vääntämään. Ropleemana korkeintaan lukkomutterin aukaisu ilman säätöpultin pyörimistä, mutta siitäkin selvittiin pikkujakarilla. Kick-down-vaijeri / kaasu piti vääntää täysille, niin vaihteiston pään vipu oli sopivasti pois momentin tieltä.

-MaTTi- 10.04.2013 21:09

Lainaus:

Alkuperäinen kirjoittaja Timo_L (Viesti 993654)
Jeps, mielummin heti kuin vähän myöhemmin. Mutta ei nuo onneksi ehtineet olla maalamatta käsittelyn jälkeen kuin reilu puoli vuorokautta, ei ainakaan näkyvää oksidoitumista ollut vielä. Hitto, kun olisi saanut johonkin fiksusti anodisoitavaksi nuo kuoret! :D

Mitäs hifistelyä nyt hammerite-timokin on alkanu hieromaan? :eek::D Lasikuulapuhallusta jo saanu ja anodisoinnista haaveilee. Nyt pitäis jo kiiltää auton alla näkymättömissä olevat osat... lipsuuko tässä ote vai ollaanko siirrytty perfektionisti portailla seuraavalle asteikolle?

Mitä tolla olis väliä vaikka pölisis valkeena pinta... no, onhan se mukavempi katella nättejä osia auton alla konttaillessa. :)

Timo_L 10.04.2013 22:11

Lainaus:

Alkuperäinen kirjoittaja -MaTTi- (Viesti 993724)
Mitäs hifistelyä nyt hammerite-timokin on alkanu hieromaan? :eek::D Lasikuulapuhallusta jo saanu ja anodisoinnista haaveilee. Nyt pitäis jo kiiltää auton alla näkymättömissä olevat osat... lipsuuko tässä ote vai ollaanko siirrytty perfektionisti portailla seuraavalle asteikolle?

Ehkäpä alkaa mennä perfektionismissa hulluuden puolelle? :D No, on mulla ollut joskus DH- fillarissa mm. anodisoidut navat & kammet, ja jarrukahvoissa hiilikuituiset kahvat, niin kait sitä voisi olla nelipyöräisessäkin jotain bling- blingiä mikä ei ihan näy kaikelle kansalle :p

No, toi anodisointi oli lähinnä sellaista ajatusleikkiä. Mutta tietyissä alumiinisissa auton osissakin se on ihan varteenotettava vaihtoehto, on loppupeleissä todella kestävä pintakäsittely alumiinille :)

Timo_L 12.04.2013 21:51

No nyt olis sudittu pari kerrosta Hammeriten hopeista vasaralakkaa jakolootan pintaan. Eiköhän tuon kehtaa auton alle ruuvata tollaisena? :D Huomenna ajattelin kasata laatikon, ja jos fiksusti menee homma niin laitan vielä autoon paikalleen. Se tosin on vähän vittumaista punnertaa yksin ja lupasivat vielä vesisadettakin, ja auto on ulkona.. no, elämä on :cool:

Laakerit ja etustefa yms. näyttää miltä näyttää, noi on vanhan rojut mitkä laitoin takaisin paikalleen puhalluksen ajaksi niin suojasivat koneistetut kohdat laatikosta.

http://timolampi.kuvat.fi/kuvat/Offr...pg/_medium.jpg

http://timolampi.kuvat.fi/kuvat/Offr...pg/_medium.jpg


Tuli myös automaatin öljypohjaan lisättyä tuo tyhjennysproppu, helpottaa tulevaisuudessa öljynvaihtoja yms. merkittävästi. :) Samalla mätkin 4"x4" parrun ja 7kg lekan avustuksella öljypohjan takaisin suoraksi (no, ainakin melkein). Se joskus puolitoista vuotta sitten teki tuttavuutta jonkun irtoparrun kanssa ja otti itseensä. Sen verran syvään oli painunut että öljynsuodattimessa näkyi myös vähän jälkeä. Suhautin vielä kilikali- pullosta mattamustaa pintaan, niin on taas kuin uusi :D

http://timolampi.kuvat.fi/kuvat/Offr...pg/_medium.jpg

http://timolampi.kuvat.fi/kuvat/Offr...pg/_medium.jpg

young n dum 12.04.2013 22:08

jakiksee ois kyl ment hyvi kirkas lakkaki päälle;)

WinChester 13.04.2013 09:17

Sun öljypohjassa on näköjään tollaset jäykistysrivat, kun mulla se on ihan suora. Sitämyötä roppu on pakko laittaa nurkkaan, joten valuu todellakin tyhjäksi, eikä pitäs tökätä kovin helposti mihinkään.

Hienohan tuosta jakolaatikosta tuli, mutta oksidoitunut pinta olisi suojannut paremmin kuin maali... :p Se kun uusiutuu skraaden jäljiltä ihan itse. Mutta ei kai niistä lisäsuojakerroksista haittaakaan ole ja onhan se ainakin hetken ihan kivan näköinen. :D

Timo_L 16.04.2013 10:29

Jakolaatikon ehjääminen jatkui viikonloppuna, tosin tuli pieni takapakki lauantaina kun sain lootan läjään ja ihmettelin miksi pääakselissa oli parin sentin päittäisvälys.. Ei tietenkään pysyneet alueet kohdillaan ja muutenkaan lodju toiminut. Alkoi kyrsiä sen verran että lopetin hommat (no, kellokin oli silloin jo lähemmäs kymmenen) että piti ottaa parit asennuskaljat :D Sunnuntai meni tontilla väliseinäharkkoja sahaillessa, maanantaina aloin tutkia uudestaan jakolaatikkoa. Epäilys suuntautui jostain välistä unohtuneeseen lukkorenkaaseen - ja se oli onneksi kaikista taaimmaisin. Puolen tunnin homma ja loota toimii :)

Piti lyhentää takakardaanin yokea, jotenkin piti saada rälläköityä se suorassa linjassa poikki. Virittelin yoken päädyn läpi 10mm:n pultin & mutterin, pultin pää pylväsporakoneeseen ja koneet laulamaan.. Tee-se-itse sorvi? :D

http://timolampi.kuvat.fi/kuvat/Offr...pg/_medium.jpg


Tuon näköinen siitä tuli - ja on muuten nyt 14cm lyhyempi paketti kuin alkuperäinen 249 slip yokella. Pitäisi senkin osaltaan helpottaa ettei tule mitään kardaaniongelmia eikä tartte käyttää tuplaristikkoa jakiksen päässä :)

http://timolampi.kuvat.fi/kuvat/Offr...pg/_medium.jpg

http://timolampi.kuvat.fi/kuvat/Offr...pg/_medium.jpg


Yoken kiinnityspultti vielä uupuu, pitää suurentaa kiinnitysreikää 0,5mm kun jäi sittenkin pieneksi. ..ja TIEDÄN, tuo yoke on idioottimaisin mahdollinen auton alle laitettavaksi, koska pitää auton alla prässätä ristikko kiinni ja laittaa lukkorenkaat. Perseestähän se on mutta sillä mennään toistaiseksi, koska mistään ei löydy 27- spoorista 1330- sarjan ristikoille olevaa fixed yokea, missä on u- pultit tai kiinnityspannat. Löytyy vain 26- ja 32- spoorista, tai sitten 27- spoorista 1310 ristikolle. Spicerin 2-2-949 laippa-yoke olisi sopiva, siinä on minulla jo olemassaolevan jakolaatikon takaulostulon laipan 4 x 3.5" pulttikehän jako, siihen menee 1330 ristikko, ja pituus koko paketilla on sama kuin allaolevalla virityksellä - mutta maksaa jenkeissäkin 80-90$ + postikulut yms.. saa vielä jäädä :D

http://www.northerndrivetrain.com/pr...I-2-2-949.html

WinChester 18.04.2013 22:59

Mikäs ajatus sulla oli ton takayoken kanssa, kun eikös se ZJ:n vakiokardaani olis pitäny mahtua sellaisenaan paikalleen myös 242:een; mulla ainakin mahtui? Ja kun sullahan oli orkkista tiuhemmat välityksetkin perissä, niin ei kai orkkisrakenne nyt olisi katkennut edes 360:n "isolohkon" ;) 450Nm väännöilläkään... Ja eikös tuo rakenne nyt kuitenkin ole vähän kuin "hack n´tap" -tyyppinen, vaikka lyhempi onkin?

Mulla on vielä tallella XJ:n "väärä" lyhyt takayoke (kuvassa oikeanpuoleinen), johon teetätin siitä puuttuneen prikan rosterista. Jos alustakorotuksesta tulee kardaanivärinöitä, niin sitten jakiksen output-akselia lyhemmäks, toi ja ZJ:n etukardaani paikalleen, ja VOT! Ei tartte sompailla mitään veemäisiä sokkia yms. ja luulisi kestävän pikkulohkon tehot "isoilla" 33":lla! :D:p

http://forums.offipalsta.com/picture...ictureid=64881

Timo_L 19.04.2013 09:59

Lainaus:

Alkuperäinen kirjoittaja WinChester (Viesti 996707)
Mikäs ajatus sulla oli ton takayoken kanssa, kun eikös se ZJ:n vakiokardaani olis pitäny mahtua sellaisenaan paikalleen myös 242:een; mulla ainakin mahtui?

Orkkis takakardaani jäi 14cm liian lyhyeksi.. Kun mulla tuossa XJ:n takapuolikaassa on jo hack 'n tap tyyppinen SYE niin lyhentää aika lailla pituutta. Lisäksi kun tuo takapuolikas on vuosimallin '90 autosta, niin ei kardaani olisi kuitenkaan käynyt sellaisenaan koska toi slip yoke on erityyppinen vuoteen '95 asti ja '96 eteenpäin.


Lainaus:

Ja kun sullahan oli orkkista tiuhemmat välityksetkin perissä, niin ei kai orkkisrakenne nyt olisi katkennut edes 360:n "isolohkon" ;) 450Nm väännöilläkään... Ja eikös tuo rakenne nyt kuitenkin ole vähän kuin "hack n´tap" -tyyppinen, vaikka lyhempi onkin?
Eihän se siitä ole kiinni että orkkisrakenne mihinkään katkeaisi, sehän on sellaisenaan kestävä eikä näin matalassa autossa mitään ongelmia ole kardaanikulmissa tai ei pitäisi olla myöskään slip yoken kanssa. Tosin mulla on akseliväliä kasvatettu -> slip yoke ei ehkä ole ollut ihan riittävän pitkällä spooreissaan ja siksi takakardaani väristänyt tietyissä nopeuksissa. Kardaani kuitenkin oli tasapainossa, uudet ristikot ja kulmat asteen kymmenyksen tarkkuudella oikein.

Kyllä, kuten ylläkin jo laitoin niin tuo on hack 'n tap SYE, kun se tuossa '90 pääakselissa/ kuoressa jo valmiina oli. Ei sitä siitä poiskaan pysty ottamaan :D


Lainaus:

Mulla on vielä tallella XJ:n "väärä" lyhyt takayoke (kuvassa oikeanpuoleinen), johon teetätin siitä puuttuneen prikan rosterista. Jos alustakorotuksesta tulee kardaanivärinöitä, niin sitten jakiksen output-akselia lyhemmäks, toi ja ZJ:n etukardaani paikalleen, ja VOT! Ei tartte sompailla mitään veemäisiä sokkia yms. ja luulisi kestävän pikkulohkon tehot "isoilla" 33":lla! :D:p
Noita 1310- sarjan yokeja löytyisi 27- spooriseen akseliin, mutta en sitä halua. Mielummin pidän kardaanissa mahdollisimman ison ristikon, tässä tapauksessa 1330:n mikä siellä on valmiina ollutkin. Noita 1310- ristikoita on mennyt yhdessä jos toisessa katuautossakin rikki missä on suunnilleen saman verran ruutia, ja nyt kun takavetolaatikko on kiinni niin kaikki rasitus tulee sinne normiajossa. Jossain vaiheessa tilaan jenkeistä sen 1330- laippa-yoken mikä menee itsellä käytettävissä olevilla osilla kiinni, tai sitten Tom Wood's:in 242 HD SYE- kitin missä tulee uusi 32- spoorinen pääakseli yms..

ZJ:n etukardaania en saisi millään paikalleen, siinä kun on CV- nivel etupäässä - tosin ei täsmäisi pituuskaan ;) Ylipäätään taakse ei tuplaristikollista kardaania tartte, kun on sen verran pitkä kardaani ja matala alustakorotus. Eikä sen puoleen ihan helpolla voisi mulla laittaakaan, kun taka- akselin trussi on sen mallinen ettei tahtoisi enää panhardi mahtua paikalleen jos tarttee kauheasti pinionin nenää nostaa korkeammalle kuin se nyt on.. edit: tuplaristikkokardaanissa toki olisi se hyvä puoli, että saisi pinionin etupäätä hieman ylemmäs ja näin tuo alumiinibanjo sekä kardaani olisi vähän paremmin suojassa. Ei siitä kuitenkaan mitään muuta hyötyä ole, lisää vain huoltokohteita kun enemmän niveliä ja ristikoita ;)

WinChester 19.04.2013 11:16

Jaa sulla oli siellä SYE jo ennestään, no sit ei mitään. Mulla puolestaan ei ollut XJ:ssä, eikä ole tässä ZJ:ssäkään ja mikäli vakiotakakardaanin pituus sattuu kohdalleen vielä korotuksen jälkeen niin menköön tuollaisenaan.

Jos sitten tarvitsee, niin mun vara-ZJ:n etukardaani sen sijaan on ristikolla - lienee jälleen näiden gen1 ZJ:den hyviä puolia :D - joten se kävisi myös taakse, vaikka pituudesta ja sen riittävyydestä ei ole tarkaa tietoa. Ko-Met tietysti sen tarvittaessa korjaa.

Saitkos muuten hommattua ZJ:hin käypäiset 242:n vaihdevivut ja kaavion jostain?

EDIT: Entäs oliko pantojen kiristyksellä mitä vaikutusta lootan vaihtamistapaan? Kun sain omastani säädettyä vielä kick-down-vaijeria, niin ero on melkoinen! :D

Timo_L 19.04.2013 12:51

On noita CV- kardaaneja kait osassa vanhempiakin.. uudemmissa taas taitaa olla kaikissa.

Ajattelin koittaa rakentaa suoran "nivelistön" tohon jakolaatikolle, kun toi tehtaan moninivelhässäkkä on aikalailla paska. Pari sopivankokoista uniball- päätä ja vahvaa kierretankoa. Voi olla että joutuu vähän muuttamaan jakolaatikon kyljessä olevaa läpyskää. Ainakin XJ:ssä onnistuu aika helpolla, katotaan miten ZJ:ssä. Jostain pitäis se kaavio koittaa löytää, jos ei sitten XJ:stä saa järkevännäköisesti sovellettua :)

Laatikon toiminnasta ei ole vielä aavistustakaan, en ole vielä päässyt ajamaan.. koitin ilman kardaaneja niin ainakin kaikki vaihteet näytti kytkeytyvän eikä öljyä vuotanut mistään :D

JAMANT 19.04.2013 12:57

Lainaus:

Alkuperäinen kirjoittaja Timo_L (Viesti 996817)
On noita CV- kardaaneja kait osassa vanhempiakin.. uudemmissa taas taitaa olla kaikissa.

93-95 on ristikot (3 kpl) ja -96 lähtien on se etummainen CV ja sitten -99 lähtien molemmat päät on CV, 2005 ja uudemmissa on muuten molemmat CV, paitsi jos on 3.7V6 -koneella, sitten takapää on CV ja etupää on ristikolla ja nämä siis vain Grand Cherokeet ja etukardaani (tämmöistä triviaalitietoo..)!!

Timo_L 19.04.2013 13:20

Juu.. zj:n osalta sitä akselinpuolta meinasinkin. Onneksi jakiksen pää on tuplaristikolla :) no, saahan ne cv:t vaihdettua yokkeihin noissa uudemmissakin jos tarvetta on.

Timo_L 21.06.2013 18:42

Jotain pientä virittelyä tullut tehtyä, fiksasin mm. alkuperäisen simpukan joka oli jo vähän kulahtanut. On huomattavasti parempi ohjaustuntumaltaan kuin '90 vuosimallin XJ:n simpukka, vaikka pitäisi olla sama laitos. Fyysiset mitat täsmää, mutta tiedä sitten missä on ero kun tuo XJ:n simpukka jonka korjasin aiemmin. Cherokeen simpukka on jostain syystä paljon enemmän tehostava kuin ZJ:n versio. Täsmälleen samat tiivisteet yms. sinne meni sisään, ja muutenkin on fyysisesti aivan samannäköinen ja kokoinen kuin Grandin versio, samassa ohjaustehostimessa kiinni ja sama määrä ratin kierroksia laidasta laitaan, samat säädöt molemmissa simpukoissa. Erikoista.


Etuvilkuista tuli sanomista leimalla kun oli alkuperäinen kuskin puolelta rikki, vaihdoin sitten samalla molemmat kirkkaisiin malleihin alkuperäisistä oransseista. Ostamani on jenkkimallit, en löytänyt mistään euro- mallin kirkkaita järkihinnalla. Jenkkimallissa on lampun kiinnitysjalan lukitus erilainen kuin euro- malleissa, mutta sisältä vilkku on ihan sama. Molemmat myös käyttää lampun kiinnitysjalassa samaa polttimon kantaa. No, piti tehdä pieni muokkaus, tuossa jenkkimallin alkuperäinen lampunjalan kiinnityksen lukko:

http://timolampi.kuvat.fi/kuvat/Offr...jpg/_small.jpg

..ja tässä euromallin vilkusta leikattu & liimattu lampunjalan kiinnike tilalle (huomaa lukitushahlojen erot):

http://timolampi.kuvat.fi/kuvat/Offr...jpg/_small.jpg


Nyt näyttää valot tältä, sopii mielestäni paljon paremmin auton väreihin kuin alkuperäiset oranssit:

http://timolampi.kuvat.fi/kuvat/Offr...jpg/_small.jpg

http://timolampi.kuvat.fi/kuvat/Offr...jpg/_small.jpg


Olen ihmetellyt ilmastoinnin toimimattomuutta, siitäkin selvisi kaikensorttista. Viime kesänä täytin järjestelmän, oli melkein tyhjä. Jo silloin ihmeteltiin että sekä ala- että yläpaineet oli hivenen korkealla, mutta kuitenkin sallitun rajoissa. Kuitenkin paikallaan seisoessa ei aina puhaltanut kylmää, liikkellä ollessa kyllä. Talven jälkeen järjestelmä oli taas aivan tyhjä. Huiskaisin Hämeenlinnaan tekemään vuototestiä, pääkaupunkiseudulta kun ei kyseistä palvelua tuntunut saavan mistään :mad:

Tehtiin ensin 5bar paineella ja sitten 22bar paineella typen kanssa, saippuavedellä tutkittiin liki tunnin ajan mutta ei vuotoja löydetty ja painemittarin viisarikaan ei ollut värähtänyt. Eli ei mitään näkyviä vuotoja. Alipaineella järjestelmä tyhjäksi/ kuivaksi, uudet aineet sisään vuotoilmaisuvärin kanssa. Auto käyntiin ja heti huomattiin että alapaineet nousi reiluun 5bar paineeseen (pitäisi olla vallinneella ~20 asteen lämpötilalla n.2 bar), yläpaineet kipusi aika äkkiä 30 bar. tuntumaan - eli ihan liikaa. Sähköflekti autossa on kuitenkin toiminut - tai niin ainakin luulin. Flekti on puhaltanut kun kone on lämmin eikä koskaan lähelläkään ole ollut keittämistä. En vain tiennyt että flektissä pitäisi olla myös hidas nopeus, mikä ei ole toiminut omassani. Tästä johtuen hitaassa ajossa yläpaineet on kerinnyt nousemaan sen verran nopeasti liian korkealle, että korkeapainepuolen paineanturi (joista toinen käskyttää vain flektin hidasta puolta päälle, ja toinen kompuran magneettikytkintä auki) ei luultavasti ole ehtinyt mukaan riittävän noepasti, jolloin ilmastoinnin varoventtiili on pikkuhiljaa suhauttanut turhat paineet pois järjestelmästä, ja siksi se on tyhjentynyt. Varoventtiili toimii n.33 bar kohdalla, kun järjestelmän normaalit maksimipaineet pitäisi olla jossain 27-28 bar. hujakoilla.

Asiaa tutkittuani totesin, että flektin hitaan nopeuden pitäisi puhaltaa aina ilmastoinnin ollessa päällä, ja jos kone liian lämmin niin sitten hyppää korkealle nopeudelle. Selvisi myös, että 5.9:n sähköflektin moottorista tahtoo hidas puoli kärvähtää. Hitaan nopeuden rele naksui kun koitin sekä ylävesiletkusta että ilmastoinnin korkeapainepuolen anturin liittimestä, eli se puoli voidaan poissulkea. Samoin korkeapainepuolen toisesta tunnistimesta kokeilin että magneettikytkin irrtottaa kuten pitäisi -> toimii. Hyvä juttu sinänsä, mutta huono homma on se että flektin moottori on rikki ja uusi alkuperäinen flekti maksaa jenkeissäkin 550-710$ - ei kiitos. Pelkkää moottoria ei tähän saa, ja tarvikeosana ei ole flektiä eikä moottoria. Myöskään pienemmästä 5.2 moottorisesta ei osat käy, koska ne käyttää viskoflektin ja pienemmän sähköflektin yhdistelmää. Voisi sovitella, mutta pidän mielummin pelkän sähköflektin.

Tutkin lisää, ja selvisi seuraavaa:
1. Siemens/VDO:n moottori # PM9069 on muuten sama kuin 5.9:n alkuperäinen, mutta tarkoitettu Fordiin -> ko. moottorissa on liitin virransyötölle, eikä johdot suoraan kiinteästi sisään kuten Jeepissä (Jeepissä liitin on hieman pidemmällä). Tätä moottoria saa mm. Rockautosta, hinta 61€.
2. Motorcraftin osa # WPT168 (johtonippu/ liitin) on oikea malli ym. moottoriin, toisessa päässä liitin joka sopii moottoriin ja toinen pää johtosarjasta on "vapaa". Myös tätä saa Rockatuosta, hinta 21€. Lähetyskuluineen yhteensä 150€, aika paljon vähemmän kuin uusi Moparin moottori! :)

Jeepin flektin moottorista johdot poikki ja liittää sen tuohon Motorcraftin johtosarjaan ja se kiinni uuteen moottoriin, Jeepin alkuperäinen moottori irti propellista, propelli kiinni uuteen moottoriin ja moottori kiinni Jeepin flektin runkoon -> toimiva flekti joka itse asiassa puhaltaa vielä hieman nopeammin molemmilla nopeuksilla kuin Jeepin alkuperäinen. Aika lailla halvempi setti kuin ostaa uusi :) On vielä osat tilaamatta, mutta pitää laittaa tilaukseen lähiaikoina. Sillä välin täytyy hätäensiapuna tehdä niin että flektin diagnostiikkaliittimestä laittaa pari nastaa yhteen hyppylangalla, jolla saa flektin pyörimään täysnopeudella silloin kun pitäisi olla hitaalla, ja tietysti pyörii myös nopealla kun sitä tarvitsee. Haukkaa vain virtaa niin pirusti että tuo saa toimia väliaikaisratkaisuna.

Tässä linkki kuviin jonkun toisen Jeepistä missä tehty tuo moottorivaihto:

http://www.flickr.com/photos/4010925...087193/detail/

rane58 21.06.2013 22:17

Ei enää kylmene.
 
Voiko tuollainen ilmastoinnin vika tulla ZJ:n 4L koneeseen myös?
-Siis noi flekti jutut...? :o

Timo_L 21.06.2013 22:31

Ainoastaan 5.9 koneisessa on pelkkä sähköflekti jäähdyttämässä, mutta toki 4.0 tai 5.2 koneisessakin voi erillinen pienempi sähköflekti hajota, tai ohjaus pettää (rele rikki). Ainakaan lämpimällä kelillä pelkkä viskoflekti tyhjäkäynnillä ei välttämättä riitä ilmastoinnin lauhduttimen jäähdyttämiseen. Käsittääkseni kaikissa ilmastoinnilla varustetuissa ZJ:ssä ja XJ:ssä on viskon lisäksi pienehkö sähköflekti, osassa muutenkin.

rane58 22.06.2013 00:41

Tahtois viilennystä myös.
 
Hitto noitten kanssa, outoa ettei pks ole osaajia/tekijöitä ilmastoinnin temppuilun korjaukseen! :confused:
-Onhan noita täyttäjiä mutta.....:rolleyes:

Timo_L 22.06.2013 01:30

Lainaus:

Alkuperäinen kirjoittaja rane58 (Viesti 1017900)
Hitto noitten kanssa, outoa ettei pks ole osaajia/tekijöitä ilmastoinnin temppuilun korjaukseen! :confused:
-Onhan noita täyttäjiä mutta.....:rolleyes:

Juu, PK- seudulta ei tunnu sellaisia osaajia löytyvän jotka haluaa tehdä vikadiagnoosia. Joko tarjotaan täyttöhuoltoa, tai sitten täyden palvelun fiksausta avaimet- käteen periaatteella ja lapussa hintaa 1000- 2000€ :mad: no, vähän pidemmällä vielä osataan, H-linnan reissusta köyhtyi vuototestin teosta + laitteiston täytöstä 120€ ja ajomatkan bensat päälle :)

WinChester 22.06.2013 07:01

Vanhempikoppaisessa ZJ:ssä ei ole sähköflektiä kummallakaan bensakoneella, joten ainoastaan viskon hajoaminen niin ettei se pyöri ollenkaan tai pyörii liian hitaasti voi saada aikaan saman ongelman. Mun -96 kuutoskoneisessakaan ei sitä ole, joten epäilen Ranen ongelmien johtuvan jostain muusta.

iroc 22.06.2013 09:41

Lainaus:

Alkuperäinen kirjoittaja rane58 (Viesti 1017900)
Hitto noitten kanssa, outoa ettei pks ole osaajia/tekijöitä ilmastoinnin temppuilun korjaukseen! :confused:
-Onhan noita täyttäjiä mutta.....:rolleyes:

Onhan noita. Esimerkiksi Autotekniikka Mobilta Espoon Juvanmalmilla.
Suoritetaan koeponnistukset typellä ja vuodonhakua väriaineilla.

Timo_L 22.06.2013 10:49

Lainaus:

Alkuperäinen kirjoittaja WinChester (Viesti 1017904)
Vanhempikoppaisessa ZJ:ssä ei ole sähköflektiä kummallakaan bensakoneella, joten ainoastaan viskon hajoaminen niin ettei se pyöri ollenkaan tai pyörii liian hitaasti voi saada aikaan saman ongelman.

Jeps, tarkistin vielä itsekkin ja tuli tosiaan vasta tuonne '97-'98 versioihin eikä niissäkään ole kaikissa kait sitten. Aina oppii jotain uutta. Toisaalta, ei siitä lisäflektistä haittaakaan olisi ;)

Lainaus:

Alkuperäinen kirjoittaja iroc (Viesti 1017916)
Onhan noita. Esimerkiksi Autotekniikka Mobilta Espoon Juvanmalmilla.
Suoritetaan koeponnistukset typellä ja vuodonhakua väriaineilla.

Hyvä tietää, pidän mielessä niin ei tartte sitten välttämättä lähteä Hämeenlinnaan asti ajamaan :D

-MaTTi- 22.06.2013 12:26

Lainaus:

Alkuperäinen kirjoittaja iroc (Viesti 1017916)
Onhan noita. Esimerkiksi Autotekniikka Mobilta Espoon Juvanmalmilla.
Suoritetaan koeponnistukset typellä ja vuodonhakua väriaineilla.

Vielä ku löytys paikka mikä vaihtaa kompuraan tiivisteitä, flekteihin hiiliä ja laakereita jne. Taitaa olla utopiaa nykyään...

JAMANT 22.06.2013 13:26

Lainaus:

Alkuperäinen kirjoittaja -MaTTi- (Viesti 1017944)
Vielä ku löytys paikka mikä vaihtaa kompuraan tiivisteitä, flekteihin hiiliä ja laakereita jne. Taitaa olla utopiaa nykyään...

Kyllähän noita vaihtaa, jos maksaja löytyy, hinnastahan se on kiinni ja tietenkin jos osia jostain sais, nykyään myydään enimmäkseen kokonaisuuksia, ei osia....

WinChester 22.06.2013 14:22

Lainaus:

Alkuperäinen kirjoittaja Timo_L (Viesti 1017926)
Jeps, tarkistin vielä itsekkin ja tuli tosiaan vasta tuonne '97-'98 versioihin eikä niissäkään ole kaikissa kait sitten. Aina oppii jotain uutta. Toisaalta, ei siitä lisäflektistä haittaakaan olisi ;)

Kaikkihan sen tietää mitä siitä tulee kun yhdistetään paskaa ja ropeli (= fan). Kun siihen vielä lisätään sähköä, niin ongelmat senkun lisääntyy... :p Sikäli olen itse toimintavarmemman mekaanisen tuulettimen kannalla, vaikka uuden viskon n. 130E hinnalla saa useamman sähkötuulettimen. Ja saahan sen moniurahihnan sisäpuolen täyteen hiomakiviä kunnon kurakylvyssä siinä missä sähköflektistä palaa hiilet; kokeiltu on. Kurakylpyä varten pitäisi syyläri saada taakse ja ylös, mutta sitten tarvitaan paljon muutakin... ;)

Timo_L 22.06.2013 14:56

Sähköflektin saa mudassa kokonan pois päältä, ja laadukas sähköfkekti kestää paskaa siinä missä viskokin. Laadukas sähköflekti kyllä maksaa helposti satkun tai yli, halvat kiinanvatkaimet ei liikuta tarpeeksi ilmaa eikä kestä mitään.

Lisäksi sähköflekti ei ole sellainen tehosyöppö ja humisija kuin visko ;)

WinChester 22.06.2013 18:52

Onkos siinä uudemmassa ZJ:ssä visko ja sähkötuuletin rinnakkain kuten XJ:ssä, vai miten? Mulle ainakaan mitään sähkövispainta mihinkään mahdu, ellei ota viskoropelia kokonaan pois. Black ZJeepistä jos alkais tehä puhdasta metsäautoa, niin vois laittaa syylärin taakse sun muuta jännää. On vain noita kilpiautoja vielä ensin rakennettavaksi... Kurakot ajattelin kiertää jatkossa kauempaa kuin mitä XJ:llä; sitä paskaa riittää joka paikkaan ihan ilman ropeleitakin... :mad:

iroc 22.06.2013 19:27

Lainaus:

Alkuperäinen kirjoittaja -MaTTi- (Viesti 1017944)
Vielä ku löytys paikka mikä vaihtaa kompuraan tiivisteitä, flekteihin hiiliä ja laakereita jne. Taitaa olla utopiaa nykyään...

Se taas ei oikein lyö leiville nykyään, ei asiakkaalle eikä tekijälle. Osia ei tahdo löytyä mistään ja kukaan ei tahdo maksaa osien etsiskelystä. Jos joutuu tekemään 12 tuntia töitä, josta laskuttaa voi tunnista, niin ei se kannata. Samoin se on menetetty asiakas, jos lykkäät laakerinvaihdosta laskun asiakkaalle, jossa loppusumma on 3 kertaa uuden kompuran hinta.
Ja suurin ongelma lienee se, että kukaan ei halua maksaa vian paikallistamisesta mitään.
Siksi on sekä asiakkaalle että tekijälle helpompaa, kun vaihtaa koko kompuran uuteen, niin ei tule hinnoissakaan yllätyksiä.

Mutta jos tuo osat mukanaan, niin voi toki hiilet, tiivisteet ja laakerit vaihtaa, ei se mikään ongelma ole.

JAMANT 22.06.2013 20:23

Lainaus:

Alkuperäinen kirjoittaja iroc (Viesti 1018030)
Se taas ei oikein lyö leiville nykyään, ei asiakkaalle eikä tekijälle. Osia ei tahdo löytyä mistään ja kukaan ei tahdo maksaa osien etsiskelystä. Jos joutuu tekemään 12 tuntia töitä, josta laskuttaa voi tunnista, niin ei se kannata. Samoin se on menetetty asiakas, jos lykkäät laakerinvaihdosta laskun asiakkaalle, jossa loppusumma on 3 kertaa uuden kompuran hinta.
Ja suurin ongelma lienee se, että kukaan ei halua maksaa vian paikallistamisesta mitään.
Siksi on sekä asiakkaalle että tekijälle helpompaa, kun vaihtaa koko kompuran uuteen, niin ei tule hinnoissakaan yllätyksiä.

Mutta jos tuo osat mukanaan, niin voi toki hiilet, tiivisteet ja laakerit vaihtaa, ei se mikään ongelma ole.

Just, veit jalat suustani...

Timo_L 22.06.2013 20:36

Lainaus:

Alkuperäinen kirjoittaja iroc (Viesti 1018030)
Suurin ongelma lienee se, että kukaan ei halua maksaa vian paikallistamisesta mitään.
Siksi on sekä asiakkaalle että tekijälle helpompaa, kun vaihtaa koko kompuran uuteen, niin ei tule hinnoissakaan yllätyksiä.

Mutta jos tuo osat mukanaan, niin voi toki hiilet, tiivisteet ja laakerit vaihtaa, ei se mikään ongelma ole.

Suurin ongelma on se, että monessa paikassa ei vaivauduta tekemään juuri mitään diagnosointia, vaan osat vaihdetaan sillä periaatteella että nenän edessä on lista erilaisista oireista ja sen mukaan vaihdetaan niin kauan osia että ilmastointi (tai jokin muu) toimii.

Viimeksi kun mulla oli kompuran kanssa ongelmia, niin kaikki paikat tarjosi suoralta kädeltä korjaukseksi uutta kompuraa (montaa sataa euroa + vaihtotyö + järjestelmän tyhjennys ja täyttö). Vikaa oli magneettikytkimen laakerissa, joka löytyi suoraan laakeriliikkeen hyllystä muutamalla kympillä, vaihdossa meni 20min. kotipihalla tehtynä ilman ulosvedintä. Eikä tarvinnut edes aineita tyvjentää.

Tälle ongelmalle mitä nyt on niin tarjottiin kaikenlaista, hintahaitari alkoi tonnista diagnoosille + remontille. Ei ihan niin iso vika ole ja itse ilmastoinnissa ei ole mitään vikaa..

iroc 22.06.2013 21:19

Kyllä sitä vian hakua on tarjottu, mutta kun asiakkaalle kertoo reheellisesti että se maksaa 75€ tunti ja vikaa ei ehkä pysty osien puutteen vuoksi odottaessa korjaamaan, niin eipä ole ensimmäistäkään asiakasta vielä löytynyt, jolle moinen palvelu kelpaa. :(

petpi 22.06.2013 21:45

Lainaus:

Alkuperäinen kirjoittaja Timo_L (Viesti 1017854)

Jösses, kun se on hyvän näköinen Jeep!

Lainaus:

Alkuperäinen kirjoittaja Timo_L (Viesti 1017854)
Sähköflekti autossa on kuitenkin toiminut - tai niin ainakin luulin. Flekti on puhaltanut kun kone on lämmin eikä koskaan lähelläkään ole ollut keittämistä. En vain tiennyt että flektissä pitäisi olla myös hidas nopeus, mikä ei ole toiminut omassani. Tästä johtuen hitaassa ajossa yläpaineet on kerinnyt nousemaan sen verran nopeasti liian korkealle, että korkeapainepuolen paineanturi (joista toinen käskyttää vain flektin hidasta puolta päälle, ja toinen kompuran magneettikytkintä auki) ei luultavasti ole ehtinyt mukaan riittävän noepasti, jolloin ilmastoinnin varoventtiili on pikkuhiljaa suhauttanut turhat paineet pois järjestelmästä, ja siksi se on tyhjentynyt.

Asiaa tutkittuani totesin, että flektin hitaan nopeuden pitäisi puhaltaa aina ilmastoinnin ollessa päällä, ja jos kone liian lämmin niin sitten hyppää korkealle nopeudelle. Selvisi myös, että 5.9:n sähköflektin moottorista tahtoo hidas puoli kärvähtää.

Täällä on ihan samanlaiset oireet. Vuoden takaiset täytöt on mennyt harakoille ja sähköflekti ei kyllä pyöri aina ilmastoinnin ollessa päällä.
Jaa, että uusiminen on noin hankalaa/kallista, pärkkele.

Timo_L 22.06.2013 23:44

Lainaus:

Alkuperäinen kirjoittaja iroc (Viesti 1018058)
Kyllä sitä vian hakua on tarjottu, mutta kun asiakkaalle kertoo reheellisesti että se maksaa 75€ tunti ja vikaa ei ehkä pysty osien puutteen vuoksi odottaessa korjaamaan, niin eipä ole ensimmäistäkään asiakasta vielä löytynyt, jolle moinen palvelu kelpaa. :(

Monissa tapauksissa tuo vikadiagnoosin teko ei ainakaan ilmastoinnin kyseessä ollessa pitäisi juuri tuntia kauempaa kestää. Jos tunnin- parin selvittämisellä saa aikaan sen että selviää jonkin pikkuosan vaihdolla vs. se että töineen menee 700-800€ rahaa, niin on kumma että ihmiset todellakin haluaa maksaa jopa lähes kymmenkertaisen summan mielummin :eek: No, ehkä se vaan olen sitten minä ja joku muu hullu jotka ei siihen ole valmiita, muilla kait on enemmän rahaa tai on vain totuttu kertakäyttökulttuuriin että ei kannata korjata pikkuvikaa vaan pistää kaikki uusiksi.

Toki joku kompuran tiivisteiden yms. vaihto on jo sellaista hommaa että nykyisin ei sitä kannata missään länsimaassa teettää tuntityönä, vaan ostaa uusi kompura minkä vaihtaa. Jos itsellä on tietotaitoa niin sitten käy tyhjäämässä systeemin ja tekee korjauksen. Kuitenkin näissä pienemmissä remonteissa monesti asiakkaalta säästyisi aivan varmasti sadoista euroista jopa yli tuhanteen, kun annettaisi asiansa osaavan erikoistuneen huollon tehdä tunnin- pari diagnoosin ja sitten vaihdetaan/ korjataan mitä pitää. Itselle kyllä tuli vastaan kun koitin monesta liikkeestä pk- seudulla kysyä että saako vikadiagnoosia, niin parhaimmillaan vastaus oli tyyliin "Luuletsä että me sulle mitään diagnooseja tehdään ja sitten ite korjaat järjestelmän? Me tehdään alusta loppuun homma ja omilla osilla!" ...aha, selvä. Pitäkää tunkkinne. Ei ne muitten puljujen vastaukset paljoa fiksumpia olleet, ja YKSIKÄÄN ei ollut valmis tekemään edes kunnon vuototestiä vaikka olisin siitä ollut valmis maksamaan.


Lainaus:

Alkuperäinen kirjoittaja petpi (Viesti 1018061)
Täällä on ihan samanlaiset oireet. Vuoden takaiset täytöt on mennyt harakoille ja sähköflekti ei kyllä pyöri aina ilmastoinnin ollessa päällä.

Jaa, että uusiminen on noin hankalaa/kallista, pärkkele.

Ei se ole kuin sen ~150€ + tulli & alv., kuten tuossa yllä kerroin :) Osat sieltä rockautosta niin tulee muutamassa päivässä hilppeet.. Olen itselle tilaamassa joskus lähiaikoina, voin ottaa ylimääräisen satsin sulle jos kiinnostaa.

Testaa kuitenkin ensin onko sulla hidas puoli pimeänä, hyvin todennäköisesti on. Nappaset ylävesiletkusta lämpöanturin-, sekä A/C:n korkeapainepuolen linjasta edestä katsoen vasemmanpuoleisen paineanturin liittimet irti, avaimesta virrat Run- asentoon, hyppylangalla liittimen nastat yhteen. Jos rele naksuu mutta flekti ei toimi niin flektivika. Jos ei rele naksu, niin joko rele tai anturit on rikki. Alavesiletkun vastaavasta pitäisi sitten lähteä nopea puoli hurisemaan.

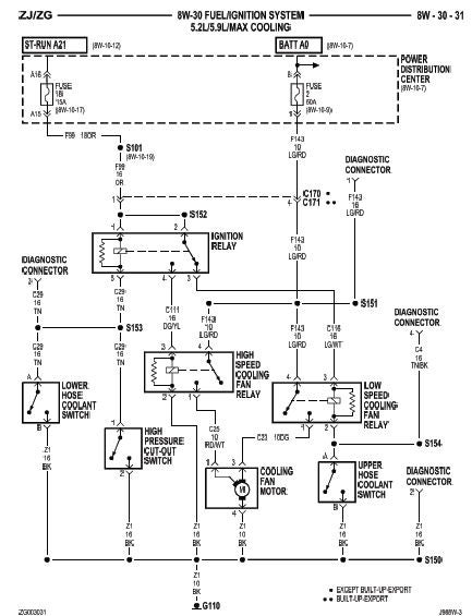
Tässä on tuo logiikka millä flektin kuuluisi pyöriä:
http://www.kolumbus.fi/Timo_Lampi/Gr...n_logiikka.jpg

..ja tuossa alla johtokaavio antureista ja releistä kuka-mitä-missä-milloin. Konehuoneen sulakerasian vieressä on "päätön" liitin missä on neljä nastaa; tämä on flektin diagnostiikkaportti. Ota siitä suojahattu irti, ja yhdistät johtokaavion mukaan "TAN" ja "TAN-BLACK" johdot - kaksi reunimmaista, kaksi muuta on musta ja punainen. Tällöin flekti pyörii aina nopealla kun joko hitaan tai nopean puolen pitäisi hurista. Alkaa pysyä aineet sisällä ja A/C puhaltaa kylmää myös paikallaan ollessa. Flekti ei tuolla systeemillä puhalla koko ajan, vain tarpeen mukaan. Itse hoidin homman kapeaksi hiotuilla abico- liittimillä, kutistesukalla ja pätkällä 2,5mm^2 johtoa. Älä kuitenkaan pidä tuota pysyväisratkaisuna, flekti haukkaa täysnopeudella PALJON virtaa, ja tuossa ei ihan virta kulje sitä reittiä mistä pitäisi..

http://www.kolumbus.fi/Timo_Lampi/Gr...ohtokaavio.gif

rane58 23.06.2013 00:09

On nii hikiki....
 
On tullut hienosti hyviä neuvoja tee-se-itse miehille!:)
-Me poropeukalot olemme edelleen liikkeiden armoilla..... :o

Ps. Onneksi Oldsissa toimii ilmastointi! :cool:

iroc 23.06.2013 10:21

Lainaus:

Alkuperäinen kirjoittaja Timo_L (Viesti 1018085)
"Luuletsä että me sulle mitään diagnooseja tehdään ja sitten ite korjaat järjestelmän? Me tehdään alusta loppuun homma ja omilla osilla!" ...aha, selvä. Pitäkää tunkkinne. Ei ne muitten puljujen vastaukset paljoa fiksumpia olleet, ja YKSIKÄÄN ei ollut valmis tekemään edes kunnon vuototestiä vaikka olisin siitä ollut valmis maksamaan.

Lämmittimien, Eberin ja Webaston suhteen on asiakkaille kelvannut vian haku. Ja muutaman kerran pelkästään vika etsitty ja asiakas on itse korjannut vian, myyty tosin osat siinä samalla, mutta saa ne toki hankkia itsekin. Eipä tuo minun leipää syö, vaikka itse korjaisikin vian, omasta mielestäni tyytyväinen asiakas tulee takaisin samaan paikkaan, kun taas tarvetta ilmenee.:)

Timo_L 23.06.2013 11:02

Jeps, tuosta olen täsmälleen samaa mieltä :) Monessa paikassa vain valitettavasti tuntuu että firmoille ei raha kelpaa ja palvella ei haluta..

JAMANT 23.06.2013 11:14

Palaan takaisin siihen tyhjenemiseen, missäs semmoinen ylipaineventtiili sitten on, kun ei ne aineet sais tulla ulos, koulutuksessa ei ainakaan semmoista mistään kaaviosta löydy??

Timo_L 23.06.2013 11:21

Jossain tehtaan jenkkipiirustuksissa sellainen ainakin oli mainittuna.. pitää koittaa kaivaa se kuva jostain. Voi toki olla, että euroversioista se puuttuu? Tosin jos paineet nousee liikaa, niin jostain ne aineet kuitenkin tulee ulos, vaikka sitten kompuran stefoista tjsp..

vmt 23.06.2013 12:12

Ainakin XJ:n service manuaalista löytyi tuollainen maininta:

"HIGH PRESSURE RELIEF VALVE: The valve is
located on the filter drier. The valve is used to prevent
excessive high pressure build of 3445 to 4135
kPa (500 to 600 psi) and above. This prevents damage
to the compressor and other system components."

Kaipa tuosta sitten ainetta tulee pihalle, jos yläpainekytkin ei katkaise toimintaa. Kun tosiaan, jostain ne tulisi jossain vaiheessa kuitenkin...

HeikkiH 23.06.2013 15:01

Lainaus:

Alkuperäinen kirjoittaja JAMANT (Viesti 1018155)
Palaan takaisin siihen tyhjenemiseen, missäs semmoinen ylipaineventtiili sitten on, kun ei ne aineet sais tulla ulos, koulutuksessa ei ainakaan semmoista mistään kaaviosta löydy??

ZJ:n 5.2 koneessa tossa, tötterö mikä osoittaa taaksepäin. Dodgessa se on suoraan kompuran persiissä.

http://forums.offipalsta.com/picture...ctureid=133541

Parempihan se on että aineet tulee pihalle tuollaisen venttiilin kautta kuin että esimerkiksi höyrystin räjähtää ja aineet on kabiinissa.

Timo_L 23.06.2013 15:16

Tuolla lailla se on omassanikin :) on se tosiaan niin että parempi päästää aineita ulos kuin räjäyttää jotain järjestelmästä.

JAMANT 23.06.2013 17:48

OK, uskotaan, ihmetyttää vaan, kun ei siitä koulutuksessa puhuttu mittään....

Timo_L 23.06.2013 17:58

Jospa ne ensin pelotteli, ettei ainetta missään nimessä saa päästää karkuun, niin eivät enää tohtineet mainita että "Ai niin, on noissa varoventtiili joka kuitenkin suhauttaa ne pihalle" :D

lavanelikko 23.06.2013 18:02

Lainaus:

Alkuperäinen kirjoittaja JAMANT (Viesti 1018269)
OK, uskotaan, ihmetyttää vaan, kun ei siitä koulutuksessa puhuttu mittään....

Mitenkään aliarviomatta ammattitaitoa tai -tietämystä, niin monesti vaan menee niiin, että laitteen valmistaja ei koulutuksessa kerro ihan kaikkea sattuneesta syystä...

JAMANT 23.06.2013 18:32

No kun sitä ainetta ei sais päästä ulos oikestaan ollenkaan, normisti kyllä sitä tulee letkuista läpi... Jos nimittäin päästää ulos tahallaan ja jää kiinni (aika kaukaa haettua, että jäis kiinni) niin siitä saa lain mukaan jopa kaksi vuotta häkkiä, se kun on aika vakava ympäristörikos.... Niin ihmetyttää tuo poistoventtiili....

Timo_L 23.06.2013 18:48

Onhan teollisuuslaitoksissakin varoventtiileitä mistä voi päästä jos minkämoista myrkkyä ulos, ihan siksi että vältetään vielä suuremmat vahingot.

Eli tässä tapauksessa varmaan parempi päästää pieni määrä r134a:ta taivaalle kuin räjäyttää koko laitos. Paine laskee äkkiä kun paineen alaista nestettä päästetään hyvin pieni määrä ulos ulos, varoventtiili kait on nestepuolella? Oikein toimiessaanhan järjestelmästä ei varoventtiilin kautta ihan helpolla aineita ulos tule, korkeapainekatkaisijan pitäisi ehtiä irrottamaan kompura hyvissäajoin ennen sitä :)

HeikkiH 23.06.2013 19:02

Lainaus:

Alkuperäinen kirjoittaja Timo_L (Viesti 1018293)
Paine laskee äkkiä kun paineen alaista nestettä päästetään hyvin pieni määrä ulos ulos, varoventtiili kait on nestepuolella?

Jep, nestepuolella. Ja mm. Scaniassa on ylipaineventtiili myös lauhduttimessa, avautumispaine 33,5-38 baria. Järjestelmän ylitäyttö on yksi mahdollisuus millä saadaan äkkiä paineet tappiinsa. Ai mistäkö tiedän? Onneksi vahtasin mittareita niin ehdin sammuttaa koneen ennen kuin isompia vahinkoja sattui, ihan pieni pilkkuvirhe kun piti 60g lisätä niin menikin 600 grammaa.

petpi 28.06.2013 07:41

Lainaus:

Alkuperäinen kirjoittaja Timo_L (Viesti 1018085)
Testaa kuitenkin ensin onko sulla hidas puoli pimeänä, hyvin todennäköisesti on. Nappaset ylävesiletkusta lämpöanturin-, sekä A/C:n korkeapainepuolen linjasta edestä katsoen vasemmanpuoleisen paineanturin liittimet irti, avaimesta virrat Run- asentoon, hyppylangalla liittimen nastat yhteen. Jos rele naksuu mutta flekti ei toimi niin flektivika. Jos ei rele naksu, niin joko rele tai anturit on rikki. Alavesiletkun vastaavasta pitäisi sitten lähteä nopea puoli hurisemaan.

Tässä on tuo logiikka millä flektin kuuluisi pyöriä:

http://www.jeepforum.com/forum/attac...-fan-temps.jpg


..ja tuossa alla johtokaavio antureista ja releistä kuka-mitä-missä-milloin. Konehuoneen sulakerasian vieressä on "päätön" liitin missä on neljä nastaa; tämä on flektin diagnostiikkaportti. Ota siitä suojahattu irti, ja yhdistät johtokaavion mukaan "TAN" ja "TAN-BLACK" johdot - kaksi reunimmaista, kaksi muuta on musta ja punainen. Tällöin flekti pyörii aina nopealla kun joko hitaan tai nopean puolen pitäisi hurista. Alkaa pysyä aineet sisällä ja A/C puhaltaa kylmää myös paikallaan ollessa. Flekti ei tuolla systeemillä puhalla koko ajan, vain tarpeen mukaan. Itse hoidin homman kapeaksi hiotuilla abico- liittimillä, kutistesukalla ja pätkällä 2,5mm^2 johtoa. Älä kuitenkaan pidä tuota pysyväisratkaisuna, flekti haukkaa täysnopeudella PALJON virtaa, ja tuossa ei ihan virta kulje sitä reittiä mistä pitäisi..

http://www.jeepforum.com/forum/attac...ooling-fan.jpg

Yritän tänään keretä tutkia oman auton puhallinta.
Saatko ne hyvät kuvat vielä tuohon takaisin.

Timo_L 28.06.2013 08:23

Tjaah, enpä ole niitä kyllä poistanutkaan.. ei kai sitten anna toinen foorumi linkittää. Täytyy tutkailla.

edit: hmmh.. linkit kyllä toimii mutta kuvat on kokonaan hävinneet jeepforumilta. Pitää kattoa jos jostain saisi vielä etsittyä.
edit2: Noniin, nyt löytyi ja taas futaa! :)

Rak 28.06.2013 09:09

Onkohan moottorissa vastus hitaalle nopeudelle?
Onko mahdollista puukottaa moottori auki ja laittaa ulkoinen vastus sisäisen tilalle?

Timo_L 28.06.2013 09:39

Siellä on kahdet hiilet, hitaalle ja nopealle. Käyttääkö sitten hidas nopeus vain osaa moottorin käämityksestä tjsp., en tiedä.. ei siellä ainakaan mitään ylimääräistä vastusta pitäisi olla.

Mutta kuten todettua, en itse ainakaan pidä ~150 euroa uudesta moottorista + johdoista lähetyskuluineen ihan älyttömänä hintana. Alkuperäinen samanlainen kuitenkin kestänyt nopealla puolella jo 15 vuotta, ja hitaammallakin toimii yleensä vähintään kymmenen :)

Rak 28.06.2013 11:18

Jos kerta kahet hiilet ja systeemit on niin eipä siellä silloin vastusta ole.
Mutta aina pitää koittaa joku patentti keksiä ;)

petpi 29.06.2013 06:03

Lainaus:

Alkuperäinen kirjoittaja Timo_L (Viesti 1018085)
Testaa kuitenkin ensin onko sulla hidas puoli pimeänä, hyvin todennäköisesti on. Nappaset ylävesiletkusta lämpöanturin-, sekä A/C:n korkeapainepuolen linjasta edestä katsoen vasemmanpuoleisen paineanturin liittimet irti, avaimesta virrat Run- asentoon, hyppylangalla liittimen nastat yhteen. Jos rele naksuu mutta flekti ei toimi niin flektivika. Jos ei rele naksu, niin joko rele tai anturit on rikki. Alavesiletkun vastaavasta pitäisi sitten lähteä nopea puoli hurisemaan.

Hyvä ohje! Omassa rysässä lähti flekti pyörimään kumpaakin nopeutta hyppylankatestillä. Normaalissa tilanteessa ei pyöri ollenkaan hitaampaa nopeutta, joten olisikohan ylävesiletkun anturi sökö. Ei siitä ole vikakoodia päällä, vai pitäisiköhän edes olla?

Timo_L 29.06.2013 06:28

Joko lämpöanturi tai sitten paineanturi. ..nyt vaan sitten pitäisi kaivaa jostain oikeat vastusarvot niille :o

JAMANT 29.06.2013 07:38

Jos löydätte korvaavaa anturia, niin olis kiva tietää, niitä orkkis antureita ei enää saa Moparilta, kokeilin just tilata niitä, ei saa enää...

Timo_L 29.06.2013 07:49

Lainaus:

Alkuperäinen kirjoittaja JAMANT (Viesti 1019645)
Jos löydätte korvaavaa anturia, niin olis kiva tietää, niitä orkkis antureita ei enää saa Moparilta, kokeilin just tilata niitä, ei saa enää...

Jeps, tämä onkin tiedossa. Tekee asian vähän hankalaksi :(

Ainakin olen nähnyt käytettävän jotain GM- konsernin jenkkivermeen tuotetta ylävesiletkussa, pitää vielä tutkailla kun en muista miten se oli tehty ja oliko se ihan "bolt-on" tuote. Siinäpä nuo oikeat lämpö- ja painearvot (tai vastusarvot ko. antureista) auttaisi, voisi koittaa löytää korvaavaa tuotetta. Vähän sama juttu kuin flektin moottorin kanssa, siihen tosin onneksi on jo lääke löytynyt :)

petpi 02.07.2013 09:06

Lainaus:

Alkuperäinen kirjoittaja JAMANT (Viesti 1019645)
Jos löydätte korvaavaa anturia, niin olis kiva tietää, niitä orkkis antureita ei enää saa Moparilta, kokeilin just tilata niitä, ei saa enää...

Nopealla guuglettamisella löytyi aiheeseen liittyvää keskustelua.
http://www.jeepgarage.org/f203/new-5...-fix-3495.html
http://thespeedfreaks.net/archive/index.php/t-4962.html
eli anturiksi ilmeisesti kävisi jompi kumpi "ECH TS4015" tai SU109
http://www.napaonline.com/Catalog/Ca...015_0366163310
http://www.autozone.com/autozone/par...ntifier=146258

Timo_L 27.07.2013 19:19

Ei se vain tunnu auttavan vaikka mitä tekisi että tämän vekottimen etuperän saisi pysymään ehjänä :mad:

Tällaista jälkeä tuli pikku kallionousulta Kulmakorvessa :D Koneessa tasaisella vedolla ~1500rpm pikkupuolen ykkösellä, etulukko päällä, ei mitään hypyytystä -> *naps* .... eli kertarusaus ja etupään veto hävisi. No, D30:n ongelma tunnetusti on "gear deflection" eli veto päällä lautaspyörä lähtee pinionilta karkuun. Kai tämä on siitä sitten aika selkeä tapaus, tosin sattui sitten vääntämään samalla lukkomurikan solmuun, uursi parin- kolmen millin urat banjon sisälle, tuhosi poskilaakerit ja poskilaakeripukit sekä toisen poskilaakerin perän kiinnitysreiän kierteet. Pitkän puolen vetari jymähti niin tiukkaan kiinni perämurikan sisälle että joutuu pilkkomaan murikan ensin rälläkällä osiin että saa sen prässättyä pullotunkilla helvettiin :rolleyes:

Luonnollisesti tuho on sitä luokkaa, että saa alkaa etsiä uutta etuakseliputkea - vahvempaa sellaista. Tiedä sitten mistä helvetistä löytäisi tyhjän high pinion D44:n... Low pinionia en ihan vähällä tahdo. Tämä hajonnut oli high pinion D30.


Lautaspyörä, lukko ja poskilaakeripukki (sekin on oikeasti vinossa, jos ei tästä näe) vituillaan:

http://timolampi.kuvat.fi/kuvat/Offr...pg/_medium.jpg


Hammaspeikko:

http://timolampi.kuvat.fi/kuvat/Offr...pg/_medium.jpg


Tosta näkee ehkä vielä paremmin kuinka vituillaan toi murikka on perän sisällä. No, totaalituho siitä tuli. Laakeripukit kun otti tallin pihassa pois niin ropisi vain ulkokehän palasia, laakerirullia, metallihilettä, lukon paloja ja taisi siellä olla jotain osia banjostakin..

http://timolampi.kuvat.fi/kuvat/Offr...pg/_medium.jpg

Racingrabbit 27.07.2013 19:26

Eikö noihin amerikan periin pysty tekemään jälkeenpäin tälläistä engelsmannien "diff peggingiä"?
http://www.ashcroft-transmissions.co...d&productId=63
http://www.ashcroft-transmissions.co...&productId=371

Mulle tehdään Roverin taka akselille tälläinen ARB:n asennuksen yhteydessä.

Timo_L 27.07.2013 19:38

Kyllä kait tuon vois tehdä... mutta en taida jaksaa enää koittaa tehdä paskasta parempaa kun kuitenkin joudun nyt rakentamaan uuden akselin. Olishan mulla tuo yksi alumiinikoppainen D44 taka- akseliputki ylimääräisenä mistä voisi pynnertää etuakselin, mutta siinä vähän samaa ongelmaa ettei ne ihan parhaita ole - ja se on low pinion eikä siihen saa käytännössä mitään lukkoja.

Jos jostain löytäisi - halvalla tietenkin ( :D ) - tyhjän HP D44 akseliputken niin kasaisi siitä D44/30 hybridin. Tässä kun kuitenkin täytyy olla ABS:it kiinni niin melkein väkisin joutuu säästämään D30 ulkopäät. Ne kyllä kestää cromo- vetareilla sen mitä tarvitsee. Pyöränlaakeritkaan ei vielä kauheasti valita 32" renkaista, 35" renkailla niitä sitten saisikin jo vaihtaa useammin..

Byrocrat 27.07.2013 23:06

http://www.my4x4parts.com/
 
Lainaus:

Alkuperäinen kirjoittaja Timo_L (Viesti 1027535)
Kyllä kait tuon vois tehdä... mutta en taida jaksaa enää koittaa tehdä paskasta parempaa kun kuitenkin joudun nyt rakentamaan uuden akselin. Olishan mulla tuo yksi alumiinikoppainen D44 taka- akseliputki ylimääräisenä mistä voisi pynnertää etuakselin, mutta siinä vähän samaa ongelmaa ettei ne ihan parhaita ole - ja se on low pinion eikä siihen saa käytännössä mitään lukkoja.

Jos jostain löytäisi - halvalla tietenkin ( :D ) - tyhjän HP D44 akseliputken niin kasaisi siitä D44/30 hybridin. Tässä kun kuitenkin täytyy olla ABS:it kiinni niin melkein väkisin joutuu säästämään D30 ulkopäät. Ne kyllä kestää cromo- vetareilla sen mitä tarvitsee. Pyöränlaakeritkaan ei vielä kauheasti valita 32" renkaista, 35" renkailla niitä sitten saisikin jo vaihtaa useammin..

http://www.my4x4parts.com/

WinChester 06.08.2013 11:09

Onhan se nyt perhana, ettei nää vehkeet kestä! :mad: Kuvan perusteella taka-akselilla oli painoa ja siten pitoa - toisin kuin edessä - joten miten ihmeessä toi levisi sitten edestä? :confused: Tuntemattomia ovat off-road-jumalien tiet... Lieneekö siinä D30 ja D35 -akselien konkreettinen kestävyysero nähtävissä?

Timo_L 06.08.2013 18:58

Ei se D35 kestä varsinkaan kasikoneen kanssa juurikaan sen paremmin kuin D30 edessä. D44a välitys on oikeasti pirun kestävä, vetarit lähes samaa luokkaa normaalin D44:n kanssa, mutta banjo on ihan paska ilman trussia. D35 ei ole oikein mitään hyvää :D

Mysteeri tuo on miksi etuperä hajonnut, mutta tod.näk. ensin on pettänyt lukkomurikan runko joka murtui, se sitten aiheuttanut täystuhon. Toinen mahdollinen järkeenkäypä vaihtoehto on D30:n perisynti "gear deflection" jossa lautaspyörä karkaa pinionilta koska banjo ei tahdo kestää, vääntää siis banjoa, laakereita ja murikkaa ja voi rikkoa jotain tai kaikki niistä yhdellä kertaa. Mulla oli etuperä tiukaksi shimmattu ja hammaskosketus varsin syväksi juuri em. asian takia, mutta voi silti olla että tuo on ollut ainakin osasyynä. Silti mysteeri on, miten noinkin helposti hajosi...

No, olen jo selvitellyt että jenkkien eBayn kautta löytyy aika helposti Ford F-150/ F-250 '78-'79 high pinion D44 murikoita putket katkaistuna, tuontikuluineen 200-300€.. ei kovin paha. Sellainen tulee kunhan ehdin tilata ja siitä D44/ D30 hybridiakselia rakentamaan, 3" halkaisijalla, 12mm seinämällä olevilla putkilla, trussi, 30- spooriset cromovetarit (ts. samat kuin täysverisessä D44:ssä olisi), WJ:n knucklet jarrut ja ohjaus mikä nytkin on. Jos se hajoaa 32" renkailla niin on jo kumma...

BJ-40/76 06.08.2013 21:37

Mikä/Kenen tekemä Lukko? Ihan uteliaisuuttani:
 
Jos/kun tuo Jeepin perä on arka tuolle hammaspeikolle; Ja niitä shimmataan valmiiksi pieleen(käsitinkö oikein?): niin olisiko tuo jopa mahdollinen syy/osasyy? (Timo_L: "Mulla oli etuperä tiukaksi shimmattu ja hammaskosketus varsin syväksi") niin silloin rasitus ei satu hampaan keskelle: siis hammas lähtee (väsymisenkin kautta) murtumaan.
Toki tuo Lukkokin voi olla alkuperäinen syy: Näyttäs saaneen kovaa kohtelua jo aikaisemmin, ruuvipenkin? hampaan jäljet näyttäs olevan kyljessä. -> jos on sairastanut tuota hammaskatoa jo aikaisemmin, niin tuo lautaspyörän kiinnityskehä, joka nyt pettänyt, on voinut saada kipeää jo aikaisemmin.
-> jos leikitellään ajatuksella; että tuo lukon kuoren hajoaminen väsymismurtuman kautta olisi alkuperäinen syy, niin tuo hammasmurtuma sopii hyvin kuvioon seuraavaksi, ja sitten kun jako ei enää mene tasan, niin perän kuoret/poskilaakerit/pukit aika ahtaan paikan/suuren voiman edessä.

Minkä kokoiset renkaat? jeepin välityksistä ei tietoa, mutta jotenkin tuo 1500rpm kuulostaa pieneltä bensakoneen kierroksiksi, siis voimaa ei varmaankaan ollut menossa mitenkään hirveästi, ja varsinkin jos porsi tasaisella vedolla ilman hyppyä? ja vielä takaset tukevasti kentässä?

Oliko jossain video/kuva tuosta tilanteesta?

samppas 06.08.2013 21:55

No tuosta osta uusi aksula ja myy tarpeettomat kääntöpäät mulle 50e.


Murikkakin taitaa olla oikein päin.

http://www.nettivaraosa.com/auton-varaosat/1606855

Timo_L 06.08.2013 22:19

Lainaus:

Alkuperäinen kirjoittaja samppas (Viesti 1030520)
No tuosta osta uusi aksula ja myy tarpeettomat kääntöpäät mulle 50e. Murikkakin taitaa olla oikein päin.

http://www.nettivaraosa.com/auton-varaosat/1606855

Höh, ei kukaan halua CAD- akselia offiautoon :eek: Tarttis olla vanhempi HP D60 king pin akseli.. ja leimasetä voisi tuumailla hetken jos tuon laittaisi alle. Tosin tallista löytyisi kyllä sopivanlevyinen GM 14 pulttinen tuon kaveriksi, sitten enää vähän korin vahvistusta ja 38.5 boggerit alle ja leimalle! :D



Lainaus:

Alkuperäinen kirjoittaja BJ-40/76 (Viesti 1030505)
Jos/kun tuo Jeepin perä on arka tuolle hammaspeikolle; Ja niitä shimmataan valmiiksi pieleen(käsitinkö oikein?): niin olisiko tuo jopa mahdollinen syy/osasyy? (Timo_L: "Mulla oli etuperä tiukaksi shimmattu ja hammaskosketus varsin syväksi") niin silloin rasitus ei satu hampaan keskelle: siis hammas lähtee (väsymisenkin kautta) murtumaan.

Ei väärin shimmattu, vaan erilailla - kaksi eri asiaa :) Nykyisellään aika paljonkin näkee tuolla suuressa maailmassa kohtuu tiukaksi shimmattuja periä ja pinioni vähän normaalista poiketen juuri siksi, että hammaspeikko EI iskisi niin helpolla. Kyllä tuossa minun akselissa hammaskosketus oli ihan sitä mitä pitääkin, sen näkee myös lautaspyörän sekä pinionin hampaista. Voin niistä napsaista kuvan kunhan ehdin. Ei tuo mikään hammasvälyksetön paketti tietenkään ollut, sillähän polttaisi välityksen alta aikayksikön.. Hammasvälys taisi olla aika lailla tehtaan speksien minimissä ja pinioni hivenen tavallista lähempänä hampaan juurta. Se ei riko välitystä, toisin kuin liian "pinnalla" oleva tai välyksen suurimmassa ääripäässä oleva.


Lainaus:

Toki tuo Lukkokin voi olla alkuperäinen syy: Näyttäs saaneen kovaa kohtelua jo aikaisemmin, ruuvipenkin? hampaan jäljet näyttäs olevan kyljessä.
Ei ole saanut mitään kovaa kohtelua aiemmin, lukko suoraan paketista tähän nimenomaiseen akseliin ja ei ole ollut jäljen jälkeä murikassa. Kaikki jäljet mitä siitä löytyy on tulleet vaurion seurauksena.

Lainaus:

-> jos on sairastanut tuota hammaskatoa jo aikaisemmin, niin tuo lautaspyörän kiinnityskehä, joka nyt pettänyt, on voinut saada kipeää jo aikaisemmin.
Tässä akselissa ensimmäinen hammaspeikko käynyt, akseli kasattu katukäytössä olleesta Cherokeen etuakseliputkesta. Se vain on näitten Dana 30 akseleitten perisyntiä että tuota tapahtuu, kun ei kestä isompia renkaita - tai sitten pienehköjä renkaita ja kunnolla vääntävää kasia ;)

Lainaus:

-> jos leikitellään ajatuksella; että tuo lukon kuoren hajoaminen väsymismurtuman kautta olisi alkuperäinen syy, niin tuo hammasmurtuma sopii hyvin kuvioon seuraavaksi, ja sitten kun jako ei enää mene tasan, niin perän kuoret/poskilaakerit/pukit aika ahtaan paikan/suuren voiman edessä.
Tätä epäilen itse, että syystä tai toisesta murikan kuori on pettänyt ja sitä kautta sitten hajonnut kaikki muu. Kävi joskus hieman vastaava ARB:n lukon kanssa kun laakerin kaula murtui lukosta irti, sekin D30 akselissa.


Lainaus:

Minkä kokoiset renkaat? jeepin välityksistä ei tietoa, mutta jotenkin tuo 1500rpm kuulostaa pieneltä bensakoneen kierroksiksi, siis voimaa ei varmaankaan ollut menossa mitenkään hirveästi, ja varsinkin jos porsi tasaisella vedolla ilman hyppyä? ja vielä takaset tukevasti kentässä?
32" renkaat, 1. vaihteen välitys 2.45 (automaatti), 2.72 jakiksen hidas puoli, akseleissa 4.56 ja voimaa tarjoamassa 5,9 litraa amerikkalaista monipisteruiskua. Voi olla että kierroksia oli vähän ylikin, mutta 1500-2000rpm välillä joka tapauksessa. Tehtaan speksien mukaan silloin pitäisi tarjota kait n.350- 400Nm vääntöä, en tiedä ihan tarkkaan. Tasaisella vedolla meni, ei hyppyytystä, kaikki neljä tassua maassa ja etulukko päällä.


Lainaus:

Oliko jossain video/kuva tuosta tilanteesta?
Auton katolta on videota, mutta siitä ei mitään erikoista näy eikä kuulu. Kuva paikasta on, aika lailla siltä hetkeltä kun etuperä leipoi:

http://timolampi.kuvat.fi/kuvat/Offr...jpg/_small.jpg

WinChester 06.08.2013 22:42

Lainaus:

Alkuperäinen kirjoittaja Timo_L (Viesti 1030418)
D35 ei ole oikein mitään hyvää :D

No no no, pitäskö muka provosoitua? :p Haha. Hyvä yritys. Kunhan saan Grand ZJapan "valmiiksi", niin katotaan miten sen paikat kestää. Johan tässä on yhtäaikaa ja peräkkäin ruuvattu kolmea autoa, joten huvittas välillä vähän ajellakin. Sitä kokoaikaa jaksa tallissa röhnöttää rikkoontuneita paikkoja korjaamassa ja kuvailemassa, toisin kuin eräät! :D:p

Muuten kuten lienen joskus maininnut, niin Moparin 360:n isku on paaaljon 318 konetta pidempi, joten alakierrosvääntöä on ihan tajuttomasti enemmän. Sikäli tiheet välitykset yms. saa helposti aikaan samaa tuhoa Jeepin omille akseleille isoilla renkailla, mitä esim. 2,5L TD-kone manuaalilla. Toi 5.9 sopis ehkä paremmin nakkikioskille Remmi-Range-rovereiden kiusaksi kuin maastoon. XJ/TJ pikkukasilla ja vieterialustalla olisi peto, mutta sehän jo todettiin ettei taida kannattaa yrittää, kun ei löydy sopivaa kenkälusikkaa motin sovitukseen.

Timo_L 06.08.2013 23:59

Ei siitä provosoitua tarvitse, mutta totta toinen puoli ainakin ;) ohuet akseliputket (kuten on D44a:ssakin), heikohko banjo (kuten D44a), ohuet vetarit, turhan heikko välitys, c-clip akseli (kuten ZJ:n D44a). Kasikone 33" renkailla ja painavahko auto jo aikalailla kiusaa d35:n kestävyyttä, mutta järkevällä ajolla se kestää minkä kestää :) edit: mielellään sitä itsekin välillä metsässä rymyäsi, mutta tahtonut lyhyeksi jäädä ajot :(

Ei mikään estä 5.9 koneisella metsässä ajoa, hienosti se sinne sopii, mutta etuperä on metsäolosuhteisiin liian heikko - varsinkin tiheämmillä välityksillä. Vääntökäppyröiden perusteella 5.9 tuottaa saman n.2000rpm tietämillä mitä 5.2:n huippuvääntö on jossain 3000rpm kohdin, joskin 3000rpm alueella ne isommankin version parhaat väännöt löytyy. Varttimaili- vedossa tuokin kone herää silti kunnolla eloon vasta selvästi parin tonnin jälkeen - hassua sinänsä koska alakierroksillakin vääntöä on hyvin tarjolla. Tuohon vaikuttanee se että Jeepin 5.9 koneessa on vähän eri nokka kuin perus truck- padassa, se muistaakseni tuottaa huippuväännöt ja tehot vähän ylempänä, mutta alaväännöt on kuitenkin hyvin lähellä samaa. Piti tilata tähän Doug Thorleyn peltisatsit jenkeistä (miltään muulta valmistajalta ei löydy 5.2/ 5.9 koneeseen ZJ- spekseillä peltisarjoja, ja tuokin jo lopettanut valmistamisen! :eek: ), koska alkaa olla ne viimeisetkin kappaleet jo kiven alla, mutta homma kaatui budjettivajeeseen kiitos hajonneen etuperän. Olisi vielä mukavasti tuonut vähän lisää herkkua pellin alle ;)

WinChester 07.08.2013 12:29

Joo no jos Joukan ZJ:n CV-nivelet kestää kuutoskonetta ja 33" TSL:iä, niin kaippa mullakin ristikkonivelet kestää kasia. Mää panostan nyt alustan toimintaan, se kun on halvempaa kuin lukkojen, välityksien sun muiden vastaavien kamojen hankkiminen saati särkeminen. Eikä tää nyt ollu pottuilua, vaan mun kitubudjettiajattelua. Jos sitten joku särkyy, niin pihasta / tallista löytyy osia ja aina voi miettiä, tuliko virhe jo rakentaessa vai ajaessa.

Kun rakentelutopiikkeja lukee, niin väistämättä tulee ajatus päättymättömästä kilpavarustelusta ainakin itsensä ellei toisten kanssa. Sikäli olisi mukavaa pitää kokonaisuus eheänä ja "samasta puusta veistettynä", jottei mikään kohta ole ollennaisesti heikompi tai vahvempi kuin toinen ja muodostaisi sen puolesta varmaa sulaketta. Vaikka niinhän tässä aina tuppaa käymään! :cool:

Rytari 07.08.2013 13:08

Lainaus:

Alkuperäinen kirjoittaja WinChester (Viesti 1030636)
Joo no jos Joukan ZJ:n CV-nivelet kestää kuutoskonetta ja 33" TSL:iä, niin kaippa mullakin ristikkonivelet kestää kasia. Mää panostan nyt alustan toimintaan, se kun on halvempaa kuin lukkojen, välityksien sun muiden vastaavien kamojen hankkiminen saati särkeminen. Eikä tää nyt ollu pottuilua, vaan mun kitubudjettiajattelua. Jos sitten joku särkyy, niin pihasta / tallista löytyy osia ja aina voi miettiä, tuliko virhe jo rakentaessa vai ajaessa.

Kun rakentelutopiikkeja lukee, niin väistämättä tulee ajatus päättymättömästä kilpavarustelusta ainakin itsensä ellei toisten kanssa. Sikäli olisi mukavaa pitää kokonaisuus eheänä ja "samasta puusta veistettynä", jottei mikään kohta ole ollennaisesti heikompi tai vahvempi kuin toinen ja muodostaisi sen puolesta varmaa sulaketta. Vaikka niinhän tässä aina tuppaa käymään! :cool:

kysehän on vain siitä mihin kohtaan sen sulakeen mieluiten haluaa asettaa, itse olen aina halunnut sen sellaseen paikaan että pääsis ajaan kotio ja vasta siellä korjaamaan.

WinChester 07.08.2013 14:59

Lainaus:

Alkuperäinen kirjoittaja Rytari (Viesti 1030647)
kysehän on vain siitä mihin kohtaan sen sulakeen mieluiten haluaa asettaa, itse olen aina halunnut sen sellaseen paikaan että pääsis ajaan kotio ja vasta siellä korjaamaan.

Tää on hyvä pointti. Paras sulakkeen paikka on siis penkin ja ratin välissä! Meinaan että kun se joustaa ensimmäisenä, säilyy auto ehjänä. :)

Timo_L 07.08.2013 17:32

Lainaus:

Alkuperäinen kirjoittaja WinChester (Viesti 1030670)
Tää on hyvä pointti. Paras sulakkeen paikka on siis penkin ja ratin välissä! Meinaan että kun se joustaa ensimmäisenä, säilyy auto ehjänä. :)

Silloin vain jää monesti hyvät paikat ajamatta ja toisaalta itse ei kehity ajajana niissä pahemmissa paikoissa. Pidemmän päälle samojen helpohkojen paikkojen veivaaminen käy tylsäksi ;)

Kyllähän se niin on että sulake kannattaa olla halvassa (ja helpossa) paikassa. Tuli taas nähtyä että kun D30:een laitta cromovetarit niin jostain muualtahan se sitten antautuu kuin ristikon lenkeistä tai itse vetarista :rolleyes: :p

WinChester 07.08.2013 19:40

Niin no eikös se ole nimenomaan tämän koko homman juitsu, että tietää omat ja kulkineensa kyvyt niin rakentaessa kuin ajaessakin, jolloin pystyy menemään halutessaan riskirajalla niin budjetin kuin ajamisenkin suhteen sitä ylittämättä?

Mutta tietysti jos haluaa koko ajan kokeilla rajojaan ja etsiä niihin petrausta, niin silloinhan pitää toimia sen tavoitteen mukaan. Mulle se vain olisi epämieluisaa lompakon ja loputtoman samojen paikkojen sepittämisen suhteen. Tullaan taas siihen käyttötarkoitukseen. Tämä voi olla jo turha keskustelu, mutta sinänsä ihan mielenkiintoista, miten erilailla harrastajat suhtautuvat offailun eri hienouksiin. Niin pähkähulluilta kuin yksi sun toinen touhu vaikuttaa - eikä vähiten kun lukee omia vanhoja kirjoituksiaan :D - niin oppiihan tässä muidenkin kokemuksista!

Rytari 08.08.2013 08:04

ei mulla ainakaan ole jäänyt mikään piakka sen takia ajamatta että olis pitänyt miettiä rikkuuko joku paikka, menemistä lähinnä rajottanut vain auton ominaisuudet, kaikki vaan ei ole ajettavissa mutta se on ehkä suurin syy erinäsiten muutoksien tekoon että en halusta kolmatta kertaa samaa paikkaa samasta syystä ala paikkaamaan.

sillä mulla vielä on xj:ssä d30 edessä kun en "kop kop" ole siitä vetaria kummempaa rikkonut.

petpi 12.08.2013 18:04

Lainaus:

Alkuperäinen kirjoittaja Timo_L (Viesti 1030418)
No, olen jo selvitellyt että jenkkien eBayn kautta löytyy aika helposti Ford F-150/ F-250 '78-'79 high pinion D44 murikoita putket katkaistuna, tuontikuluineen 200-300€.. ei kovin paha. Sellainen tulee kunhan ehdin tilata ja siitä D44/ D30 hybridiakselia rakentamaan, 3" halkaisijalla, 12mm seinämällä olevilla putkilla, trussi, 30- spooriset cromovetarit (ts. samat kuin täysverisessä D44:ssä olisi), WJ:n knucklet jarrut ja ohjaus mikä nytkin on. Jos se hajoaa 32" renkailla niin on jo kumma...

Tossa ilmeisesti olis sellainen murikka?
http://www.ebay.com/itm/DANA-44-HIGH...-/251318986479

Aika kovissa hinnoissa nää muuten ovat. +lähetyskulut
http://broncograveyard.com/bronco/i-...b-assmbly.html

Tilaa kaksi, niin tehdään mullekin samalla aksula ;)

Timo_L 12.08.2013 18:55

No juu, ei ne ihan ilmaisia ole, on pahuksen haluttua tavaraa myös jenkeissä. Vaikka noita jäykkäakselisia 150 ja 250 nelivetoja onkin tehty läjäpäin, niin parhaat niistä akseleista on juuri nuo '78- '79 malliset eikä ne enää ole ihan älyttömän yleisiä kuitenkaan.

Täkäläisittäin hinta on halpa, mutta jenkeissä kun monesti saa kokonaisen ehjän toimivan Jeepin akselin samalla rahaa :eek: jos olisi putiikki mistä löytyisi noita murikoita kaksin kappalein niin voisi sitä kaksikin ottaa :)

Timo_L 22.09.2013 18:36

Lainaus:

..ja tuossa alla johtokaavio antureista ja releistä kuka-mitä-missä-milloin. Konehuoneen sulakerasian vieressä on "päätön" liitin missä on neljä nastaa; tämä on flektin diagnostiikkaportti. Ota siitä suojahattu irti, ja yhdistät johtokaavion mukaan "TAN" ja "TAN-BLACK" johdot - kaksi reunimmaista, kaksi muuta on musta ja punainen. Tällöin flekti pyörii aina nopealla kun joko hitaan tai nopean puolen pitäisi hurista. Alkaa pysyä aineet sisällä ja A/C puhaltaa kylmää myös paikallaan ollessa. Flekti ei tuolla systeemillä puhalla koko ajan, vain tarpeen mukaan. Itse hoidin homman kapeaksi hiotuilla abico- liittimillä, kutistesukalla ja pätkällä 2,5mm^2 johtoa. Älä kuitenkaan pidä tuota pysyväisratkaisuna, flekti haukkaa täysnopeudella PALJON virtaa, ja tuossa ei ihan virta kulje sitä reittiä mistä pitäisi..
Tilapäisratkaisu kesti näin pitkään. Tosin hajonnut osa oli moottori, nopea puoli käy aika tiuhaan tahtiin tällä oatentilla päällä- pois niin eihän se ikuisuuksia kestä.

Rockautosta moottorin ja liitinjohdon ostoon..

Timo_L 30.12.2013 22:36

Vihdoin viimein sain aikaiseksi turailla tuon flektin kimpussa, moottori tuli jo puolitoistaviikkoa sitten (VDO PM9069), mutta johtosarja jäi sitten jonnekin matkan varteen (Pariisin Chalrel de Gaulle- lentokentällä osataan myös kuriirifirmojen pakettien, eikä pelkästään matkalaukkujen hävitys).

Moottorin laitoin silloin heti kiinni, ja ajattelin tilapäisratkaisuna viritellä pikaliittimillä johtojen päät moottoriin kiinni, kun sattumalta isommat abicot kävi siihen suoraan. Ei vain ollutkaan ihan niin yksinkertaista, moottori kun ei lähtenyt pyörimään vaikka releet naksui lämpö- ja painekatkaisijoista testaamalla.

Moottori irrotettuna jännitteet tuli, moottori kiinni ei. Suoralla hyppylangalla ja maadoitus flektin johtosarjan kautta ja pyörii sekä hidas että nopea puoli. Tänään nyt sitten tosiaan vihdoinkin purin johtosarjan irti että pääsi katsomaan mitä sieltä oli huonona. Auton sulakerasialta tulee vain kaksi johtoa, +12V 60A syöttö, ja 15A sulakkeen perässä oleva ohjausvirta releille yms. Kun sain johtosarjan pois, niin totesin että tuo iso liitin mistä tulee sulakkeiden läpi virrat oli vähän huonona. Muovia sulanut 60A liitinnastan ympäriltä ja liittimen vastakappaleet oli vähän jumittuneet toisiinsa. Epäilys oli että siinä syy, koska sulakkeet oli ehjät eikä ne paukkuneet, mutta tarkistin silti johtosarjan kunnolla. Ehjähän se oli.

Purin Dremelillä muoviliittimestä varsinaiset kontaktit irti, putsasin ne, kontaktit toisiinsa kiinni ja puristimella kunnolla läjään -> fleti toimii. Tilapäisesti mennäät nyt tuolla ratkaisulla + sähköerkalla eristettynä, kunhan saan jostain etsittyä riittävän järeän 2- napaisen liittimen joka kestää 60A+ virtaa 12V systeemissä, ja johon menee 4mm^2 johto.


Samalla tilasin Rockautosta uudet etunavat (tullee loppuviikosta), ja kävin hakemassa US Partsista ohjaustehostimen paine- ja paluuletkut kun nykyiset alkoi vuotaa synteettisen PSF:n käytön jäljiltä. Huuhtelin samalla järjestelmän pariin kertaan ihan tavallisella PSF:llä ja täytin samalla liemellä. Ei enää täyssynteeistä "hyvää" PSF:ää meikäläisen autoon... :mad:

Timo_L 02.01.2014 11:28

Noh, nyt kun sain flektin pelittämään, ja ohjaustehostimen letkut & liemet vaihdettua - ohjaus muuten toimii paremmin nyt - niin annas olla kun koitin aamulla lähteä töihin. Startti pyöräytti pari kierrosta, kuului epämääräinen klonks, ja startti hyytyi. Jännitteet kohdallaan ja kaikki muut sähköt pelaa. Täytyy katsoa onko mahdollisesti johdoissa tjsp. vikaa, mutta vahva olettamus on itse startti, se kun on ollut vähän niheä muutenkin.

Tehdasuusi Moparin alkuperäinen starttimoottori sattuu olemaan juuri tarjouksessa Rockautossa - 59€ + 51€ kuljetuskulut FedEx expressillä, paketti maanantaina kotona. Ei paha :) Normihinta näkyi olevan jossain 300$ tietämillä, joten todella halvallahan tuo lähtee. Täytyy varmaan ottaa samantien pari, jos joku muu tarvitsee..

koira 02.01.2014 22:10

Mikäs etuakseli siul ny on?

Timo_L 02.01.2014 22:21

Suolestettu HP D30 ja takaveto :D

Etuakseli on vielä alkutekijöissään, mutta pikkuhiljaa kerään osia että saa HP D44/ D30 hybridin kasaan. Eli ulkopään osat tulee olemaan samat kuin nyt, mutta murikka D44.

OnOff 02.01.2014 22:24

Lainaus:

Alkuperäinen kirjoittaja Timo_L (Viesti 1086600)
Suolestettu HP D30 ja takaveto :D

Onneksi on sula talvi :)


Sivu luotu: 14:18 (GMT +2).