Offipalsta.COM

Offipalsta.COM (https://forums.offipalsta.com/index.php)
-   Tekniikka & Jutustelu (https://forums.offipalsta.com/forumdisplay.php?f=150)
-   -   pajero kysymyksiä kokeeneemmille... (https://forums.offipalsta.com/showthread.php?t=112851)

hexmania 13.06.2019 00:06

Onko kellään kokemusta minkälainen homma etuperän tiputus gen2 pajerossa kun pitäis saada kompensoitua keulaa perään nähden. Front upper ball joint spacers 30mm for Mitsubishi Pajero 2gen 91-99 tulee väliin ja sanotiin että vetarin kulmat rupee ulos joustoissa menee aika hurjaan kulmaan

ISE 17.06.2019 19:27

pajero vm.93 maskista jäähdyttävä cooleri,onko mitään etua käytännössä jos laittaa scoopin konepeltiin?

turakki 19.06.2019 08:51

Pitkä -97 on vähän turhan levoton ajettava. Tempoilee urista ja muutenkin tarvitsee jatkuvaa ohjaamista levottomampi siis, kuin vaikka pätkä BJ. Leimalla pyysin katselemaan etupään väljät huolellisesti, eikä katsuri ainakaan mitään löytänyt.

Alla pyörii 235 85 16 noin 0 et vanteella. Talvella pikkupyörillä oli toki parempi, mutta ei hyvä kuitenkaan.

Eka risukeula, niin muuttujia on enemmän, mistä kannattaisi aloittaa?

jokke-76 19.06.2019 08:57

Ohjaus simpukka. Sitä pystyy säätämään kone huoneen puolelta. Apu simpukka. Rengas paineet.

angrynerd 20.06.2019 10:10

Lainaus:

Alkuperäinen kirjoittaja turakki (Viesti 1410883)
Pitkä -97 on vähän turhan levoton ajettava. Tempoilee urista ja muutenkin tarvitsee jatkuvaa ohjaamista levottomampi siis, kuin vaikka pätkä BJ. Leimalla pyysin katselemaan etupään väljät huolellisesti, eikä katsuri ainakaan mitään löytänyt.

Alla pyörii 235 85 16 noin 0 et vanteella. Talvella pikkupyörillä oli toki parempi, mutta ei hyvä kuitenkaan.

Eka risukeula, niin muuttujia on enemmän, mistä kannattaisi aloittaa?

renkaanrungot ehjät?

HiluxMan 20.06.2019 13:07

Lainaus:

Alkuperäinen kirjoittaja turakki (Viesti 1410883)
Pitkä -97 on vähän turhan levoton ajettava. Tempoilee urista ja muutenkin tarvitsee jatkuvaa ohjaamista levottomampi siis, kuin vaikka pätkä BJ. Leimalla pyysin katselemaan etupään väljät huolellisesti, eikä katsuri ainakaan mitään löytänyt.

Alla pyörii 235 85 16 noin 0 et vanteella. Talvella pikkupyörillä oli toki parempi, mutta ei hyvä kuitenkaan.

Eka risukeula, niin muuttujia on enemmän, mistä kannattaisi aloittaa?

Pajero vetelee teräväolkaisilla renkailla aika lailla. Rauhoittuu pyöreäolkaisilla. Kapea myös parempi kuin leveä.
Onko pyörät suunnattu oikein?

turakki 20.06.2019 14:00

Lainaus:

Alkuperäinen kirjoittaja angrynerd (Viesti 1410947)
renkaanrungot ehjät?

Ainakin Bj:n alle laitettuna toimii loistavasti.

turakki 20.06.2019 14:05

Lainaus:

Alkuperäinen kirjoittaja jokke-76 (Viesti 1410884)
Ohjaus simpukka. Sitä pystyy säätämään kone huoneen puolelta. Apu simpukka. Rengas paineet.

Apusimpanssista oli itsellä epäilys, mutta katsuri ei ainakaan siitä suunnasta väljää löytänyt. Mainitsin tosiaan leimalla ongelmasta, ja kaikki nivelet koitettiin katsoa kunnolla.

Pitäisikö löysän simpukan tuntua muuten paikallaan käännellessä väljinä. Tässä ei tunnu mitään sellaista.

turakki 20.06.2019 14:08

Lainaus:

Alkuperäinen kirjoittaja HiluxMan (Viesti 1410952)
Pajero vetelee teräväolkaisilla renkailla aika lailla. Rauhoittuu pyöreäolkaisilla. Kapea myös parempi kuin leveä.
Onko pyörät suunnattu oikein?

Alla on nyt goodyear mtr 235/85 16. Leveäksi ei kai tuota kukaan pääse kehumaan. Olkapää on toki terävä. Kaipa sitä suuntausta ruvetaan arpomaan seuraavaksi.

ISE 20.06.2019 18:43

minun pajerossa oli takatukivarsien puslat väljät veteli pahasti.

turakki 20.06.2019 22:00

Lainaus:

Alkuperäinen kirjoittaja ISE (Viesti 1410964)
minun pajerossa oli takatukivarsien puslat väljät veteli pahasti.

Tämäpä täytyy tarkistaa. Varmasti alkuperäiset 440 tkm ajetut alla.

BJ-40/76 21.06.2019 21:41

Onko Pajerossa ohjausiskaria?
 
Lainaus:

Alkuperäinen kirjoittaja turakki (Viesti 1410883)
Pitkä -97 on vähän turhan levoton ajettava. Tempoilee urista ja muutenkin tarvitsee jatkuvaa ohjaamista levottomampi siis, kuin vaikka pätkä BJ. Leimalla pyysin katselemaan etupään väljät huolellisesti, eikä katsuri ainakaan mitään löytänyt.

Alla pyörii 235 85 16 noin 0 et vanteella. Talvella pikkupyörillä oli toki parempi, mutta ei hyvä kuitenkaan.

Eka risukeula, niin muuttujia on enemmän, mistä kannattaisi aloittaa?

Siis pajerossa 0 et:n vanne?

Eikö pajeron et pidä olla monta kymmentä milliä?
Ja jos 235 85 16 pyörii, onko korotettu?

Ainakin -81/82 Mitsun 2.3 td Galantissa oli niin epämääräinen nivel simpukassa, että 90 km ajetulla alkuperäisvaraosalla ei selvinnyt katsastuksesta ilman vittuilua VUONNA -90. (siis sai olla nivelensuuntaista välystä paljon, ei työliikkeen... ja kyseessä Galant)

Jos olisi minun ongelma, niin sitoisin molempiin eturenkaisiin esim. 4 metriä pitkät 100x100 milliset parrut tms räikkäliinolla, että renkaita voi vääntää auton edestä oikealle ja vasemmalle.

Ja kun noista parruista heiluttelee vuoroin eritahtiin ja vuoroin samaantahtiin, niin alkaa selvitä missä välys on; siis kaipaa kolme henkilöä, 2 heiluttaa parruja ja yksi katsoo/puristelee ohjausniveliä.... ja auto rattilukossa.
-> ja kyseessä ei ole voima; vaan tekniikkalaji, Jos normaaleja miehiä niin retuuttaa välykset 205-16 renkaista, mutta kuka kerikää seurata.... Ja sehän tässä oli idea, siis johtuuko välykset apusimpukasta, simpukasta, vai nivelistä?
Pyörän kulmat on ajettavuuteen avainasemassa, ja varsinkin etuakselin olkatapin taka kallistuma

Auriol90 01.07.2019 19:05

Lainaus:

Alkuperäinen kirjoittaja turakki (Viesti 1410883)
Pitkä -97 on vähän turhan levoton ajettava. Tempoilee urista ja muutenkin tarvitsee jatkuvaa ohjaamista levottomampi siis, kuin vaikka pätkä BJ. Leimalla pyysin katselemaan etupään väljät huolellisesti, eikä katsuri ainakaan mitään löytänyt.

Alla pyörii 235 85 16 noin 0 et vanteella. Talvella pikkupyörillä oli toki parempi, mutta ei hyvä kuitenkaan.

Eka risukeula, niin muuttujia on enemmän, mistä kannattaisi aloittaa?

Ymmärtääkseni tossa 2 koppasessa on myös etupään jousituksena ne ihmee vääntösauvat. Itellä on yks ykköskoppane jota on korotettu niitä kirraamalla. Sen ajotuntuma on vähä hassu, saa niiku ohjailla kokoaja. Originaali säädöillä menee ku juna, paitti se n 5 cm klappi simpukasta, se on iha erituntune se simpukan väljyys verrattuna toho korotettuu. Se niiku (siinä korotetussa) ohjaus on tarkka, mut tahtoo vähä sillee hakee, vaikee selittää. Kokemuksien mukaa se väljyys simpukassa on sellasta et tien kaltevuuden mukaa pitää pitää vastaa, ei tee muuta, ei hae tai vänkää. :D


Sitte oma kysymys. Liittyen toho 90 lukusee 6 koneeseen.
Kylmänä huutaa noin 2000 rpm, ku lämpenee putoo normi 900-1000 rpm ja käynti on vähä rouhee, sellasta tsupsutusta/pasahtelua, ja putkesta tyhjäkäynnillä tulee valkeahkoa savua, 3000 rpm normi sauhut. Kone ei tosissaankaan keitä eikä menetä tehoja, mut ilmeisesti jäähytysneste pääsee sekottumaa öljyn sekaa nostaen sen pintaa ja värjäten sen valkoseks tai harmahtavaks. Mikä noista yleensä menee, pihalla yks toine josta epäilen kannenhalkeamaa (pitää käynnissä 5 min ja paisarissa samat tunnelmat ku kahvipannussa). Täs ei siis ainakaa vielä oo tollasta kiehumis vikaa. Mahtaisko olla vaa kansipahvi vai joku muu pahempi vika:confused:
Minkä hintaluokan remontti edessä jos halajaa ehjätä ja mistä alottaa.

Kiitän vastauksistanne. Oishan tuo hauska leikkikalu;)

cybress 25.07.2019 20:34

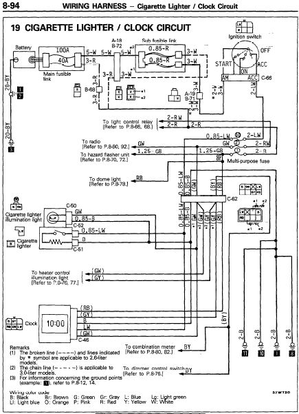
Potilas: gen 1 pajero 2.5 tdic

Vika : keskikonsolin kellosta ei sammu valo kun avaimesta kääntää virrat pois.

Onko vika virtalukon pohjassa vai kellossa itsessään.

Onko kellään muulla ollut vastaavaa.

Patu925 26.07.2019 17:33

Tuosta vois kiikaroida kytkentää. Äkkiiseltään kellovika jos et oo muuttanu kytkentää tai laittanu lisälaitteita esim. radiota hassulla kytkennällä...

https://forums.offipalsta.com/pictur...ctureid=222304

cybress 26.07.2019 23:35

Lainaus:

Alkuperäinen kirjoittaja Patu925 (Viesti 1412622)
Tuosta vois kiikaroida kytkentää. Äkkiiseltään kellovika jos et oo muuttanu kytkentää tai laittanu lisälaitteita esim. radiota hassulla kytkennällä...

https://forums.offipalsta.com/pictur...ctureid=222304


Thänks. Pitää alottaa virtalukonpohjan vaihdolla ekana....sitte vaihtaa kello jos ei muutu.

jmk 27.07.2019 08:06

Minkäköhän verra kello kuluttaa virtaa? Onko siitä sit sen suurempaa harmia jos se palaa kaiken aikaa?

Patu925 27.07.2019 10:18

Lainaus:

Alkuperäinen kirjoittaja cybress (Viesti 1412639)
Thänks. Pitää alottaa virtalukonpohjan vaihdolla ekana....sitte vaihtaa kello jos ei muutu.

Olikose sinikeltainen mikä on acc piuha ota se jostain liittimestä irti ja testaa kellon reaktio. Pääset pikkusen vähemmällä...

cybress 28.07.2019 12:55

Lainaus:

Alkuperäinen kirjoittaja Patu925 (Viesti 1412647)
Olikose sinikeltainen mikä on acc piuha ota se jostain liittimestä irti ja testaa kellon reaktio. Pääset pikkusen vähemmällä...


Pitää kokeilla.

McElliot 08.08.2019 15:36

Pajero -97 3.0 bensasta lakkas ensin kierroslukemamittari ja perään nopeusmittari ynnämuut..ainoostaan lämpömittari toimii. Tämän jälkeen sammu ajosta, eikä starttaa.
Voisko johtua akun kyykkäämisestä koko episodi? Isäukon auto kyseessä niin ei pääse tästä tutkimaan..

panzer 12.08.2019 15:11

Onko L200 (-97) ja Pajeron (2,5tdic) öljypohja erilainen? Tuollaisen kuulin tänään!

aslakki 12.08.2019 17:08

Ainakin vanhemmissa l200 (-90 taitteen) on erilainen pohja ja imuputki..

Nisseriina 02.09.2019 15:15

Pajero show jatkuu. Ongelmat alko polttoaineputkien katkeemisesta.Ne on korjattu jo ajat sitten ja auto muuten toimii iha ok mutta 2500 ja 3000 kierroksen kohalla kakoo vielä hieman.Suodatin vaihdettu nyt kahdesti pienen ajan sisään.Imuputkien lähdöt tankissa ei näyttäny nii pahoilta et ois niissä vika ja kesti käpälöintiä ihan kunnolla.Liitännät tarkastettu ei ole mikää löysässä.Mikä ihme sitä vielä riivaa? Voiko suodattimen jalka olla syyllinen? Se on ainaki ollu irti useamman kerran käpälöidyn näkösten pulttien perusteella. Jos suodattimen jalka voi olla osallinen tähän mahtasko keltään löytyä ylimääräistä ehjää? Auto on -97 2.8 turbo riiseli.

turakki 02.09.2019 16:17

Lainaus:

Alkuperäinen kirjoittaja BJ-40/76 (Viesti 1410999)
Siis pajerossa 0 et:n vanne?

Eikö pajeron et pidä olla monta kymmentä milliä?
Ja jos 235 85 16 pyörii, onko korotettu?

Ainakin -81/82 Mitsun 2.3 td Galantissa oli niin epämääräinen nivel simpukassa, että 90 km ajetulla alkuperäisvaraosalla ei selvinnyt katsastuksesta ilman vittuilua VUONNA -90. (siis sai olla nivelensuuntaista välystä paljon, ei työliikkeen... ja kyseessä Galant)

Jos olisi minun ongelma, niin sitoisin molempiin eturenkaisiin esim. 4 metriä pitkät 100x100 milliset parrut tms räikkäliinolla, että renkaita voi vääntää auton edestä oikealle ja vasemmalle.

Ja kun noista parruista heiluttelee vuoroin eritahtiin ja vuoroin samaantahtiin, niin alkaa selvitä missä välys on; siis kaipaa kolme henkilöä, 2 heiluttaa parruja ja yksi katsoo/puristelee ohjausniveliä.... ja auto rattilukossa.
-> ja kyseessä ei ole voima; vaan tekniikkalaji, Jos normaaleja miehiä niin retuuttaa välykset 205-16 renkaista, mutta kuka kerikää seurata.... Ja sehän tässä oli idea, siis johtuuko välykset apusimpukasta, simpukasta, vai nivelistä?
Pyörän kulmat on ajettavuuteen avainasemassa, ja varsinkin etuakselin olkatapin taka kallistuma

Vähän kerkisin katselemaankin. Isoa välystä ei ole missään, mutta pientä joka paikassa. Kirrasin vähän simpukkaa, se helpotti hiukan. Samoin kulkku parani hiukan , kun lykkäsi joka nivelen täyteen jäykkää vassua.
Ei kai sitten muuta, kuin ohjauksen nivelet uusiksi.

hiluvitkutin 02.09.2019 16:39

Lainaus:

Alkuperäinen kirjoittaja Nisseriina (Viesti 1414685)
Pajero show jatkuu. Ongelmat alko polttoaineputkien katkeemisesta.Ne on korjattu jo ajat sitten ja auto muuten toimii iha ok mutta 2500 ja 3000 kierroksen kohalla kakoo vielä hieman.Suodatin vaihdettu nyt kahdesti pienen ajan sisään.Imuputkien lähdöt tankissa ei näyttäny nii pahoilta et ois niissä vika ja kesti käpälöintiä ihan kunnolla.Liitännät tarkastettu ei ole mikää löysässä.Mikä ihme sitä vielä riivaa? Voiko suodattimen jalka olla syyllinen? Se on ainaki ollu irti useamman kerran käpälöidyn näkösten pulttien perusteella. Jos suodattimen jalka voi olla osallinen tähän mahtasko keltään löytyä ylimääräistä ehjää? Auto on -97 2.8 turbo riiseli.

Laita suodattimen jälkeen kirkasta letkua, näät tuleeko ilmakuplia sekaan.
Lähteekö seisonnan jälkeen hyvin käyntiin?
Niissä ollu myös kuluneita pumpun akselin tiivisteitä.
Moottori öljy lisinyt?


Sivu luotu: 22:58 (GMT +2).