Offiblogit
Uusimmat
Best Entries
Best Blogs
Blog List
Search Blogs
Offipalsta.COM
>
Käyttäjän "Mikael73" profiili
>
Albumit
>
Volvo
Näytä kuva
Käyttäjätunnus
Pysy kirjautuneena sisään?
Salasana
Rekisteröidy
Offiblogit
Yhteisö
Kalenteri
Viestit tänään
Haku
Yhteisölinkit
Kuvat & Albumit
Käyttäjälista
Viestihaku
Näytä viestiketjut
Näytä viestit
Hae luokalla
Tarkennettu haku
Search Blogs
Tarkennettu haku
Siirry sivulle...
Edellinen
|
Seuraava
Kuva 12 / 53
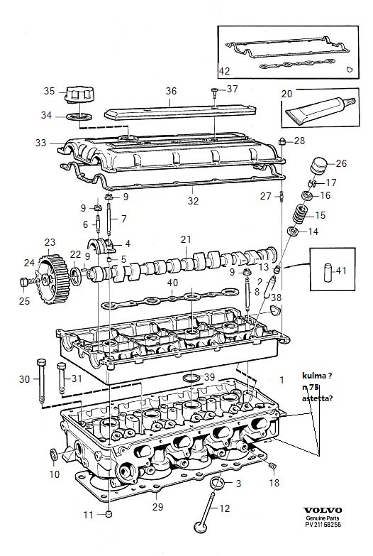
Volvo
GR 68256
Kuva lisätty
03.04.2015
09:02
Kuvan lisännyt
Mikael73
« Edellinen kuva
|
Seuraava kuva »
Sivu luotu:
19:34
(GMT +2).
-- Default Style
---- Morbid Cocoa
---- ModernBlue
---- Morbid[Blueberry+]
-- Mobile
-- English
-- Suomi
Offipalsta.COM
-
Arkisto
-
Ylös