Offiblogit
Uusimmat
Best Entries
Best Blogs
Blog List
Search Blogs
Offipalsta.COM
>
Käyttäjän "Pajares" profiili
>
Albumit
>
SUZUKI SAMURAI 1.3
Näytä kuva
Käyttäjätunnus
Pysy kirjautuneena sisään?
Salasana
Rekisteröidy
Offiblogit
Yhteisö
Kalenteri
Viestit tänään
Haku
Yhteisölinkit
Kuvat & Albumit
Käyttäjälista
Viestihaku
Näytä viestiketjut
Näytä viestit
Hae luokalla
Tarkennettu haku
Search Blogs
Tarkennettu haku
Siirry sivulle...
Edellinen
|
Seuraava
Kuva 131 / 498
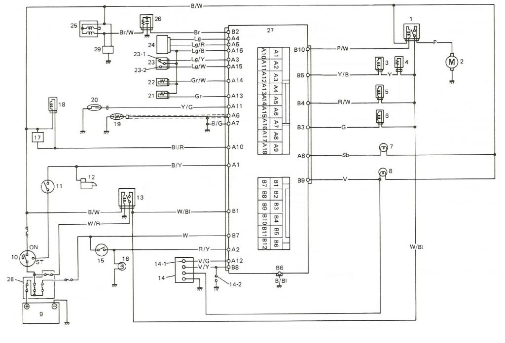
SUZUKI SAMURAI 1.3
Suzuki Swift 1 piste ruisku sähkökytkentä 1of2
Kuva lisätty
15.10.2015
19:04
Kuvan lisännyt
Pajares
« Edellinen kuva
|
Seuraava kuva »
Sivu luotu:
02:50
(GMT +2).
-- Default Style
---- Morbid Cocoa
---- ModernBlue
---- Morbid[Blueberry+]
-- Mobile
-- English
-- Suomi
Offipalsta.COM
-
Arkisto
-
Ylös